CN217892069U - Edge sealing device for plastic bag production - Google Patents
Edge sealing device for plastic bag production Download PDFInfo
- Publication number
- CN217892069U CN217892069U CN202221912474.XU CN202221912474U CN217892069U CN 217892069 U CN217892069 U CN 217892069U CN 202221912474 U CN202221912474 U CN 202221912474U CN 217892069 U CN217892069 U CN 217892069U
- Authority
- CN
- China
- Prior art keywords
- plate
- collecting box
- supporting
- lifting
- supporting platform
- Prior art date
- Legal status (The legal status is an assumption and is not a legal conclusion. Google has not performed a legal analysis and makes no representation as to the accuracy of the status listed.)
- Active
Links
- 239000004033 plastic Substances 0.000 title claims abstract description 24
- 238000004519 manufacturing process Methods 0.000 title claims abstract description 19
- 238000007789 sealing Methods 0.000 title claims abstract description 13
- 238000001816 cooling Methods 0.000 claims abstract description 39
- 239000000463 material Substances 0.000 claims abstract description 11
- 238000010438 heat treatment Methods 0.000 claims description 24
- 239000002985 plastic film Substances 0.000 abstract description 74
- 229920006255 plastic film Polymers 0.000 abstract description 74
- 239000004831 Hot glue Substances 0.000 abstract description 28
- 239000000498 cooling water Substances 0.000 abstract description 17
- 238000000034 method Methods 0.000 description 5
- 230000003028 elevating effect Effects 0.000 description 3
- 230000009286 beneficial effect Effects 0.000 description 2
- 239000007788 liquid Substances 0.000 description 2
- 238000012986 modification Methods 0.000 description 2
- 230000004048 modification Effects 0.000 description 2
- 238000010586 diagram Methods 0.000 description 1
- 239000003292 glue Substances 0.000 description 1
- 238000009434 installation Methods 0.000 description 1
- 239000000758 substrate Substances 0.000 description 1
- XLYOFNOQVPJJNP-UHFFFAOYSA-N water Substances O XLYOFNOQVPJJNP-UHFFFAOYSA-N 0.000 description 1
Images
Classifications
-
- Y—GENERAL TAGGING OF NEW TECHNOLOGICAL DEVELOPMENTS; GENERAL TAGGING OF CROSS-SECTIONAL TECHNOLOGIES SPANNING OVER SEVERAL SECTIONS OF THE IPC; TECHNICAL SUBJECTS COVERED BY FORMER USPC CROSS-REFERENCE ART COLLECTIONS [XRACs] AND DIGESTS
- Y02—TECHNOLOGIES OR APPLICATIONS FOR MITIGATION OR ADAPTATION AGAINST CLIMATE CHANGE
- Y02W—CLIMATE CHANGE MITIGATION TECHNOLOGIES RELATED TO WASTEWATER TREATMENT OR WASTE MANAGEMENT
- Y02W30/00—Technologies for solid waste management
- Y02W30/50—Reuse, recycling or recovery technologies
- Y02W30/62—Plastics recycling; Rubber recycling
Landscapes
- Lining Or Joining Of Plastics Or The Like (AREA)
Abstract
The utility model relates to the technical field of plastic bag production, in particular to a sealing device for plastic bag production, which can not only automatically push the plastic film which is just bonded into a collecting box, avoid the workers from contacting the plastic film by hands, avoid the workers from being scalded by hot melt adhesive, but also improve the cooling speed of the hot melt adhesive and the working efficiency by cooling the collecting box by cooling water, and has high practicability; the automatic material pushing and lifting device comprises a base plate, a supporting platform, a lower plate, a supporting frame, an upper plate, a support, a cooling box, a connecting block, a collecting box, an inclined plate, a material pushing device, a lifting device and a lifting device, wherein the supporting platform is fixedly arranged at the upper end of the base plate, the material pushing device is arranged on the supporting platform, the lower plate is fixedly arranged at the rear part of the upper end of the supporting platform, the supporting frame is fixedly arranged at the upper end of the supporting platform, the supporting frame is positioned at the rear side of the lower plate, the lifting device is arranged on the supporting frame, and the upper plate is fixedly arranged on the lifting device.
Description
Technical Field
The utility model relates to a technical field of plastic bag production especially relates to a banding device for plastic bag production.
Background
The plastic bag edge banding apparatus is an apparatus for banding a plastic bag, which has wide application in the production of plastic bags. When the existing plastic bag edge sealing device is used for sealing edges of a plastic bag, firstly, two plastic films coated with hot melt adhesive are heated through an edge sealing device, so that the hot melt adhesive on the plastic films is softened after being heated, then, the edge sealing device is used for pressurizing the two plastic films, so that the two plastic films are bonded together through glue, then, workers take down the two plastic films bonded together on the edge sealing device, and then, the two plastic films are placed into a collecting box for collection after the hot melt adhesive on the plastic films is cooled; the existing edge sealing device is found in the using process, because the temperature of the hot melt adhesive which is just melted is higher, if a worker carelessly touches the hot melt adhesive on the plastic bag when collecting the plastic film, the worker is easily scalded, the safety is poor, and the worker does not have a cooling device for the plastic film after sealing the edge of the plastic film, so that the hot melt adhesive is cooled slowly, the working efficiency is low, and the practicability is poor.
SUMMERY OF THE UTILITY MODEL
In order to solve the technical problem, the utility model provides a not only can push into the collecting box with the plastic film that has just bonded automatically, avoid the workman to contact the plastic film with the hand, avoid the workman to be scalded by the hot melt adhesive, through the cooling of cooling water to the collecting box moreover, improve the cooling rate of hot melt adhesive, improve work efficiency, the high banding device that is used for the plastic bag production of practicality.
The utility model discloses a banding device for plastic bag production, which comprises a base plate, a supporting platform, the lower board, a supporting frame, the upper plate, a support, the cooler bin, the connecting block, the collecting box, the swash plate, blevile of push, lifting device and elevating gear, a supporting platform fixed mounting is in the base plate upper end, blevile of push installs on a supporting platform, the lower board fixed mounting is in the rear portion of a supporting platform upper end, a supporting frame fixed mounting is in a supporting platform upper end, a supporting frame is located the lower board rear side, elevating gear installs on a supporting frame, upper plate fixed mounting is on elevating gear, the upper plate is located directly over the lower plate, the lower extreme of upper plate and the upper end of lower plate all are provided with the heating plate, cooler bin fixed mounting is in the upper end of base plate, the inside of cooler bin is provided with the cavity, the upper end of cooler bin is the opening, the cooler bin is located a supporting platform left side, the collecting box passes through connecting block fixed mounting in the cavity of cooler bin, the inside of collecting box is provided with the cavity, the upper end of collecting box is the opening, blevile of collecting box is installed on collecting box and connecting block, the left end of swash plate is installed in the collecting box and the inclined mounting on collecting box, the left end of a supporting platform, the left end of swash plate is located above; the method comprises the steps of firstly stacking two plastic films to be bonded up and down, then positioning the parts to be bonded on the two plastic films on a lower plate, then opening a lifting device to enable an upper plate to descend, enabling an upper plate to move a heating sheet on the upper side to descend, enabling a heating sheet on the upper plate and a heating sheet on the lower plate to tightly press the two plastic films, then enabling the two heating sheets and an external power supply to enable the two heating sheets to heat hot melt adhesives on the two plastic films, enabling the hot melt adhesives on the two plastic films to be softened after being heated, vertically bonding the two groups of plastic films together, enabling the upper plate to ascend through the lifting device, then opening a material pushing device, pushing the bonded plastic films to an inclined plate from right to left through the material pushing device, enabling the plastic films to slide down into a collecting box through the inclined plate, then adding cooling water into a cavity of a cooling box, enabling the lower portion of the collecting box to be immersed in the cooling water, enabling the cooling water to cool the plastic films in the cavity of the collecting box through the side walls of the collecting box, facilitating cooling water on the plastic films to be automatically pushed into the collecting box, and avoiding scalding workers.
Preferably, the pushing device comprises a sliding block, a push plate, a driving motor and a supporting plate, a sliding groove is formed in the supporting platform, a lead screw is arranged in the sliding groove, the lead screw is rotatably mounted on the supporting platform, the sliding block is slidably mounted in the sliding groove from side to side, the push plate is fixedly mounted at the upper end of the sliding block, the sliding block is in threaded connection with the lead screw, the right end of the lead screw is connected with the output end of the driving motor, the driving motor is fixedly mounted on the supporting plate, and the supporting plate is fixedly mounted on the supporting platform; the driving motor is turned on, the driving motor drives the lead screw to rotate, the rotating lead screw drives the sliding block to move from right to left, the sliding block drives the push plate to move from right to left, and the plastic film on the upper end of the support platform is pushed to the inclined plate left by the push plate in the leftward movement process, so that the plastic film is convenient to collect, and convenience is improved.
Preferably, the lifting device comprises a first cylinder, an ejector rod, a lifting plate, two groups of telescopic rods and a plurality of groups of connecting plates, the first cylinder is fixedly arranged at the upper end of the supporting frame, the upper end of the ejector rod is connected with the output end of the first cylinder, the ejector rod is vertically and slidably arranged on the supporting frame, the lifting plate is fixedly arranged at the lower end of the ejector rod, the lifting plate is vertically and slidably arranged on the supporting frame, the upper ends of the two groups of telescopic rods are fixedly arranged on the supporting frame, the lower ends of the two groups of telescopic rods are fixedly arranged on the lifting plate, the plurality of groups of connecting plates are fixedly arranged at the front end of the lifting plate, and the upper plate is fixedly arranged at the front end of the plurality of groups of connecting plates; open first cylinder, first cylinder passes through the ejector pin and drives the multiunit connecting plate lift, and the multiunit connecting plate drives the upper plate and goes up and down, has made things convenient for reciprocating to the upper plate, has improved the convenience.
Preferably, the lifting device comprises a second cylinder, a push rod, a fixed block and a lifting plate, the second cylinder is fixedly arranged at the upper end of the base plate, the push rod is arranged on the second cylinder, the lower end of the push rod is connected with the output end of the second cylinder, the push rod is vertically and slidably arranged on the cooling box and the collecting box, the fixed block is fixedly arranged at the upper end of the push rod, the lifting plate is fixedly arranged at the upper end of the fixed block, and the lifting plate is vertically and slidably arranged in a cavity of the collecting box; the second cylinder is opened, the second cylinder drives the fixing block and the lifting plate to ascend through the push rod, the lifting plate enables the plastic film adhered to the cavity of the collecting box to ascend, the plastic film ascends to the upper portion of the collecting box, and then the adhered plastic film is collected, so that convenience is brought to collection of the plastic film, and labor intensity is reduced.
Preferably, the cooling device also comprises a drain pipe and a drain valve, wherein the drain pipe is arranged at the lower part of the cooling box, and the drain valve is arranged on the drain pipe; through the arrangement, the water in the cooling box cavity is convenient to discharge, and the convenience is improved.
Preferably, the tool box is also included, and the tool box is fixedly arranged on the supporting frame; through the arrangement, common tools can be placed into the tool box, and the tools can be conveniently taken and placed by workers at any time.
Preferably, a liquid level meter is arranged on the cooling box; through the arrangement, the liquid level in the cooling box cavity is conveniently monitored.
Compared with the prior art, the beneficial effects of the utility model are that: firstly, two plastic films to be bonded are stacked up and down, then the parts to be bonded on the two plastic films are positioned on a lower plate, then a lifting device is opened to enable an upper plate to descend, the upper plate drives a heating sheet on the upper side to descend, a heating sheet on the upper plate and a heating sheet on the lower plate tightly press the two plastic films, then the two heating sheets and an external power supply are connected to enable the two heating sheets to heat hot melt adhesives on the two plastic films, the hot melt adhesives on the two plastic films are softened after being heated, two groups of plastic films are bonded together up and down, then the upper plate is lifted up through the lifting device, then a material pushing device is opened, the bonded plastic films are pushed onto an inclined plate from right to left by the material pushing device, then the plastic films slide down into a collecting box through the inclined plate, then add the cooling water into the cavity of the cooling tank, make the lower part submergence of collecting box in the cooling water, the cooling water passes through the lateral wall cooling collecting box inner plastic film of collecting box, the cooling of the hot melt adhesive on the plastic film has been promoted, after the hot melt adhesive cooling hardening on the plastic film, open lifting device, make the plastic film in the collecting box cavity lift to the collecting box top, later collect the good plastic film that bonds can, it can be automatic with the plastic film that has just bonded in pushing away into the collecting box through blevile of push, avoided the workman to touch with the hand, avoided the workman to be scalded by the hot melt adhesive, and through the cooling of cooling water to the collecting box, the cooling rate of hot melt adhesive has been improved, and work efficiency is improved, and the practicality is high.
Drawings
Fig. 1 is a schematic front view of the present invention;
FIG. 2 is a schematic structural diagram of a support frame, a support table, a mandril and the like;
FIG. 3 is a schematic view showing the structure of a base plate, a cooling tank, a connecting block, etc.;
FIG. 4 is a schematic structural view of a lifting plate, a connecting plate, an upper plate, etc.;
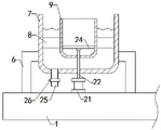
in the drawings, the reference numbers: 1. a substrate; 2. a support platform; 3. a lower plate; 4. supporting a frame; 5. an upper plate; 6. a support; 7. a cooling tank; 8. connecting blocks; 9. a collection box; 10. a sloping plate; 11. a chute; 12. a slider; 13. pushing the plate; 14. a drive motor; 15. a support plate; 16. a first cylinder; 17. a top rod; 18. a lifting plate; 19. a telescopic rod; 20. a connecting plate; 21. a second cylinder; 22. a push rod; 23. a fixed block; 24. a lifting plate; 25. a drain pipe; 26. a drain valve; 27. a tool box.
Detailed Description
In order to facilitate understanding of the present invention, the present invention will be described more fully hereinafter with reference to the accompanying drawings. The invention may be embodied in many different forms and is not limited to the embodiments described herein. Rather, these embodiments are provided so that this disclosure will be thorough and complete.
The supporting platform 2 is fixedly arranged at the upper end of the base plate 1, the lower plate 3 is fixedly arranged at the rear part of the upper end of the supporting platform 2, the supporting frame 4 is fixedly arranged at the upper end of the supporting platform 2, the supporting frame 4 is positioned at the rear side of the lower plate 3, the upper plate 5 is positioned right above the lower plate 3, the lower end of the upper plate 5 and the upper end of the lower plate 3 are both provided with heating sheets, a cooling box 7 fixing bracket 6 is fixedly arranged at the upper end of the base plate 1, a cavity is arranged inside the cooling box 7, the upper end of the cooling box 7 is provided with an opening, the cooling box 7 is positioned at the left side of the supporting platform 2, a collecting box 9 is fixedly arranged in the cavity of the cooling box 7 through a connecting block 8, a cavity is arranged inside the collecting box 9, the upper end of the collecting box 9 is provided with an opening, the inclined plate 10 is obliquely arranged at the left end of the supporting platform 2, the left end of the inclined plate 10 is positioned above the collecting box 9, the supporting platform 2 is provided with a chute 11, a lead screw is arranged in the chute 11, and is rotatably arranged on the supporting platform 2, a slide block 12 is arranged in the chute 11 in a left-right sliding manner, a push plate 13 is fixedly arranged at the upper end of the slide block 12, the slide block 12 is screwed with a lead screw, the right end of the lead screw is connected with the output end of a driving motor 14, the driving motor 14 is fixedly arranged on a supporting plate 15, the supporting plate 15 is fixedly arranged on a supporting platform 2, a first air cylinder 16 is fixedly arranged at the upper end of a supporting frame 4, the upper end of a mandril 17 is connected with the output end of the first air cylinder 16, the mandril 17 is vertically and slidably arranged on the supporting frame 4, a lifting plate 18 is fixedly arranged at the lower end of the mandril 17, the lifting plate 18 is vertically and slidably arranged on the supporting frame 4, the upper ends of two groups of telescopic rods 19 are fixedly arranged on the supporting frame 4, the lower ends of the two groups of telescopic rods 19 are fixedly arranged on the lifting plate 18, a plurality of groups of connecting plates 20 are fixedly arranged at the front end of the lifting plate 18, an upper plate 5 is fixedly arranged at the front ends of a plurality of groups of connecting plates 20, and a second air cylinder 21 is fixedly arranged at the upper end of a base plate 1, a push rod 22 is arranged on the second cylinder 21, the lower end of the push rod 22 is connected with the output end of the second cylinder 21, the push rod 22 is vertically and slidably mounted on the cooling box 7 and the collecting box 9, the fixing block 23 is fixedly mounted at the upper end of the push rod 22, the lifting plate 24 is fixedly mounted at the upper end of the fixing block 23, the lifting plate 24 is vertically and slidably mounted in a cavity of the collecting box 9, the drain pipe 25 is mounted at the lower part of the cooling box 7, and the drain valve 26 is mounted on the drain pipe 25; firstly, two plastic films to be bonded are stacked up and down, then the parts to be bonded on the two plastic films are positioned on a lower plate 3, then a first air cylinder 16 is opened, the first air cylinder 16 drives a plurality of groups of connecting plates 20 to descend through an ejector rod 17, the plurality of groups of connecting plates 20 drive an upper plate 5 to descend, the upper plate 5 drives a heating sheet on the upper side to descend, the heating sheet on the upper plate 5 and the heating sheet on the lower plate 3 tightly press the two plastic films, then the two heating sheets and an external power supply are connected, the two heating sheets heat hot melt adhesives on the two plastic films, the hot melt adhesives on the two plastic films are softened after being heated, the two groups of plastic films are bonded together up and down, then the upper plate 5 is lifted, then a driving motor 14 is opened, the driving motor 14 drives a screw rod to rotate, and the rotating screw rod drives a slide block 12 to move from right to left, the slide block 12 drives the push plate 13 to move from right to left, the plastic film at the upper end of the support platform 2 is pushed to the inclined plate 10 leftwards by the push plate 13 in the leftward movement process, then the plastic film slides into the collection box 9 through the inclined plate 10, then cooling water is added into a cavity of the cooling box 7, the lower part of the collection box 9 is immersed in the cooling water, the cooling water cools the plastic film in the cavity of the collection box 9 through the side wall of the collection box 9, cooling of hot melt adhesive on the plastic film is promoted, after the hot melt adhesive on the plastic film is cooled and hardened, the second air cylinder 21 is opened, the second air cylinder 21 drives the fixed block 23 and the lifting plate 24 to ascend through the push rod 22, the lifting plate 24 enables the plastic film adhered in the cavity of the collection box 9 to ascend to the upper part of the collection box 9, and then the adhered plastic film is collected; can be automatically with just having bonded plastic film push in collecting box 9, avoided the workman to touch with the hand, avoided the workman to be scalded by the hot melt adhesive, to the cooling of collecting box 9 through the cooling water, improved the cooling rate of hot melt adhesive, improved work efficiency, through the lifting of lift board 24 to the plastic film in the collecting box 9 cavity, made things convenient for the collection to the plastic film, reduced intensity of labour.
As shown in fig. 1 to 4, the edge banding device for plastic bag production of the present invention, when in operation, firstly, two plastic films to be bonded are stacked up and down, then the parts to be bonded on the two plastic films are positioned on a lower plate 3, then a first air cylinder 16 is opened, the first air cylinder 16 drives a plurality of groups of connecting plates 20 to descend through an ejector rod 17, the plurality of groups of connecting plates 20 drive an upper plate 5 to descend, the upper plate 5 drives a heating sheet on the upper side to descend, the heating sheet on the upper plate 5 and the heating sheet on the lower plate 3 tightly press the two plastic films, then the two heating sheets and an external power supply are connected, the two heating sheets heat hot melt adhesives on the two plastic films, and the hot melt adhesives on the two plastic films are softened after being heated, and the two groups of plastic films are bonded together up and down, then the upper plate 5 is lifted, then the driving motor 14 is turned on, the driving motor 14 drives the screw rod to rotate, the rotating screw rod drives the slide block 12 to move from right to left, the slide block 12 drives the push plate 13 to move from right to left, the push plate 13 pushes the plastic film at the upper end of the support 2 to the inclined plate 10 in the process of moving left, then the plastic film slides into the collection box 9 through the inclined plate 10, cooling water is then added to the chamber of the cooling tank 7, with the lower part of the collection tank 9 immersed in the cooling water, the cooling water cools the plastic film in the cavity of the collecting box 9 through the side wall of the collecting box 9, promotes the cooling of the hot melt adhesive on the plastic film, and after the hot melt adhesive on the plastic film is cooled and hardened, then the second cylinder 21 is opened, the second cylinder 21 drives the fixing block 23 and the lifting plate 24 to ascend through the push rod 22, the lifting plate 24 enables the plastic film adhered in the cavity of the collecting box 9 to ascend until the plastic film ascends to the upper part of the collecting box 9, and then the adhered plastic film is collected.
The utility model discloses a banding device for plastic bag production, the installation mode, connection mode or setting mode are common mechanical modes, and the banding device can be implemented as long as the beneficial effects can be achieved; the utility model discloses a heating plate, driving motor 14, telescopic link 19, drain valve 26 and toolbox 27 for the banding device of plastic bag production purchase on the market, this industry technical staff only need according to its subsidiary service instruction install and operate can, and need not the technical staff in the field and pay out creative work.
All technical and scientific terms used herein have the same meaning as commonly understood by one of ordinary skill in the art to which this invention belongs. The terminology used herein in the description of the invention is for the purpose of describing particular embodiments only and is not intended to be limiting of the invention. As used herein, the term "and/or" includes any and all combinations of one or more of the associated listed items.
The foregoing is only a preferred embodiment of the present invention, and it should be noted that, for those skilled in the art, a plurality of modifications and variations can be made without departing from the technical principle of the present invention, and these modifications and variations should also be regarded as the protection scope of the present invention.
Claims (7)
1. A sealing device for plastic bag production is characterized by comprising a base plate (1), a supporting platform (2), a lower plate (3), a supporting frame (4), an upper plate (5), a support (6), a cooling box (7), a connecting block (8), a collecting box (9), an inclined plate (10), a material pushing device, a lifting device and a lifting device, wherein the supporting platform (2) is fixedly arranged at the upper end of the base plate (1), the material pushing device is arranged on the supporting platform (2), the lower plate (3) is fixedly arranged at the rear part of the upper end of the supporting platform (2), the supporting frame (4) is fixedly arranged at the upper end of the supporting platform (2), the supporting frame (4) is positioned at the rear side of the lower plate (3), the lifting device is arranged on the supporting frame (4), the upper plate (5) is fixedly arranged on the lifting device, the upper plate (5) is positioned right above the lower plate (3), heating plates are respectively arranged at the lower end of the upper plate (5) and the upper end of the lower plate (3), the cooling box (7) is fixedly arranged at the upper end of the base plate (1) through the fixing support (6), a cavity of the collecting box (7) is arranged in the chamber (9), and the chamber (7) is arranged at the left side of the collecting box (9), the upper end of the collecting box (9) is provided with an opening, the material pushing device is arranged on the collecting box (9) and the connecting block (8), the inclined plate (10) is obliquely arranged at the left end of the supporting platform (2), and the left end of the inclined plate (10) is positioned above the collecting box (9).
2. The edge sealing device for plastic bag production according to claim 1, wherein the material pushing device comprises a sliding block (12), a pushing plate (13), a driving motor (14) and a supporting plate (15), a sliding groove (11) is formed in the supporting platform (2), a lead screw is arranged in the sliding groove (11), the lead screw is rotatably mounted on the supporting platform (2), the sliding block (12) is slidably mounted in the sliding groove (11) from left to right, the pushing plate (13) is fixedly mounted at the upper end of the sliding block (12), the sliding block (12) is screwed with the lead screw, the right end of the lead screw is connected with the output end of the driving motor (14), the driving motor (14) is fixedly mounted on the supporting plate (15), and the supporting plate (15) is fixedly mounted on the supporting platform (2).
3. The edge banding device for plastic bag production of claim 1, wherein the lifting device comprises a first cylinder (16), a push rod (17), a lifting plate (18), two sets of telescopic rods (19) and a plurality of sets of connecting plates (20), the first cylinder (16) is fixedly installed at the upper end of the supporting frame (4), the upper end of the push rod (17) is connected with the output end of the first cylinder (16), the push rod (17) is vertically slidably installed on the supporting frame (4), the lifting plate (18) is fixedly installed at the lower end of the push rod (17), the lifting plate (18) is vertically slidably installed on the supporting frame (4), the upper ends of the two sets of telescopic rods (19) are fixedly installed on the supporting frame (4), the lower ends of the two sets of telescopic rods (19) are fixedly installed on the lifting plate (18), the plurality of sets of connecting plates (20) are fixedly installed at the front end of the lifting plate (18), and the upper plate (5) is fixedly installed at the front ends of the plurality of sets of connecting plates (20).
4. The edge sealing device for plastic bag production according to claim 1, wherein the lifting device comprises a second cylinder (21), a push rod (22), a fixing block (23) and a lifting plate (24), the second cylinder (21) is fixedly mounted at the upper end of the base plate (1), the push rod (22) is arranged on the second cylinder (21), the lower end of the push rod (22) is connected with the output end of the second cylinder (21), the push rod (22) is vertically slidably mounted on the cooling box (7) and the collecting box (9), the fixing block (23) is fixedly mounted at the upper end of the push rod (22), the lifting plate (24) is fixedly mounted at the upper end of the fixing block (23), and the lifting plate (24) is vertically slidably mounted in a cavity of the collecting box (9).
5. An edge banding apparatus for plastic bag production as claimed in claim 1 further comprising a drain pipe (25) and a drain valve (26), wherein the drain pipe (25) is mounted on the lower portion of the cooling tank (7), and the drain valve (26) is mounted on the drain pipe (25).
6. An edge banding apparatus for the production of plastic bags as claimed in claim 1, further comprising a tool box (27), the tool box (27) being fixedly mounted on the support frame (4).
7. An edge banding device for the production of plastic bags as claimed in claim 1, characterized in that the cooling box (7) is provided with a level gauge.
Priority Applications (1)
| Application Number | Priority Date | Filing Date | Title |
|---|---|---|---|
| CN202221912474.XU CN217892069U (en) | 2022-07-25 | 2022-07-25 | Edge sealing device for plastic bag production |
Applications Claiming Priority (1)
| Application Number | Priority Date | Filing Date | Title |
|---|---|---|---|
| CN202221912474.XU CN217892069U (en) | 2022-07-25 | 2022-07-25 | Edge sealing device for plastic bag production |
Publications (1)
| Publication Number | Publication Date |
|---|---|
| CN217892069U true CN217892069U (en) | 2022-11-25 |
Family
ID=84135680
Family Applications (1)
| Application Number | Title | Priority Date | Filing Date |
|---|---|---|---|
| CN202221912474.XU Active CN217892069U (en) | 2022-07-25 | 2022-07-25 | Edge sealing device for plastic bag production |
Country Status (1)
| Country | Link |
|---|---|
| CN (1) | CN217892069U (en) |
-
2022
- 2022-07-25 CN CN202221912474.XU patent/CN217892069U/en active Active
Similar Documents
| Publication | Publication Date | Title |
|---|---|---|
| CN210209146U (en) | Rotary worktable convenient to adjust | |
| CN115489774B (en) | Automatic filling and film sealing equipment and method for rotary disc type extraction pipe | |
| CN109335123A (en) | A tube film opening and bagging device | |
| CN104553239A (en) | A lower cover automatic glue tearing and laminating machine | |
| CN217892069U (en) | Edge sealing device for plastic bag production | |
| CN114447141A (en) | Welding method based on automatic solar panel wire cutting and welding equipment | |
| CN209080308U (en) | A kind of film opens film bagging device | |
| CN104526347A (en) | An O/C automatic online device using a module screen | |
| CN108335651A (en) | A kind of billboard Internet-based | |
| CN204449874U (en) | A kind of O/C automatic wire charging equipment applying module screen | |
| CN208101093U (en) | A kind of automatic nut cap heat-sealing machine | |
| CN214981448U (en) | Dotted line cutting mechanism for thin film | |
| CN206632610U (en) | A kind of Module extraction device | |
| CN216882617U (en) | Automatic slice pulling machine for manufacturing knife rest | |
| CN116321716A (en) | Laminating process of thermosetting conductive adhesive and reinforced steel sheet | |
| CN216375823U (en) | Anti-oxidation storage equipment is used in tin powder processing | |
| CN212070776U (en) | Side surface laser welding device | |
| CN211866746U (en) | An industrial cutting device | |
| CN210911194U (en) | Plastic door and window welding machine | |
| CN210006849U (en) | vacuum packaging machine | |
| CN221940523U (en) | Industrial belt perforating device with locate function | |
| CN221967102U (en) | Steel plate welding device | |
| CN212634072U (en) | Metal pipe flaring machine | |
| CN208208256U (en) | A kind of billboard Internet-based | |
| CN223764796U (en) | A high-efficiency film application device |
Legal Events
| Date | Code | Title | Description |
|---|---|---|---|
| GR01 | Patent grant | ||
| GR01 | Patent grant |