CN217844215U - Clean combined air conditioner purifying unit - Google Patents
Clean combined air conditioner purifying unit Download PDFInfo
- Publication number
- CN217844215U CN217844215U CN202221896544.7U CN202221896544U CN217844215U CN 217844215 U CN217844215 U CN 217844215U CN 202221896544 U CN202221896544 U CN 202221896544U CN 217844215 U CN217844215 U CN 217844215U
- Authority
- CN
- China
- Prior art keywords
- casing
- frame
- filter screen
- clamping
- air
- Prior art date
- Legal status (The legal status is an assumption and is not a legal conclusion. Google has not performed a legal analysis and makes no representation as to the accuracy of the status listed.)
- Active
Links
Images
Landscapes
- Filtering Of Dispersed Particles In Gases (AREA)
Abstract
本实用新型公开了一种洁净组合式空调净化机组,包括机组的外壳,外壳为耐腐蚀的材质制成,外壳上开设有至少两个进风口,外壳内设置有抽风机,抽风机运行时能够使得外界的空气通过进风口被吸入外壳内,外壳上的进风口处设置有卡接组件,卡接组件能够卡接有滤网,卡接组件包括固定连接在外壳上的两个卡接板,卡接板开设有卡接槽,卡接槽贯穿卡接板。本实用新型通过设置至少两个进风口,并在进风口处设置可以安装拆卸的滤网,清理时对滤网进行拆卸分离出来单独清理,每次清理只清理其中一个滤网,而保证其他滤网依然起到过滤灰尘的作用,从而避免在对滤网进行灰尘清理时需要停止空调净化机组的正常运行。
The utility model discloses a clean combined air conditioner purifying unit, which comprises a casing of the unit. The casing is made of corrosion-resistant material, and at least two air inlets are opened on the casing. The outside air is sucked into the casing through the air inlet, and the air inlet on the casing is provided with a clamping component, which can be clamped with a filter screen, and the clamping component includes two clamping plates fixedly connected to the shell, The clamping plate is provided with a clamping groove, and the clamping groove runs through the clamping plate. The utility model is provided with at least two air inlets, and a filter screen that can be installed and disassembled is arranged at the air inlet. When cleaning, the filter screen is disassembled and separated for separate cleaning, and only one of the filter screens is cleaned each time, while ensuring that the other filters are The net still plays the role of filtering dust, thereby avoiding the need to stop the normal operation of the air conditioning purification unit when dust is cleaned to the filter screen.
Description
技术领域technical field
本实用新型涉及空调机组技术领域,尤其涉及一种洁净组合式空调净化机组。The utility model relates to the technical field of air conditioning units, in particular to a clean combined air conditioning purification unit.
背景技术Background technique
空调净化机组,指的是带有高效空气过滤功能的空调机组。The air conditioning purification unit refers to the air conditioning unit with high-efficiency air filtration function.
现有的空调净化机组中含有进风口,使得外界的空气能够进入空调净化机组内,之后再将空气送进各个房间内,在进风口处通常设置有滤网,目的在于阻止空气中的灰尘进入空调净化机组,这也导致了空调净化机组在长时间的运行后,滤网上会布满灰尘,若要清理滤网上的灰尘,则需要停止空调净化机组的正常运行。The existing air-conditioning purification unit contains an air inlet, so that the outside air can enter the air-conditioning purification unit, and then send the air into each room. There is usually a filter screen at the air inlet to prevent the dust in the air from entering. The air conditioning purification unit, which also leads to the filter screen of the air conditioning purification unit being covered with dust after a long period of operation. To clean the dust on the filter screen, it is necessary to stop the normal operation of the air conditioning purification unit.
因此,本申请提出一种洁净组合式空调净化机组。Therefore, the present application proposes a clean combined air conditioner purification unit.
实用新型内容Utility model content
本实用新型的目的是为了提供一种净化机组,使得在清理滤网上的灰尘时也不需要停止空调净化机组的正常运行,而提出的一种洁净组合式空调净化机组。The purpose of this utility model is to provide a purification unit, so that it is not necessary to stop the normal operation of the air conditioner purification unit when cleaning the dust on the filter, and propose a clean combined air conditioner purification unit.
为了实现上述目的,本实用新型采用了如下技术方案:In order to achieve the above object, the utility model adopts the following technical solutions:
一种洁净组合式空调净化机组,包括机组的外壳,所述外壳为耐腐蚀的材质制成,所述外壳上开设有至少两个进风口,所述外壳内设置有抽风机,所述抽风机运行时能够使得外界的空气通过所述进风口被吸入所述外壳内,所述外壳上的进风口处设置有卡接组件,所述卡接组件能够卡接有滤网,所述滤网能够安装在所述外壳上,也能够脱离所述外壳。A clean combined air-conditioning purification unit, including a casing of the unit, the casing is made of corrosion-resistant material, at least two air inlets are opened on the casing, an exhaust fan is arranged inside the casing, and the exhaust fan During operation, the outside air can be sucked into the housing through the air inlet, and the air inlet on the housing is provided with a clamping assembly, and the clamping assembly can be clamped with a filter screen, and the filter screen can Mounted on said housing, also detachable from said housing.
优选地,所述卡接组件包括固定连接在所述外壳上的两个卡接板,所述卡接板开设有卡接槽,所述卡接槽贯穿所述卡接板。Preferably, the clamping assembly includes two clamping plates fixedly connected to the housing, the clamping plates are provided with a clamping groove, and the clamping groove penetrates through the clamping plate.
优选地,所述外壳开设有第一滑槽,所述第一滑槽固定连接有矩形块,所述第一滑槽通过第一弹性件连接有第一挡板,所述第一挡板开设有矩形槽,所述矩形槽与所述矩形块滑动连接,所述第一挡板固定连接有连接板。Preferably, the housing is provided with a first chute, the first chute is fixedly connected with a rectangular block, the first chute is connected with a first baffle through a first elastic member, and the first baffle is set There is a rectangular slot, and the rectangular slot is slidingly connected with the rectangular block, and the first baffle is fixedly connected with a connecting plate.
优选地,所述卡接组件还包括第一框架,所述第一框架的外缘固定连接有密封圈,所述第一框架与所述卡接槽相适配,所述第一框架开设有两个第二滑槽,所述第二滑槽固定连接有固定杆,所述第二滑槽滑动连接有第二框架,所述第二框架套接在两个所述固定杆上,且所述滤网设置在所述第二框架内。Preferably, the clamping assembly further includes a first frame, the outer edge of the first frame is fixedly connected with a sealing ring, the first frame is adapted to the clamping groove, and the first frame is provided with Two second chutes, the second chute is fixedly connected with a fixed rod, the second chute is slidably connected with a second frame, the second frame is sleeved on the two fixed rods, and the The filter screen is arranged in the second frame.
优选地,所述固定杆外壁上套设有第二弹性件,所述第二框架固定连接有四个第二挡板,四个所述第二挡板能够始终阻挡两个所述第二滑槽与外界的接触。Preferably, the outer wall of the fixed rod is sheathed with a second elastic member, and the second frame is fixedly connected with four second baffles, and the four second baffles can always block two of the second slides. contact between the groove and the outside world.
相比现有技术,本实用新型的有益效果为:Compared with the prior art, the beneficial effects of the utility model are:
本实用新型通过设置至少两个进风口,并在进风口处设置可以安装拆卸的滤网,清理时对滤网进行拆卸分离出来单独清理,每次清理只清理其中一个滤网,而保证其他滤网依然起到过滤灰尘的作用,从而避免在对滤网进行灰尘清理时需要停止空调净化机组的正常运行。The utility model is provided with at least two air inlets, and a filter screen that can be installed and disassembled is arranged at the air inlet. When cleaning, the filter screen is disassembled and separated to be cleaned separately. Only one of the filter screens is cleaned each time, while ensuring that the other filters The net still plays the role of filtering dust, thereby avoiding the need to stop the normal operation of the air conditioning purification unit when dust is cleaned to the filter screen.
附图说明Description of drawings
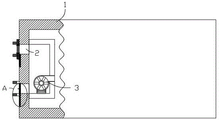
图1为本实用新型提出的一种洁净组合式空调净化机组的结构示意图;Fig. 1 is a schematic structural view of a clean combined air conditioner purifying unit proposed by the utility model;
图2为图1中A处的放大结构示意图;Fig. 2 is the schematic diagram of the enlarged structure of place A in Fig. 1;
图3为图1的局部结构示意图;Fig. 3 is the partial structure schematic diagram of Fig. 1;
图4为图3中B处的放大结构示意图。FIG. 4 is a schematic diagram of an enlarged structure at B in FIG. 3 .
图中:1、外壳;2、进风口;3、抽风机;4、滤网;5、卡接板;6、卡接槽;7、第一滑槽;8、矩形块;9、第一挡板;10、矩形槽;11、连接板;12、第一框架;13、第二滑槽;14、固定杆;15、第二框架;16、第二弹性件;17、密封圈;18、第一弹性件;19、第二挡板。In the figure: 1. Shell; 2. Air inlet; 3. Exhaust fan; 4. Filter screen; 5. Clamping plate; 6. Clamping slot; 7. First chute; Baffle plate; 10, rectangular slot; 11, connecting plate; 12, first frame; 13, second chute; 14, fixed rod; 15, second frame; 16, second elastic member; 17, sealing ring; 18 , the first elastic member; 19, the second baffle.
具体实施方式Detailed ways
下面将结合本实用新型实施例中的附图,对本实用新型实施例中的技术方案进行清楚、完整地描述,显然,所描述的实施例仅仅是本实用新型一部分实施例,而不是全部的实施例,基于本实用新型中的实施例,本领域普通技术人员在没有做出创造性劳动前提下所获得的所有其他实施例,都属于本实用新型保护的范围。The technical solutions in the embodiments of the present invention will be clearly and completely described below in conjunction with the accompanying drawings in the embodiments of the present invention. Obviously, the described embodiments are only part of the embodiments of the present invention, not all of them. For example, based on the embodiments of the present invention, all other embodiments obtained by persons of ordinary skill in the art without making creative efforts belong to the scope of protection of the present invention.
参照图1-4,一种洁净组合式空调净化机组,包括机组的外壳1,外壳1为耐腐蚀的材质制成,外壳1上开设有至少两个进风口2,外壳1内设置有抽风机3,抽风机3为现有技术,在此不做赘述,抽风机3运行时能够使得外界的空气通过进风口2被吸入外壳1内,外壳1上的进风口2处设置有卡接组件,卡接组件能够卡接有滤网4,滤网4能够安装在外壳1上,也能够脱离外壳1。Referring to Figures 1-4, a clean combined air conditioner purification unit includes a
将滤网4安装在每个进风口2处,使得抽风机3在运行时,外界空气中的灰尘会被滤网4阻拦,之后在不停止抽风机3运行的情况下,只需要拆卸下其中一个滤网4,让其他的滤网4继续起到阻拦灰尘的作用,并且拆卸的滤网4的进风口2处会被隔断,停止空气进入。Install the
进一步地,卡接组件包括固定连接在外壳1上的两个卡接板5,卡接板5开设有卡接槽6,卡接槽6贯穿卡接板5。Further, the clamping assembly includes two
进一步地,外壳1开设有第一滑槽7,第一滑槽7固定连接有矩形块8,第一滑槽7通过第一弹性件18连接有第一挡板9,第一挡板9开设有矩形槽10,矩形槽10与矩形块8滑动连接,第一挡板9固定连接有连接板11。Further, the
参考图2,第一弹性件18优选为弹簧配件,第一弹性件18的两端分别与第一滑槽7和第一挡板9连接,当进风口2没有滤网4时,则在第一弹性件18的弹力作用下,使得第一挡板9隔断进风口2与外界空气的连通,实现停止空气的进入。With reference to Fig. 2, the first
进一步地,卡接组件还包括第一框架12,第一框架12的外缘固定连接有密封圈17,第一框架12与卡接槽6相适配,第一框架12开设有两个第二滑槽13,第二滑槽13固定连接有固定杆14,第二滑槽13滑动连接有第二框架15,第二框架15套接在两个固定杆14上,且滤网4设置在第二框架15内。Further, the clamping assembly also includes a
参考图3,密封圈17的设置,使得第一框架12安装在进风口2处时,起到密封作用,使得外界空气只能通过滤网4才能进入进风口2处。Referring to FIG. 3 , the
进一步地,固定杆14外壁上套设有第二弹性件16,第二框架15固定连接有四个第二挡板19,四个第二挡板19能够始终阻挡两个第二滑槽13与外界的接触。Further, the outer wall of the fixed
参考图4,第二弹性件16优选为弹簧配件,第二弹性件16的两端与第二滑槽13和第二框架15连接,当抽风机3运行时,带动外界空气进入进风口2,使得滤网4受到风力,通过第二弹性件16的弹力作用,具体表现为:滤网4和第二框架15不断地往复摆动,形成振动,从而将一些附着在滤网4上的灰尘抖落,延长对滤网4的拆卸周期。With reference to Fig. 4, the second
本实用新型的工作原理:Working principle of the utility model:
将第一框架12安装在每个进风口2处,使得第一框架12下压连接板11,带动第一挡板9移动,使得第一挡板9不会阻隔外界空气与进风口2的连通,抽风机3运行,滤网4起到过滤灰尘的作用;Install the
当需要对滤网4进行灰尘清理时,拿取第一框架12,拿取后,连接板11和第一挡板9回弹,从而隔断没有滤网4的进风口2,使得外界空气不能够从该进风口2进入外壳1内,清理完毕后再进行安装,之后对其他滤网4采用相同的操作,即:每次清理只清理其中一个滤网4,而保证其他滤网4依然起到过滤灰尘的作用,从而避免在对滤网4进行灰尘清理时需要停止空调净化机组的正常运行。When it is necessary to clean the
以上所述,仅为本实用新型较佳的具体实施方式,但本实用新型的保护范围并不局限于此,任何熟悉本技术领域的技术人员在本实用新型揭露的技术范围内,根据本实用新型的技术方案及其实用新型构思加以等同替换或改变,都应涵盖在本实用新型的保护范围之内。The above is only a preferred embodiment of the utility model, but the scope of protection of the utility model is not limited thereto. The equivalent replacement or change of the new technical solution and the concept of the utility model shall be covered by the protection scope of the utility model.
Claims (5)
Priority Applications (1)
| Application Number | Priority Date | Filing Date | Title |
|---|---|---|---|
| CN202221896544.7U CN217844215U (en) | 2022-07-22 | 2022-07-22 | Clean combined air conditioner purifying unit |
Applications Claiming Priority (1)
| Application Number | Priority Date | Filing Date | Title |
|---|---|---|---|
| CN202221896544.7U CN217844215U (en) | 2022-07-22 | 2022-07-22 | Clean combined air conditioner purifying unit |
Publications (1)
| Publication Number | Publication Date |
|---|---|
| CN217844215U true CN217844215U (en) | 2022-11-18 |
Family
ID=84038597
Family Applications (1)
| Application Number | Title | Priority Date | Filing Date |
|---|---|---|---|
| CN202221896544.7U Active CN217844215U (en) | 2022-07-22 | 2022-07-22 | Clean combined air conditioner purifying unit |
Country Status (1)
| Country | Link |
|---|---|
| CN (1) | CN217844215U (en) |
-
2022
- 2022-07-22 CN CN202221896544.7U patent/CN217844215U/en active Active
Similar Documents
| Publication | Publication Date | Title |
|---|---|---|
| CN104895469B (en) | mechanical ventilation window | |
| CN217057807U (en) | A new type of multi-layer purified air supply device for clean operating room | |
| CN217844215U (en) | Clean combined air conditioner purifying unit | |
| CN108939735A (en) | A kind of air purifier | |
| CN221744219U (en) | A ventilation device for civil air defense equipment | |
| CN216259734U (en) | Multistage filter drum dust remover for industrial dust purification | |
| CN217939525U (en) | Efficient dust filter | |
| CN217952563U (en) | An indoor fresh air purifier | |
| CN211753575U (en) | New dust filter collection equipment | |
| CN212132667U (en) | Air purification system and air conditioner | |
| CN223580114U (en) | A top-mounted air supply device | |
| CN108837622A (en) | A kind of dust-free workshop air filter | |
| CN210786700U (en) | Convection type blowing and sucking dust removal device | |
| CN216346831U (en) | Purify integrative new fan of removing dust and airing exhaust | |
| CN222788741U (en) | A detachable air filter and filter element | |
| CN220707643U (en) | Indoor air purifier | |
| CN111207116A (en) | Scavenger fan with air filtering structure | |
| CN216977080U (en) | Warm logical air conditioner filter equipment that leads to for engineering | |
| CN218722019U (en) | Energy-saving building ventilator | |
| CN217154495U (en) | Self-cleaning function air purifier | |
| CN214019711U (en) | Air filter without partition board | |
| CN217178836U (en) | A multilayer filtration for air purifier | |
| CN112728702A (en) | Window formula air purification device convenient to installation just has multiple purification structure | |
| CN221055204U (en) | Heating ventilation air conditioner filter equipment | |
| CN219722270U (en) | Air compressor machine filtration |
Legal Events
| Date | Code | Title | Description |
|---|---|---|---|
| GR01 | Patent grant | ||
| GR01 | Patent grant | ||
| TR01 | Transfer of patent right |
Effective date of registration: 20251014 Address after: 526000 Guangdong Province Zhaoqing City Huaiji County Zhongzhou Town Longtan Village Committee Hunkou Village Patentee after: Nie Shicheng Country or region after: China Patentee after: Lai Erlu Patentee after: Chen Lihua Address before: 110000 No. 68-19 qiuyuehu street, shenbeixin District, Shenyang City, Liaoning Province (all) Patentee before: Liaoning Rumao Purification Technology Co.,Ltd. Country or region before: China |
|
| TR01 | Transfer of patent right | ||
| TR01 | Transfer of patent right |
Effective date of registration: 20251021 Address after: 528305, No. 1, First Floor, Building 5, Second Horizontal Road, Dashi Road, Nang District, Ronggui Street, Shunde District, Foshan City, Guangdong Province (Residence Declaration) Patentee after: Foshan Hongfang Air Conditioning Equipment Co.,Ltd. Country or region after: China Address before: 526000 Guangdong Province Zhaoqing City Huaiji County Zhongzhou Town Longtan Village Committee Hunkou Village Patentee before: Nie Shicheng Country or region before: China Patentee before: Lai Erlu Patentee before: Chen Lihua |
|
| TR01 | Transfer of patent right |
