CN217790032U - 射频同轴负载用装配辅助工装夹具 - Google Patents

射频同轴负载用装配辅助工装夹具 Download PDF

Info

Publication number
CN217790032U
CN217790032U CN202221963100.0U CN202221963100U CN217790032U CN 217790032 U CN217790032 U CN 217790032U CN 202221963100 U CN202221963100 U CN 202221963100U CN 217790032 U CN217790032 U CN 217790032U
Authority
CN
China
Prior art keywords
inner conductor
shell
welding
hole
assembly
Prior art date
Legal status (The legal status is an assumption and is not a legal conclusion. Google has not performed a legal analysis and makes no representation as to the accuracy of the status listed.)
Active
Application number
CN202221963100.0U
Other languages
English (en)
Inventor
王亚丽
杨晓红
卜冬
李军
张亚鹏
王亚龙
程战民
张军强
顾育龙
景芳娟
王翔
Current Assignee (The listed assignees may be inaccurate. Google has not performed a legal analysis and makes no representation or warranty as to the accuracy of the list.)
Shaanxi Changling Huayuan Aerospace Technology Co ltd
Original Assignee
Shaanxi Changling Huayuan Aerospace Technology Co ltd
Priority date (The priority date is an assumption and is not a legal conclusion. Google has not performed a legal analysis and makes no representation as to the accuracy of the date listed.)
Filing date
Publication date
Application filed by Shaanxi Changling Huayuan Aerospace Technology Co ltd filed Critical Shaanxi Changling Huayuan Aerospace Technology Co ltd
Priority to CN202221963100.0U priority Critical patent/CN217790032U/zh
Application granted granted Critical
Publication of CN217790032U publication Critical patent/CN217790032U/zh
Active legal-status Critical Current
Anticipated expiration legal-status Critical

Links

Images

Landscapes

  • Butt Welding And Welding Of Specific Article (AREA)

Abstract

提供一种射频同轴负载用装配辅助工装夹具,在内导体焊接夹具上端部制有定位孔,内导体上端的盲孔底部预埋有焊膏,下端适配于内导体上端盲孔内的电阻通过高频感应焊机焊接于内导体上;内导体下端与内导体焊接夹具分离后将环形介质套装于内导体上,壳体定位于导向压接装置上,电阻朝下而环形介质朝上设置的电阻、环形介质和内导体安装组件位于导向压接装置内,下压导向压接装置上端将环形介质、内导体和电阻压装于壳体安装孔的装配位置。本实用新型解决了焊接时由于散热过快而造成焊接不可靠、内导体和电阻手工焊接时的偏心和不直以及焊接过程中壳体移动影响焊接质量和效率的问题,达到小体积元器件在小体积壳体中的快速有效固定,提高装配效率。

Description

射频同轴负载用装配辅助工装夹具
技术领域
本实用新型属于精密电子元件装配技术领域,具体涉及一种射频同轴负载用装配辅助工装夹具。
背景技术
射频同轴负载主要用于吸收射频或微波系统的功率,可作为天线的假负载和发射机终端,也可以作为多端口微波器件(如环形器、方向耦合器)的匹配终端,从而保证特性阻抗得到匹配,进行精确测量;其性能的好坏直接影响到整个系统的综合性能。
图1是一种射频同轴负载结构示意图,该负载体积较小、结构比较简单,内导体1的固定段由聚四氟乙烯材料支撑的环形介质2支撑,过渡段的方式采用直角过渡(见图1中I处),环形介质2与内导体1的加工、测量方便,尺寸易于控制和实现,基于负载电阻3的特殊性及其在严酷环境(高温、低温、振动等)中使用的可靠性要求,行业内在工艺上,电阻3两端常采用烙铁将焊锡丝加热熔化后,电阻3两端分别与内导体1、外壳4进行手工焊接。采用这种装配方式存在以下缺点:①内导体1焊接可靠性差、效率低;尤其在经过温度冲击、振动、机械冲击等试验后,内导体1焊接部位甚至会发生可靠性失效,进而导致负载电气指标不可靠的隐患;②外壳焊接效率低、易产生拉尖,外观质量差;③由于无铅焊锡丝的熔点比有铅焊锡丝高,锡焊时间的把握不当常会造成内导体1与电阻3锡焊处熔化,进而引起电阻3“顶出”、环形介质2突出等现象;④手工焊接内导体和电阻易出现内导体周边流锡和偏心不正现象,造成装配困难;总之,由于电阻3尺寸较小,从操作上很难实现小体积元器件在小体积外壳4中的固定,因此,为克服上述问题,有必要提出改进。
实用新型内容
本实用新型解决的技术问题:提供一种射频同轴负载用装配辅助工装夹具,采用低热传导率的内导体焊接夹具对内导体定位后,高频感应焊机将孔底预埋有焊膏的内导体和电阻进行焊接,解决了焊接时由于散热过快而造成焊接不可靠的问题,将环形介质与内导体连接后,通过导向压接装置将环形介质、内导体和电阻整体压装于壳体内,并在定位工装对壳体定位的前提下,完成对电阻和壳体的焊接,解决焊接过程中壳体移动影响焊接质量和效率的问题,达到小体积元器件在小体积壳体中的快速有效固定,进而提高装配效率、保证了产品的可靠性,实际使用效果良好。
本实用新型采用的技术方案:射频同轴负载用装配辅助工装夹具,包括低热传导率的内导体焊接夹具、导向压接装置和定位装置,所述内导体焊接夹具上端部制有与内导体下端适配的定位孔,所述内导体上端的盲孔底部预埋有焊膏,且下端适配于内导体上端盲孔内的电阻通过高频感应焊机焊接于内导体上;所述内导体下端与内导体焊接夹具分离后将环形介质套装于内导体上,壳体定位于导向压接装置上,所述电阻朝下而环形介质朝上设置的电阻、环形介质和内导体安装组件位于导向压接装置内,并与壳体安装孔位置对应,下压所述导向压接装置上端将环形介质、内导体和电阻压装于壳体安装孔的装配位置;所述壳体定位安装于定位装置上端后,通过高频感应焊机对壳体安装孔口预埋有无铅焊膏的壳体和电阻进行焊接固定。
其中,所述内导体焊接夹具包括底座和定位柱,所述定位柱轴向截面呈十字型的阶梯柱形结构,所述定位柱上端面制有定位孔,且定位柱下端固定于底座上。
进一步地,所述底座采用胶木材料制成,所述定位柱为不锈钢材料制成。
进一步地,所述导向压接装置包括上模、下模和导向座,所述壳体小径端插入下模上端面的通孔内,且壳体的台阶底面与下模上端面接触,所述导向座为上端外径小于下端外径的阶梯状环形结构,所述导向座的倒锥形孔与下模上端面的通孔同心设置并固定于下模上,所述环形介质、内导体和电阻的安装组件位于导向座的倒锥形孔内,所述上模呈圆柱形结构且上模下端适配于导向座的倒锥形孔内,并通过上模下压环形介质实现环形介质、内导体和电阻的安装组件位在壳体安装孔内的装配。
进一步地,所述导向座的内孔为上端大而下端小的倒锥形孔,而倒锥形孔下端孔径为与壳体上端孔径相同的等径孔,所述壳体的大径端位于导向座的等径孔内。
进一步地,所述上模底面上制有供内导体上端伸入的光孔。
进一步地,所述定位装置包括定位座和固定于定位座上端面的凸柱,所述壳体大径端朝下放置于定位座上,两个所述凸柱分别穿过壳体大径端台阶面对角线上的两个通孔后,实现壳体在定位座上定位。
进一步地,所述定位座采用胶木材料制成。
进一步地,按照所述高频感应焊机的档位旋钮调整至4.5-5档,且焊接时间控制在1-2s的要求,分别对内导体和电阻以及电阻和壳体进行焊接。
本实用新型与现有技术相比的优点:
1、本技术方案采用胶木材料制成的底座和不锈钢材料制成的定位柱形成的低热传导率的内导体焊接夹具对内导体定位的前提下,通过高频感应焊机将孔底预埋有焊膏的内导体和电阻进行焊接,解决了焊接时由于散热过快而造成焊接不可靠的问题,避免焊接过程中因散热过快而出现烫伤操作人员的问题,解决了手工焊接的流锡和偏心不正问题;
2、本技术方案将环形介质与内导体连接后,通过导向压接装置将环形介质、内导体和电阻整体压装于壳体内,使装配效果和效率得到了大大的改善;
3、本技术方案在定位工装对壳体定位的前提下,完成对电阻和壳体的焊接,解决焊接过程中壳体移动影响焊接质量和效率的问题;
4、本技术方案采用高频感应焊机代替手工烙铁焊接,并通过优化高频感应焊机焊接时焊接功率和焊接时间,有效避免焊接功率过大或焊接时间过长而造成电阻损坏现象;
5、本技术方案结构简单,设计合理,使用方便,达到小体积元器件在小体积壳体中的快速有效固定,进而提高装配效率、保证了产品的可靠性,实际使用效果良好。
附图说明
图1为射频同轴负载安装结构示意图;
图2为本实用新型利用内导体焊接夹具内导体和电阻焊接时的使用状态图;
图3为本实用新型利用导向压接装置对环形介质、内导体和电阻整体在壳体内安装时的结构使用状态图;
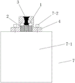
图4为本实用新型利用定位装置对壳体定位时的使用状态图。
具体实施方式
下面将结合本实用新型实施例中的图2-4,对本实用新型实施例中的技术方案进行清楚、完整地描述,显然,所描述的实施例仅仅是本实用新型一部分实施例,而不是全部的实施例。基于本实用新型中的实施例,本领域普通技术人员在没有做出创造性劳动前提下所获得的所有其他实施例,都属于本实用新型保护的范围。
需要说明的是,在本文中,术语“包括”、“包含”或者其任何其他变体意在涵盖非排他性的包含,从而使得包括一系列要素的过程、方法、物品或者设备不仅包括那些要素,而且还包括没有明确列出的其他要素,或者是还包括为这种过程、方法、物品或者设备所固有的要素。在没有更多限制的情况下。由语句“包括一个......”限定的要素,并不排除在包括所述要素的过程、方法、物品或者设备中还存在另外的相同要素。
射频同轴负载用装配辅助工装夹具,包括低热传导率的内导体焊接夹具5、导向压接装置6和定位装置7,所述内导体焊接夹具5上端部制有与内导体1下端适配的定位孔5-1,所述内导体1上端的盲孔底部预埋有焊膏,且下端适配于内导体1上端盲孔内的电阻3通过高频感应焊机焊接于内导体1上;所述内导体1下端与内导体焊接夹具5分离后将环形介质2套装于内导体1上,壳体4定位于导向压接装置6上,所述电阻3朝下而环形介质2朝上设置的电阻3、环形介质2和内导体1安装组件位于导向压接装置6内,并与壳体4安装孔位置对应,下压所述导向压接装置6上端将环形介质2、内导体1和电阻3压装于壳体4安装孔的装配位置;所述壳体4定位安装于定位装置7上端后,通过高频感应焊机对壳体4安装孔口预埋有无铅焊膏的壳体4和电阻3进行焊接固定。
如图2所示,内导体焊接夹具5的具体结构如下:所述内导体焊接夹具5包括底座5-2和定位柱5-3,所述定位柱5-3轴向截面呈十字型的阶梯柱形结构,所述定位柱5-3上端面制有定位孔5-1,且定位柱5-3下端固定于底座5-2上;具体的,所述底座5-2采用胶木材料制成,所述定位柱5-3为不锈钢材料制成;上述结构中,采用胶木材料制成的底座5-2和不锈钢材料制成的定位柱5-3形成的低热传导率的内导体焊接夹具5对内导体1定位的前提下,通过高频感应焊机将孔底预埋有焊膏的内导体1和电阻3进行焊接,解决了焊接时由于散热过快而造成焊接不可靠的问题,避免焊接过程中因散热过快而出现烫伤操作人员的问题,避免了内导体1和电阻3的焊接流锡和偏心不正问题,提高内导体1和电阻3的焊接质量,保证负载电气指标可靠;
如图3所示,导向压接装置6的具体结构如下:所述导向压接装置6包括上模6-1、下模6-2和导向座6-3,所述壳体4小径端插入下模6-2上端面的通孔内,且壳体4的台阶底面与下模6-2上端面接触,所述导向座6-3为上端外径小于下端外径的阶梯状环形结构,所述导向座6-3的倒锥形孔与下模6-2上端面的通孔同心设置并固定于下模6-2上,所述环形介质2、内导体1和电阻3的安装组件位于导向座6-3的倒锥形孔内,所述上模6-1呈圆柱形结构且上模6-1下端适配于导向座6-3的倒锥形孔内,并通过上模6-1下压环形介质2实现环形介质2、内导体1和电阻3的安装组件位在壳体4安装孔内的装配;具体的,所述导向座6-3的内孔为上端大而下端小的倒锥形孔,而倒锥形孔下端孔径为与壳体4上端孔径相同的等径孔,所述壳体4的大径端位于导向座6-3的等径孔内;具体的,所述上模6-1底面上制有供内导体1上端伸入的光孔6-4;上述结构中,将环形介质2与内导体1连接后,通过导向压接装置6将环形介质2、内导体1和电阻3整体压装于壳体4内,使装配效果和效率得到了大大的改善;
如图4所示,定位装置7的具体结构如下:所述定位装置7包括定位座7-1和固定于定位座7-1上端面的凸柱7-2,所述壳体4大径端朝下放置于定位座7-1上,两个所述凸柱7-2分别穿过壳体4大径端台阶面对角线上的两个通孔后,实现壳体4在定位座7-1上定位;具体的,所述定位座7-1采用胶木材料制成;上述结构中,在定位工装7对壳体4定位的前提下,完成对电阻3和壳体4的焊接,解决焊接过程中壳体移动影响焊接质量和效率的问题,提高外壳4焊接效率,消除拉尖的产生,外观质量好;
按照所述高频感应焊机的档位旋钮调整至4.5-5档,且焊接时间控制在1-2s的要求,分别对内导体1和电阻3以及电阻3和壳体4进行焊接;上述结构中,采用高频感应焊机代替手工烙铁焊接,并通过优化高频感应焊机焊接时焊接功率和焊接时间,有效避免焊接功率过大或焊接时间过长而造成电阻3损坏现象;高频感应焊机的档位旋钮调整至4.5-5档,且焊接时间控制在1-2s在对壳体4和电阻3进行焊接时,避免焊接后电阻3“顶出”、环形介质2“突出”的现象;
本技术方案结构简单,设计合理,使用方便,达到小体积元器件在小体积壳体中的快速有效固定,进而提高装配效率、保证了产品的可靠性,实际使用效果良好。
对于本领域技术人员而言,显然本实用新型不限于上述示范性实施例的细节,而且在不背离本实用新型的精神或基本特征的情况下,能够以其他的具体形式实现本实用新型。因此,无论从哪一点来看,均应将实施例看作是示范性的,而且是非限制性的,本实用新型的范围由所附权利要求而不是上述说明限定,因此旨在将落在权利要求的等同要件的含义和范围内的所有变化囊括在本实用新型内。不应将权利要求中的任何附图标记视为限制所涉及的权利要求。
此外,应当理解,虽然本说明书按照实施方式加以描述,但并非每个实施方式仅包含一个独立的技术方案,说明书的这种叙述方式仅仅是为清楚起见,本领域技术人员应当将说明书作为一个整体,各实施例中的技术方案也可以经适当组合,形成本领域技术人员可以理解的其他实施方式。

Claims (9)

1.射频同轴负载用装配辅助工装夹具,其特征在于:包括低热传导率的内导体焊接夹具(5)、导向压接装置(6)和定位装置(7),所述内导体焊接夹具(5)上端部制有与内导体(1)下端适配的定位孔(5-1),所述内导体(1)上端的盲孔底部预埋有焊膏,且下端适配于内导体(1)上端盲孔内的电阻(3)通过高频感应焊机焊接于内导体(1)上;所述内导体(1)下端与内导体焊接夹具(5)分离后将环形介质(2)套装于内导体(1)上,壳体(4)定位于导向压接装置(6)上,所述电阻(3)朝下而环形介质(2)朝上设置的电阻(3)、环形介质(2)和内导体(1)安装组件位于导向压接装置(6)内,并与壳体(4)安装孔位置对应,下压所述导向压接装置(6)上端将环形介质(2)、内导体(1)和电阻(3)压装于壳体(4)安装孔的装配位置;所述壳体(4)定位安装于定位装置(7)上端后,通过高频感应焊机对壳体(4)安装孔口预埋有无铅焊膏的壳体(4)和电阻(3)进行焊接固定。
2.根据权利要求1所述的射频同轴负载用装配辅助工装夹具,其特征在于:所述内导体焊接夹具(5)包括底座(5-2)和定位柱(5-3),所述定位柱(5-3)轴向截面呈十字型的阶梯柱形结构,所述定位柱(5-3)上端面制有定位孔(5-1),且定位柱(5-3)下端固定于底座(5-2)上。
3.根据权利要求2所述的射频同轴负载用装配辅助工装夹具,其特征在于:所述底座(5-2)采用胶木材料制成,所述定位柱(5-3)为不锈钢材料制成。
4.根据权利要求1所述的射频同轴负载用装配辅助工装夹具,其特征在于:所述导向压接装置(6)包括上模(6-1)、下模(6-2)和导向座(6-3),所述壳体(4)小径端插入下模(6-2)上端面的通孔内,且壳体(4)的台阶底面与下模(6-2)上端面接触,所述导向座(6-3)为上端外径小于下端外径的阶梯状环形结构,所述导向座(6-3)的倒锥形孔与下模(6-2)上端面的通孔同心设置并固定于下模(6-2)上,所述环形介质(2)、内导体(1)和电阻(3)的安装组件位于导向座(6-3)的倒锥形孔内,所述上模(6-1)呈圆柱形结构且上模(6-1)下端适配于导向座(6-3)的倒锥形孔内,并通过上模(6-1)下压环形介质(2)实现环形介质(2)、内导体(1)和电阻(3)的安装组件位在壳体(4)安装孔内的装配。
5.根据权利要求4所述的射频同轴负载用装配辅助工装夹具,其特征在于:所述导向座(6-3)的内孔为上端大而下端小的倒锥形孔,而倒锥形孔下端孔径为与壳体(4)上端孔径相同的等径孔,所述壳体(4)的大径端位于导向座(6-3)的等径孔内。
6.根据权利要求5所述的射频同轴负载用装配辅助工装夹具,其特征在于:所述上模(6-1)底面上制有供内导体(1)上端伸入的光孔(6-4)。
7.根据权利要求1所述的射频同轴负载用装配辅助工装夹具,其特征在于:所述定位装置(7)包括定位座(7-1)和固定于定位座(7-1)上端面的凸柱(7-2),所述壳体(4)大径端朝下放置于定位座(7-1)上,两个所述凸柱(7-2)分别穿过壳体(4)大径端台阶面对角线上的两个通孔后,实现壳体(4)在定位座(7-1)上定位。
8.根据权利要求7所述的射频同轴负载用装配辅助工装夹具,其特征在于:所述定位座(7-1)采用胶木材料制成。
9.根据权利要求1-8任一项所述的射频同轴负载用装配辅助工装夹具,其特征在于:按照所述高频感应焊机的档位旋钮调整至4.5-5档,且焊接时间控制在1-2s的要求,分别对内导体(1)和电阻(3)以及电阻(3)和壳体(4)进行焊接。
CN202221963100.0U 2022-07-28 2022-07-28 射频同轴负载用装配辅助工装夹具 Active CN217790032U (zh)

Priority Applications (1)

Application Number Priority Date Filing Date Title
CN202221963100.0U CN217790032U (zh) 2022-07-28 2022-07-28 射频同轴负载用装配辅助工装夹具

Applications Claiming Priority (1)

Application Number Priority Date Filing Date Title
CN202221963100.0U CN217790032U (zh) 2022-07-28 2022-07-28 射频同轴负载用装配辅助工装夹具

Publications (1)

Publication Number Publication Date
CN217790032U true CN217790032U (zh) 2022-11-11

Family

ID=83942370

Family Applications (1)

Application Number Title Priority Date Filing Date
CN202221963100.0U Active CN217790032U (zh) 2022-07-28 2022-07-28 射频同轴负载用装配辅助工装夹具

Country Status (1)

Country Link
CN (1) CN217790032U (zh)

Similar Documents

Publication Publication Date Title
CN109219233B (zh) Pcb板与igbt模块压接结构及压接方法
CN111014863A (zh) 射频封装外壳的多连接器焊接方法、工装及预成型焊料环
CN109688725B (zh) K1波段频率源模块的制作方法
CN102430827A (zh) 一种等离子切割电极的真空钎焊方法
CN217790032U (zh) 射频同轴负载用装配辅助工装夹具
CN107116278A (zh) 一种导线与端子的连接工艺
CN103367849B (zh) 一种表贴式微波铁氧体环行器引脚结构
CN112924780B (zh) 用于微波模块的调试装置及其制作方法
CN111069729A (zh) 谐振柱焊接方法
CN102665374A (zh) 印刷电路板组装方法
CN210778922U (zh) 一种腔体耦合器结构
CN221727517U (zh) 一种防热膨胀射频微带连接器
CN205429187U (zh) 一种铜铝接线端子
CN119703255A (zh) 一种加热式自动化连接器返修装置
CN115172000B (zh) 一种磁共振超导磁体的电流引线及其组装方法
CN102581465A (zh) 电阻焊接机石墨电极结构及安装方法
CN222289047U (zh) 一种实现毫米波绝缘子焊接的通用可拆卸装置
CN205723185U (zh) 一种电连接装置及其触指座
CN210403476U (zh) 一种适用多规格的高频变压器骨架
CN2313694Y (zh) 同轴式电烙铁头
CN220189907U (zh) 一种钢管接地结构、热风枪及热风枪焊台设备
CN102423823B (zh) 一种等离子切割电极的真空钎焊工艺
CN204925183U (zh) 一种半导体芯片测试针架
CN217290811U (zh) 一种电连接器快速定位焊接工装
CN221598458U (zh) 一种pcb板用散热器的支撑结构

Legal Events

Date Code Title Description
GR01 Patent grant
GR01 Patent grant