CN217750813U - 一种塑料制品加工用去毛刺装置 - Google Patents

一种塑料制品加工用去毛刺装置 Download PDF

Info

Publication number
CN217750813U
CN217750813U CN202221819068.9U CN202221819068U CN217750813U CN 217750813 U CN217750813 U CN 217750813U CN 202221819068 U CN202221819068 U CN 202221819068U CN 217750813 U CN217750813 U CN 217750813U
Authority
CN
China
Prior art keywords
plate
motor
plastic products
bottom plate
disc
Prior art date
Legal status (The legal status is an assumption and is not a legal conclusion. Google has not performed a legal analysis and makes no representation as to the accuracy of the status listed.)
Expired - Fee Related
Application number
CN202221819068.9U
Other languages
English (en)
Inventor
郑长鸿
Current Assignee (The listed assignees may be inaccurate. Google has not performed a legal analysis and makes no representation or warranty as to the accuracy of the list.)
Shanghai Yuezhan Rotomolding Products Co ltd
Original Assignee
Shanghai Yuezhan Rotomolding Products Co ltd
Priority date (The priority date is an assumption and is not a legal conclusion. Google has not performed a legal analysis and makes no representation as to the accuracy of the date listed.)
Filing date
Publication date
Application filed by Shanghai Yuezhan Rotomolding Products Co ltd filed Critical Shanghai Yuezhan Rotomolding Products Co ltd
Priority to CN202221819068.9U priority Critical patent/CN217750813U/zh
Application granted granted Critical
Publication of CN217750813U publication Critical patent/CN217750813U/zh
Expired - Fee Related legal-status Critical Current
Anticipated expiration legal-status Critical

Links

Images

Classifications

    • YGENERAL TAGGING OF NEW TECHNOLOGICAL DEVELOPMENTS; GENERAL TAGGING OF CROSS-SECTIONAL TECHNOLOGIES SPANNING OVER SEVERAL SECTIONS OF THE IPC; TECHNICAL SUBJECTS COVERED BY FORMER USPC CROSS-REFERENCE ART COLLECTIONS [XRACs] AND DIGESTS
    • Y02TECHNOLOGIES OR APPLICATIONS FOR MITIGATION OR ADAPTATION AGAINST CLIMATE CHANGE
    • Y02WCLIMATE CHANGE MITIGATION TECHNOLOGIES RELATED TO WASTEWATER TREATMENT OR WASTE MANAGEMENT
    • Y02W30/00Technologies for solid waste management
    • Y02W30/50Reuse, recycling or recovery technologies
    • Y02W30/62Plastics recycling; Rubber recycling

Landscapes

  • Grinding And Polishing Of Tertiary Curved Surfaces And Surfaces With Complex Shapes (AREA)

Abstract

本实用新型属于塑料制品技术领域,尤其为一种塑料制品加工用去毛刺装置,包括底板,所述底板的一端固定安装有第一支撑板,所述第一支撑板的下表面固定安装有电动伸缩杆,所述电动伸缩杆的一端固定安装有压盘,所述底板的表面活动连接有圆盘,所述底板的另一端固定安装有第一电机。该塑料制品加工用去毛刺装置,通过真空吸盘将矩形塑料制品固定在圆盘上,利用第二电机带动圆盘转动代替人工调整塑料制品需要去毛刺的位置,节省人力,有效的解决了以往的去毛刺装置需要人工调整去毛刺位置的问题,将塑料制品转动到合适的位置后利用电动伸缩杆推动压盘对塑料制品进行下压固定,能够提高塑料制品在去毛刺中的稳定性。

Description

一种塑料制品加工用去毛刺装置
技术领域
本实用新型属于塑料制品技术领域,具体涉及一种塑料制品加工用去毛刺装置。
背景技术
塑料是指具有塑性行为的材料,所谓塑性是指受外力作用时,发生形变,外力取消后,仍能保持受力时的状态,塑料的弹性模量介于橡胶和纤维之间,受力能发生一定形变,软塑料接近橡胶,硬塑料接近纤维。
然后现有的塑料在加工之后外表面会有大量的毛刺,而现有的处理方式一般都是通过打磨的方式进行去除的,然而现有的打磨方式一般都是将塑料制品都是放置在工作台上进行打磨,矩形塑料制品加工用的去毛刺装置放置在工作台上进行加工时,一般都是人工调整塑料制品需要去毛刺的位置,费时费力。
实用新型内容
为解决上述背景技术中提出的问题。本实用新型提供了一种塑料制品加工用去毛刺装置,解决了塑料制品加工用的去毛刺装置放置在工作台上进行加工时,一般都是人工调整塑料制品需要去毛刺的位置,费时费力的问题。
为实现上述目的,本实用新型提供如下技术方案:一种塑料制品加工用去毛刺装置,包括底板,所述底板的一端固定安装有第一支撑板,所述第一支撑板的下表面固定安装有电动伸缩杆,所述电动伸缩杆的一端固定安装有压盘,所述底板的表面活动连接有圆盘,所述底板的另一端固定安装有第一电机,所述第一电机的输出轴穿过底板连接有第一螺纹杆,所述第一螺纹杆的一侧设置有滑杆,所述第一螺纹杆和滑杆之间螺纹连接有第一滑板,所述第一滑板的一端固定安装有第四电机,所述第四电机的输出轴穿过第一滑板连接有第二螺纹杆,所述第二螺纹杆的两侧均螺纹连接有第二滑板,所述第二滑板的表面通过旋转轴活动连接有第一连接板,所述第一连接板的一侧活动连接有第二连接板,所述第一连接板和第二连接板的一端均通过旋转轴活动连接有第二支撑板,所述第二支撑板的表面设置有电动滑轨。
优选的,所述电动滑轨的表面滑动连接有第三滑板,所述第三滑板的表面固定安装有支撑柱,所述支撑柱的表面固定安装有第三电机,所述第三电机的输出轴连接有磨盘。
优选的,所述电动伸缩杆的一侧固定安装有吹风机。
优选的,所述圆盘的表面固定安装有真空吸盘,所述圆盘的底部固定安装有真空泵,所述真空泵的一端通过管道与真空吸盘相连。
优选的,所述底板的底部固定安装有第二电机,所述第二电机的输出轴穿过底板与圆盘相连。
优选的,所述第二螺纹杆的表面设置有反向螺纹,所述第二滑板的数量为两个,两个所述第二滑板的移动方向相反。
优选的,所述第一连接板和第二连接板的中心位置通过旋转轴交叉相连。
与现有技术相比,本实用新型的有益效果是:
该塑料制品加工用去毛刺装置,通过真空吸盘将矩形塑料制品固定在圆盘上,利用第二电机带动圆盘转动代替人工调整塑料制品需要去毛刺的位置,节省人力,有效的解决了以往的去毛刺装置需要人工调整去毛刺位置的问题,将塑料制品转动到合适的位置后利用电动伸缩杆推动压盘对塑料制品进行下压固定,能够提高塑料制品在去毛刺中的稳定性。
附图说明
附图用来提供对本实用新型的进一步理解,并且构成说明书的一部分,与本实用新型的实施例一起用于解释本实用新型,并不构成对本实用新型的限制。在附图中:
图1为本实用新型的第一种立体结构图;
图2为本实用新型的第二种立体结构图;
图3为本实用新型的第三种立体结构图;
图4为本实用新型的图1中A处局部放大图。
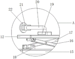
图中:1、底板;2、第一电机;3、第二电机;4、圆盘;5、真空泵;6、第一支撑板;7、电动伸缩杆;8、压盘;9、吹风机;10、第一螺纹杆;11、滑杆;12、第二支撑板;13、电动滑轨;14、真空吸盘;15、第一滑板;16、第一连接板;17、第二连接板;18、第二滑板;19、第三滑板;20、支撑柱;21、第三电机;22、磨盘;23、第四电机;24、第二螺纹杆。
具体实施方式
下面将结合本实用新型实施例中的附图,对本实用新型实施例中的技术方案进行清楚、完整地描述,显然,所描述的实施例仅仅是本实用新型一部分实施例,而不是全部的实施例。基于本实用新型中的实施例,本领域普通技术人员在没有做出创造性劳动前提下所获得的所有其他实施例,都属于本实用新型保护的范围。
请参阅图1-4,本实用新型提供以下技术方案:一种塑料制品加工用去毛刺装置,包括底板1,底板1的一端固定安装有第一支撑板6,第一支撑板6的下表面固定安装有电动伸缩杆7,电动伸缩杆7的一端固定安装有压盘8,底板1的表面活动连接有圆盘4,底板1的另一端固定安装有第一电机2,第一电机2的输出轴穿过底板1连接有第一螺纹杆10,第一螺纹杆10的一侧设置有滑杆11,第一螺纹杆10和滑杆11之间螺纹连接有第一滑板15,第一滑板15的一端固定安装有第四电机23,第四电机23的输出轴穿过第一滑板15连接有第二螺纹杆24,第二螺纹杆24的两侧均螺纹连接有第二滑板18,第二滑板18的表面通过旋转轴活动连接有第一连接板16,第一连接板16的一侧活动连接有第二连接板17,第一连接板16和第二连接板17的一端均通过旋转轴活动连接有第二支撑板12,第二支撑板12的表面设置有电动滑轨13。
首先将装置放置在合适的位置,然后通过真空泵5为真空吸盘14提供动力对塑料制品进行吸附固定,然后通过第二电机3带动圆盘4转动调整塑料制品需要去毛刺的位置,然后通过电动伸缩杆7推动压盘8对塑料制品下压固定,然后通过第一电机2带动第一螺纹杆10转动从而使第一滑板15移动到合适的位置,然后通过第四电机23带动第二螺纹杆24转动从而使两个第二滑板18往相反的方向移动到合适的位置,第二滑板18在移动过程中第一连接板16和第二连接板17相互折叠从而能够将第二支撑板12调节到合适的高度,然后通过电动滑轨13将第三滑板19调节到合适的位置,然后通过第三电机21带动磨盘22转动与塑料制品的边进行去毛刺,去毛刺的同时利用吹风机9向下吹风将去毛刺产生的碎屑吹走。
在本实施例的一个方面中,通过真空吸盘14将矩形塑料制品固定在圆盘4上,利用第二电机3带动圆盘4转动代替人工调整塑料制品需要去毛刺的位置,节省人力,有效的解决了以往的去毛刺装置需要人工调整去毛刺位置的问题。
在本实施例的一个方面中,将塑料制品转动到合适的位置后利用电动伸缩杆7推动压盘8对塑料制品进行下压固定,能够提高塑料制品在去毛刺中的稳定性。
在本实施例的一个方面中,利用第一螺纹杆10和电动滑轨13调节磨盘22的位置,第二螺纹杆24调节磨盘22的高度,能够对不同大小的塑料制品去毛刺,且磨盘22的尺寸比较小,能够更精细的去毛刺。
在本说明书的描述中,参考术语“一个实施例”、“示例”、“具体示例”等的描述意指结合该实施例或示例描述的具体特征、结构、材料或者特点包含于本实用新型的至少一个实施例或示例中。在本说明书中,对上述术语的示意性表述不一定指的是相同的实施例或示例。而且,描述的具体特征、结构、材料或者特点可以在任何的一个或多个实施例或示例中以合适的方式结合
最后应说明的是:以上所述仅为本实用新型的优选实施例而已,并不用于限制本实用新型,尽管参照前述实施例对本实用新型进行了详细的说明,对于本领域的技术人员来说,其依然可以对前述各实施例所记载的技术方案进行修改,或者对其中部分技术特征进行等同替换。凡在本实用新型的精神和原则之内,所作的任何修改、等同替换、改进等,均应包含在本实用新型的保护范围之内。

Claims (7)

1.一种塑料制品加工用去毛刺装置,包括底板(1),其特征在于:所述底板(1)的一端固定安装有第一支撑板(6),所述第一支撑板(6)的下表面固定安装有电动伸缩杆(7),所述电动伸缩杆(7)的一端固定安装有压盘(8),所述底板(1)的表面活动连接有圆盘(4),所述底板(1)的另一端固定安装有第一电机(2),所述第一电机(2)的输出轴穿过底板(1)连接有第一螺纹杆(10),所述第一螺纹杆(10)的一侧设置有滑杆(11),所述第一螺纹杆(10)和滑杆(11)之间螺纹连接有第一滑板(15),所述第一滑板(15)的一端固定安装有第四电机(23),所述第四电机(23)的输出轴穿过第一滑板(15)连接有第二螺纹杆(24),所述第二螺纹杆(24)的两侧均螺纹连接有第二滑板(18),所述第二滑板(18)的表面通过旋转轴活动连接有第一连接板(16),所述第一连接板(16)的一侧活动连接有第二连接板(17),所述第一连接板(16)和第二连接板(17)的一端均通过旋转轴活动连接有第二支撑板(12),所述第二支撑板(12)的表面设置有电动滑轨(13)。
2.根据权利要求1所述的一种塑料制品加工用去毛刺装置,其特征在于:所述电动滑轨(13)的表面滑动连接有第三滑板(19),所述第三滑板(19)的表面固定安装有支撑柱(20),所述支撑柱(20)的表面固定安装有第三电机(21),所述第三电机(21)的输出轴连接有磨盘(22)。
3.根据权利要求1所述的一种塑料制品加工用去毛刺装置,其特征在于:所述电动伸缩杆(7)的一侧固定安装有吹风机(9)。
4.根据权利要求1所述的一种塑料制品加工用去毛刺装置,其特征在于:所述圆盘(4)的表面固定安装有真空吸盘(14),所述圆盘(4)的底部固定安装有真空泵(5),所述真空泵(5)的一端通过管道与真空吸盘(14)相连。
5.根据权利要求1所述的一种塑料制品加工用去毛刺装置,其特征在于:所述底板(1)的底部固定安装有第二电机(3),所述第二电机(3)的输出轴穿过底板(1)与圆盘(4)相连。
6.根据权利要求1所述的一种塑料制品加工用去毛刺装置,其特征在于:所述第二螺纹杆(24)的表面设置有反向螺纹,所述第二滑板(18)的数量为两个,两个所述第二滑板(18)的移动方向相反。
7.根据权利要求1所述的一种塑料制品加工用去毛刺装置,其特征在于:所述第一连接板(16)和第二连接板(17)的中心位置通过旋转轴交叉相连。
CN202221819068.9U 2022-07-15 2022-07-15 一种塑料制品加工用去毛刺装置 Expired - Fee Related CN217750813U (zh)

Priority Applications (1)

Application Number Priority Date Filing Date Title
CN202221819068.9U CN217750813U (zh) 2022-07-15 2022-07-15 一种塑料制品加工用去毛刺装置

Applications Claiming Priority (1)

Application Number Priority Date Filing Date Title
CN202221819068.9U CN217750813U (zh) 2022-07-15 2022-07-15 一种塑料制品加工用去毛刺装置

Publications (1)

Publication Number Publication Date
CN217750813U true CN217750813U (zh) 2022-11-08

Family

ID=83872613

Family Applications (1)

Application Number Title Priority Date Filing Date
CN202221819068.9U Expired - Fee Related CN217750813U (zh) 2022-07-15 2022-07-15 一种塑料制品加工用去毛刺装置

Country Status (1)

Country Link
CN (1) CN217750813U (zh)

Similar Documents

Publication Publication Date Title
CN206677716U (zh) 一种双面打磨的木材打磨机
CN115026477A (zh) 一种异型钢管焊接用焊缝打磨装置
CN118528104A (zh) 一种零部件加工用打磨装置
CN217750813U (zh) 一种塑料制品加工用去毛刺装置
CN208215117U (zh) 一种轴承用抛光设备
CN209380456U (zh) 一种用于雕塑艺术品的打磨装置
CN217071813U (zh) 一种木质家具生产可固定式去毛刺设备
CN207087512U (zh) 一种轴承毛坯毛刺清理装置
CN218658105U (zh) 一种汽车配件用打磨装置
CN118720904A (zh) 一种环件加工用毛刺去除装置
CN217530269U (zh) 一种补强片去毛刺装置
CN214723170U (zh) 一种汽车钣金件加工用紧密打磨设备
CN212071370U (zh) 一种管状材料打磨装置
CN210731921U (zh) 一种金属模架加工用精密平面磨床
CN218312513U (zh) 一种金属铸件生产用打磨装置
CN209551323U (zh) 一种刀片磨床用夹持装置
CN220839558U (zh) 一种精密零部件加工用抛光装置
CN221696301U (zh) 一种管道零件加工用零件边缘打磨机构
CN207373777U (zh) 一种便于调整夹紧角度的模具夹紧装置
CN217966321U (zh) 一种光学镜片加工用芯取机
CN219562540U (zh) 一种柔性加载装置
CN221834696U (zh) 一种稳定性强的石材雕刻支撑装置
CN220839438U (zh) 一种空调外壳打磨装置
CN220408168U (zh) 一种缓冲装置
CN220128459U (zh) 紧固件加工抛光装置

Legal Events

Date Code Title Description
GR01 Patent grant
GR01 Patent grant
CF01 Termination of patent right due to non-payment of annual fee
CF01 Termination of patent right due to non-payment of annual fee

Granted publication date: 20221108