CN217664774U - 一种用于紧固件检修的表面缺陷排查装置 - Google Patents

一种用于紧固件检修的表面缺陷排查装置 Download PDF

Info

Publication number
CN217664774U
CN217664774U CN202221241126.4U CN202221241126U CN217664774U CN 217664774 U CN217664774 U CN 217664774U CN 202221241126 U CN202221241126 U CN 202221241126U CN 217664774 U CN217664774 U CN 217664774U
Authority
CN
China
Prior art keywords
plate
top surface
shaft
fixedly arranged
fastener
Prior art date
Legal status (The legal status is an assumption and is not a legal conclusion. Google has not performed a legal analysis and makes no representation as to the accuracy of the status listed.)
Expired - Fee Related
Application number
CN202221241126.4U
Other languages
English (en)
Inventor
施智勇
欧阳彩玉
Current Assignee (The listed assignees may be inaccurate. Google has not performed a legal analysis and makes no representation or warranty as to the accuracy of the list.)
Zhongshida Power Group Co ltd
Original Assignee
Zhongshida Power Group Co ltd
Priority date (The priority date is an assumption and is not a legal conclusion. Google has not performed a legal analysis and makes no representation as to the accuracy of the date listed.)
Filing date
Publication date
Application filed by Zhongshida Power Group Co ltd filed Critical Zhongshida Power Group Co ltd
Priority to CN202221241126.4U priority Critical patent/CN217664774U/zh
Application granted granted Critical
Publication of CN217664774U publication Critical patent/CN217664774U/zh
Expired - Fee Related legal-status Critical Current
Anticipated expiration legal-status Critical

Links

Images

Landscapes

  • Sorting Of Articles (AREA)

Abstract

本实用新型公开了一种用于紧固件检修的表面缺陷排查装置,包括底板,侧板,对称设置的两个所述侧板固定安装于所述底板的顶面;顶板,所述顶板固定安装于所述侧板的顶面;支撑柱,对称设置的两个所述支撑柱固定安装于所述顶板的顶面;料筒,所述料筒固定安装于所述支撑柱的顶面;导板,所述导板固定安装于所述顶板的右侧面,且所述导板呈倾斜设置;立杆,所述立杆固定安装于所述底板的顶面;缺陷检测器,所述缺陷检测器固定安装于所述立杆的端部。该用于紧固件检修的表面缺陷排查装置结构简单实用,制造成本及使用成本低,更经济环保,同时对紧固件的检测排查更便捷有效,提高工作效果,并且故障率低,实用性强。

Description

一种用于紧固件检修的表面缺陷排查装置
技术领域
本实用新型涉及紧固件生产技术领域,具体为一种用于紧固件检修的表面缺陷排查装置。
背景技术
紧固件是作紧固连接用且应用极为广泛的一类机械零件,紧固件是应用最广泛的机械基础件,其特点是品种规格繁多,性能用途各异,而且标准化、系列化、通用化的程度也极高,螺母是一种使用频率非常高的紧固件之一,在螺母生产过程中,需要对螺母的表面进行检测排查,避免表面存在缺陷的螺母流入市场,但现有的用于紧固件检修的表面缺陷排查装置仍存在一定的缺陷,比如:
申请号CN202120556226.5的“一种紧固件表面缺陷检测装置”,结构复杂,检测流程繁琐,且使用多个电控设备,不仅制造使用成本高,且其中任一一个电控设备出现故障将无法对紧固件表面缺陷进行检测排出,出现故障的概率较高,不能满足使用需要。
实用新型内容
本实用新型的目的在于提供一种用于紧固件检修的表面缺陷排查装置,以解决上述背景技术中提出现有的紧固件检修的表面缺陷排查装置结构复杂,检测流程繁琐,且使用多个电控设备,不仅制造使用成本高,且其中任一一个电控设备出现故障将无法对紧固件表面缺陷进行检测排出,出现故障的概率较高,不能满足使用需要的问题。
为实现上述目的,本实用新型提供如下技术方案:一种用于紧固件检修的表面缺陷排查装置,包括底板,
侧板,对称设置的两个所述侧板固定安装于所述底板的顶面;
顶板,所述顶板固定安装于所述侧板的顶面;
支撑柱,对称设置的两个所述支撑柱固定安装于所述顶板的顶面;
料筒,所述料筒固定安装于所述支撑柱的顶面;
导板,所述导板固定安装于所述顶板的右侧面,且所述导板呈倾斜设置;
立杆,所述立杆固定安装于所述底板的顶面;
缺陷检测器,所述缺陷检测器固定安装于所述立杆的端部;
第一收料箱,所述第一收料箱设置于所述底板的顶面;
第二收料箱,所述第二收料箱设置于所述底板的顶面,且所述第二收料箱位于所述第一收料箱的前侧;
转动机构,所述转动机构设置于所述底板的顶面;
推料机构,所述推料机构与所述转动机构相连接;
传动机构,所述传动机构与所述转动机构相连接;
输送机构,所述输送机构与所述传动机构相连接;
分类机构,所述分类机构设置于所述侧板的顶面。
采用上述技术方案,便于快速有效的对螺母表面进行检测排查。
作为本实用新型的优选技术方案,所述转动机构包括:
电机,所述电机固定安装于所述底板的顶面;
转轴,所述转轴的底端与所述电机的轴端键连接;
转盘,所述转盘固定垂直安装于所述转轴的顶端;
固定轴,所述固定轴固定垂直安装于所述转盘顶面的偏心位置。
采用上述技术方案,便于转动转动时带动转盘进行转动,使得固定轴产生圆周转动。
作为本实用新型的优选技术方案,所述推料机构包括:
连杆,所述连杆的左端与所述固定轴转动连接;
推块,所述推块的底面与所述顶板的顶面滑动连接,且所述连杆的右端与所述推块的左侧面转动连接。
采用上述技术方案,便于固定轴进行圆周转动时使连杆带动推块产生移动。
作为本实用新型的优选技术方案,所述传动机构包括:
固定板,所述固定板固定安装于所述底板的顶面;
传动轴,所述传动轴贯穿所述固定板设置,且所述传动轴与所述固定板轴承连接;
锥形齿轮组,所述锥形齿轮组安装在所述转轴上,且所述锥形齿轮组与所述传动轴的内端相连接。
采用上述技术方案,便于转轴转动时通过锥形齿轮组带动传动轴产生转动。
作为本实用新型的优选技术方案,所述输送机构包括:
主动轮,所述主动轮固定安装于所述传动轴的外端;
第一轴杆,所述第一轴杆的前端与所述前侧所述侧板的内侧面轴承连接,且所述第一轴杆贯穿后侧所述侧板设置;
从动轮,所述从动轮固定安装于所述第一轴杆的后端,且所述从动轮与主动轮通过皮带传动连接;
第二轴杆,所述第二轴杆的轴端与所述侧板的内侧面轴承连接,且所述第二轴杆与所述第一轴杆通过输送带传动连接。
采用上述技术方案,便于传动轴带动转动轮转动时通过皮带带动从动轮及第一轴杆转动,使得通过第二轴杆实现输送带的移动运输。
作为本实用新型的优选技术方案,所述分类机构包括:
电动伸缩杆,所述电动伸缩杆安装于前侧所述侧板的顶面;
分类板,所述分类板固定安装于所述电动伸缩杆的输出端。
采用上述技术方案,便于通过电动伸缩杆带动分类板进行移动。
与现有技术相比,本实用新型的有益效果是:该用于紧固件检修的表面缺陷排查装置结构简单实用,制造成本及使用成本低,更经济环保,同时对紧固件的检测排查更便捷有效,提高工作效果,并且故障率低,实用性强;
1、通过启动电机使转轴带动转盘进行转动,使得固定轴产生圆周转动,从而通过连杆的作用使推块可产生往复移动,当推块向有移动时,将推动料筒内下方的螺母向右移动,使得螺母通过导板滑落至输送带上;
2、转轴转动的同时通过锥形齿轮组使传动轴的主动轮产生转动,通过皮带的作用使从动轮带动第一轴杆进行转动,从而通过第二轴杆的作用使输送带产生移动,实现向右对螺母进行输送;
3、同时缺陷检测器对输送的螺母进行检测,当检测出螺母表面存在缺陷时,在存在缺陷的螺母输送至分类板的前侧时,电动伸缩杆进行启动,电动伸缩杆进行缩杆带动分类板向前移动,使得将存在缺陷的螺母移动至输送带前侧位置,最终,表面存在缺陷的螺母落至第二收料箱内,合格的螺母落至第一收料箱内。
附图说明
图1为本实用新型俯视结构示意图;
图2为本实用新型主视剖面结构示意图;
图3为本实用新型齿轮组与传动轴左侧视连接结构示意图;
图4为本实用新型左侧视局部结构示意图。
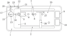
图中:1、底板;2、侧板;3、顶板;4、支撑柱;5、料筒;6、导板;7、立杆;8、缺陷检测器;9、第一收料箱;10、第二收料箱;11、电机;12、转轴;13、转盘;14、固定轴;15、连杆;16、推块;17、固定板;18、传动轴;19、锥形齿轮组;20、主动轮;21、第一轴杆;22、从动轮;23、皮带;24、第二轴杆;25、输送带;26、电动伸缩杆;27、分类板。
具体实施方式
下面将结合本实用新型实施例中的附图,对本实用新型实施例中的技术方案进行清楚、完整地描述,显然,所描述的实施例仅仅是本实用新型一部分实施例,而不是全部的实施例。基于本实用新型中的实施例,本领域普通技术人员在没有做出创造性劳动前提下所获得的所有其他实施例,都属于本实用新型保护的范围。
请参阅图1-4,本实用新型技术方案:一种用于紧固件检修的表面缺陷排查装置,包括底板1,对称设置的两个侧板2固定安装于底板1的顶面,顶板3固定安装于侧板2的顶面,对称设置的两个支撑柱4固定安装于顶板3的顶面,料筒5固定安装于支撑柱4的顶面,导板6固定安装于顶板3的右侧面,且导板6呈倾斜设置,立杆7固定安装于底板1的顶面,缺陷检测器8固定安装于立杆7的端部,第一收料箱9设置于底板1的顶面,第二收料箱10设置于底板1的顶面,且第二收料箱10位于第一收料箱9的前侧,在检测排查前,将螺母放置到料筒5内,使螺母逐个叠加放置;
电机11固定安装于底板1的顶面,转轴12的底端与电机11的轴端键连接,转盘13固定垂直安装于转轴12的顶端,固定轴14固定垂直安装于转盘13顶面的偏心位置,通过启动电机11使转轴12进行转动,使得转轴12带动转盘13产生转动,从而使固定轴14进行圆周转动;
连杆15的左端与固定轴14转动连接,推块16的底面与顶板3的顶面滑动连接,且连杆15的右端与推块16的左侧面转动连接,固定轴14进行圆周转动时,通过连杆15的作用可使推块16在水平方向上产生往复移动,在推块16向右移动时,推块16抵触料筒5内最下层的螺母后,将推动螺母向右移动,使得螺母通过导板6向下滑落;
固定板17固定安装于底板1的顶面,传动轴18贯穿固定板17设置,且传动轴18与固定板17轴承连接,锥形齿轮组19安装在转轴12上,且锥形齿轮组19与传动轴18的内端相连接,转轴12转动时通过锥形齿轮组19的作用使传动轴18产生转动;
主动轮20固定安装于传动轴18的外端,第一轴杆21的前端与前侧侧板2的内侧面轴承连接,且第一轴杆21贯穿后侧侧板2设置,从动轮22固定安装于第一轴杆21的后端,且从动轮22与主动轮20通过皮带23传动连接,第二轴杆24的轴端与侧板2的内侧面轴承连接,且第二轴杆24与第一轴杆21通过输送带25传动连接,传动轴18转动时带动主动轮20进行转动,通过皮带23的作用使从动轮22带动第一轴杆21产生转动,从而在第二轴杆24的作用下,保障输送带25进行移动,保障将滑落至输送带25上的螺母向右进行输送;
电动伸缩杆26安装于前侧侧板2的顶面,分类板27固定安装于电动伸缩杆26的输出端,螺母输送的同时通过缺陷检测器8对螺母的表面进行检测排查,当检测排查出螺母的表面存在缺陷时,在存在缺陷的螺母输送至分类板27的前侧时,电动伸缩杆26将启动进行缩杆作业,使得分类板27向前进行移动,从而将存在缺陷的螺母推动至输送带25的前侧位置,最终使存在缺陷的螺母落至第二收料箱10内,而合格的螺母落至第一收料箱9内,本说明书中未作详细描述的内容属于本领域专业技术人员公知的现有技术。
尽管已经示出和描述了本实用新型的实施例,对于本领域的普通技术人员而言,可以理解在不脱离本实用新型的原理和精神的情况下可以对这些实施例进行多种变化、修改、替换和变型,本实用新型的范围由所附权利要求及其等同物限定。

Claims (6)

1.一种用于紧固件检修的表面缺陷排查装置,包括底板(1),其特征在于,还包括:
侧板(2),对称设置的两个所述侧板(2)固定安装于所述底板(1)的顶面;
顶板(3),所述顶板(3)固定安装于所述侧板(2)的顶面;
支撑柱(4),对称设置的两个所述支撑柱(4)固定安装于所述顶板(3)的顶面;
料筒(5),所述料筒(5)固定安装于所述支撑柱(4)的顶面;
导板(6),所述导板(6)固定安装于所述顶板(3)的右侧面,且所述导板(6)呈倾斜设置;
立杆(7),所述立杆(7)固定安装于所述底板(1)的顶面;
缺陷检测器(8),所述缺陷检测器(8)固定安装于所述立杆(7)的端部;
第一收料箱(9),所述第一收料箱(9)设置于所述底板(1)的顶面;
第二收料箱(10),所述第二收料箱(10)设置于所述底板(1)的顶面,且所述第二收料箱(10)位于所述第一收料箱(9)的前侧;
转动机构,所述转动机构设置于所述底板(1)的顶面;
推料机构,所述推料机构与所述转动机构相连接;
传动机构,所述传动机构与所述转动机构相连接;
输送机构,所述输送机构与所述传动机构相连接;
分类机构,所述分类机构设置于所述侧板(2)的顶面。
2.根据权利要求1所述的一种用于紧固件检修的表面缺陷排查装置,其特征在于,所述转动机构包括:
电机(11),所述电机(11)固定安装于所述底板(1)的顶面;
转轴(12),所述转轴(12)的底端与所述电机(11)的轴端键连接;
转盘(13),所述转盘(13)固定垂直安装于所述转轴(12)的顶端;
固定轴(14),所述固定轴(14)固定垂直安装于所述转盘(13)顶面的偏心位置。
3.根据权利要求2所述的一种用于紧固件检修的表面缺陷排查装置,其特征在于,所述推料机构包括:
连杆(15),所述连杆(15)的左端与所述固定轴(14)转动连接;
推块(16),所述推块(16)的底面与所述顶板(3)的顶面滑动连接,且所述连杆(15)的右端与所述推块(16)的左侧面转动连接。
4.根据权利要求2所述的一种用于紧固件检修的表面缺陷排查装置,其特征在于,所述传动机构包括:
固定板(17),所述固定板(17)固定安装于所述底板(1)的顶面;
传动轴(18),所述传动轴(18)贯穿所述固定板(17)设置,且所述传动轴(18)与所述固定板(17)轴承连接;
锥形齿轮组(19),所述锥形齿轮组(19)安装在所述转轴(12)上,且所述锥形齿轮组(19)与所述传动轴(18)的内端相连接。
5.根据权利要求4所述的一种用于紧固件检修的表面缺陷排查装置,其特征在于,所述输送机构包括:
主动轮(20),所述主动轮(20)固定安装于所述传动轴(18)的外端;
第一轴杆(21),所述第一轴杆(21)的前端与所述前侧所述侧板(2)的内侧面轴承连接,且所述第一轴杆(21)贯穿后侧所述侧板(2)设置;
从动轮(22),所述从动轮(22)固定安装于所述第一轴杆(21)的后端,且所述从动轮(22)与主动轮(20)通过皮带(23)传动连接;
第二轴杆(24),所述第二轴杆(24)的轴端与所述侧板(2)的内侧面轴承连接,且所述第二轴杆(24)与所述第一轴杆(21)通过输送带(25)传动连接。
6.根据权利要求5所述的一种用于紧固件检修的表面缺陷排查装置,其特征在于,所述分类机构包括:
电动伸缩杆(26),所述电动伸缩杆(26)安装于前侧所述侧板(2)的顶面;
分类板(27),所述分类板(27)固定安装于所述电动伸缩杆(26)的输出端。
CN202221241126.4U 2022-05-23 2022-05-23 一种用于紧固件检修的表面缺陷排查装置 Expired - Fee Related CN217664774U (zh)

Priority Applications (1)

Application Number Priority Date Filing Date Title
CN202221241126.4U CN217664774U (zh) 2022-05-23 2022-05-23 一种用于紧固件检修的表面缺陷排查装置

Applications Claiming Priority (1)

Application Number Priority Date Filing Date Title
CN202221241126.4U CN217664774U (zh) 2022-05-23 2022-05-23 一种用于紧固件检修的表面缺陷排查装置

Publications (1)

Publication Number Publication Date
CN217664774U true CN217664774U (zh) 2022-10-28

Family

ID=83741206

Family Applications (1)

Application Number Title Priority Date Filing Date
CN202221241126.4U Expired - Fee Related CN217664774U (zh) 2022-05-23 2022-05-23 一种用于紧固件检修的表面缺陷排查装置

Country Status (1)

Country Link
CN (1) CN217664774U (zh)

Similar Documents

Publication Publication Date Title
CN114029242B (zh) 一种工件自动化生产输送、上料、检测一体化设备
CN108422072B (zh) 一种银接片自动焊接设备
CN217664774U (zh) 一种用于紧固件检修的表面缺陷排查装置
CN118060216B (zh) 一种电气自动化检测设备
CN116423374B (zh) 一种电机转子自动化生产用表面抛光装置
CN221395834U (zh) 一种轴承检测下料装置
CN220270368U (zh) 一种轴类工件加工用多工位影像检测机
CN219285050U (zh) 一种弹簧外观检测装置
CN116553139B (zh) 一种锂电池圆柱电芯用理料装置及其使用方法
CN110803483A (zh) 一种大料陶瓷片X-ray检测机结构及使用方法
CN216189246U (zh) 一种aoi上下料装置
CN223083337U (zh) 一种车轮螺栓下料接料装置
CN209526625U (zh) 自动打卡簧伺服压轴承机
CN222972575U (zh) 一种废旧轮胎的传送分选机构
CN109282761B (zh) 一种滚针粗糙度检测装置
CN223209981U (zh) 一种半导体测试分选机
CN221007658U (zh) 一种电池组循环寿命测试设备
CN117505296B (zh) 一种精密汽车轴承输送分拣机构及分拣加工线
CN222137994U (zh) 一种轴承加工传送装置
CN221934673U (zh) 一种板料检测分拣设备
CN218988076U (zh) 一种可对残留边料刮除环保纸餐盘生产用码件机
CN221268970U (zh) 一种新型转塔式分选机
CN221620114U (zh) 一种磁环分选机
CN220836752U (zh) 一种具备分选功能的自动化芯片验收装置
CN117092449B (zh) 一种高效的射频滤波器电性能检测系统及检测工艺

Legal Events

Date Code Title Description
GR01 Patent grant
GR01 Patent grant
CF01 Termination of patent right due to non-payment of annual fee

Granted publication date: 20221028

CF01 Termination of patent right due to non-payment of annual fee