CN217639236U - High intelligent remote ammeter of security - Google Patents

High intelligent remote ammeter of security Download PDF

Info

Publication number
CN217639236U
CN217639236U CN202221120216.8U CN202221120216U CN217639236U CN 217639236 U CN217639236 U CN 217639236U CN 202221120216 U CN202221120216 U CN 202221120216U CN 217639236 U CN217639236 U CN 217639236U
Authority
CN
China
Prior art keywords
ammeter
barb
dead lever
intelligent remote
movable rod
Prior art date
Legal status (The legal status is an assumption and is not a legal conclusion. Google has not performed a legal analysis and makes no representation as to the accuracy of the status listed.)
Active
Application number
CN202221120216.8U
Other languages
Chinese (zh)
Inventor
丁志扬
Current Assignee (The listed assignees may be inaccurate. Google has not performed a legal analysis and makes no representation or warranty as to the accuracy of the list.)
Suzhou Suhe Micro Technology Co ltd
Original Assignee
Suzhou Suhe Micro Technology Co ltd
Priority date (The priority date is an assumption and is not a legal conclusion. Google has not performed a legal analysis and makes no representation as to the accuracy of the date listed.)
Filing date
Publication date
Application filed by Suzhou Suhe Micro Technology Co ltd filed Critical Suzhou Suhe Micro Technology Co ltd
Priority to CN202221120216.8U priority Critical patent/CN217639236U/en
Application granted granted Critical
Publication of CN217639236U publication Critical patent/CN217639236U/en
Active legal-status Critical Current
Anticipated expiration legal-status Critical

Links

Images

Landscapes

  • Burglar Alarm Systems (AREA)

Abstract

The utility model discloses a high intelligent remote ammeter of security, including the ammeter case, one side of ammeter case is provided with the ammeter door, one side fixedly connected with fixed plate of ammeter door, fixed plate one side symmetry fixed connection fixed block, the inside symmetry of fixed block is provided with first dead lever and second dead lever, one side fixedly connected with movable rod of first dead lever, the sleeve has been cup jointed to the outside of movable rod, the one end and telescopic one side fixed connection of second dead lever, the lateral wall symmetry fixedly connected with second barb of movable rod, the first barb of telescopic inner wall symmetry fixedly connected with. The utility model discloses in, utilize fixed block, dead lever, movable rod and sleeve, utilize movable rod and sleeve to mutually support and adjust the distance between two dead levers, fix the middle part at the fixed block with the one end of dead lever again, fix ammeter door and ammeter case, it is more convenient when using.

Description

High intelligent remote ammeter of security
Technical Field
The utility model relates to an intelligent electric meter technical field especially relates to a high intelligent remote ammeter of security.
Background
The intelligent electric meter is one of basic devices for data acquisition of an intelligent power grid, undertakes the tasks of original electric energy data acquisition, metering and transmission, and is the basis for realizing information integration, analysis optimization and information display. The intelligent electric meter has the functions of metering basic electricity consumption of the traditional electric meter, and also has intelligent functions of bidirectional multi-rate metering, user side control, bidirectional data communication of various data transmission modes, electricity larceny prevention and the like in order to adapt to the use of an intelligent power grid and new energy.
The existing electric meter has certain defects when being used, is simpler when being protected by an electric meter door and an electric meter box, does not have a good protection device at present, is easily opened by irrelevant personnel, and is easily damaged by the electric meter, so that the intelligent remote electric meter with high safety is provided.
SUMMERY OF THE UTILITY MODEL
The utility model aims at solving the shortcoming that exists among the prior art, and the high intelligent remote ammeter of security that proposes.
In order to achieve the above purpose, the utility model adopts the following technical scheme: the utility model provides a high intelligent remote ammeter of security, includes the ammeter case, one side of ammeter case is provided with the ammeter door, one side fixedly connected with fixed plate of ammeter door, fixed plate one side symmetry fixed connection fixed block, the inside symmetry of fixed block is provided with first dead lever and second dead lever, one side fixedly connected with movable rod of first dead lever, the sleeve has been cup jointed to the outside of movable rod, the one end and telescopic one side fixed connection of second dead lever, the lateral wall symmetry fixedly connected with second barb of movable rod, the first barb of telescopic inner wall symmetry fixedly connected with.
As a further description of the above technical solution:
first barb and second barb are mutually supported, and just first barb all is the slope setting with the second barb.
As a further description of the above technical solution:
the inner wall of the electric meter shell is provided with an equipment plate, four corners of the equipment plate are provided with nuts, the lower end of the electric meter shell is provided with a plurality of electric wires, and one end of each electric wire penetrates through one side of the electric meter shell and extends to the inner wall.
As a further description of the above technical solution:
the lateral wall of equipment board is provided with monitoring module, intelligent treater and control panel respectively.
As a further description of the above technical solution:
one side of the electric meter shell is provided with a display screen, one side of the electric meter shell is provided with a key board, and the side wall of the key board is provided with a button.
As a further description of the above technical solution:
the alarm lamp is arranged on one side of the electric meter shell, and the label is arranged on one side of the electric meter shell.
As a further description of the above technical solution:
and a transparent plate is arranged on one side of the ammeter door.
The utility model discloses following beneficial effect has:
1. compared with the prior art, the utility model discloses a set up fixed block, dead lever, movable rod and sleeve, utilize movable rod and sleeve to mutually support and adjust the distance between two dead levers, fix the middle part at the fixed block with the one end of dead lever again, fix ammeter door and ammeter case, it is more convenient when using.
2. Compared with the prior art, the utility model discloses a set up first barb and second barb, be the tilt state with first barb and fix at telescopic inner wall, the outer wall at the movable rod is fixed to the second barb, utilizes first barb and second barb to mutually support and fixes movable rod and sleeve, makes the movable rod can only shorten and can not extend to protect the ammeter, avoid damaging.
Drawings
Fig. 1 is a front view of an intelligent remote electric meter with high security according to the present invention;
fig. 2 is a cross-sectional view of an intelligent remote electric meter with high security according to the present invention;
fig. 3 is an enlarged cross-sectional view taken at a in fig. 1 according to the present invention;
fig. 4 is an enlarged view of a point a in fig. 3 according to the present invention;
fig. 5 is the utility model provides a high intelligent remote ammeter's of security stereogram.
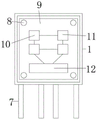
Illustration of the drawings:
1. a meter case; 2. a display screen; 3. a fixing plate; 4. a button; 5. a key sheet; 6. a label; 7. an electric wire; 8. a nut; 9. an equipment board; 10. a monitoring module; 11. an intelligent processor; 12. a control panel; 13. a transparent plate; 14. an electricity meter door; 15. a fixed block; 16. a first fixing lever; 17. a movable rod; 18. a sleeve; 19. a second fixing bar; 20. a first barb; 21. second barb, 22, warning light.
Detailed Description
The technical solutions in the embodiments of the present invention will be described clearly and completely with reference to the drawings in the embodiments of the present invention, and it is obvious that the described embodiments are only some embodiments of the present invention, not all embodiments. Based on the embodiments in the present invention, all other embodiments obtained by a person skilled in the art without creative work belong to the protection scope of the present invention.
In the description of the present invention, it should be noted that the terms "center", "upper", "lower", "left", "right", "vertical", "horizontal", "inner", "outer", etc. indicate orientations or positional relationships based on the orientations or positional relationships shown in the drawings, and are only for convenience of description and simplification of the description, but do not indicate or imply that the device or element referred to must have a specific orientation, be constructed and operated in a specific orientation, and thus, should not be construed as limiting the present invention; the terms "first," "second," and "third" are used for descriptive purposes only and are not to be construed as indicating or implying relative importance, and furthermore, unless otherwise explicitly stated or limited, the terms "mounted," "connected," and "connected" are to be construed broadly and may be, for example, fixedly connected, detachably connected, or integrally connected; can be mechanically or electrically connected; they may be connected directly or indirectly through intervening media, or they may be interconnected between two elements. The specific meaning of the above terms in the present invention can be understood as a specific case by those skilled in the art.
Referring to fig. 1-5, the present invention provides an embodiment: the utility model provides a high intelligent remote ammeter of security, including ammeter case 1, one side of ammeter case 1 is provided with ammeter door 14, one side fixedly connected with fixed plate 3 of ammeter door 14, fixed plate 3 one side symmetry fixed connection fixed block 15, all be fixed with fixed block 15 with the same one side of ammeter case 1 and ammeter door 14, utilize fixed block 15 to cooperate with first dead lever 16 and second dead lever 19 and fix ammeter door 14, the inside symmetry of fixed block 15 is provided with first dead lever 16 and second dead lever 19, one side fixedly connected with movable rod 17 of first dead lever 16, sleeve 18 has been cup jointed to the outside of movable rod 17, one end and one side fixed connection of sleeve 18 of second dead lever 19, the lateral wall symmetry fixedly connected with second barb 21 of movable rod 17, the first barb 20 of the inner wall symmetry fixedly connected with of sleeve 18, first barb 20 and second barb 21 set up towards a direction with, only can reduce the distance between first dead lever 16 and the second dead lever 19, be convenient for fixing ammeter door 14 and ammeter case 1.
First barb 20 mutually supports with second barb 21, and first barb 20 all is the slope setting with second barb 21, the inner wall of ammeter case 1 is provided with equipment board 9, the four corners of equipment board 9 all is provided with nut 8, the lower extreme of ammeter case 1 is provided with a plurality of electric wire 7, be used for connecting required electric wire 7, be used for the circular telegram, one side that ammeter case 1 was passed to electric wire 7 extends to the inner wall, the lateral wall of equipment board 9 is provided with monitoring module 10 respectively, intelligent processor 11 and control panel 12, utilize monitoring module 10 to monitor the behavior of equipment, intelligent processor 11 can calculate the electric quantity of using, one side of ammeter case 1 is provided with display screen 2, one side of ammeter case 1 is provided with keypad 5, the lateral wall of keypad 5 is provided with button 4, ammeter case 1 one side is provided with warning light 22, can protect the ammeter, send out the police dispatch newspaper when receiving the damage, one side of ammeter case 1 is provided with label 6, transparent plate 13 has been seted up to one side of ammeter door 14.
The working principle is as follows: use the utility model discloses the time, with the back mounting of ammeter case 1 in suitable position, install the lateral wall at equipment board 9 with relevant equipment earlier when using the ammeter, utilize nut 8 to fix equipment board 9 at the inner wall of ammeter case 1, intelligent processor 11 can carry out the technique to the numerical value of ammeter, can derive used electric quantity, cooperate ammeter door 14 with ammeter case 1, equal fixedly connected with fixed block 15 in one side of ammeter door 14 and ammeter case 1, all fix the inside at fixed block 15 with the one end of first dead lever 16 and second dead lever 19, sleeve 18 and movable rod 17 adjust the distance between first dead lever 16 and the second dead lever 19, utilize first barb 20 and second barb 21 to fix movable rod 17 and sleeve 18, first barb 20 and second barb 21 can only be to reducing the distance between first dead lever 16 and the second dead lever 19, can protect ammeter case 1.
Finally, it should be noted that: although the present invention has been described in detail with reference to the foregoing embodiments, those skilled in the art can still modify the technical solutions described in the foregoing embodiments or make equivalent substitutions on some technical features, and any modifications, equivalent substitutions, improvements, etc. made within the spirit and principles of the present invention should be included in the scope of the present invention.

Claims (7)

1. The utility model provides a high intelligent remote ammeter of security, includes ammeter case (1), its characterized in that: one side of ammeter case (1) is provided with ammeter door (14), one side fixedly connected with fixed plate (3) of ammeter door (14), fixed plate (3) one side symmetry fixed connection fixed block (15), the inside symmetry of fixed block (15) is provided with first dead lever (16) and second dead lever (19), one side fixedly connected with movable rod (17) of first dead lever (16), sleeve (18) have been cup jointed to the outside of movable rod (17), one end and one side fixed connection of sleeve (18) of second dead lever (19), the lateral wall symmetry fixedly connected with second barb (21) of movable rod (17), the first barb of inner wall symmetry fixedly connected with (20) of sleeve (18).
2. The intelligent remote ammeter with high safety as claimed in claim 1, wherein: first barb (20) and second barb (21) mutually support, and first barb (20) all are the slope setting with second barb (21).
3. The intelligent remote electric meter with high safety according to claim 1, characterized in that: the inner wall of the ammeter case (1) is provided with an equipment plate (9), four corners of the equipment plate (9) are provided with nuts (8), the lower end of the ammeter case (1) is provided with a plurality of wires (7), and one end of each wire (7) penetrates through one side of the ammeter case (1) and extends to the inner wall.
4. The intelligent remote electric meter with high safety according to claim 3, characterized in that: the side wall of the equipment board (9) is provided with a monitoring module (10), an intelligent processor (11) and a control board (12) respectively.
5. The intelligent remote electric meter with high safety according to claim 1, characterized in that: the novel multifunctional flashlight is characterized in that a display screen (2) is arranged on one side of the ammeter shell (1), a key board (5) is arranged on one side of the ammeter shell (1), and a button (4) is arranged on the side wall of the key board (5).
6. The intelligent remote electric meter with high safety according to claim 1, characterized in that: an alarm lamp (22) is arranged on one side of the ammeter shell (1), and a label (6) is arranged on one side of the ammeter shell (1).
7. The intelligent remote electric meter with high safety according to claim 1, characterized in that: and a transparent plate (13) is arranged on one side of the ammeter door (14).
CN202221120216.8U 2022-05-11 2022-05-11 High intelligent remote ammeter of security Active CN217639236U (en)

Priority Applications (1)

Application Number Priority Date Filing Date Title
CN202221120216.8U CN217639236U (en) 2022-05-11 2022-05-11 High intelligent remote ammeter of security

Applications Claiming Priority (1)

Application Number Priority Date Filing Date Title
CN202221120216.8U CN217639236U (en) 2022-05-11 2022-05-11 High intelligent remote ammeter of security

Publications (1)

Publication Number Publication Date
CN217639236U true CN217639236U (en) 2022-10-21

Family

ID=83653332

Family Applications (1)

Application Number Title Priority Date Filing Date
CN202221120216.8U Active CN217639236U (en) 2022-05-11 2022-05-11 High intelligent remote ammeter of security

Country Status (1)

Country Link
CN (1) CN217639236U (en)

Similar Documents

Publication Publication Date Title
CN210201225U (en) Intelligent power distribution cabinet
CN217639236U (en) High intelligent remote ammeter of security
CN112907904A (en) Intelligent alarm control system and control method
CN215573079U (en) Outdoor multifunctional monitoring device
CN214951517U (en) Distributed traffic line infrastructure stress-strain monitoring system
CN215219536U (en) Temperature and humidity monitor for machine room
CN216524393U (en) Infrared and visible light composite intelligent monitoring system suitable for limited space
CN211015171U (en) Temperature monitoring device
CN211950597U (en) Outdoor monitoring devices of coal yard of thermal power plant
CN202677147U (en) Novel intelligent building management and monitoring device
CN214587212U (en) Intelligent alarm control system
CN217740687U (en) Multifunctional battery cabinet
CN208806654U (en) A kind of power scheduling long-distance monitorng device
CN213023580U (en) Heavy-duty vehicle-mounted positioning device debugger
CN211352688U (en) Building automated control device
CN223613026U (en) A power system protection device
CN219351682U (en) Photovoltaic power plant detects information acquisition ware
CN213092511U (en) Intelligent transformer internet-of-things monitoring terminal
CN211266891U (en) Cloud intelligence wireless gateway module
CN214958104U (en) Integrated intelligent direct grounding box with man-machine interaction screen
CN217587382U (en) Can monitor video monitoring box of thunderbolt number of times
CN217720830U (en) Signal acquisition monitoring device for integrated power transmission and distribution equipment
CN206541144U (en) Fire-fighting equipment power supply monitoring system
CN213779108U (en) Raise dust on-line monitoring equipment
CN215813106U (en) Real-time monitoring device for power line loss

Legal Events

Date Code Title Description
GR01 Patent grant
GR01 Patent grant