CN217637152U - 一种用于锥度螺纹钎具内孔检测的检具 - Google Patents

一种用于锥度螺纹钎具内孔检测的检具 Download PDF

Info

Publication number
CN217637152U
CN217637152U CN202221284160.XU CN202221284160U CN217637152U CN 217637152 U CN217637152 U CN 217637152U CN 202221284160 U CN202221284160 U CN 202221284160U CN 217637152 U CN217637152 U CN 217637152U
Authority
CN
China
Prior art keywords
screw thread
drilling tool
taper
thread
gauge
Prior art date
Legal status (The legal status is an assumption and is not a legal conclusion. Google has not performed a legal analysis and makes no representation as to the accuracy of the status listed.)
Active
Application number
CN202221284160.XU
Other languages
English (en)
Inventor
吴高潮
刘朋
白燕燕
崔盼超
王楠翔
马龙
Current Assignee (The listed assignees may be inaccurate. Google has not performed a legal analysis and makes no representation or warranty as to the accuracy of the list.)
Luoyang Golden Egret Geotools Co ltd
Original Assignee
Luoyang Golden Egret Geotools Co ltd
Priority date (The priority date is an assumption and is not a legal conclusion. Google has not performed a legal analysis and makes no representation as to the accuracy of the date listed.)
Filing date
Publication date
Application filed by Luoyang Golden Egret Geotools Co ltd filed Critical Luoyang Golden Egret Geotools Co ltd
Priority to CN202221284160.XU priority Critical patent/CN217637152U/zh
Application granted granted Critical
Publication of CN217637152U publication Critical patent/CN217637152U/zh
Active legal-status Critical Current
Anticipated expiration legal-status Critical

Links

Images

Landscapes

  • Length-Measuring Instruments Using Mechanical Means (AREA)

Abstract

本实用新型涉及一种用于锥度螺纹钎具内孔检测的检具,通过在检具尾部加工通止台阶,使其同时具有螺纹检测通规和止规的作用,只需一遍旋入即可判断待检测螺纹是否合格,且便于直观看出螺纹尺寸偏大还是偏小,能够提高检测精度和检测效率。

Description

一种用于锥度螺纹钎具内孔检测的检具
技术领域
本实用新型涉及螺纹钎具内孔检测装置,具体涉及一种用于锥度螺纹钎具内孔检测的检具。
背景技术
目前市场上螺纹连接钎具分为直螺纹和带锥度的螺纹,螺纹钎具内孔检测普遍使用通止规来实现;检测需要两个塞规配合使用,通规旋合到孔底,完全旋入,止规旋不进去代表合格;生产时必须两个塞规配合使用,检测效率低;另外,对于锥度塞规,通规旋入配合后很难判定其松紧度,螺纹尺寸较难控制。
实用新型内容
针对现有技术的缺陷,本实用新型的目的是提供一种用于锥度螺纹钎具内孔检测的检具,通过在检具尾部加工台阶,使其同时具有螺纹检测通规和止规的作用,只需一遍旋入检测即可判定螺纹是否合格,比传统两个塞规配合使用提高了一倍的效率,且可以直观的看出螺纹尺寸是偏大还是偏小,检测精度更高。
为了达到上述目的,本实用新型所采用的技术方案是:
一种用于锥度螺纹钎具内孔检测的检具,包括检具基体,所述检具基体上加工有经过检测且与钎具内孔配合的锥度外螺纹,检具基体的大径端设轴肩连接把手,在检具基体大径端的锥度外螺纹尾部加工缺口,该缺口使得螺纹外径和轴肩之间形成两个台阶,分别为通规台阶和止规台阶,用于在检测时判定钎具内螺纹孔是否合格。
检测时通过观察通规台阶和止规台阶与钎具内孔端面的相对位置判定待检测内螺纹孔是否合格。
所述通规台阶处对应的锥度外螺纹直径是可允许生产的最小直径,所述止规台阶处对应的锥度外螺纹直径是可允许生产的最大直径。
所述检具基体具有1°-10°的锥度。
所述缺口为长方形。
有益效果:本实用新型所采用的锥度螺纹检具结构结合了通止规检测的要求,并且检测精度更高,更容易直观判断螺纹尺寸是否合格,能提高50%检测效率。
附图说明
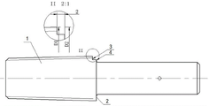
图1 本实用新型的结构示意图;
图2 为图1的俯视图;
图3 本实用新型进行内孔检测的示意图。
附图标记:1检具基体,2轴肩,3通规台阶,4止规台阶,5缺口,6钎具内孔端面。
具体实施方式
下面结合附图和具体实施例对本实用新型做进一步详细的说明。
如图1-3所示,一种用于锥度螺纹钎具内孔检测的检具,包括检具基体1,所述检具基体1上加工有经过检测且与钎具内孔配合的锥度外螺纹,换句话说,所述检具基体1是与钎具内螺纹孔配合的锥度外螺纹塞规,检具基体1的锥度与钎具内螺纹孔的锥度要求一致,锥度在1°-10°之间。
检具基体1的大径端设轴肩2连接把手,在检具基体1大径端的锥度外螺纹尾部加工缺口5,该缺口5使得螺纹外径和轴肩2之间形成两个台阶,分别为通规台阶3和止规台阶4,用于在检测时判定钎具内螺纹孔是否合格。
如图2所示,所述缺口5为长方形,通过在锥度外螺纹尾部去除材料形成所述缺口5,加工所述缺口5后,如图1所示,螺纹外径和轴肩2之间即形成两个台阶,分别为通规台阶3和止规台阶4,其中通规台阶3靠近小径端,止规台阶4靠近大径端;将锥度螺纹的直径尺寸转化为台阶端面对应的深度进行体现,如图1中的局部放大图所示,通规台阶3所在端面对应的锥度外螺纹直径D1是可允许生产的最小直径,所述止规台阶4所在端面对应的锥度外螺纹直径D2是可允许生产的最大直径。
本实用新型的通规台阶3和止规台阶4的位置是经计算而设定的,与钎具内孔的锥度内螺纹尺寸要求保持一致,在计算时还要考虑产品热处理变形要求。
检测时,需将该检具旋入钎具内孔最底部,然后,通过观察通规台阶3和止规台阶4与钎具内孔端面6的相对位置判定待检测内螺纹孔是否合格,若通规台阶3深于钎具内孔端面6,止规台阶4高于钎具内孔端面6,即钎具内孔端面6位于通规台阶3和止规台阶4之间,判定为合格。
如图3所示为检具使用状态图,检具旋入钎具内孔,通规台阶3深于钎具内孔端面6,止规台阶4高于钎具内孔端面6,即钎具内孔端面6位于通规台阶3和止规台阶4之间,该内孔检测合格。
本实用新型所采用的锥度螺纹检具结构结合了通止规检测的要求,同时具有螺纹检测通规和止规的作用,只需一遍旋入检测即可判定螺纹是否合格,且可以直观的判断螺纹尺寸是偏大还是偏小,有效提高了检测精度和检测效率,,可提高50%检测效率。
以上所述,仅是本实用新型的较佳实施例而已,并非对本实用新型作任何形式上的限制,虽然本实用新型已以较佳实施例揭露如上,然而并非用以限定本实用新型,任何熟悉本专业的技术人员,在不脱离本实用新型技术方案范围内,当可利用上述揭示的技术内容做出些许更动或修饰为等同变化的等效实施例,但凡是未脱离本实用新型技术方案内容,依据本实用新型的技术实质对以上实施例所作的任何简单修改、等同变化与修饰,均仍属于本实用新型技术方案的范围内。

Claims (4)

1.一种用于锥度螺纹钎具内孔检测的检具,包括检具基体,所述检具基体上加工有经过检测且与钎具内孔配合的锥度外螺纹,检具基体的大径端设轴肩连接把手,其特征在于,在检具基体大径端的锥度外螺纹尾部加工缺口,该缺口使得螺纹外径和轴肩之间形成两个台阶,分别为通规台阶和止规台阶,用于在检测时判定钎具内螺纹孔是否合格。
2.根据权利要求1所述的一种用于锥度螺纹钎具内孔检测的检具,其特征在于,所述通规台阶处对应的锥度外螺纹直径是可允许生产的最小直径,所述止规台阶处对应的锥度外螺纹直径是可允许生产的最大直径。
3.根据权利要求1所述的一种用于锥度螺纹钎具内孔检测的检具,其特征在于,所述检具基体具有1°-10°的锥度。
4.根据权利要求1所述的一种用于锥度螺纹钎具内孔检测的检具,其特征在于:所述缺口为长方形。
CN202221284160.XU 2022-05-26 2022-05-26 一种用于锥度螺纹钎具内孔检测的检具 Active CN217637152U (zh)

Priority Applications (1)

Application Number Priority Date Filing Date Title
CN202221284160.XU CN217637152U (zh) 2022-05-26 2022-05-26 一种用于锥度螺纹钎具内孔检测的检具

Applications Claiming Priority (1)

Application Number Priority Date Filing Date Title
CN202221284160.XU CN217637152U (zh) 2022-05-26 2022-05-26 一种用于锥度螺纹钎具内孔检测的检具

Publications (1)

Publication Number Publication Date
CN217637152U true CN217637152U (zh) 2022-10-21

Family

ID=83656309

Family Applications (1)

Application Number Title Priority Date Filing Date
CN202221284160.XU Active CN217637152U (zh) 2022-05-26 2022-05-26 一种用于锥度螺纹钎具内孔检测的检具

Country Status (1)

Country Link
CN (1) CN217637152U (zh)

Similar Documents

Publication Publication Date Title
CN108225147A (zh) 一种转向节综合检具
CN102889843A (zh) 一种带刻度深度规
CN105651149A (zh) 一种快速检测复合螺纹量规
CN217637152U (zh) 一种用于锥度螺纹钎具内孔检测的检具
WO2011072473A1 (zh) 具有力反馈的油管接箍内螺纹切削机床在线检测装置
CN203274642U (zh) 一种测量小孔内环槽直径的塞规组件
CN213714269U (zh) 一种用于非平底深孔的深度辅助测量工具
CN202734708U (zh) 螺纹孔快速检测工具
CN111692953A (zh) 一种带深度通止规的螺纹孔测量工具
CN211373473U (zh) 一种用于楔块测量的塞规
CN202885737U (zh) 一种带刻度深度规
CN216977739U (zh) 花键叉销子孔距离的专用检具
CN202885738U (zh) 一种简易深度触摸规
CN202229744U (zh) 一种发动机缸体或缸盖螺纹孔位置度检测用检测销
CN102927888A (zh) 一种简易深度触摸规
CN211903985U (zh) 一种分体式检测销
CN209802260U (zh) 轴颈油孔圆弧倒角深度检测检具
CN205618151U (zh) 井下压力检测装置
CN212931286U (zh) 孔深误差测量检具
CN220083906U (zh) 一种螺纹孔倒角检具
CN210321624U (zh) 一种内孔直径的测量装置
CN111102910B (zh) 一种螺纹同轴度测具及测量方法
CN221725128U (zh) 一种同轴度检具
CN212006964U (zh) 一种花健大径塞规检具
CN112629387B (zh) 一种螺套内外螺纹同轴度合格判断装置

Legal Events

Date Code Title Description
GR01 Patent grant
GR01 Patent grant