CN217239515U - 一种燃料电池 - Google Patents
一种燃料电池 Download PDFInfo
- Publication number
- CN217239515U CN217239515U CN202220366461.0U CN202220366461U CN217239515U CN 217239515 U CN217239515 U CN 217239515U CN 202220366461 U CN202220366461 U CN 202220366461U CN 217239515 U CN217239515 U CN 217239515U
- Authority
- CN
- China
- Prior art keywords
- fixedly connected
- fuel cell
- cooling chamber
- conducting plate
- water cooling
- Prior art date
- Legal status (The legal status is an assumption and is not a legal conclusion. Google has not performed a legal analysis and makes no representation as to the accuracy of the status listed.)
- Expired - Fee Related
Links
- 239000000446 fuel Substances 0.000 title claims abstract description 23
- 238000001816 cooling Methods 0.000 claims abstract description 44
- 239000002184 metal Substances 0.000 claims abstract description 23
- XLYOFNOQVPJJNP-UHFFFAOYSA-N water Substances O XLYOFNOQVPJJNP-UHFFFAOYSA-N 0.000 claims abstract description 16
- 241000883990 Flabellum Species 0.000 claims abstract 2
- 230000017525 heat dissipation Effects 0.000 claims description 19
- 238000005192 partition Methods 0.000 claims description 10
- 239000000110 cooling liquid Substances 0.000 claims description 6
- 239000007788 liquid Substances 0.000 claims description 6
- 239000000428 dust Substances 0.000 claims 1
- 230000000694 effects Effects 0.000 abstract description 6
- 230000009977 dual effect Effects 0.000 abstract description 3
- 238000000034 method Methods 0.000 description 5
- 238000010586 diagram Methods 0.000 description 2
- 230000009286 beneficial effect Effects 0.000 description 1
- 238000006243 chemical reaction Methods 0.000 description 1
- 230000007547 defect Effects 0.000 description 1
- 238000005516 engineering process Methods 0.000 description 1
- 238000004880 explosion Methods 0.000 description 1
- 230000004048 modification Effects 0.000 description 1
- 238000012986 modification Methods 0.000 description 1
- 238000010248 power generation Methods 0.000 description 1
- 239000000126 substance Substances 0.000 description 1
Images
Classifications
-
- Y—GENERAL TAGGING OF NEW TECHNOLOGICAL DEVELOPMENTS; GENERAL TAGGING OF CROSS-SECTIONAL TECHNOLOGIES SPANNING OVER SEVERAL SECTIONS OF THE IPC; TECHNICAL SUBJECTS COVERED BY FORMER USPC CROSS-REFERENCE ART COLLECTIONS [XRACs] AND DIGESTS
- Y02—TECHNOLOGIES OR APPLICATIONS FOR MITIGATION OR ADAPTATION AGAINST CLIMATE CHANGE
- Y02E—REDUCTION OF GREENHOUSE GAS [GHG] EMISSIONS, RELATED TO ENERGY GENERATION, TRANSMISSION OR DISTRIBUTION
- Y02E60/00—Enabling technologies; Technologies with a potential or indirect contribution to GHG emissions mitigation
- Y02E60/30—Hydrogen technology
- Y02E60/50—Fuel cells
Landscapes
- Fuel Cell (AREA)
Abstract
本实用新型公开了一种燃料电池,包括壳体,所述壳体的上表面设置有壳盖,所述壳体的两侧内壁分别开设有散热孔,所述壳体的内部分别固定连接有隔板和金属导热板,所述隔板的上表面设置有水冷机构,所述金属导热板的上表面设置有电池主体,所述壳体的内部设置有驱动电机,所述驱动电机的上表面固定连接有主动齿轮,所述主动齿轮的左右两侧分别啮合有从动齿轮,所述从动齿轮的内部均固定连接有分别穿过隔板和金属导热板的转轴,所述转轴的顶部固定连接有扇叶。该燃料电池,结构新颖,构思巧妙,能够通过风冷和水冷的双重散热方式,达到对燃料电池的良好散热效果,同时也能加快对燃料电池的降温速率,进而保障燃料电池的正常工作,延长其使用寿命。
Description
技术领域
本实用新型涉及燃料电池技术领域,具体为一种燃料电池。
背景技术
燃料电池是一种电化学装置,又称电化学发电器,是继水力发电、热能发电和原子能发电之后的第四种发电技术,能够直接将化学能转化为电能,不受卡诺循环限制,因而能量转化效率高,且无污染,正在成为理想的能源利用方式。
目前,燃料电池在使用过程中会产生高温,如果不对高温进行一定的处理,就会影响电池的正常工作,缩短其使用寿命,严重时甚至会有发生爆炸的风险。
实用新型内容
针对上述情况,为克服现有技术的缺陷,本实用新型提供一种燃料电池,该燃料电池,结构新颖,构思巧妙,能够通过风冷和水冷的双重散热方式,达到对燃料电池的良好散热效果,同时也能加快对燃料电池的降温速率,进而保障燃料电池的正常工作,延长其使用寿命。
为实现上述目的,本实用新型提供如下技术方案:一种燃料电池,包括壳体,所述壳体的上表面设置有壳盖,所述壳体的两侧内壁分别开设有散热孔,所述壳体的内部分别固定连接有隔板和金属导热板,所述隔板的上表面设置有水冷机构,所述金属导热板的上表面设置有电池主体,所述壳体的内部设置有驱动电机,所述驱动电机的上表面固定连接有主动齿轮,所述主动齿轮的左右两侧分别啮合有从动齿轮,所述从动齿轮的内部均固定连接有分别穿过隔板和金属导热板的转轴,所述转轴的顶部固定连接有扇叶。
优选的,所述散热孔的内部设置有防尘网。
优选的,所述转轴均与壳体的底部内壁转动连接。
优选的,所述水冷机构包括固定连接在隔板上表面的水冷室,所述水冷室的内部设置有凸轮,所述凸轮的底部固定连接有穿过隔板且与主动齿轮固定连接的连接轴,所述凸轮的左右两侧分别设置有与水冷室内壁滑动连接的活塞板,所述活塞板的相背侧分别设置有与水冷室内壁固定连接的弹簧件,所述水冷室的上表面分别开设有出液孔,所述水冷室的上表面分别设置有与金属导热板固定连接的收集板。
优选的,所述水冷室的内部设置有冷却液。
本实用新型的有益效果为:
1、当电池主体需要降温时,可启动驱动电机,通过驱动电机带动主动齿轮转动,主动齿轮转动时与两侧从动齿轮啮合并带动从动齿轮转动,从动齿轮带动转轴转动,转轴带动扇叶转动,通过扇叶的转动,能够加快壳体内部的空气流动,进而在散热孔的配合作用下,实现对电池主体的风冷散热,同时主动齿轮转动时还会带动连接轴同步转动,连接轴带动凸轮转动,凸轮转动时通过与弹簧件的配合作用带动两侧活塞板左右往复运动,进而在压强作用下,使水冷室内部的冷却液能够通过出液孔喷洒在金属导热板的下表面,由于电池主体会将部分热量传导给金属导热板,因此冷却液通过吸收金属导热板的热量,能够达到与电池主体进行热量交换的效果,实现对电池主体的水冷散热,通过风冷和水冷的双重散热方式,可以达到对电池主体的良好散热效果,同时也加快了对电池主体的降温速率,进而保障了电池主体的正常工作,能够延长燃料电池的使用寿命。
附图说明
附图用来提供对本实用新型的进一步理解,并且构成说明书的一部分,与本实用新型的实施例一起用于解释本实用新型,并不构成对本实用新型的限制。在附图中:
图1是本实用新型整体结构示意图;
图2是本实用新型水冷室结构组件示意图。
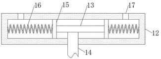
图中标号:1、壳体;2、壳盖;3、散热孔;4、隔板;5、金属导热板;6、电池主体;7、驱动电机;8、主动齿轮;9、从动齿轮;10、转轴;11、扇叶;12、水冷室;13、凸轮;14、连接轴;15、活塞板;16、弹簧件;17、出液孔;18、收集板。
具体实施方式
下面将结合附图对本实用新型的技术方案进行清楚、完整地描述。在本实用新型的描述中,需要说明的是,术语“中心”、“上”、“下”、“左”、“右”、“竖直”、“水平”、“内”、“外”等指示的方位或位置关系为基于附图所示的方位或位置关系,仅是为了便于描述本实用新型和简化描述,而不是指示或暗示所指的装置或元件必须具有特定的方位、以特定的方位构造和操作,因此不能理解为对本实用新型的限制。此外,术语“第一”、“第二”、“第三”仅用于描述目的,而不能理解为指示或暗示相正对地重要性。
实施例一
如图1-2所示的一种燃料电池,包括壳体1,壳体1的上表面设置有壳盖2,壳体1的两侧内壁分别开设有散热孔3,壳体1的内部分别固定连接有隔板4和金属导热板5,隔板4的上表面设置有水冷机构,水冷机构包括固定连接在隔板4上表面的水冷室12,水冷室12的内部设置有冷却液,水冷室12的内部设置有凸轮13,凸轮13的底部固定连接有穿过隔板4且与主动齿轮8固定连接的连接轴14,凸轮13的左右两侧分别设置有与水冷室12内壁滑动连接的活塞板15,活塞板15的相背侧分别设置有与水冷室12内壁固定连接的弹簧件16,水冷室12的上表面分别开设有出液孔17,水冷室12的上表面分别设置有与金属导热板5固定连接的收集板18,金属导热板5的上表面设置有电池主体6,壳体1的内部设置有驱动电机7,驱动电机7的上表面固定连接有主动齿轮8,主动齿轮8的左右两侧分别啮合有从动齿轮9,从动齿轮9的内部均固定连接有分别穿过隔板4和金属导热板5的转轴10,转轴10均与壳体1的底部内壁转动连接,转轴10的顶部固定连接有扇叶11。
当电池主体6需要降温时,可启动驱动电机7,通过驱动电机7带动主动齿轮8转动,主动齿轮8转动时与两侧从动齿轮9啮合并带动从动齿轮9转动,从动齿轮9带动转轴10转动,转轴10带动扇叶11转动,通过扇叶11的转动,能够加快壳体1内部的空气流动,进而在散热孔3的配合作用下,实现对电池主体6的风冷散热,同时主动齿轮8转动时还会带动连接轴14同步转动,连接轴14带动凸轮13转动,凸轮13转动时通过与弹簧件16的配合作用带动两侧活塞板15左右往复运动,进而在压强作用下,使水冷室12内部的冷却液能够通过出液孔17喷洒在金属导热板5的下表面,由于电池主体6会将部分热量传导给金属导热板5,因此冷却液通过吸收金属导热板5的热量,能够达到与电池主体6进行热量交换的效果,实现对电池主体6的水冷散热,通过风冷和水冷的双重散热方式,可以达到对电池主体6的良好散热效果,同时也加快了对电池主体6的降温速率,进而保障了电池主体6的正常工作,能够延长燃料电池的使用寿命。
实施例二
参照图1,作为另一优选实施例,与实施例一的区别在于,散热孔3的内部设置有防尘网,通过设置防尘网,能够防止灰尘等杂质进入壳体1的内部。
最后应说明的是:以上仅为本实用新型的优选实施例而已,并不用于限制本实用新型,尽管参照前述实施例对本实用新型进行了详细的说明,对于本领域的技术人员来说,其依然可以对前述各实施例所记载的技术方案进行修改,或者对其中部分技术特征进行等同替换。凡在本实用新型的精神和原则之内,所作的任何修改、等同替换、改进等,均应包含在本实用新型的保护范围之内。
Claims (5)
1.一种燃料电池,包括壳体(1),其特征在于:所述壳体(1)的上表面设置有壳盖(2),所述壳体(1)的两侧内壁分别开设有散热孔(3),所述壳体(1)的内部分别固定连接有隔板(4)和金属导热板(5),所述隔板(4)的上表面设置有水冷机构,所述金属导热板(5)的上表面设置有电池主体(6),所述壳体(1)的内部设置有驱动电机(7),所述驱动电机(7)的上表面固定连接有主动齿轮(8),所述主动齿轮(8)的左右两侧分别啮合有从动齿轮(9),所述从动齿轮(9)的内部均固定连接有分别穿过隔板(4)和金属导热板(5)的转轴(10),所述转轴(10)的顶部固定连接有扇叶(11)。
2.根据权利要求1所述的一种燃料电池,其特征在于:所述散热孔(3)的内部设置有防尘网。
3.根据权利要求1所述的一种燃料电池,其特征在于:所述转轴(10)均与壳体(1)的底部内壁转动连接。
4.根据权利要求1所述的一种燃料电池,其特征在于:所述水冷机构包括固定连接在隔板(4)上表面的水冷室(12),所述水冷室(12)的内部设置有凸轮(13),所述凸轮(13)的底部固定连接有穿过隔板(4)且与主动齿轮(8)固定连接的连接轴(14),所述凸轮(13)的左右两侧分别设置有与水冷室(12)内壁滑动连接的活塞板(15),所述活塞板(15)的相背侧分别设置有与水冷室(12)内壁固定连接的弹簧件(16),所述水冷室(12)的上表面分别开设有出液孔(17),所述水冷室(12)的上表面分别设置有与金属导热板(5)固定连接的收集板(18)。
5.根据权利要求4所述的一种燃料电池,其特征在于:所述水冷室(12)的内部设置有冷却液。
Priority Applications (1)
| Application Number | Priority Date | Filing Date | Title |
|---|---|---|---|
| CN202220366461.0U CN217239515U (zh) | 2022-02-23 | 2022-02-23 | 一种燃料电池 |
Applications Claiming Priority (1)
| Application Number | Priority Date | Filing Date | Title |
|---|---|---|---|
| CN202220366461.0U CN217239515U (zh) | 2022-02-23 | 2022-02-23 | 一种燃料电池 |
Publications (1)
| Publication Number | Publication Date |
|---|---|
| CN217239515U true CN217239515U (zh) | 2022-08-19 |
Family
ID=82835218
Family Applications (1)
| Application Number | Title | Priority Date | Filing Date |
|---|---|---|---|
| CN202220366461.0U Expired - Fee Related CN217239515U (zh) | 2022-02-23 | 2022-02-23 | 一种燃料电池 |
Country Status (1)
| Country | Link |
|---|---|
| CN (1) | CN217239515U (zh) |
Cited By (1)
| Publication number | Priority date | Publication date | Assignee | Title |
|---|---|---|---|---|
| CN115084719A (zh) * | 2022-08-24 | 2022-09-20 | 杭州非德新能源科技有限公司 | 一种锂电池高温防护结构及锂电池 |
-
2022
- 2022-02-23 CN CN202220366461.0U patent/CN217239515U/zh not_active Expired - Fee Related
Cited By (2)
| Publication number | Priority date | Publication date | Assignee | Title |
|---|---|---|---|---|
| CN115084719A (zh) * | 2022-08-24 | 2022-09-20 | 杭州非德新能源科技有限公司 | 一种锂电池高温防护结构及锂电池 |
| CN115084719B (zh) * | 2022-08-24 | 2022-11-08 | 杭州非德新能源科技有限公司 | 一种锂电池高温防护结构及锂电池 |
Similar Documents
| Publication | Publication Date | Title |
|---|---|---|
| CN112490528B (zh) | 电池组设备 | |
| CN213845409U (zh) | 一种锂电池散热装置 | |
| CN217239515U (zh) | 一种燃料电池 | |
| CN216565059U (zh) | 一种通风散热储能太阳能光伏板 | |
| CN214842737U (zh) | 一种风力发电风机散热片的清理装置 | |
| CN211182269U (zh) | 一种循环散热式锂电池模组 | |
| CN211959070U (zh) | 一种散热效果好的逆变器 | |
| CN210799126U (zh) | 发动机散热器 | |
| CN209843895U (zh) | 一种锂离子电池的电芯散热机构 | |
| CN119208662A (zh) | 一种氢燃料电池智能储氢装置 | |
| CN213936348U (zh) | 一种散热性能好的锂电池壳体 | |
| CN212136617U (zh) | 一种可高功率输出散热的锂电池 | |
| CN212366090U (zh) | 一种具有高效散热的工业配套锂电池组 | |
| CN111430839A (zh) | 一种能够快速散热降温的锂电池盒 | |
| CN212182499U (zh) | 一种锂离子动力电池的散热装置 | |
| CN220507436U (zh) | 一种锂离子电池负极材料的低温冷却装置 | |
| CN211404682U (zh) | 一种箱体式的锂电池散热装置 | |
| CN220122704U (zh) | 一种节能型电机 | |
| CN118645735B (zh) | 一种工业储能电池组散热装置 | |
| CN221551984U (zh) | 一种电动车电池散热装置 | |
| CN222776438U (zh) | 一种源网荷储一体化光伏发电储能装置 | |
| CN211605355U (zh) | 一种用于新能源电池的水冷装置 | |
| CN216146630U (zh) | 一种便于散热的5g通讯检测设备 | |
| CN221762089U (zh) | 一种具有散热机构的风力发电装置 | |
| CN222365623U (zh) | 一种电源堆液冷结构 |
Legal Events
| Date | Code | Title | Description |
|---|---|---|---|
| GR01 | Patent grant | ||
| GR01 | Patent grant | ||
| CF01 | Termination of patent right due to non-payment of annual fee | ||
| CF01 | Termination of patent right due to non-payment of annual fee |
Granted publication date: 20220819 |