CN217196219U - Grooving machine for building drainage construction - Google Patents
Grooving machine for building drainage construction Download PDFInfo
- Publication number
- CN217196219U CN217196219U CN202220179324.6U CN202220179324U CN217196219U CN 217196219 U CN217196219 U CN 217196219U CN 202220179324 U CN202220179324 U CN 202220179324U CN 217196219 U CN217196219 U CN 217196219U
- Authority
- CN
- China
- Prior art keywords
- support table
- sprocket
- fixedly installed
- slider
- building drainage
- Prior art date
- Legal status (The legal status is an assumption and is not a legal conclusion. Google has not performed a legal analysis and makes no representation as to the accuracy of the status listed.)
- Expired - Fee Related
Links
- 238000010276 construction Methods 0.000 title claims abstract description 30
- 238000005096 rolling process Methods 0.000 claims abstract description 12
- 239000000428 dust Substances 0.000 claims description 17
- 239000011248 coating agent Substances 0.000 claims description 3
- 238000000576 coating method Methods 0.000 claims description 3
- 230000017525 heat dissipation Effects 0.000 claims description 3
- JEIPFZHSYJVQDO-UHFFFAOYSA-N iron(III) oxide Inorganic materials O=[Fe]O[Fe]=O JEIPFZHSYJVQDO-UHFFFAOYSA-N 0.000 claims description 3
- XLYOFNOQVPJJNP-UHFFFAOYSA-N water Substances O XLYOFNOQVPJJNP-UHFFFAOYSA-N 0.000 abstract description 2
- 238000000034 method Methods 0.000 description 8
- 238000010586 diagram Methods 0.000 description 4
- 230000009286 beneficial effect Effects 0.000 description 2
- 238000009434 installation Methods 0.000 description 2
- 238000012986 modification Methods 0.000 description 2
- 230000004048 modification Effects 0.000 description 2
- 230000003749 cleanliness Effects 0.000 description 1
- 238000001816 cooling Methods 0.000 description 1
- 239000012535 impurity Substances 0.000 description 1
- 238000010297 mechanical methods and process Methods 0.000 description 1
Images
Classifications
-
- Y—GENERAL TAGGING OF NEW TECHNOLOGICAL DEVELOPMENTS; GENERAL TAGGING OF CROSS-SECTIONAL TECHNOLOGIES SPANNING OVER SEVERAL SECTIONS OF THE IPC; TECHNICAL SUBJECTS COVERED BY FORMER USPC CROSS-REFERENCE ART COLLECTIONS [XRACs] AND DIGESTS
- Y02—TECHNOLOGIES OR APPLICATIONS FOR MITIGATION OR ADAPTATION AGAINST CLIMATE CHANGE
- Y02A—TECHNOLOGIES FOR ADAPTATION TO CLIMATE CHANGE
- Y02A30/00—Adapting or protecting infrastructure or their operation
- Y02A30/60—Planning or developing urban green infrastructure
Landscapes
- Processing Of Stones Or Stones Resemblance Materials (AREA)
Abstract
本实用新型涉及水利施工的技术领域,特别是涉及一种建筑排水施工用开槽机,其可以调节开槽的深度,降低了局限性,提高了便利性,实用性高;包括支撑台、滚动装置、电机、驱动轴、驱动链轮、丝杆、第一滑块、第一转轴、第一链轮、第二滑块、多组螺纹孔、螺栓、连接板、第二转轴、圆盘、槽刀、第二链轮和链条,滚动装置固定安装在支撑台的下端,电机固定安装在支撑台的上端,驱动轴的后端与电机的输出端连接,驱动链轮固定安装在驱动轴的前端,支撑台的前端设置有滑道,丝杆的右端转动安装在滑道的右端,丝杆的左端位于支撑台的左侧,丝杆与滚动装置转动安装,第一滑块滑动安装在支撑台的滑道内,并且第一滑块为左右滑动。
The utility model relates to the technical field of water conservancy construction, in particular to a slotting machine for building drainage construction, which can adjust the depth of slotting, reduces limitations, improves convenience, and has high practicability; Device, motor, drive shaft, drive sprocket, screw rod, first slider, first shaft, first sprocket, second slider, multiple sets of threaded holes, bolts, connecting plate, second shaft, disc, The groove cutter, the second sprocket and the chain, the rolling device is fixedly installed at the lower end of the support table, the motor is fixedly installed at the upper end of the support table, the rear end of the drive shaft is connected with the output end of the motor, and the drive sprocket is fixedly installed at the end of the drive shaft. The front end, the front end of the support table is provided with a slideway, the right end of the screw rod is rotatably installed on the right end of the slideway, the left end of the screw rod is located on the left side of the support table, the screw rod and the rolling device are rotated and installed, and the first slider is slidably installed on the support Inside the slideway of the stage, and the first slider slides left and right.
Description
技术领域technical field
本实用新型涉及水利施工的技术领域,特别是涉及一种建筑排水施工用开槽机。The utility model relates to the technical field of water conservancy construction, in particular to a slotting machine for building drainage construction.
背景技术Background technique
在排水施工的过程中经常需要对地面进行开槽,而现有的开槽机无法调节开槽的深度,导致其局限性高,使用不方便,实用性差。In the process of drainage construction, the ground is often required to be grooved, and the existing groover cannot adjust the depth of the groove, resulting in high limitations, inconvenient use and poor practicability.
实用新型内容Utility model content
为解决上述技术问题,本实用新型提供一种可以调节开槽的深度,降低了局限性,提高了便利性,实用性高的一种建筑排水施工用开槽机。In order to solve the above technical problems, the utility model provides a slotting machine for building drainage construction, which can adjust the depth of slotting, reduces limitations, improves convenience, and has high practicability.
本实用新型的一种建筑排水施工用开槽机,包括支撑台、滚动装置、电机、驱动轴、驱动链轮、张紧结构、第二滑块、多组螺纹孔、螺栓、连接板、第二转轴、圆盘、槽刀、第二链轮和链条,滚动装置固定安装在支撑台的下端,电机固定安装在支撑台的上端,驱动轴的后端与电机的输出端连接,驱动链轮固定安装在驱动轴的前端,支撑台的前端设置有滑道,支撑台的前端设置有滑槽,第二滑块滑动安装在支撑台的滑槽内,第二滑块在支撑台的滑槽内为上下滑动,支撑台的前后两部均设置有多组螺纹孔,并且多组螺纹孔与支撑台的滑槽相通,四组螺栓螺装在螺纹孔上,四组螺栓的另一端位于支撑台的滑槽内,四组螺栓将第二滑块的前后两端顶紧,两组连接板的左端分别固定安装在第二滑块右端的前后两部,第二转轴转动安装在两组连接板上,圆盘固定安装在第二转轴的中部,多组槽刀均固定安装在圆盘上,第二链轮固定安装在第二转轴的前端,链条包覆在驱动链轮和第二链轮上,张紧结构对链条进行张紧。The utility model is a slotting machine for building drainage construction, comprising a support table, a rolling device, a motor, a driving shaft, a driving sprocket, a tensioning structure, a second sliding block, multiple groups of threaded holes, bolts, a connecting plate, a first Two rotating shafts, discs, groove cutters, second sprockets and chains, the rolling device is fixed on the lower end of the support table, the motor is fixed on the upper end of the support table, the rear end of the drive shaft is connected with the output end of the motor, and the drive sprocket It is fixedly installed at the front end of the drive shaft, the front end of the support table is provided with a slideway, the front end of the support table is provided with a slide groove, the second slider is slidably installed in the slide groove of the support table, and the second slide block is in the slide groove of the support table. The inside is sliding up and down. The front and rear parts of the support table are provided with multiple groups of threaded holes, and the multiple groups of threaded holes are connected with the chute of the support table. In the chute of the table, four sets of bolts are used to tighten the front and rear ends of the second slide block, the left ends of the two sets of connecting plates are respectively fixed on the front and rear parts of the right end of the second slide block, and the second shaft is rotatably installed on the two sets of connections. On the board, the disc is fixedly installed in the middle of the second rotating shaft, multiple groups of groove knives are fixedly installed on the disc, the second sprocket is fixedly installed at the front end of the second rotating shaft, and the chain is wrapped around the driving sprocket and the second chain. On the wheel, the tensioning structure tensions the chain.
本实用新型的一种建筑排水施工用开槽机,所述张紧结构包括丝杆、第一滑块、第一转轴、第一链轮、转盘和第一把手,丝杆的右端转动安装在滑道的右端,丝杆的左端位于支撑台的左侧,丝杆与滚动装置转动安装,第一滑块滑动安装在支撑台的滑道内,并且第一滑块为左右滑动,第一滑块与丝杆螺装,第一转轴的后端转动安装在第一滑块上,第一链轮固定安装在第一转轴的前端,第一链轮与链条贴紧并啮合,转盘固定安装在丝杆的左端,第一把手固定安装在转盘的左端。The utility model relates to a slotting machine for building drainage construction. The tensioning structure comprises a screw rod, a first sliding block, a first rotating shaft, a first sprocket, a turntable and a first handle. The right end of the track, the left end of the screw rod is located on the left side of the support table, the screw rod and the rolling device are rotated and installed, the first slider is slidably installed in the slideway of the support table, and the first slider slides left and right. The screw is screwed, the rear end of the first rotating shaft is rotatably installed on the first slider, the first sprocket is fixedly installed on the front end of the first rotating shaft, the first sprocket is close to and meshed with the chain, and the turntable is fixedly installed on the lead screw The left end of the first handle is fixedly installed on the left end of the turntable.
本实用新型的一种建筑排水施工用开槽机,还包括照明装置,照明装置固定安装在支撑台的上端。The utility model relates to a slotting machine for building drainage construction, further comprising a lighting device, which is fixedly installed on the upper end of the support table.
本实用新型的一种建筑排水施工用开槽机,还包括第二把手,第二把手固定安装在支撑台的上端。The utility model relates to a slotting machine for building drainage construction, further comprising a second handle, which is fixedly installed on the upper end of the support table.
本实用新型的一种建筑排水施工用开槽机,还包括把套,把套固定安装在第二把手上。The utility model relates to a slotting machine for building drainage construction, further comprising a handle, which is fixedly installed on the second handle.
本实用新型的一种建筑排水施工用开槽机,还包括防尘罩,防尘罩固定安装在支撑台的上端,防尘罩上设置有多组散热孔,电机位于防尘罩内,驱动轴转动安装在防尘罩上。The utility model is a slotting machine for building drainage construction, further comprising a dust cover, the dust cover is fixedly installed on the upper end of the support platform, the dust cover is provided with a plurality of groups of heat dissipation holes, the motor is located in the dust cover, and drives The shaft is rotatably mounted on the dust cover.
本实用新型的一种建筑排水施工用开槽机,支撑台的外层涂有防锈涂层。The utility model relates to a slotting machine for building drainage construction, wherein the outer layer of the support table is coated with an anti-rust coating.
与现有技术相比本实用新型的有益效果为:首先根据需要开槽的深度调节圆盘的高度,首先滑动第二滑块,第二滑块带动两组连接板、第二转轴、圆盘和多组槽刀到合适的高度,然后拧紧四组螺栓使四组螺栓顶紧第二滑块并且使第二滑块固定,然后转动丝杆,由于丝杆与第一滑块螺装,所以转动的丝杆可以带动第一滑块滑动,第一滑块带动第一转轴和第一链轮移动,至第一链轮、驱动链轮和第二链轮使链条张紧,然后打开电机,电机带动驱动轴和驱动链轮旋转,驱动链轮带动链条旋转,链条带动第二链轮旋转,第二链轮带动第二转轴和圆盘旋转,旋转的圆盘带动多组槽刀旋转,旋转的多组槽刀使地面开槽,之后推动支撑台,使旋转的多组槽刀在地面上开出合适长度的槽即可,通过调节圆盘和多组槽刀的高度可以调节开槽的深度,降低了局限性,提高了便利性,实用性高。Compared with the prior art, the beneficial effects of the present invention are as follows: firstly, the height of the disc is adjusted according to the required depth of the slot, firstly, the second slider is slid, and the second slider drives the two groups of connecting plates, the second rotating shaft, and the disc. and multiple sets of groove knives to the appropriate height, then tighten the four sets of bolts to make the four sets of bolts press against the second slider and fix the second slider, and then turn the screw, because the screw is screwed with the first slider, so The rotating screw can drive the first sliding block to slide, and the first sliding block drives the first rotating shaft and the first sprocket to move until the first sprocket, the driving sprocket and the second sprocket make the chain tension, and then turn on the motor, The motor drives the drive shaft and the drive sprocket to rotate, the drive sprocket drives the chain to rotate, the chain drives the second sprocket to rotate, the second sprocket drives the second shaft and the disc to rotate, and the rotating disc drives multiple groups of slotting knives to rotate. The multiple sets of grooving knives are used to groov the ground, and then the support table is pushed to make the rotating multiple sets of grooving knives cut out grooves of suitable length on the ground. Depth, reduce limitations, improve convenience, and high practicability.
附图说明Description of drawings
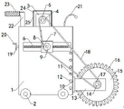
图1是本实用新型的主视结构示意图;Fig. 1 is the front view structure schematic diagram of the present utility model;
图2是支撑台、第二滑块和四组螺栓等连接的结构示意图;Figure 2 is a schematic structural diagram of the connection between the support table, the second slider and four sets of bolts;
图3是链条、驱动链轮和第一链轮等连接的结构示意图;Figure 3 is a schematic structural diagram of the connection of the chain, the drive sprocket and the first sprocket;
图4是电机、驱动轴和驱动链轮等连接的结构示意图;Fig. 4 is the structural schematic diagram of the connection of the motor, the drive shaft and the drive sprocket;
附图中标记:1、支撑台;2、滚动装置;3、电机;4、驱动轴;5、驱动链轮;6、丝杆;7、第一滑块;8、第一转轴;9、第一链轮;10、第二滑块;11、螺纹孔;12、螺栓;13、连接板;14、第二转轴;15、圆盘;16、槽刀;17、第二链轮;18、链条;19、转盘;20、第一把手;21、照明装置;22、第二把手;23、把套;24、防尘罩;25、散热孔。Symbols in the drawings: 1, support table; 2, rolling device; 3, motor; 4, drive shaft; 5, drive sprocket; 6, screw rod; 7, first slider; 8, first shaft; 9, The first sprocket; 10, the second slider; 11, the threaded hole; 12, the bolt; 13, the connecting plate; 14, the second shaft; 15, the disc; 16, the groove knife; 17, the second sprocket; 18 , chain; 19, turntable; 20, first handle; 21, lighting device; 22, second handle; 23, handle; 24, dust cover; 25, cooling hole.
具体实施方式Detailed ways
下面结合附图和实施例,对本实用新型的具体实施方式作进一步详细描述。以下实施例用于说明本实用新型,但不用来限制本实用新型的范围。The specific embodiments of the present utility model will be described in further detail below with reference to the accompanying drawings and embodiments. The following examples are used to illustrate the present invention, but are not intended to limit the scope of the present invention.
如图1至图4所示,本实用新型的一种建筑排水施工用开槽机,包括支撑台1、滚动装置2、电机3、驱动轴4、驱动链轮5、丝杆6、第一滑块7、第一转轴8、第一链轮9、第二滑块10、多组螺纹孔11、螺栓12、连接板13、第二转轴14、圆盘15、槽刀16、第二链轮17和链条18,滚动装置2固定安装在支撑台1的下端,电机3固定安装在支撑台1的上端,驱动轴4的后端与电机3的输出端连接,驱动链轮5固定安装在驱动轴4的前端,支撑台1的前端设置有滑道,丝杆6的右端转动安装在滑道的右端,丝杆6的左端位于支撑台1的左侧,丝杆6与滚动装置2转动安装,第一滑块7滑动安装在支撑台1的滑道内,并且第一滑块7为左右滑动,第一滑块7与丝杆6螺装,第一转轴8的后端转动安装在第一滑块7上,第一链轮9固定安装在第一转轴8的前端,支撑台1的前端设置有滑槽,第二滑块10滑动安装在支撑台1的滑槽内,第二滑块10在支撑台1的滑槽内为上下滑动,支撑台1的前后两部均设置有多组螺纹孔11,并且多组螺纹孔11与支撑台1的滑槽相通,四组螺栓12螺装在螺纹孔11上,四组螺栓12的另一端位于支撑台1的滑槽内,四组螺栓12将第二滑块10的前后两端顶紧,两组连接板13的左端分别固定安装在第二滑块10右端的前后两部,第二转轴14转动安装在两组连接板13上,圆盘15固定安装在第二转轴14的中部,多组槽刀16均固定安装在圆盘15上,第二链轮17固定安装在第二转轴14的前端,链条18包覆在驱动链轮5、第一链轮9和第二链轮17上;首先根据需要开槽的深度调节圆盘15的高度,首先滑动第二滑块10,第二滑块10带动两组连接板13、第二转轴14、圆盘15和多组槽刀16到合适的高度,然后拧紧四组螺栓12使四组螺栓12顶紧第二滑块10并且使第二滑块10固定,然后转动丝杆6,由于丝杆6与第一滑块7螺装,所以转动的丝杆6可以带动第一滑块7滑动,第一滑块7带动第一转轴8和第一链轮9移动,至第一链轮9、驱动链轮5和第二链轮17使链条18张紧,然后打开电机3,电机3带动驱动轴4和驱动链轮5旋转,驱动链轮5带动链条18旋转,链条18带动第二链轮17旋转,第二链轮17带动第二转轴14和圆盘15旋转,旋转的圆盘15带动多组槽刀16旋转,旋转的多组槽刀16使地面开槽,之后推动支撑台1,使旋转的多组槽刀16在地面上开出合适长度的槽即可,通过调节圆盘15和多组槽刀16的高度可以调节开槽的深度,降低了局限性,提高了便利性,实用性高。As shown in Figures 1 to 4, a slotting machine for building drainage construction of the present invention includes a support table 1, a
本实用新型的一种建筑排水施工用开槽机,还包括转盘19和第一把手20,转盘19固定安装在丝杆6的左端,第一把手20固定安装在转盘19的左端;通过上述设置,方便了对丝杆6的旋转,提高了使用过程中的便利性。A slotting machine for building drainage construction of the present invention further comprises a
本实用新型的一种建筑排水施工用开槽机,还包括照明装置21,照明装置21固定安装在支撑台1的上端;通过上述设置,使支撑台1的上方更加明亮,提高了使用过程中的便利性。The slotting machine for building drainage construction of the present invention further comprises a
本实用新型的一种建筑排水施工用开槽机,还包括第二把手22,第二把手22固定安装在支撑台1的上端;通过上述设置,方便了对支撑台1的推动,提高了使用过程中的便利性。A slotting machine for building drainage construction of the present invention further comprises a
本实用新型的一种建筑排水施工用开槽机,还包括把套23,把套23固定安装在第二把手22上;通过上述设置,方便了对第二把手22的抓握,提高了使用过程中的便利性。The slotting machine for building drainage construction of the present invention further comprises a
本实用新型的一种建筑排水施工用开槽机,还包括防尘罩24,防尘罩24固定安装在支撑台1的上端,防尘罩24上设置有多组散热孔25,电机3位于防尘罩24内,驱动轴4转动安装在防尘罩24上;通过上述设置,防止了灰尘和杂质落到电机3上,提高了使用过程中的清洁性。The utility model is a slotting machine for building drainage construction, further comprising a dust cover 24, the dust cover 24 is fixedly installed on the upper end of the support table 1, the dust cover 24 is provided with a plurality of sets of
本实用新型的一种建筑排水施工用开槽机,支撑台1的外层涂有防锈涂层;通过上述设置,延缓了支撑台1的生锈,提高了支撑台1的使用寿命。In the slotting machine for building drainage construction of the present invention, the outer layer of the support table 1 is coated with an anti-rust coating;
本实用新型的一种建筑排水施工用开槽机,其在工作时,首先根据需要开槽的深度调节圆盘15的高度,首先滑动第二滑块10,第二滑块10带动两组连接板13、第二转轴14、圆盘15和多组槽刀16到合适的高度,然后拧紧四组螺栓12使四组螺栓12顶紧第二滑块10并且使第二滑块10固定,然后转动丝杆6,由于丝杆6与第一滑块7螺装,所以转动的丝杆6可以带动第一滑块7滑动,第一滑块7带动第一转轴8和第一链轮9移动,至第一链轮9、驱动链轮5和第二链轮17使链条18张紧,然后打开电机3,电机3带动驱动轴4和驱动链轮5旋转,驱动链轮5带动链条18旋转,链条18带动第二链轮17旋转,第二链轮17带动第二转轴14和圆盘15旋转,旋转的圆盘15带动多组槽刀16旋转,旋转的多组槽刀16使地面开槽,之后推动支撑台1,使旋转的多组槽刀16在地面上开出合适长度的槽即可。The utility model is a slotting machine for building drainage construction. During operation, the height of the
本实用新型的一种建筑排水施工用开槽机,其安装方式、连接方式或设置方式均为常见机械方式,只要能够达成其有益效果的均可进行实施;本实用新型的建筑排水施工用开槽机的滚动装置2、丝杆6、槽刀16和链条18为市面上采购,本行业内技术人员只需按照其附带的使用说明书进行安装和操作即可。The installation method, connection method or setting method of the slotting machine for building drainage construction of the present invention are all common mechanical methods, and can be implemented as long as the beneficial effects can be achieved; The
以上所述仅是本实用新型的优选实施方式,应当指出,对于本技术领域的普通技术人员来说,在不脱离本实用新型技术原理的前提下,还可以做出若干改进和变型,这些改进和变型也应视为本实用新型的保护范围。The above are only the preferred embodiments of the present utility model. It should be pointed out that for those skilled in the art, without departing from the technical principles of the present utility model, several improvements and modifications can be made. These improvements and modifications should also be regarded as the protection scope of the present invention.
Claims (7)
Priority Applications (1)
| Application Number | Priority Date | Filing Date | Title |
|---|---|---|---|
| CN202220179324.6U CN217196219U (en) | 2022-01-24 | 2022-01-24 | Grooving machine for building drainage construction |
Applications Claiming Priority (1)
| Application Number | Priority Date | Filing Date | Title |
|---|---|---|---|
| CN202220179324.6U CN217196219U (en) | 2022-01-24 | 2022-01-24 | Grooving machine for building drainage construction |
Publications (1)
| Publication Number | Publication Date |
|---|---|
| CN217196219U true CN217196219U (en) | 2022-08-16 |
Family
ID=82793976
Family Applications (1)
| Application Number | Title | Priority Date | Filing Date |
|---|---|---|---|
| CN202220179324.6U Expired - Fee Related CN217196219U (en) | 2022-01-24 | 2022-01-24 | Grooving machine for building drainage construction |
Country Status (1)
| Country | Link |
|---|---|
| CN (1) | CN217196219U (en) |
-
2022
- 2022-01-24 CN CN202220179324.6U patent/CN217196219U/en not_active Expired - Fee Related
Similar Documents
| Publication | Publication Date | Title |
|---|---|---|
| CN217196219U (en) | Grooving machine for building drainage construction | |
| CN216680517U (en) | A pipe cutting device for construction engineering | |
| CN207696698U (en) | A kind of timber grooving apparatus | |
| CN222945002U (en) | A convenient positioning fixture for flange processing | |
| CN220428849U (en) | Stone profiling cutting device | |
| CN217915732U (en) | Bamboo section sawing equipment for layered sawing | |
| CN213081590U (en) | A cutting device for testing inorganic thermal insulation materials | |
| CN213563109U (en) | Lightweight chainsaw alloy guide | |
| CN222021693U (en) | Panel pipeline cutting device | |
| CN219704603U (en) | A square tube polishing machine | |
| CN216940901U (en) | A fully automatic cutting single-core optical cable equipment | |
| CN218313756U (en) | A coil cutting device | |
| CN219212387U (en) | Quick punching device | |
| CN208468018U (en) | A fully automatic chamfering machine | |
| CN201165023Y (en) | Double-cutter stand rotary shaver having automatic pressure device | |
| CN221935553U (en) | A rotary disc saw round tube cutting device | |
| CN222078118U (en) | Steel pipe cutting device is used in steel pipe production | |
| CN221911145U (en) | A deburring device for water conservancy pipeline | |
| CN216263603U (en) | Fixing mechanism is used in sunroof rail production | |
| CN218965484U (en) | Cutter for producing sealing packing | |
| CN219075407U (en) | Support positioning tool for rotor brake disc machining | |
| CN217889741U (en) | Aluminum product cutting equipment | |
| CN104438968A (en) | Pin cut-off machine capable of improving machining efficiency easily | |
| CN116100643B (en) | Radial bamboo cutting and smooth texture preparation device and new bamboo chip laminated material manufacturing method | |
| CN222079111U (en) | A clamp for processing pulley |
Legal Events
| Date | Code | Title | Description |
|---|---|---|---|
| GR01 | Patent grant | ||
| GR01 | Patent grant | ||
| CF01 | Termination of patent right due to non-payment of annual fee |
Granted publication date: 20220816 |
|
| CF01 | Termination of patent right due to non-payment of annual fee |
