CN217134492U - 电池包和电子设备 - Google Patents
电池包和电子设备 Download PDFInfo
- Publication number
- CN217134492U CN217134492U CN202220645089.7U CN202220645089U CN217134492U CN 217134492 U CN217134492 U CN 217134492U CN 202220645089 U CN202220645089 U CN 202220645089U CN 217134492 U CN217134492 U CN 217134492U
- Authority
- CN
- China
- Prior art keywords
- switch
- electrically connected
- heater
- controller
- battery
- Prior art date
- Legal status (The legal status is an assumption and is not a legal conclusion. Google has not performed a legal analysis and makes no representation as to the accuracy of the status listed.)
- Active
Links
- 238000010438 heat treatment Methods 0.000 claims abstract description 88
- 229910052751 metal Inorganic materials 0.000 claims abstract description 11
- 239000002184 metal Substances 0.000 claims abstract description 11
- 230000004044 response Effects 0.000 claims description 25
- 230000002618 waking effect Effects 0.000 claims description 4
- 238000000034 method Methods 0.000 abstract description 6
- 238000007599 discharging Methods 0.000 description 16
- 238000010586 diagram Methods 0.000 description 14
- 230000000052 comparative effect Effects 0.000 description 5
- PXHVJJICTQNCMI-UHFFFAOYSA-N Nickel Chemical compound [Ni] PXHVJJICTQNCMI-UHFFFAOYSA-N 0.000 description 4
- 230000000694 effects Effects 0.000 description 4
- 230000014509 gene expression Effects 0.000 description 3
- 230000002427 irreversible effect Effects 0.000 description 3
- 239000013641 positive control Substances 0.000 description 3
- HBBGRARXTFLTSG-UHFFFAOYSA-N Lithium ion Chemical compound [Li+] HBBGRARXTFLTSG-UHFFFAOYSA-N 0.000 description 2
- 238000006243 chemical reaction Methods 0.000 description 2
- 239000003792 electrolyte Substances 0.000 description 2
- 229910001416 lithium ion Inorganic materials 0.000 description 2
- 229910021645 metal ion Inorganic materials 0.000 description 2
- 238000012986 modification Methods 0.000 description 2
- 230000004048 modification Effects 0.000 description 2
- 239000013642 negative control Substances 0.000 description 2
- 229910052759 nickel Inorganic materials 0.000 description 2
- 230000008569 process Effects 0.000 description 2
- 229910001415 sodium ion Inorganic materials 0.000 description 2
- RYGMFSIKBFXOCR-UHFFFAOYSA-N Copper Chemical compound [Cu] RYGMFSIKBFXOCR-UHFFFAOYSA-N 0.000 description 1
- FKNQFGJONOIPTF-UHFFFAOYSA-N Sodium cation Chemical compound [Na+] FKNQFGJONOIPTF-UHFFFAOYSA-N 0.000 description 1
- WYTGDNHDOZPMIW-RCBQFDQVSA-N alstonine Natural products C1=CC2=C3C=CC=CC3=NC2=C2N1C[C@H]1[C@H](C)OC=C(C(=O)OC)[C@H]1C2 WYTGDNHDOZPMIW-RCBQFDQVSA-N 0.000 description 1
- 229910052782 aluminium Inorganic materials 0.000 description 1
- XAGFODPZIPBFFR-UHFFFAOYSA-N aluminium Chemical compound [Al] XAGFODPZIPBFFR-UHFFFAOYSA-N 0.000 description 1
- 229910052802 copper Inorganic materials 0.000 description 1
- 239000010949 copper Substances 0.000 description 1
- 238000004870 electrical engineering Methods 0.000 description 1
- 239000000463 material Substances 0.000 description 1
- 230000000750 progressive effect Effects 0.000 description 1
- 230000036632 reaction speed Effects 0.000 description 1
- 238000006467 substitution reaction Methods 0.000 description 1
- 230000001960 triggered effect Effects 0.000 description 1
Images
Landscapes
- Secondary Cells (AREA)
- Charge And Discharge Circuits For Batteries Or The Like (AREA)
Abstract
本申请实施例提供了一种电池包、电池加热方法和电子设备,该电池包包括电池加热电路、电芯模组和加热器,电池加热电路包括控制器和第一开关,第一开关包括NMOS管或PMOS管,第一开关能够接收控制器的控制信号执行导通或关断,第一开关与电芯模组和加热器电连接成第一电路,第一开关被配置为响应于电芯模组的温度不低于温度阈值,接收控制器的控制信号执行导通,以导通第一电路,使加热器的温度上升,以对电芯模组进行加热。电芯模组包括至少一个电芯,加热器包括至少一个子加热器,子加热器与电芯一一对应,每一个子加热器包括至少两个金属端子,金属端子自所述电芯内部引出。本方案能够改善二次电池在低温环境下的充放电性能。
Description
技术领域
本申请实施例涉及电气工程技术领域,尤其涉及一种电池包和电子设备。
背景技术
二次电池,例如锂离子电池、钠离子电池等,具有能量密度大、循环寿命长、标称电压高、自放电率低、体积小、重量轻等优点,在消费电子、无人机和电动汽车等产品上被广泛应用。环境温度较低时,二次电池的化学反应速度较慢,影响二次电池正常充放电,而且二次电池在低温环境下放电,容易对二次电池的性能造成不可逆的损害。因此,需要提供一种技术方案,改善二次电池在低温环境下的充放电性能。
实用新型内容
有鉴于此,本申请实施例提供一种电池包和电子设备,以改善二次电池在低温环境下的充放电性能。
根据本申请实施例的第一方面,提供了一种电池包,包括:电池加热电路、电芯模组和加热器,所述电池加热电路包括控制器和第一开关,所述第一开关接收所述控制器的控制信号执行导通或关断,所述第一开关包括NMOS管或PMOS管,所述第一开关与所述电芯模组和所述加热器电连接。所述第一开关被配置为响应于所述电芯模组的温度不低于温度阈值,接收所述控制器的控制信号执行导通,所述电芯模组、所述第一开关和所述加热器所在的第一电路导通,使所述加热器的温度上升,以对所述电芯模组进行加热。所述电芯模组包括至少一个电芯,所述加热器包括至少一个子加热器,其中,所述子加热器与所述电芯一一对应,每一个所述子加热器包括至少两个金属端子,所述金属端子自所述电芯内部引出。
在一些实施例中,所述第一开关的控制端与所述控制器电连接,用于接收所述控制器的控制信号。所述第一开关的第一端与所述电芯模组的正极电连接,所述第一开关的第二端与所述加热器的第一端电连接,所述加热器的第二端与所述电芯模组的负极电连接;或者,所述加热器的第一端与所述电芯模组的正极电连接,所述加热器的第二端与所述第一开关的第二端电连接,所述第一开关的第一端与所述电芯模组的负极电连接。
在一些实施例中,所述电池加热电路还包括:第二开关和充电端口,所述第二开关分别与所述加热器和所述充电端口电连接,并接收所述控制器的控制信号执行导通或关断。所述第二开关被配置为响应于所述电芯模组的温度低于所述温度阈值,接收所述控制器的控制信号执行导通,所述充电端口被配置为与充电器电连接,以使所述充电器、所述第二开关和所述加热器所在的第二电路导通。
在一些实施例中,所述第二开关的控制端与所述控制器电连接,用于接收所述控制器的控制信号,所述充电端口包括第一充电端口和第二充电端口。所述第二开关的第一端与所述第一充电端口电连接,所述第二开关的第二端与所述加热器的第一端电连接,所述加热器的第二端与所述第二充电端口电连接;或者,所述加热器的第一端与所述第一充电端口电连接,所述加热器的第二端与所述第二开关的第二端电连接,所述第二开关的第一端与所述第二充电端口电连接。
在一些实施例中,所述第一开关接收所述控制器的控制信号执行导通时,所述第二开关接收所述控制器的控制信号执行关断;或者,所述第二开关接收所述控制器的控制信号执行导通时,所述第一开关接收所述控制器的控制信号执行关断。
在一些实施例中,所述电池加热电路还包括:检测器,所述检测器分别与所述电芯模组和所述控制器电连接,用于获取所述电芯模组的温度信息,并将所述温度信息发送给所述控制器,所述检测器被配置为响应于所述控制器唤醒,检测所述电芯模组的温度。
在一些实施例中,所述控制器被配置为响应于开机信号从休眠状态进入工作状态而唤醒;或者,响应于充电器接入所述充电端口,接收充电信号而唤醒。
在一些实施例中,所述第二开关被配置为响应于所述充电器的电压高于第一电压阈值,接收所述控制器的控制信号执行关断。
在一些实施例中,所述电池加热电路还包括:第一二极管。所述第一二极管的阳极与所述电芯模组的正极电连接,所述第一二极管的阴极与所述第一开关电连接。
在一些实施例中,所述电池加热电路还包括:第二二极管。所述第二二极管的阳极与所述充电端口电连接,所述第二二极管的阴极与所述第二开关电连接。
在一些实施例中,所述加热器包括三个以上的所述子加热器,各所述子加热器之间形成以下任一电连接形式:(i)所述子加热器之间形成串联电连接;或,(ii)所述子加热器之间形成并联电连接;或,(iii)所述子加热器之间形成混联电连接。
在一些实施例中,所述电池加热电路还包括:第三开关和第四开关,所述第三开关与所述第四开关串联。所述第三开关与所述第四开关电连接于所述电芯模组的正极与所述电芯模组的正极输出端之间;或者,所述第三开关与所述第四开关电连接于所述电芯模组的负极与所述电芯模组的负极输出端之间。
根据本申请实施例的第二方面,提供了一种电子设备,包括上述第一方面的电池包。
根据本申请实施例提供的电池加热方案,当环境温度较低时,响应于电芯模组的温度不低于温度阈值,控制器可以向第一开关发送控制信号,使第一开关执行导通,第一开关导通后,电芯模组、第一开关和加热器所在的第一电路导通,由电芯模组为加热器供电,使加热器温度升高,以对电芯模组进行加热,使得电芯模组能够在较短时间内上升至适宜的温度,从而提高电芯模组在低温环境下的充放电性能。
附图说明
为了更清楚地说明本申请实施例或现有技术中的技术方案,下面将对实施例或现有技术描述中所需要使用的附图作简单地介绍,显而易见地,下面描述中的附图仅仅是本申请实施例中记载的一些实施例,对于本领域普通技术人员来讲,还可以根据这些附图获得其他的附图。
图1是本申请一个实施例的电池包的示意性框图;
图2是本申请一个实施例的电池加热电路的示意图;
图3是本申请另一个实施例的电池加热电路的示意图;
图4是本申请又一个实施例的电池加热电路的示意图;
图5是本申请另一个实施例的电池包的示意性框图;
图6是本申请又一个实施例的电池包的示意性框图;
图7是本申请一个实施例的电芯的示意图;
图8是本申请一个实施例的加热片的示意图。
具体实施方式
为了使本领域的人员更好地理解本申请实施例中的技术方案,下面将结合本申请实施例中的附图,对本申请实施例中的技术方案进行清楚、完整地描述,显然,所描述的实施例仅是本申请实施例一部分实施例,而不是全部的实施例。基于本申请实施例中的实施例,本领域普通技术人员所获得的所有其他实施例,都应当属于本申请实施例保护的范围。
下面结合附图进一步说明本申请实施例的具体实现。
二次电池是一种依靠金属离子,例如锂离子、钠离子,在正极和负极之间移动来工作的可充电电池,在消费电子、无人机和电动汽车等产品上,二次电池被广泛应用。二次电池的工作原理是内部的电解质通过化学反应的变化,在正负极出现电势差从而出现电流。在低温环境下电解质移动速度变慢,影响金属离子在正负极之间的转移活性,导致电池充放电性能下降。而且二次电池在低温环境下放电容易造成二次电池损坏。因此,亟需一种提高二次电池温度的方案,在低温环境下对二次电池进行加热,提升二次电池在低温环境下的充放电性能。
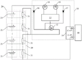
电池包
图1是本申请一个实施例的电池包的示意性框图。如图1所示,电池包100包括电池加热电路10、电芯模组20和加热器30,电池加热电路10包括控制器11和第一开关12,第一开关12为可控开关,可以接收控制器11的控制信号而执行导通或关断,第一开关12可以是NMOS管或PMOS管。第一开关12与电芯模组20和加热器30电连接。第一开关12响应于电芯模组20的温度不低于温度阈值,可以接收控制器11的控制信号执行导通,使电芯模组 20、第一开关12和加热器30所在的第一电路导通,进而使加热器30的温度上升,以对电芯模组20进行加热。
在本申请实施例中,当环境温度较低时,响应于电芯模组20的温度不低于温度阈值,控制器11可以向第一开关12发送控制信号,使第一开关12执行导通,第一开关12导通后,电芯模组20、第一开关12和加热器30所在的第一电路导通,由电芯模组20为加热器30供电,使加热器30温度升高,以对电芯模组20进行加热,使得电芯模组20能够在较短时间内上升至适宜的温度,从而提高电芯模组20在低温环境下的充放电性能。
应理解,电池包100可以包括电芯模组、加热器和电池管理系统(BatteryManagement System,BMS),电池加热电路10可以设置在BMS上,在一种具体实现方式中,BMS以电路板的形式存在,BMS电路板可以管理电芯模组的充放电。
还应理解,控制器11可以设置在BMS电路板上,响应于电芯模组20的温度不低于温度阈值,向第一开关12发送控制信号,是指控制器能够获取电芯模组20的温度信息或电芯模组20所在环境的温度信息,当电芯模组20的温度低至影响正常充放电,但电芯模组20的温度不低于温度阈值时,控制器11可以向第一开关12发送控制信号,使第一开关12执行导通,电芯模组20为加热器30供电,以使加热器30对电芯模组20进行加热。在其中一种实现方式中,在电芯模组20的温度低于0℃后,例如电芯模组20的温度为-15℃,或者电池包100 的环境温度为-15℃时,低温会对电芯模组20的充放电性能产生较大的影响,温度阈值为-20℃,则在电芯模组20的温度位于-20℃至0℃时,电芯模组20可以向第一开关12发送控制信号,以使第一开关12执行导通。
在电芯模组20的温度较高时,无需对电芯模组20进行加热,所以在电芯模组20的温度低至影响电芯模组20正常充放电时,控制器11可以向第一开关12发送控制信号。在电芯模组20的温度低于温度阈值时,BMS电路板可以关闭电芯模组20的放电,因为如果电芯模组 20在低于温度阈值的温度下放电,会给电芯模组20所包括电芯的性能造成不可逆的损害,所以在电芯模组20的温度低于温度阈值(例如-20℃)后,控制器11不会向第一开关12发送控制信号,第一开关12处于关断状态,电芯模组20不再向加热器30供电。
图2至图4是本申请实施例提供的三种电池加热电路的示意图。如图2至图4所示,第一开关12的控制端与控制器11电连接,第一开关12通过控制端接收控制器11的控制信号。如图2和图3所示,第一开关12的第一端与电芯模组20的正极电连接,第一开关12的第二端与加热器30的第一端电连接,加热器30的第二端与电芯模组20的负极电连接。如图4所示,加热器30的第一端与电芯模组20的正极电连接,加热器30的第二端与第一开关12的第二端电连接,第一开关12的第一端与电芯模组20的负极电连接。
第一开关12的控制端与控制器11电连接,控制器11可以向第一开关12的控制端发送控制信号,使第一开关12执行导通或关断,从而使电芯模组20、第一开关12和加热器30所在的第一电路导通或断开,以开始对电芯模组20进行加热,或停止对电芯模组20进行加热。如图2和图3所示,当控制器11控制电芯模组20的正极时,第一开关12电连接于电芯模组20的正极与加热器30之间,如图4所示,当控制器11控制电芯模组20的负极时,第一开关12电连接于加热器30与电芯模组20的负极之间。
在本申请的一个实施例中,第一开关12的控制端与控制器11电连接,第一开关12可以电连接于电芯模组20的正极与加热器30之间,实现对电芯模组20的正极进行控制。在本申请的另一实施例中,第一开关12还可以电连接于加热器30与电芯模组20的负极之间,实现对电芯模组20的负极进行控制。控制器11可以控制电芯模组20的正极或负极,对第一开关 12的导通和关断进行控制,适用于正极控制和负极控制的电池管理系统,提高了本申请实施例所提供电池加热电路的适用性。
在本申请实施例中,第一开关12可以是包括控制端、输入端和输出端的可控开关,比如第一开关12可以是三极管、PMOS管或NMOS管。当第一开关12为MOS管(PMOS管或 NMOS管)时,图2和图3所示第一开关12为PMOS管,图4所示第一开关12为NMOS 管。MOS管的栅极为第一开关12的控制端,MOS管的源极为第一开关12的第一端,MOS 管的漏极为第一开关12的第二端。
图5是本申请又一实施例提供的电池加热电路的示意性框图。如图5所示,电池加热电路10除了包括控制器11和第一开关12外,还包括第二开关13和充电端口14。充电端口14 可以电连接充电器40。第二开关13分别与加热器30和充电端口14电连接,第二开关13为可控开关,可以接收控制器11的控制信号,并基于接收到的控制信号执行导通或关断。响应于电芯模组20的温度低于温度阈值(例如-20℃),第二开关13接收控制器11的控制信号而执行导通,使充电器40、第二开关13和加热器30所在的第二电路导通,进而使加热器30 的温度上升,以对电芯模组20进行加热。
在本申请实施例中,当电芯模组20的温度低于温度阈值时,BMS电路板能够关断放电开关,避免电芯模组20放电,因为电芯模组20在低于温度阈值的环境下继续放电,可能会对电芯模组20的性能造成不可逆的损害,此时电芯模组20不再为加热器30供电。在充电器40通过充电端口14接入电池组后,控制器11能够响应充电器40发送的充电握手信号,并可以向第二开关13发送控制信号,使第二开关13执行导通,第二开关13导通后,充电器40、第二开关13和加热器30所在的第二电路导通,由充电器40为加热器30供电,使加热器30温度升高,以对电芯模组20进行加热,进而使电芯模组20能够在较短时间内上升至适宜的温度,从而提高电芯模组20在低温环境下的充放电性能。
在电芯模组20的温度低于温度阈值时(例如-20℃),BMS电路板控制电芯模组20不放电,因此无法通过电芯模组20为加热器30供电,此时可通过充电端口14电连接至充电器40,控制器11控制第二开关13导通,由充电器40为加热器30供电,使加热器30温度升高,以对电芯模组20进行加热后,待电芯模组20的温度上升至适宜的温度后,再由BMS电路板控制电芯模组20进行正常的充放电。
在本申请的一种实现方式中,如图3,第二开关13的控制端与控制器11电连接,第二开关13的控制端可以接收控制器11的控制信号,充电端口14包括第一充电端口C+和第二充电端口C-。如图3所示,第二开关13的第一端与第一充电端口C+电连接,第二开关13 的第二端与加热器30的第一端电连接,加热器30的第二端与第二充电端口C-电连接。在本申请另一种实现方式中,如图4所示,加热器30的第一端与第一充电端口C+电连接,加热器30的第二端与第二开关13的第二端电连接,第二开关13的第一端与第二充电端口C-电连接。
第二开关13的控制端与控制器11电连接,控制器11可以向第二开关13的控制端发送控制信号,使第二开关13执行导通或关断,从而使充电器40、第二开关13和加热器30所在的第二电路导通或断开,使得充电器40开始或停止为加热器30供电,进而开始或停止对电芯模组20进行加热。控制器11控制电芯模组20的正极时,第二开关13电连接于第一充电端口C+与加热器30之间。控制器11控制电芯模组20的负极时,第二开关13电连接于加热器30与第二充电端口C-之间。
在本申请一实施例中,第二开关13的控制端与控制器11电连接,第二开关13可以电连接于第一充电端口C+与加热器30之间,实现对电芯模组20的正极进行控制。在本申请另一实施例中,第二开关13可以电连接于加热器30与第二充电端口C-之间,实现对电芯模组20 的负极进行控制。控制器11可以控制电芯模组20的正极或负极,对第二开关13的导通和关断进行控制,适用于正极控制和负极控制的电池管理系统,提高了本申请实施例所提供的电池加热电路的适用性。
在本申请实施例中,第二开关13可以是包括控制端、输入端和输出端的可控开关,比如第二开关13可以是三极管、PMOS管或NMOS管。当第二开关13为MOS管(PMOS管或 NMOS管)时,图3所示第二开关13为PMOS管,图4所示第二开关13为NMOS管,MOS 管的栅极为第二开关13的控制端,MOS管的源极为第二开关13的第一端,MOS管的漏极为第二开关13的第二端。
图6是本申请又一个实施例提供的电池加热电路的示意性框图。如图6所示,电池加热电路10还包括检测器15。检测器15分别与电芯模组20和控制器11电连接,检测器15可以获取电芯模组20的温度信息,并将温度信息发送给控制器11。响应于控制器11唤醒,检测器15可以检测电芯模组20的温度。
在本申请实施例中,控制器11从休眠模式被唤醒,进入到工作模式后,控制器11可以向检测器15发送控制信号,使检测器15检测电芯模组20的温度,获得用于指示电芯模组20温度的温度信息,并将所获得的温度信息发送给控制器11,进而控制器11可以根据温度信息控制第一开关12和/或第二开关13的通断,以在电芯模组20的温度较低时对电芯模组20进行加热。当控制器11处于休眠模式时,检测器15不对电芯模组20的温度进行检测,以降低电池包100的功耗。在控制器11被唤醒后,电芯模组20开始充放电工作,检测器15 检测电芯模组20的温度,以在电芯模组20温度较低时及时对电芯模组20进行加热,保证电芯模组20能够快速进行正常充放电状态。
应理解,控制器11的唤醒状态可表示为BMS电路板处于工作状态,控制器11的非唤醒状态可以表示为BMS电路板处于低功耗状态,非唤醒状态包括但不限于休眠状态、待机状态、关机状态等。具体而言,在BMS电路板处于低功耗状态下,部分电路未被使用,相应地,控制器11相应处于非唤醒状态,断开部分电路的供电,比如断开检测器15的供电,实现了电池包100的低功耗。
在一个例子中,检测器15可以是设置于电芯模组20表面的温度传感器,也可以是设置在BMS电路板上的模拟采集前端(Analog Front End,AFE)芯片。
在一种实现方式中,控制器11的唤醒包括多种形式,比如响应于电子设备(例如电动二轮车、无人机、电动工具等)的开机信号,控制器11从休眠状态进入工作状态,控制器11被唤醒,或者,响应于充电器40接入充电端口14,控制器11接收充电信号,控制器11被唤醒。
控制器11接收用户通过开机按键等触发的开机信号,控制器11在接收到开机信号时后被唤醒,进而控制器11获取检测器15的温度信息,以在电芯模组20的温度较低时导通加热器30的供电线路,通过加热器30对电芯模组20进行加热,使电芯模组20处于一个较适宜的温度。充电器40接入充电端口14后,控制器11可以接收充电器40发送的充电握手信号而被唤醒,进而控制器11获取检测器15的温度信息,以在电芯模组20的温度较低时导通加热器30的供电线路,通过加热器30对电芯模组20进行加热,使电芯模组20处于一个较适宜的温度。
在本申请实施例中,控制器11在接收到开机信号或充电信号后唤醒,唤醒后的控制器11 可以控制检测器15检测电芯模组20的温度,进而在电芯模组20的温度较低时接通加热器30 的供电线路,通过加热器30对电芯模组20进行加热,使电芯模组20能够正常充电或放电,既可以保证电芯模组20能够在低温环境下正常充放电,还可以降低电池加热电路10的功耗。
在一种实现方式中,响应于充电器40的电压高于第一电压阈值,第二开关13接收控制器11的控制信号执行关断。
在本申请实施例中,如图3或图4所示,在第二开关13导通后,充电器40为加热器30供电,控制器11获取第一充电端口C+与第二充电端口C-之间的电压,该电压即为充电器40的输出电压,如果控制器11判断该电压高于第一电压阈值,则向第二开关13发送控制信号,使第二开关13执行关断,避免加热器30被烧坏,保证对电芯模组20进行加热的安全性。在其中一种具体实施例中,第一电压阈值可为电芯模组20的额定电压,在另一种可选的实施例中,第一电压阈值大于电芯模组20的额定电压,例如比电芯模组20的额定电压大5V、10V、15V均可。以上第一电压阈值的具体值仅作为示例,不构成对第一电压阈值的限制。
在一种实现方式中,如图2至图4所示,电池加热电路10还包括第一二极管16,第一二极管16的阳极与电芯模组20的正极电连接,第一二极管16的阴极与第一开关12电连接。
具体地,在图2和图3所示的电池加热电路10中,第一二极管16的阳极与电芯模组20 的正极电连接,第一二极管16的阴极与第一开关12的第一端电连接。在图4所示的电池加热电路10中,电芯模组20的正极与加热器30的第一端电连接,加热器30的第二端与第一二极管16的阳极电连接,即第一二极管16的阳极通过加热器30间接与电芯模组20的正极电连接,第一二极管16的阴极与第一开关12的第二端电连接。
在本申请实施例中,第一二极管16的阳极与电芯模组20的正极电连接,第一二极管16 的阴极与第一开关12电连接,基于二极管的单向导电性能,使得第一电路中的电流只能由电芯模组20流向第一开关12,而不能由第一开关12流向电芯模组20,避免了短路等故障的发生,保证了电池加热电路10和电池管理系统的安全性。
在一种实现方式中,如图3和图4所示,电池加热电路10还包括第二二极管17,第二二极管17的阳极与充电端口14电连接,第二二极管17的阴极与第二开关13电连接。
具体地,在图3所示的电池加热电路10中,第二二极管17的阳极与第一充电端口C+电连接,第二二极管17的阴极与第二开关13的第一端电连接。在图4所示的电池加热电路10中,加热器30的第一端与第一充电端口C+电连接,加热器30的第二端与第二二极管17 的阳极电连接,第二二极管17的阴极与第二开关13的第二端电连接。
在本申请实施例中,第二二极管17的阳极与充电端口14电连接,第二二极管17的阴极与第二开关13电连接,基于二极管的单向导电性能,使得第二电路中的电流只能由充电器 40流向第二开关13,而不能由第二开关13流向充电器40,避免了短路等故障的发生,保证了电池加热电路10和电池管理系统的安全性。
在一种实现方式中,如图2至图4所示,电池加热电路10还包括第三开关18和第四开关19,第三开关18和第四开关19相串联。如图2和图3所示,第三开关18和第四开关19 可以电连接于电芯模组20的正极与电芯模组20的正极输出端P+之间。如图4所示,第三开关18和第四开关19还可以电连接于电芯模组20的负极与电芯模组20的负极输出端P-之间。
在本申请实施例中,第三开关18和第四开关19为设置于BMS电路板上,用于控制电芯模组20充放电的可控开关,第三开关18和第四开关19的控制端均与控制器11电连接,控制器11通过向第三开关18和第四开关19发送控制信号,使第三开关18和第四开关19导通或关断,以对电芯模组20的充放电进行控制。第三开关18和第四开关19所在的电路与第一开关12和/或第二开关13所在的电路相并联,使得第三开关18和第四开关19均关断时,第一开关12或第二开关13导通后,仍能够对电芯模组20进行加热,从而可以在电芯模组20 在充电或放电前对电芯模组20进行预热,保证电芯模组20能够在低温环境下正常充放电,还能够提高电芯模组20的使用寿命。
在一种实现方式中,第三开关18和第四开关19可以是功率管,比如在图2至图4所示的电池加热电路10中,第三开关18和第四开关19均为NMOS管。
在本申请的实施例中,以电芯模组20的充电端口和放电端口为同一端口为例进行说明,即第一充电开关C+可作为电芯模组20的正极输出端P+,第二充电端口C-可作为为电芯模组 20的负极输出端P-,在实际业务实现时,电芯模组20的充电端口和放电端口可以是同一端口,也可以是不同的端口,本申请实施例对此不作限定。
下面对图2至图4所示电池加热电路10的工作过程进行详细说明。
如图2所示,响应于电芯模组20的温度不低于预设的温度阈值,控制器11向第一开关 12发送控制信号,使第一开关12执行导通。如果充电器40未接入充电端口14,第一开关12导通后,电芯模组20、第一二极管16、第一开关12和加热器30所在的电路导通,电芯模组20为加热器30供电,使加热器30温度升高以对电芯模组20进行加热。如果充电器40 接入充电端口14,第一开关12导通后,基于第一二极管16和第二二极管17的单向导电性能,若电芯模组20的输出电压大于充电器40的输出电压,则电芯模组20、第一二极管16、第一开关12和加热器30所在的电路导通,电芯模组20为加热器30供电,使加热器30温度升高以对电芯模组20进行加热,若电芯模组20的输出电压小于充电器40的输出电压,则充电器40、第二二极管17、第一开关12和加热器30所在的电路导通,充电器40为加热器30 供电,使加热器30温度升高,以对电芯模组20进行加热。
如图3和图4所示,响应于电芯模组20的温度不低于预设的温度阈值,控制器11向第一开关12发送控制信号,使第一开关12执行导通,而第二开关13保持关断,第一开关12导通后,电芯模组20、第一二极管16、第一开关12和加热器30所在的电路导通,电芯模组 20为加热器30供电,使加热器30温度升高,以对电芯模组20进行加热。响应于当充电器 40接入充电端口14,控制器11获取电芯模组20的温度,如果电芯模组20的温度低于预设的温度阈值,控制器11向第二开关13发送控制信号,使第二开关13执行导通,而第一开关 12保持关断,第二开关13导通后,充电器40、第二二极管17、第二开关13和加热器30所在的电路导通,充电器40为加热器30供电,使加热器30温度升高,以对电芯模组20进行加热。
如图3和图4所示,第一开关12与第一二极管16串联,第二开关13与第二二极管17串联,在控制器11发生逻辑错误,例如控制器11发送的控制信号使第一开关12和第二开关13均导通,基于第一二极管16和第二二极管17的单向导电性能,可以防止在第三开关18 和第四开关19未闭合情况下发生短路,避免第一开关12和第二开关13被烧毁。
第二二极管17可以是肖特基二极管。由于肖特基二极管具有过流保护作用,当充电器 40发生过流故障时,即充电器40输出电流大于设定值时,第二二极管17(肖特基二极管) 发生熔断,保护第二开关13和加热器30。当第二二极管17为肖特基二极管时,基于肖特基二极管的过流保护作用,电池加热电路10无需额外的保险丝,保证电池加热电路10具有较低的成本。
在一种实现方式中,如图2至图4所示,电芯模组20包括至少一个电芯21,加热器30包括至少一个子加热器31。子加热器31与电芯21一一对应,每个子加热器31包括至少两个金属端子,金属端子自电芯21内部引出。
在本申请实施例中,电芯模组20包括一个或多个电芯21,每个电芯21内设置有一个子加热器31,子加热器31通电后发热,以对电芯21进行加热,可以更加快速地提高电芯21的温度。
图7是本申请一个实施例提供的电芯21的示意图,图8是本申请一个实施例提供的子加热器31的示意图。如图7和图8所示,子加热器31包括加热片311和金属端子312,加热片311与金属端子312电连接,加热片311设置于电芯21内部,金属端子312自电芯21内部引出,以便于子加热器31之间的电连接以及加热器30与电池加热电路10和电芯模组20 之间的电连接。电芯21还包括正极端子211和负极端子212。
如图8所示,加热片311为片状蛇形结构,加热片311的材质可以是铜、铝或镍。
在环境温度为-20℃时,以加热电流为6A为加热片311供电240s,采用铜材质加热片的电芯的表面温升速率为2.4℃/min,采用铝材质加热片的电芯的表面温升速率为4.0℃/min,采用镍材质加热片的电芯的表面温升速率为6.6℃/min。
在一种实现方式中,电芯21包括正极、负极和位于正极与负极之间的隔膜,正极-隔膜- 负极叠置后在加热片311上卷绕,将加热片311卷绕在电芯21内部,当加热片311通电发热时,可以更快地提高电芯21的温度。
如下表1示出了两种加热片相对于对比例的加热效果数据。
表1
| 加热片1 | 加热片2 | 对比例 | |
| 加热片位置 | 内嵌入电芯 | 内嵌入电芯 | 缠绕于电芯外 |
| 加热片电阻(Ω) | 13.8 | 13.2 | 15.2 |
| 加热电流(A) | 2.9 | 5.5 | 1.8 |
| 加热功率(W) | 116.1 | 399.3 | 49.2 |
| 加热速度(℃/min) | 11.7 | 34.8 | 3.5 |
| 温度均匀性 | ☆☆☆ | ☆☆ | ☆☆ |
在上述表1所示的加热片1、加热片2和对比例中,每个加热片的重量均小于0.45g,电芯重量92g,每个加热片所在电芯的能量密度损失(GED loss)均≤0.5%,加热片1和加热片2的厚度小于50μm,对比例中加热片的厚度小于0.5mm。在上述表1的温度均匀性指标中,☆用于指示电芯模组表面的温度均匀性,☆越多说明电芯模组表面的温度均匀性越好。
通过上述表1中加热片1、加热片2和对比例的加热效果数据对比可知,将加热片设置于电芯内部,在通过加热片对电芯进行加热时,能够提高电芯的升温速度。
在一种实现方式中,加热器30包括至少三个子加热器31,各子加热器31之间形成以下任一电连接形式:
(i)各子加热器31之间形成串联电连接;
(ii)各子加热器31之间形成并联电连接;
(iii)各子加热器31之间形成混联电连接。
各子加热器31之间形成混联电连接,是指第一部分子加热器31之间形成串联电连接,其余部分子加热器31之间形成串联电连接,第一部分子加热器31与其余部分子加热器31形成并联电连接。如图2和图3所示,各子加热器31之间形成混联电连接。如图4所示,各子加热器31之间形成串联电连接。
在本申请实施例中,在各子加热器31之间形成并联电连接或混联电连接时,可以减少加热器30的总电阻,从而在输入电压不变的前提下,能够提高输入各子加热器31的加热电流,使得各子加热器31可以更快地提高电芯21的温度,从而提高对电芯模组20进行加热的效果。
将子加热器31设置于电芯21内部,各子加热器31之间形成混联电连接,可以采用分布供电的方式为各子加热器31进行供电,保证对加热器31进行供电的灵活性。
电子设备
本申请一个实施例提供了一种电子设备,包括上述实施例中的电池包。电子设备可以是无人机、电动两轮车、电动工具等,当电子设备在较低温度环境下使用时,通过电池包中的电芯模组或充电器,为电池包中的加热器供电,以通过加热器对电芯模组进行加热,使得电芯模组能够在较短时间内上升到适宜的温度,从而提高电芯模组在低温环境下的充放电性能,提升电子设备在低温环境下的使用体验。
需要说明的是,由于前述电池包实施例已经对电芯模组的加热电路进行了详细说明,电子设备中电芯模组的加热原理可参照前述实施例中的描述,在此不再进行赘述。
本申请实施例的商业价值
本申请实施例在解决低温环境下二次电池充放电性能较差,且容易导致二次电池损坏的技术问题时,当环境温度较低时,响应于电芯模组的温度不低于温度阈值,控制器可以向第一开关发送控制信号,使第一开关执行导通,第一开关导通后,电芯模组、第一开关和加热器所在的第一电路导通,由电芯模组为加热器供电,使加热器温度升高,以对电芯模组进行加热,使得电芯模组能够在较短时间内上升至适宜的温度,从而提高电芯模组在低温环境下的充放电性能。
应该理解,本说明书中的各个实施例均采用递进的方式描述,各个实施例之间相同或相似的部分互相参见即可,每个实施例重点说明的都是与其他实施例的不同之处。尤其,对于方法实施例而言,由于其基本相似于装置和系统实施例中描述的方法,所以描述的比较简单,相关之处参见其他实施例的部分说明即可。
应该理解,上述对本说明书特定实施例进行了描述。其它实施例在权利要求书的范围内。在一些情况下,在权利要求书中记载的动作或步骤可以按照不同于实施例中的顺序来执行并且仍然可以实现期望的结果。另外,在附图中描绘的过程不一定要求示出的特定顺序或者连续顺序才能实现期望的结果。在某些实施方式中,多任务处理和并行处理也是可以的或者可能是有利的。
应该理解,本文用单数形式描述或者在附图中仅显示一个的元件并不代表将该元件的数量限于一个。此外,本文中被描述或示出为分开的模块或元件可被组合为单个模块或元件,且本文中被描述或示出为单个的模块或元件可被拆分为多个模块或元件。
还应理解,本文采用的术语和表述方式只是用于描述,本说明书的一个或多个实施例并不应局限于这些术语和表述。使用这些术语和表述并不意味着排除任何示意和描述(或其中部分)的等效特征,应认识到可能存在的各种修改也应包含在权利要求范围内。其他修改、变化和替换也可能存在。相应的,权利要求应视为覆盖所有这些等效物。
Claims (13)
1.一种电池包,其特征在于,包括:电池加热电路、电芯模组和加热器,所述电池加热电路包括控制器和第一开关,所述第一开关接收所述控制器的控制信号执行导通或关断,所述第一开关包括NMOS管或PMOS管;
所述第一开关与所述电芯模组和所述加热器电连接;
所述第一开关被配置为响应于所述电芯模组的温度不低于温度阈值,接收所述控制器的控制信号执行导通,所述电芯模组、所述第一开关和所述加热器所在的第一电路导通,使所述加热器的温度上升,以对所述电芯模组进行加热;所述电芯模组包括至少一个电芯,所述加热器包括至少一个子加热器;
其中,所述子加热器与所述电芯一一对应,每一个所述子加热器包括至少两个金属端子,所述金属端子自所述电芯内部引出。
2.根据权利要求1所述的电池包,其中,所述第一开关的控制端与所述控制器电连接,用于接收所述控制器的控制信号;
所述第一开关的第一端与所述电芯模组的正极电连接,所述第一开关的第二端与所述加热器的第一端电连接,所述加热器的第二端与所述电芯模组的负极电连接;
或者,所述加热器的第一端与所述电芯模组的正极电连接,所述加热器的第二端与所述第一开关的第二端电连接,所述第一开关的第一端与所述电芯模组的负极电连接。
3.根据权利要求1所述的电池包,其中,所述电池加热电路还包括:第二开关和充电端口,所述第二开关分别与所述加热器和所述充电端口电连接,并接收所述控制器的控制信号执行导通或关断;
所述第二开关被配置为响应于所述电芯模组的温度低于所述温度阈值,接收所述控制器的控制信号执行导通,所述充电端口被配置为与充电器电连接,以使所述充电器、所述第二开关和所述加热器所在的第二电路导通。
4.根据权利要求3所述的电池包,其中,所述第二开关的控制端与所述控制器电连接,用于接收所述控制器的控制信号,所述充电端口包括第一充电端口和第二充电端口;
所述第二开关的第一端与所述第一充电端口电连接,所述第二开关的第二端与所述加热器的第一端电连接,所述加热器的第二端与所述第二充电端口电连接;
或者,所述加热器的第一端与所述第一充电端口电连接,所述加热器的第二端与所述第二开关的第二端电连接,所述第二开关的第一端与所述第二充电端口电连接。
5.根据权利要求3所述的电池包,其中,所述第一开关接收所述控制器的控制信号执行导通时,所述第二开关接收所述控制器的控制信号执行关断;
或者,所述第二开关接收所述控制器的控制信号执行导通时,所述第一开关接收所述控制器的控制信号执行关断。
6.根据权利要求3-5中任一所述的电池包,其中,所述电池加热电路还包括:检测器,所述检测器分别与所述电芯模组和所述控制器电连接,用于获取所述电芯模组的温度信息,并将所述温度信息发送给所述控制器;
其中,响应于所述控制器唤醒,所述检测器检测所述电芯模组的温度。
7.根据权利要求6所述的电池包,其中,所述控制器唤醒还包括:
响应于开机信号,所述控制器从休眠状态进入工作状态,所述控制器唤醒;
或者,响应于充电器接入所述充电端口,所述控制器接收充电信号,所述控制器唤醒。
8.根据权利要求3-5中任一所述的电池包,其中,响应于所述充电器的电压高于第一电压阈值,所述第二开关接收所述控制器的控制信号执行关断。
9.根据权利要求1-5中任一所述电池包,其中,所述电池加热电路还包括:第一二极管;
所述第一二极管的阳极与所述电芯模组的正极电连接,所述第一二极管的阴极与所述第一开关电连接。
10.根据权利要求3-5中任一所述的电池包,其中,所述电池加热电路还包括:第二二极管;
所述第二二极管的阳极与所述充电端口电连接,所述第二二极管的阴极与所述第二开关电连接。
11.根据权利要求1所述的电池包,其中,所述加热器包括三个以上的所述子加热器,各所述子加热器之间形成以下任一电连接形式:
(i)所述子加热器之间形成串联电连接;
(ii)所述子加热器之间形成并联电连接;
(iii)所述子加热器之间形成混联电连接。
12.根据权利要求1-5中任一所述的电池包,其中,所述电池加热电路还包括:第三开关和第四开关,所述第三开关与所述第四开关串联;
所述第三开关与所述第四开关电连接于所述电芯模组的正极与所述电芯模组的正极输出端之间;
或者,所述第三开关与所述第四开关电连接于所述电芯模组的负极与所述电芯模组的负极输出端之间。
13.一种电子设备,其特征在于,包括如权利要求1-12中任一项所述的电池包。
Priority Applications (1)
| Application Number | Priority Date | Filing Date | Title |
|---|---|---|---|
| CN202220645089.7U CN217134492U (zh) | 2022-03-23 | 2022-03-23 | 电池包和电子设备 |
Applications Claiming Priority (1)
| Application Number | Priority Date | Filing Date | Title |
|---|---|---|---|
| CN202220645089.7U CN217134492U (zh) | 2022-03-23 | 2022-03-23 | 电池包和电子设备 |
Publications (1)
| Publication Number | Publication Date |
|---|---|
| CN217134492U true CN217134492U (zh) | 2022-08-05 |
Family
ID=82644306
Family Applications (1)
| Application Number | Title | Priority Date | Filing Date |
|---|---|---|---|
| CN202220645089.7U Active CN217134492U (zh) | 2022-03-23 | 2022-03-23 | 电池包和电子设备 |
Country Status (1)
| Country | Link |
|---|---|
| CN (1) | CN217134492U (zh) |
Cited By (1)
| Publication number | Priority date | Publication date | Assignee | Title |
|---|---|---|---|---|
| CN115275394A (zh) * | 2022-08-15 | 2022-11-01 | 厦门新能达科技有限公司 | 一种电池包、用电设备、放电控制方法及电池管理系统 |
-
2022
- 2022-03-23 CN CN202220645089.7U patent/CN217134492U/zh active Active
Cited By (1)
| Publication number | Priority date | Publication date | Assignee | Title |
|---|---|---|---|---|
| CN115275394A (zh) * | 2022-08-15 | 2022-11-01 | 厦门新能达科技有限公司 | 一种电池包、用电设备、放电控制方法及电池管理系统 |
Similar Documents
| Publication | Publication Date | Title |
|---|---|---|
| CN204857867U (zh) | 一种在低温环境下使用的锂离子电池 | |
| CN216354438U (zh) | 自加热控制电路和系统 | |
| CN106696744B (zh) | 一种电动汽车动力电池充电加热系统及加热方法 | |
| CN108777339B (zh) | 一种锂离子电池脉冲放电自加热方法及装置 | |
| CN111431227B (zh) | 串并联切换控制电路及电池装置 | |
| CN204966636U (zh) | 一种电池加热装置、动力电池包设备及电动车辆 | |
| KR20140044127A (ko) | 멀티 bms 기동 장치 | |
| CN207303302U (zh) | 一种电池加热电路、电池和无人机 | |
| CN203721843U (zh) | 一种动力锂离子电池模块用低温自加热电路 | |
| CN110085947A (zh) | 一种电池单体快速自加热方法、系统及装置 | |
| CN107834519A (zh) | 锂电池保护控制asic芯片系统 | |
| CN107834122B (zh) | 一种自动加热电池的装置及方法 | |
| CN111541287A (zh) | 一种储能型锂电池组电池管理系统及控制方法 | |
| CN112319311A (zh) | 一种动力电池自启动控制系统及方法 | |
| CN203521558U (zh) | 混合动力车辆电池系统低温调控装置 | |
| CN116142015A (zh) | 一种动力电池充电系统及其低温充电控制策略 | |
| CN116235381A (zh) | 电路控制方法、电池及其控制器和管理系统、用电装置 | |
| CN108146276B (zh) | 电池自动切换装置及其控制方法 | |
| US9634350B2 (en) | Energy storage device | |
| WO2021083149A1 (zh) | 充电方法和充电系统 | |
| CN209409777U (zh) | 一种电池包加热电路 | |
| CN105633497A (zh) | 一种电动汽车锂离子电池低温充电加热系统及其加热方法 | |
| CN217134492U (zh) | 电池包和电子设备 | |
| WO2023178550A1 (zh) | 电池包、电池加热方法和电子设备 | |
| CN207711839U (zh) | 电池自动切换装置 |
Legal Events
| Date | Code | Title | Description |
|---|---|---|---|
| GR01 | Patent grant | ||
| GR01 | Patent grant | ||
| TR01 | Transfer of patent right | ||
| TR01 | Transfer of patent right |
Effective date of registration: 20250121 Address after: 352100 Xingang Road, Zhangwan Town, Jiaocheng District, Ningde, Fujian 1 Patentee after: NINGDE AMPEREX TECHNOLOGY Ltd. Country or region after: China Address before: No.1, Xinghui Road, Songshanhu Park, Dongguan, Guangdong 523000 Patentee before: Dongguan xinneng'an Technology Co.,Ltd. Country or region before: China |