CN217132499U - 一种孔网钢带管密封性检测装置 - Google Patents

一种孔网钢带管密封性检测装置 Download PDF

Info

Publication number
CN217132499U
CN217132499U CN202221163804.XU CN202221163804U CN217132499U CN 217132499 U CN217132499 U CN 217132499U CN 202221163804 U CN202221163804 U CN 202221163804U CN 217132499 U CN217132499 U CN 217132499U
Authority
CN
China
Prior art keywords
detection chamber
detecting
tightness
controller
driving mechanism
Prior art date
Legal status (The legal status is an assumption and is not a legal conclusion. Google has not performed a legal analysis and makes no representation as to the accuracy of the status listed.)
Expired - Fee Related
Application number
CN202221163804.XU
Other languages
English (en)
Inventor
黄仁国
黄桂斌
李依心
Current Assignee (The listed assignees may be inaccurate. Google has not performed a legal analysis and makes no representation or warranty as to the accuracy of the list.)
Lanzhou Weicheng Pipe Industry Co ltd
Original Assignee
Lanzhou Weicheng Pipe Industry Co ltd
Priority date (The priority date is an assumption and is not a legal conclusion. Google has not performed a legal analysis and makes no representation as to the accuracy of the date listed.)
Filing date
Publication date
Application filed by Lanzhou Weicheng Pipe Industry Co ltd filed Critical Lanzhou Weicheng Pipe Industry Co ltd
Priority to CN202221163804.XU priority Critical patent/CN217132499U/zh
Application granted granted Critical
Publication of CN217132499U publication Critical patent/CN217132499U/zh
Expired - Fee Related legal-status Critical Current
Anticipated expiration legal-status Critical

Links

Images

Landscapes

  • Examining Or Testing Airtightness (AREA)

Abstract

本实用新型公开了一种孔网钢带管密封性检测装置,主要由:底座、检测室、驱动机构、堵头、气泵以及控制器组合而成,所述检测室设置在所述底座上,所述驱动机构设置在所述检测室顶部的一端,所述堵头与所述驱动机构连接并置于所述检测室内,所述控制器设置在所述检测室顶部的另一端,所述气泵设置在所述检测室的外壁并置于远离所述驱动机构的一侧,所述驱动机构与所述控制器电性连接;本实用新型的孔网钢带管密封性检测装置结构简单,操作方便,帮助检测人员快速找出漏气点,提升检测精准度同时极大的提高对漏气点的检测效率。

Description

一种孔网钢带管密封性检测装置
技术领域
本实用新型涉及钢带管检测设备领域,特别涉及一种孔网钢带管密封性检测装置。
背景技术
目前复合管是一种现在应用比较广泛,使用成熟的管材,在常规环境下可以满足大多数需求但特殊环境下使用的复合管需要满足多重条件,例如防潮、防腐、气密性、保温或者耐高温等,并且需要对产品进行抽检从而保证产品合格率,其中在气密性的检查中需要用到气密性检测设备,但现有的检测设备仅仅通过向管内通入气体,通过管内气压判断气密性是否完好,入碰到不符合标准的材料,现有装置仅能够检测到结果却无法帮助检测人员找出漏气位置,从而需要耗费大量时间对钢带管进行检测,从而找出漏气位置,不仅耗费了时间且增加了工作人员的工作量。
实用新型内容
实用新型的目的在于提供一种孔网钢带管密封性检测装置,解决了背景技术中提到的问题。
本实用新型是这样实现的,一种孔网钢带管密封性检测装置,该孔网钢带管密封性检测装置主要由:底座、检测室、驱动机构、堵头、气泵以及控制器组合而成,所述检测室设置在所述底座上,所述驱动机构设置在所述检测室顶部的一端,所述堵头与所述驱动机构连接并置于所述检测室内,所述控制器设置在所述检测室顶部的另一端,所述气泵设置在所述检测室的外壁并置于远离所述驱动机构的一侧,所述驱动机构与所述控制器电性连接。
本实用新型的进一步技术方案是:所述检测室的底部设有与所述控制器电性连接的电控阀门。
本实用新型的进一步技术方案是:所述底座的内部设有与所述电控阀门连接的循环水箱。
本实用新型的进一步技术方案是:所述循环水箱通过循环管与所述检测室连通。
本实用新型的进一步技术方案是:所述循环管与所述循环水箱的连接处设有与所述控制器电性连接的小型泵。
本实用新型的进一步技术方案是:所述检测室的内壁设有与所述气泵连通的进气连接端,所述检测室为透明材质。
本实用新型的进一步技术方案是:所述进气连接端上设有与所述控制器电性连接的压力传感器。
本实用新型的进一步技术方案是:所述驱动机构包括:安装台、驱动电机以及驱动螺杆,所述安装台设置在所述检测室的顶部,所述驱动电机设置在所述安装台的侧壁,所述驱动螺杆的一端与所述驱动电机连接,所述驱动螺杆的另一端贯穿所述安装台并与所述安装台的内壁转轴连接。
本实用新型的进一步技术方案是:所述堵头通过滑动块与所述驱动机构连接。
本实用新型的进一步技术方案是:所述堵头与所述进气连接端在同一水平线上,所述控制器上设有显示屏。
本实用新型的有益效果:本实用新型的孔网钢带管密封性检测装置结构简单,操作方便,将待检测的孔网钢带管的一端与进气连接端安装好后,驱动机构驱动堵头平移将孔网钢带管另一端封堵,通过气泵进气加压,通过压力传感器以及控制器上的显示屏可探知管内压力变化,如有漏气点控制器控制循环水箱内的水进入检测室,帮助检测人员快速找出漏气点,提升检测精准度同时极大的提高对漏气点的检测效率。
附图说明
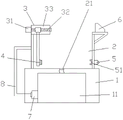
图1是本实用新型提供的一种孔网钢带管密封性检测装置的整体结构示意图。
具体实施方式
以下通过特定的具体实例说明本实用新型的实施方式,本领域技术人员可由本说明书所揭露的内容轻易地了解本实用新型的其他优点与功效。本实用新型还可以通过另外不同的具体实施方式加以实施或应用,本说明书中的各项细节也可以基于不同观点与应用,在没有背离本实用新型的精神下进行各种修饰或改变。
需要说明的是,本说明书所附图式所绘示的结构、比例、大小等,均仅用以配合说明书所揭示的内容,以供熟悉此技术的人士了解与阅读,并非用以限定本实用新型可实施的限定条件,故不具技术上的实质意义,任何结构的修饰、比例关系的改变或大小的调整,在不影响本实用新型所能产生的功效及所能达成的目的下,均应仍落在本实用新型所揭示的技术内容得能涵盖的范围内。同时,本说明书中所引用的如“上”、“下”、“左”、“右”、“中间”及“一”等的用语,亦仅为便于叙述的明了,而非用以限定本实用新型可实施的范围,其相对关系的改变或调整,在无实质变更技术内容下,当亦视为本实用新型可实施的范畴。
实施例一:图1示出了一种孔网钢带管密封性检测装置,该孔网钢带管密封性检测装置主要由:底座1、检测室2、驱动机构3、堵头4、气泵5以及控制器6组合而成,所述检测室2设置在所述底座1上,所述驱动机构3设置在所述检测室2顶部的一端,所述堵头4与所述驱动机构3连接并置于所述检测室2内,所述控制器6设置在所述检测室2顶部的另一端,所述气泵5设置在所述检测室2的外壁并置于远离所述驱动机构3的一侧,所述驱动机构3与所述控制器6电性连接;所述检测室2的底部设有与所述控制器6电性连接的电控阀门21;所述底座1的内部设有与所述电控阀门21连接的循环水箱11;所述循环水箱11通过循环管8与所述检测室2连通;所述循环管8与所述循环水箱11的连接处设有与所述控制器6电性连接的小型泵7;所述检测室2的内壁设有与所述气泵5连通的进气连接端51,所述检测室2为透明材质;所述进气连接端51上设有与所述控制器6电性连接的压力传感器;所述驱动机构3包括:安装台33、驱动电机31以及驱动螺杆32,所述安装台33设置在所述检测室2的顶部,所述驱动电机31设置在所述安装台33的侧壁,所述驱动螺杆32的一端与所述驱动电机31连接,所述驱动螺杆32的另一端贯穿所述安装台33并与所述安装台33的内壁转轴连接;所述堵头4通过滑动块与所述驱动机构3连接;所述堵头4与所述进气连接端51在同一水平线上,所述控制器6上设有显示屏;本实用新型的孔网钢带管密封性检测装置结构简单,操作方便,将待检测的孔网钢带管的一端与进气连接端安装好后,驱动机构驱动堵头平移将孔网钢带管另一端封堵,通过气泵进气加压,通过压力传感器以及控制器上的显示屏可探知管内压力变化,如有漏气点控制器控制循环水箱内的水进入检测室,帮助检测人员快速找出漏气点,提升检测精准度同时极大的提高对漏气点的检测效率。
以上所述仅为本实用新型的较佳实施例而已,并不用以限制本实用新型,凡在本实用新型的精神和原则之内所作的任何修改、等同替换和改进等,均应包含在本实用新型的保护范围之内。

Claims (10)

1.一种孔网钢带管密封性检测装置,其特征在于,该孔网钢带管密封性检测装置主要由:底座(1)、检测室(2)、驱动机构(3)、堵头(4)、气泵(5)以及控制器(6)组合而成,所述检测室(2)设置在所述底座(1)上,所述驱动机构(3)设置在所述检测室(2)顶部的一端,所述堵头(4)与所述驱动机构(3)连接并置于所述检测室(2)内,所述控制器(6)设置在所述检测室(2)顶部的另一端,所述气泵(5)设置在所述检测室(2)的外壁并置于远离所述驱动机构(3)的一侧,所述驱动机构(3)与所述控制器(6)电性连接。
2.根据权利要求1所述的一种孔网钢带管密封性检测装置,其特征在于,所述检测室(2)的底部设有与所述控制器(6)电性连接的电控阀门(21)。
3.根据权利要求2所述的一种孔网钢带管密封性检测装置,其特征在于,所述底座(1)的内部设有与所述电控阀门(21)连接的循环水箱(11)。
4.根据权利要求3所述的一种孔网钢带管密封性检测装置,其特征在于,所述循环水箱(11)通过循环管(8)与所述检测室(2)连通。
5.根据权利要求4所述的一种孔网钢带管密封性检测装置,其特征在于,所述循环管(8)与所述循环水箱(11)的连接处设有与所述控制器(6)电性连接的小型泵(7)。
6.根据权利要求1所述的一种孔网钢带管密封性检测装置,其特征在于,所述检测室(2)的内壁设有与所述气泵(5)连通的进气连接端(51),所述检测室(2)为透明材质。
7.根据权利要求6所述的一种孔网钢带管密封性检测装置,其特征在于,所述进气连接端(51)上设有与所述控制器(6)电性连接的压力传感器。
8.根据权利要求7所述的一种孔网钢带管密封性检测装置,其特征在于,所述驱动机构(3)包括:安装台(33)、驱动电机(31)以及驱动螺杆(32),所述安装台(33)设置在所述检测室(2)的顶部,所述驱动电机(31)设置在所述安装台(33)的侧壁,所述驱动螺杆(32)的一端与所述驱动电机(31)连接,所述驱动螺杆(32)的另一端贯穿所述安装台(33)并与所述安装台(33)的内壁转轴连接。
9.根据权利要求8所述的一种孔网钢带管密封性检测装置,其特征在于,所述堵头(4)通过滑动块与所述驱动机构(3)连接。
10.根据权利要求9所述的一种孔网钢带管密封性检测装置,其特征在于,所述堵头(4)与所述进气连接端(51)在同一水平线上,所述控制器(6)上设有显示屏。
CN202221163804.XU 2022-05-16 2022-05-16 一种孔网钢带管密封性检测装置 Expired - Fee Related CN217132499U (zh)

Priority Applications (1)

Application Number Priority Date Filing Date Title
CN202221163804.XU CN217132499U (zh) 2022-05-16 2022-05-16 一种孔网钢带管密封性检测装置

Applications Claiming Priority (1)

Application Number Priority Date Filing Date Title
CN202221163804.XU CN217132499U (zh) 2022-05-16 2022-05-16 一种孔网钢带管密封性检测装置

Publications (1)

Publication Number Publication Date
CN217132499U true CN217132499U (zh) 2022-08-05

Family

ID=82616246

Family Applications (1)

Application Number Title Priority Date Filing Date
CN202221163804.XU Expired - Fee Related CN217132499U (zh) 2022-05-16 2022-05-16 一种孔网钢带管密封性检测装置

Country Status (1)

Country Link
CN (1) CN217132499U (zh)

Cited By (1)

* Cited by examiner, † Cited by third party
Publication number Priority date Publication date Assignee Title
CN115371903A (zh) * 2022-08-30 2022-11-22 阜阳安固锅炉压力容器制造有限公司 一种热能管气密性检测装置

Cited By (1)

* Cited by examiner, † Cited by third party
Publication number Priority date Publication date Assignee Title
CN115371903A (zh) * 2022-08-30 2022-11-22 阜阳安固锅炉压力容器制造有限公司 一种热能管气密性检测装置

Similar Documents

Publication Publication Date Title
CN102062666B (zh) 真空隔热板真空度检测装置
CN217132499U (zh) 一种孔网钢带管密封性检测装置
CN110361142A (zh) 一种阀门的密封性检测装置
CN203350125U (zh) 一种检测旋转端面密封性能的试验台
CN113514206B (zh) 一种防火阀漏风量检测装置
CN103364319A (zh) 高温三轴测定煤或岩石渗透特性的装置
CN204461693U (zh) 用于食品加工的热交换器内漏的可视化检漏装置
CN206503703U (zh) 泵性能测试系统
CN219128886U (zh) 一种泄漏自动报警的气体混配装置
CN207964215U (zh) 一种新型气密测漏装置
CN217179861U (zh) 一种保温管气密性检测装置
CN110133214A (zh) 一种用于离心场下模拟寒区输水渠道水位升降的试验装置
CN210719571U (zh) 一种新型储油罐密闭性检测装置
CN212206495U (zh) 一种管件密封性能检测装置
CN221424638U (zh) 一种燃气管道泄漏报警装置
CN211648433U (zh) 一种计量泵液密性检测仪
CN113551155A (zh) 一种蒸汽管路运行综合维护装置
CN211401589U (zh) 一种换热器用检测装置
CN209992129U (zh) 一种船舶艉轴密封真空检验器
CN115791434A (zh) 一种密封垫片高低温性能检测装置
CN208326277U (zh) 储油罐
CN216483773U (zh) 一种新型容积气密性正负压检测装置
CN218885402U (zh) 一种便携式压力管道检测装置
CN218270338U (zh) 一种空温式气化器防泄漏装置
CN205861289U (zh) 高炉冷却设备检漏装置

Legal Events

Date Code Title Description
GR01 Patent grant
GR01 Patent grant
CF01 Termination of patent right due to non-payment of annual fee
CF01 Termination of patent right due to non-payment of annual fee

Granted publication date: 20220805