CN217105080U - Pile frame - Google Patents
Pile frame Download PDFInfo
- Publication number
- CN217105080U CN217105080U CN202220676759.1U CN202220676759U CN217105080U CN 217105080 U CN217105080 U CN 217105080U CN 202220676759 U CN202220676759 U CN 202220676759U CN 217105080 U CN217105080 U CN 217105080U
- Authority
- CN
- China
- Prior art keywords
- hinged
- pile frame
- main body
- telescopic
- assembly
- Prior art date
- Legal status (The legal status is an assumption and is not a legal conclusion. Google has not performed a legal analysis and makes no representation as to the accuracy of the status listed.)
- Withdrawn - After Issue
Links
Images
Landscapes
- Placing Or Removing Of Piles Or Sheet Piles, Or Accessories Thereof (AREA)
Abstract
本实用新型公开了一种桩架,包括:回转平台、铰接于回转平台的前支架、铰接于前支架的立柱组件、斜支撑以及立桅组件;立桅组件包括主体部、立桅卷扬以及可伸缩设置的动力部,主体部的一端铰接于回转平台,另一端与斜支撑铰接连接,斜支撑的另一端铰接于立柱组件;动力部可伸缩设置,且动力部的一端铰接于回转平台,另一端铰接于主体部,以调节主体部相对于回转平台的转动角度。本实用新型提供的桩架在使用的过程中不需要起重机辅助,便可以将立柱组件拉至垂直状态,并且立桅过程方便、易操作,不需要多个油缸一致性动作,降低了操作难度。
The utility model discloses a pile frame, comprising: a slewing platform, a front bracket hinged on the slewing platform, a column assembly hinged on the front bracket, an oblique support and a vertical mast assembly; the vertical mast assembly includes a main body, a vertical mast hoisting and In the telescopically arranged power part, one end of the main body is hinged to the slewing platform, the other end is hingedly connected to the oblique support, and the other end of the oblique support is hinged to the column assembly; The other end is hinged to the main body part to adjust the rotation angle of the main body part relative to the slewing platform. The pile frame provided by the utility model can pull the column assembly to a vertical state without the assistance of a crane during use, and the process of erecting the mast is convenient and easy to operate, and the consistent action of multiple oil cylinders is not required, thereby reducing the difficulty of operation.
Description
技术领域technical field
本实用新型涉及建筑施工设备技术领域,更具体地说,涉及一种桩架。The utility model relates to the technical field of construction equipment, in particular to a pile frame.
背景技术Background technique
桩架是建筑工程施工中必不可少的大型工作母机,各种打桩、钻孔等桩基础施工的工作装置均要搭载在桩架上进行施工作业。履带式桩架是各类桩架中的一种,其以履带行走方式进行位置移动,具有灵活方便的特点。履带桩架一般主要由底盘、机身、立柱、斜支撑和动力液压系统等组成,由于其立柱较长(一般20~40米),在长距离转场运输时,需要将立柱倒桅拆卸,到新的场地后再重新立桅安装。The pile frame is an indispensable large-scale working machine in the construction of construction projects. Various working devices for pile foundation construction such as piling and drilling must be carried on the pile frame for construction operations. Crawler type pile frame is one of various types of pile frame, which moves in the way of crawler, and has the characteristics of flexibility and convenience. The crawler pile frame is generally mainly composed of chassis, fuselage, column, inclined support and power hydraulic system. After arriving at the new site, erect the mast again.
目前,履带桩架及其安装方法有以下几种:At present, the crawler pile frame and its installation methods are as follows:
如图1所示,第一种需要用起重机辅助作业,立桅时,卷扬带动滑轮组将立柱01拉起到75度,起重机辅助将斜撑油缸吊至安装位置,再由斜撑油缸将立柱拉垂直。As shown in Figure 1, the first type requires a crane to assist the operation. When the mast is erected, the hoist drives the pulley block to pull the
如图2所示,第二种当立桅高度较小时,可以采用一组油缸进行立桅,立柱01、油缸02以及机身铰接成一个大三角,利用油缸的收缩调节立柱的垂直度。采用此种方式立桅的桩架的立柱高度不能太高,支点较低,稳定性不高。As shown in Figure 2, when the height of the vertical mast is small, a group of oil cylinders can be used to erect the mast. The
如图3所示,第三种无需吊车辅助,采用两组油缸02复合动作进行立桅,在操作过程中,对立桅油缸的同步性要求特别高,操作难度大。As shown in Figure 3, the third type does not require the assistance of a crane, and uses two sets of
综上所述,如何提供一种无需吊车辅助且立桅操作简单的桩架,是目前本领域技术人员亟待解决的问题。To sum up, how to provide a pile frame that does not require the assistance of a crane and is easy to operate for erecting a mast is an urgent problem to be solved by those skilled in the art.
实用新型内容Utility model content
有鉴于此,本实用新型的目的是提供一种桩架,在使用的过程中,不需要起重机辅助,便可以将立柱组件拉至垂直状态,并且立桅过程方便、易操作,不需要多个油缸一致性动作,降低了操作难度。In view of this, the purpose of the present utility model is to provide a pile frame, in the process of use, without the assistance of a crane, the column assembly can be pulled to a vertical state, and the process of erecting the mast is convenient and easy to operate, and does not require multiple The consistent action of the oil cylinder reduces the difficulty of operation.
为了实现上述目的,本实用新型提供如下技术方案:In order to achieve the above object, the utility model provides the following technical solutions:
一种桩架,包括:回转平台、铰接于所述回转平台的前支架、铰接于所述前支架的立柱组件、斜支撑以及立桅组件;A pile frame, comprising: a slewing platform, a front bracket hinged on the slewing platform, a column assembly hinged on the front bracket, an oblique support and a vertical mast assembly;
所述立桅组件包括主体部、立桅卷扬以及可伸缩设置的动力部,所述主体部的一端铰接于所述回转平台,另一端与所述斜支撑铰接连接,所述斜支撑的另一端铰接于所述立柱组件;所述动力部可伸缩设置,且所述动力部的一端铰接于所述回转平台,另一端铰接于所述主体部,以调节所述主体部相对于所述回转平台的转动角度。The vertical mast assembly includes a main body part, a vertical mast hoisting and a telescopically arranged power part, one end of the main body part is hinged to the slewing platform, the other end is hingedly connected to the oblique support, and the other end of the oblique support is hinged. One end is hinged to the column assembly; the power part is telescopically arranged, one end of the power part is hinged to the slewing platform, and the other end is hinged to the main body part to adjust the rotation of the main body part relative to the The rotation angle of the platform.
可选地,所述主体部包括一字架以及垂直于所述一字架设置的横梁,所述一字架的一端铰接于所述回转平台,另一端铰接连接于所述横梁,所述斜支撑与所述横梁铰接连接。Optionally, the main body includes a frame and a beam arranged perpendicular to the frame, one end of the frame is hinged to the revolving platform, the other end is hinged to the beam, and the oblique A support is hingedly connected to the beam.
可选地,所述一字架的数量为两根,且两根所述一字架平行设置。Optionally, the number of the in-line frames is two, and the two in-line frames are arranged in parallel.
可选地,所述横梁包括固定端、沿所述横梁的长度方向可伸缩的连接于所述固定端的伸缩端以及带动所述伸缩端相对于所述固定端伸缩的伸缩动力件;Optionally, the beam includes a fixed end, a telescopic end telescopically connected to the fixed end along the length of the beam, and a telescopic power member that drives the telescopic end to expand and contract relative to the fixed end;
所述固定端与所述一字架铰接连接,所述伸缩端的端部设置有用于与所述斜支撑铰接连接的耳座;The fixed end is hingedly connected with the in-line frame, and the end of the telescopic end is provided with an ear seat for hinged connection with the oblique support;
所述伸缩端的数量为两个,且两个所述伸缩端分别可伸缩的设置于所述固定端的两端,且所述斜支撑与所述伸缩端一一对应连接。The number of the telescopic ends is two, and the two telescopic ends are respectively arranged telescopically at both ends of the fixed end, and the oblique supports are connected to the telescopic ends in a one-to-one correspondence.
可选地,所述主体部包括设置于所述横梁的上滑轮组以及设置于所述回转平台的下滑轮组,钢丝绳依次绕设于所述立桅卷扬、所述上滑轮组、所述下滑轮组。Optionally, the main body portion includes an upper pulley set disposed on the beam and a lower pulley set disposed on the slewing platform, and the wire rope is wound around the vertical mast, the upper pulley set, and the lower pulley set in turn.
可选地,所述回转平台设置有用于支撑所述横梁的撑杆,所述撑杆与所述横梁可拆卸连接。Optionally, the slewing platform is provided with a strut for supporting the beam, and the strut is detachably connected to the beam.
可选地,所述动力部为举升油缸;Optionally, the power part is a lift cylinder;
所述斜支撑为伸缩油缸。The inclined support is a telescopic oil cylinder.
可选地,所述立柱组件包括若干可拆卸连接的立柱分段。Optionally, the upright assembly includes several detachably connected upright segments.
可选地,所述回转平台设置有吊装卷扬,所述立柱分段中的至少一者设置有滑轮组件,安装有吊钩部的钢丝绳一端连接于所述吊装卷扬,另一端穿过所述滑轮组件设置。Optionally, the slewing platform is provided with a hoisting hoist, at least one of the column segments is provided with a pulley assembly, one end of the wire rope with the hook portion is connected to the hoisting hoist, and the other end passes through the hoisting hoist. Set the pulley assembly as described above.
在使用本实用新型提供的桩架的过程中,当需要将立柱组件立起时,首先需要通过动力部驱动主体部相对于回转平台转动,使主体部与斜支撑铰接的一端抬起,抬起至合适高度后,控制动力部缩回,立桅卷扬上的钢丝绳通过上滑轮组和下滑轮组形成倍率组拉起立柱组件到达75度左右,然后控制斜支撑缩回,带动立柱组件相对于前支架转动,直至立柱组件处于垂直状态。In the process of using the pile frame provided by the utility model, when the column assembly needs to be erected, firstly, the main body part needs to be driven by the power part to rotate relative to the slewing platform, so that the hinged end of the main body part and the oblique support is lifted up. After reaching the appropriate height, control the power part to retract, the wire rope on the mast winch forms a magnification group through the upper pulley group and the lower pulley group to pull up the column assembly to about 75 degrees, and then control the inclined support to retract, drive the column assembly relative to the front bracket Turn until the upright assembly is vertical.
相比于现有技术,本实用新型提供的桩架在使用的过程中不需要起重机辅助,便可以将立柱组件拉至垂直状态,并且立桅过程方便、易操作,不需要多个油缸一致性动作,降低了操作难度。Compared with the prior art, the pile frame provided by the utility model can pull the column assembly to a vertical state without the assistance of a crane during use, and the process of erecting the mast is convenient and easy to operate, and does not require the consistency of multiple oil cylinders. action, reducing the difficulty of operation.
附图说明Description of drawings
为了更清楚地说明本实用新型实施例或现有技术中的技术方案,下面将对实施例或现有技术描述中所需要使用的附图作简单地介绍,显而易见地,下面描述中的附图仅仅是本实用新型的实施例,对于本领域普通技术人员来讲,在不付出创造性劳动的前提下,还可以根据提供的附图获得其他的附图。In order to more clearly illustrate the embodiments of the present utility model or the technical solutions in the prior art, the following briefly introduces the accompanying drawings that need to be used in the description of the embodiments or the prior art. Obviously, the accompanying drawings in the following description It is only an embodiment of the present invention, and for those of ordinary skill in the art, other drawings can also be obtained according to the provided drawings without creative efforts.
图1为现有技术中桩架立桅方式的具体实施例一的示意图;1 is a schematic diagram of a specific embodiment 1 of the method of erecting a mast with a pile in the prior art;
图2为现有技术中桩架立桅方式的具体实施例二的示意图;Fig. 2 is the schematic diagram of the
图3为现有技术中桩架立桅方式的具体实施例三的示意图;Fig. 3 is the schematic diagram of the specific embodiment three of the method of erecting the mast with piles in the prior art;
图4为本实用新型所提供的桩架运输过程中具体实施例的结构示意图;Fig. 4 is the structural schematic diagram of the specific embodiment in the pile frame transportation process provided by the utility model;
图5为图4中桩架的侧视图;Fig. 5 is the side view of the pile frame in Fig. 4;
图6为本实用新型所提供的桩架立桅准备阶段的结构示意图;Fig. 6 is the structural schematic diagram of the preparation stage of pile erection mast provided by the utility model;
图7为本实用新型所提供的桩架作为吊车使用时的结构示意图;Fig. 7 is the structural schematic diagram when the pile frame provided by the utility model is used as a crane;
图8为本实用新型所提供的桩架中的立柱组件处于垂直状态的具体实施例的结构示意图;8 is a schematic structural diagram of a specific embodiment in which the column assembly in the pile frame provided by the present invention is in a vertical state;
图9为图8中桩架的侧视图;Figure 9 is a side view of the pile frame in Figure 8;
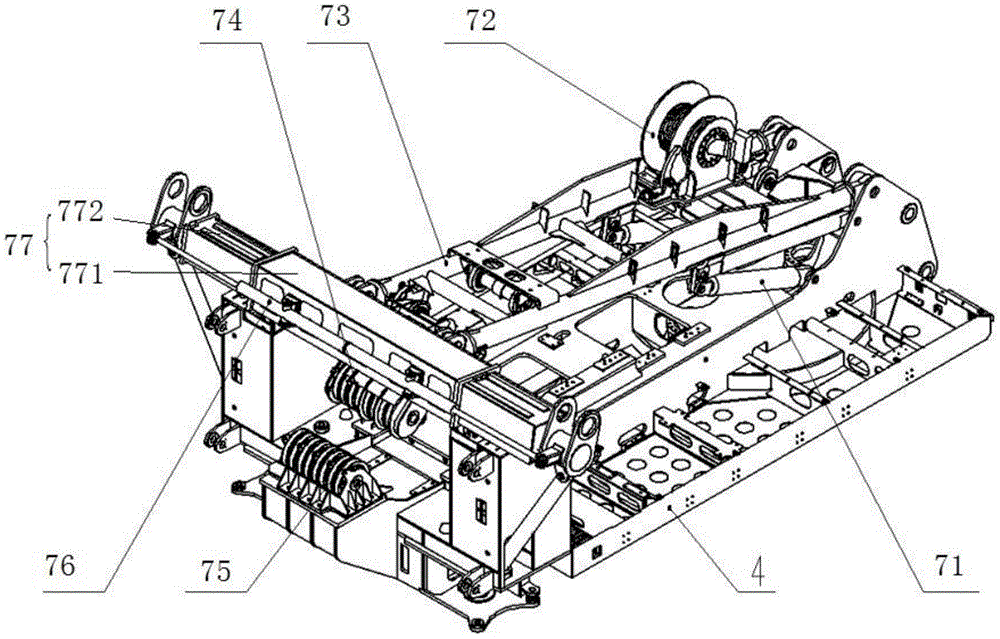
图10为立桅组件的结构示意图。Fig. 10 is a schematic diagram of the structure of the vertical mast assembly.
图1-图3中:In Figure 1-Figure 3:
01为立柱、02为油缸;01 is the column, 02 is the oil cylinder;
图4-图10中:In Figure 4-Figure 10:
1为鹅头、2为立柱组件、21为立柱分段、3为前支架、4为回转平台、5为分离装置、6为履带底盘、7为立桅组件、71为举升油缸、72为立桅卷扬、73为一字架、74为上滑轮组、75为下滑轮组、76为伸缩动力件、77为横梁、771为固定端、772为伸缩端、8为配重、9为斜支撑、10为滑轮组件。1 is the goose head, 2 is the column assembly, 21 is the column section, 3 is the front bracket, 4 is the slewing platform, 5 is the separation device, 6 is the crawler chassis, 7 is the vertical mast assembly, 71 is the lift cylinder, 72 is the Vertical mast winch, 73 is a frame, 74 is an upper pulley block, 75 is a lower pulley block, 76 is a telescopic power piece, 77 is a beam, 771 is a fixed end, 772 is a telescopic end, 8 is a counterweight, and 9 is a diagonal support , 10 is the pulley assembly.
具体实施方式Detailed ways
下面将结合本实用新型实施例中的附图,对本实用新型实施例中的技术方案进行清楚、完整地描述,显然,所描述的实施例仅仅是本实用新型一部分实施例,而不是全部的实施例。基于本实用新型中的实施例,本领域普通技术人员在没有做出创造性劳动前提下所获得的所有其他实施例,都属于本实用新型保护的范围。The technical solutions in the embodiments of the present utility model will be clearly and completely described below with reference to the accompanying drawings in the embodiments of the present utility model. Obviously, the described embodiments are only a part of the embodiments of the present utility model, rather than all the implementations. example. Based on the embodiments of the present invention, all other embodiments obtained by those of ordinary skill in the art without creative work fall within the protection scope of the present invention.
本实用新型的核心是提供一种桩架,在使用的过程中,不需要起重机辅助,便可以将立柱组件拉至垂直状态,并且立桅过程方便、易操作,不需要多个油缸一致性动作,降低了操作难度。The core of the utility model is to provide a pile frame, in the process of use, without the assistance of a crane, the column assembly can be pulled to a vertical state, and the process of erecting the mast is convenient and easy to operate, and does not require the consistent action of multiple oil cylinders , reducing the difficulty of operation.
请参考图4至图10。Please refer to Figure 4 to Figure 10.
本具体实施例公开了一种桩架,包括:回转平台4、铰接于回转平台4的前支架3、铰接于前支架3的立柱组件2、斜支撑9以及立桅组件7;This specific embodiment discloses a pile frame, including: a slewing platform 4, a
立桅组件7包括主体部、立桅卷扬72以及可伸缩设置的动力部,主体部的一端铰接于回转平台4,另一端与斜支撑9铰接连接,斜支撑9的另一端铰接于立柱组件2;动力部可伸缩设置,且动力部的一端铰接于回转平台4,另一端铰接于主体部,以调节主体部相对于回转平台4的转动角度。The
在使用本具体实施例提供的桩架的过程中,当需要将立柱组件2立起时,首先需要通过动力部驱动主体部相对于回转平台4转动,使主体部与斜支撑9铰接的一端抬起,抬起至合适高度后,控制动力部缩回,立桅卷扬72上的钢丝绳通过上滑轮组74和下滑轮组75形成倍率组拉起立柱组件2到达75度左右,然后控制斜支撑9缩回,带动立柱组件2相对于前支架3转动,直至立柱组件2处于垂直状态。In the process of using the pile frame provided by this specific embodiment, when the
相比于现有技术,本具体实施例提供的桩架在使用的过程中不需要起重机辅助,便可以将立柱组件2拉至垂直状态,并且立桅过程方便、易操作,不需要多个油缸一致性动作,降低了操作难度。Compared with the prior art, the pile frame provided by this specific embodiment does not require the assistance of a crane during use, and the
在一具体实施例中,如图10所示,主体部包括一字架73以及垂直于一字架73设置的横梁77,一字架73的一端铰接于回转平台4,另一端铰接连接于横梁77,斜支撑9与横梁77铰接连接。一字架73的数量为两根,且两根一字架73平行设置。动力部为举升油缸71;斜支撑9为伸缩油缸;当然,动力部和斜支撑9还可以是电动螺杆、电缸等结构,相比于电动结构,将动力部设置为举升油缸71;斜支撑9设置为伸缩油缸,可以节约成本,并且举升油缸71、伸缩油缸的成品结构容易获取。In a specific embodiment, as shown in FIG. 10 , the main body includes a
在使用的过程中,当举升油缸71伸出后,可以带动一字架73相对于回转平台4转动,使一字架73与斜支撑9连接的一端被抬起。During use, when the lifting
优选的,举升油缸71铰接于一字架73的非端部位置。Preferably, the
两根一字架73可以分别对应不同的举升油缸71,也可以对应同一举升油缸71,具体根据实际情况确定,在此不做赘述。The two in-line frames 73 may correspond to
在一具体实施例中,如图10所示,横梁77包括固定端771、沿横梁77的长度方向可伸缩的连接于固定端771的伸缩端772以及带动伸缩端772相对于固定端771伸缩的伸缩动力件76;固定端771与一字架73铰接连接,伸缩端772的端部设置有用于与斜支撑9铰接连接的耳座;斜支撑9铰接连接于耳座。In a specific embodiment, as shown in FIG. 10 , the
如图9所示,斜支撑9的数量为两个,伸缩端772的数量为两个,且两个伸缩端772分别可伸缩的设置于固定端771的两端,且斜支撑9与伸缩端772一一对应连接。As shown in FIG. 9 , the number of the oblique supports 9 is two, the number of the telescopic ends 772 is two, and the two
在使用的过程中,伸缩端772伸出后,可以使斜支撑9、横梁77、立柱组件2所形成的三角形的底边长度增加,提高结构的稳定性。During use, after the
在一具体实施例中,如图10所示,主体部包括设置于横梁77的上滑轮组74以及设置于回转平台4的下滑轮组75,钢丝绳依次绕设于立桅卷扬72、上滑轮组74、下滑轮组75;在使用的过程中,当桩架处于图6所示位置时,可以通过立桅卷扬72将立柱组件2提起,使立柱组件2与竖直方向呈75°左右的夹角。In a specific embodiment, as shown in FIG. 10 , the main body includes an
在一具体实施例中,回转平台4设置有用于支撑横梁77的撑杆,撑杆与横梁77可拆卸连接,在使用的过程中,当在将立柱组件2立起的过程中,横梁77需要移动时,可以解除横梁77与撑杆之间的连接,当立柱组件2被立起至竖直状态后,可以将撑杆与横梁77连接,对横梁77起到支撑和限位的作用,提高结构的稳定性。In a specific embodiment, the slewing platform 4 is provided with a strut for supporting the
如图6所示,立柱组件2包括若干可拆卸连接的立柱分段21。As shown in FIG. 6 , the
如图4、图5所示,在运输的过程中,可以将部分立柱分段21进行拆卸,减小立柱组件2所占空间;如图7所示,回转平台4设置有吊装卷扬,立柱分段21远离回转平台4的端部设置有滑轮组件10,安装有吊钩部的钢丝绳一端连接于吊装卷扬,另一端穿过滑轮组件10设置在将部分立柱分段21拆卸后,通过斜支撑9带动立柱组件2相对于前支架3转动,并在剩余的未拆卸的立柱分段21设置滑轮结构,此时,桩架可以作为小吊车使用。As shown in Figure 4 and Figure 5, during transportation, part of the
如图4-10所示,桩架包括:立柱组件2、前支架3、回转平台4、分离装置5、履带底盘6、立桅组件7、配重8、斜支撑9、滑轮组件10等,鹅头1通过螺栓固定在立柱组件2的顶部,立柱组件2铰接于前支架3上,前支架3铰接在回转平台4上,分离装置5将履带底盘6和回转平台4连接在一起,立桅组件7一端铰接在回转平台4上,一端作为斜支撑9的下铰接点,斜支撑9的上端则铰接在立柱组件2上,形成稳定的支撑。配重8通过螺栓固定在回转平台4的后部;在使用本申请文件提供的桩架的过程中,整机的立桅操作不需要吊车辅助,立桅前,首先需要通过举升油缸71将一字架73与斜支撑9铰接的一端举起,即将横梁77举起,直至如图6所示,以方便后续钢丝绳及斜支撑9对立柱组件2施力;然后控制立桅卷扬72动作,钢丝绳通过上滑轮组74、下滑轮组75形成倍率组拉起立柱组件2至图7所示位置;然后通过斜支撑9的斜撑油缸的伸缩将立柱组件2拉直垂直状态,如图8所示;为了进一步提高稳定性,可以通过伸缩动力件76将伸缩端772伸出,至图9所示状态,完成立桅操作。As shown in Figure 4-10, the pile frame includes:
本说明书中各个实施例采用递进的方式描述,每个实施例重点说明的都是与其他实施例的不同之处,各个实施例之间相同相似部分互相参见即可。本实用新型所提供的所有实施例的任意组合方式均在此实用新型的保护范围内,在此不做赘述。The various embodiments in this specification are described in a progressive manner, and each embodiment focuses on the differences from other embodiments, and the same and similar parts between the various embodiments can be referred to each other. Any combination of all the embodiments provided by the present invention falls within the protection scope of the present invention, and will not be repeated here.
以上对本实用新型所提供的桩架进行了详细介绍。本文中应用了具体个例对本实用新型的原理及实施方式进行了阐述,以上实施例的说明只是用于帮助理解本实用新型的方法及其核心思想。应当指出,对于本技术领域的普通技术人员来说,在不脱离本实用新型原理的前提下,还可以对本实用新型进行若干改进和修饰,这些改进和修饰也落入本实用新型权利要求的保护范围内。The pile frame provided by the present utility model has been introduced in detail above. The principles and implementations of the present invention are described herein by using specific examples, and the descriptions of the above embodiments are only used to help understand the method and the core idea of the present invention. It should be pointed out that for those of ordinary skill in the art, without departing from the principles of the present utility model, some improvements and modifications can also be made to the present utility model, and these improvements and modifications also fall into the protection of the claims of the present utility model. within the range.
Claims (9)
Priority Applications (1)
| Application Number | Priority Date | Filing Date | Title |
|---|---|---|---|
| CN202220676759.1U CN217105080U (en) | 2022-03-25 | 2022-03-25 | Pile frame |
Applications Claiming Priority (1)
| Application Number | Priority Date | Filing Date | Title |
|---|---|---|---|
| CN202220676759.1U CN217105080U (en) | 2022-03-25 | 2022-03-25 | Pile frame |
Publications (1)
| Publication Number | Publication Date |
|---|---|
| CN217105080U true CN217105080U (en) | 2022-08-02 |
Family
ID=82604748
Family Applications (1)
| Application Number | Title | Priority Date | Filing Date |
|---|---|---|---|
| CN202220676759.1U Withdrawn - After Issue CN217105080U (en) | 2022-03-25 | 2022-03-25 | Pile frame |
Country Status (1)
| Country | Link |
|---|---|
| CN (1) | CN217105080U (en) |
Cited By (1)
| Publication number | Priority date | Publication date | Assignee | Title |
|---|---|---|---|---|
| CN114508100A (en) * | 2022-03-25 | 2022-05-17 | 山河智能装备股份有限公司 | Pile frame |
-
2022
- 2022-03-25 CN CN202220676759.1U patent/CN217105080U/en not_active Withdrawn - After Issue
Cited By (2)
| Publication number | Priority date | Publication date | Assignee | Title |
|---|---|---|---|---|
| CN114508100A (en) * | 2022-03-25 | 2022-05-17 | 山河智能装备股份有限公司 | Pile frame |
| CN114508100B (en) * | 2022-03-25 | 2025-09-23 | 山河智能装备股份有限公司 | A pile frame |
Similar Documents
| Publication | Publication Date | Title |
|---|---|---|
| CN206278848U (en) | A kind of dynamic Ding many loop wheel machine pedestal operation platforms of Sheng rotation types of overall Zi | |
| CN106115500B (en) | A kind of high-rise building is special, and tearing formula roofing open hangs and tears open certainly method certainly | |
| CN101357739B (en) | Column crane special for movable arm type group tower | |
| CN116395578A (en) | Method and device for erecting a power transmission tower | |
| CN109441361B (en) | Pile frame and mast erecting method thereof | |
| CN104803303A (en) | Single-movable-arm grounded derrick with rocking balance arm | |
| CN113716472B (en) | A kind of arm holding pole | |
| CN105819352B (en) | Lifting device for detachable door type mast building and construction method thereof | |
| JPH0245274Y2 (en) | ||
| CN217105080U (en) | Pile frame | |
| CN114751316A (en) | An inner-climbing double-arm holding pole | |
| WO2023178638A1 (en) | Pile frame | |
| CN118390424B (en) | Integrated bridge erecting equipment and hole passing method of bridge erecting machine | |
| CN114572854A (en) | Assembled squat silo roof hoisting system and silo roof hoisting method | |
| CN114508100A (en) | Pile frame | |
| CN221479334U (en) | Multifunctional operation mechanism | |
| CN220537368U (en) | High hanging type safety rope device for crawler crane arm support | |
| CN217104777U (en) | Interim landing stage demolishs device | |
| CN219031629U (en) | Lifting equipment for indoor plate installation | |
| CN218434629U (en) | Lifting frame for tower type pier construction | |
| JP2012025540A (en) | Jib crane and method of dismantling the same | |
| CN111232852A (en) | Novel rotary crane | |
| CN204873628U (en) | Caterpillar crane cantilever crane is quick -release formula landing leg for system | |
| CN115744661A (en) | Novel hoisting device and construction method thereof | |
| CN108718058A (en) | A kind of cantilever crossing frame from lifting rotary type |
Legal Events
| Date | Code | Title | Description |
|---|---|---|---|
| GR01 | Patent grant | ||
| GR01 | Patent grant | ||
| AV01 | Patent right actively abandoned | ||
| AV01 | Patent right actively abandoned | ||
| AV01 | Patent right actively abandoned |
Granted publication date: 20220802 Effective date of abandoning: 20250923 |
|
| AV01 | Patent right actively abandoned |
Granted publication date: 20220802 Effective date of abandoning: 20250923 |
