CN216961917U - Chair is competed to belt waist back on formula electricity - Google Patents
Chair is competed to belt waist back on formula electricity Download PDFInfo
- Publication number
- CN216961917U CN216961917U CN202220664708.7U CN202220664708U CN216961917U CN 216961917 U CN216961917 U CN 216961917U CN 202220664708 U CN202220664708 U CN 202220664708U CN 216961917 U CN216961917 U CN 216961917U
- Authority
- CN
- China
- Prior art keywords
- groove
- backrest
- waist
- unit
- lumbar
- Prior art date
- Legal status (The legal status is an assumption and is not a legal conclusion. Google has not performed a legal analysis and makes no representation as to the accuracy of the status listed.)
- Active
Links
- 230000005611 electricity Effects 0.000 title description 2
- 230000008093 supporting effect Effects 0.000 claims abstract description 8
- 238000009434 installation Methods 0.000 claims abstract description 7
- 230000002860 competitive effect Effects 0.000 claims 1
- 230000000694 effects Effects 0.000 abstract description 5
- 210000002414 leg Anatomy 0.000 description 9
- 230000003139 buffering effect Effects 0.000 description 3
- 238000000034 method Methods 0.000 description 3
- 230000008569 process Effects 0.000 description 3
- 206010048961 Localised oedema Diseases 0.000 description 2
- 238000012986 modification Methods 0.000 description 2
- 230000004048 modification Effects 0.000 description 2
- 239000007779 soft material Substances 0.000 description 2
- 239000000725 suspension Substances 0.000 description 2
- 206010050031 Muscle strain Diseases 0.000 description 1
- 230000009471 action Effects 0.000 description 1
- 210000001217 buttock Anatomy 0.000 description 1
- 230000008859 change Effects 0.000 description 1
- 230000007547 defect Effects 0.000 description 1
- 239000000463 material Substances 0.000 description 1
- 230000036544 posture Effects 0.000 description 1
- 210000000689 upper leg Anatomy 0.000 description 1
Images
Landscapes
- Chair Legs, Seat Parts, And Backrests (AREA)
Abstract
The utility model belongs to the technical field of seats, and particularly relates to a waist-leaning electric competition chair. The utility model achieves the technical effect of adjusting the height of the lumbar support up and down through the seat plate, the seat supporting legs arranged on the seat plate, the backrest unit arranged on the seat plate and the lumbar support unit arranged on the backrest unit. The waist cushion has the advantages that the structure is simple, the installation is convenient, the height adjustment of the waist cushion can be realized by forcibly moving the waist cushion up and down by holding the waist cushion, the sliding groove structure is arranged to play a role in guiding and limiting, the limiting groove structure is arranged in the sliding groove structure and used for fixing the waist cushion to be difficult to slide down at a specific height, and the spring telescopic structure is arranged to facilitate the clamping column to be separated from the limiting groove easily when the waist cushion is moved.
Description
Technical Field
The utility model belongs to the technical field of seats, and particularly relates to a waist-leaning electric competition chair.
Background
The chair is a seat with a backrest and armrests. Can divide into airport seat according to the use scene of difference, car seat, bus seat, family's seat, dining room seat, children's safety seat, leisure seat etc. wherein take the electric contest chair that the waist leaned on generally to the crowd design of playing for a long time, have the contribution effect of certain degree to avoiding the lumbar muscle strain, nevertheless common waist in the market leans on for fixed, so the seat device that can adjust the waist and lean on the height in order to satisfy different people's demands from top to bottom is urgently needed in the market.
The Chinese utility model patent with publication number CN210630912U and publication date 2020-05-29 discloses a chair waist rest structure and a chair, wherein the waist rest structure comprises a waist rest body in a plate-shaped structure, and the upper part of the waist rest body is bent forwards to form a transversely arranged arc-shaped bend; the upper end part of the lumbar support body is connected with an upper connecting part used for being connected with a seat backrest, and the lower end part of the lumbar support body is connected with a lower connecting part used for being connected with a seat part; the chair comprises a backrest, a seat part, a tilting chassis and a lumbar support structure, wherein the tilting chassis comprises a wane, an upper connecting part is connected with the backrest, a lower connecting part is connected with the rear part of the seat part, and the lower end part of the backrest is connected with the wane.
Although the utility model has the advantages that the waist rest generates corresponding deformation along with the change of the leaning and leaning sitting postures of the user; but the utility model also has the defect that the waist rest is not movable in height.
SUMMERY OF THE UTILITY MODEL
The utility model aims to provide a belt waist-rest type electronic contest chair, which comprises a backrest unit arranged on a chair plate, a waist-rest unit arranged on the backrest unit, a sliding groove arranged on the backrest, a seat back and a seat back, wherein the backrest unit comprises a backrest plate and a backrest seat; the waist support unit comprises a waist cushion and a sliding column which is arranged on the waist support cushion and inserted into the sliding groove, and the technical effect of adjusting the height of the waist support up and down is achieved.
The technical scheme adopted by the utility model for solving the problems is as follows: a belt waist-leaning electric competition chair comprises a seat plate, seat supporting legs arranged on the seat plate, a backrest unit arranged on the seat plate, and a waist-leaning unit arranged on the backrest unit; the backrest unit comprises a cushion, a backrest arranged on the cushion and a sliding groove arranged on the backrest; the lumbar support unit comprises a lumbar cushion and a sliding column which is arranged on the lumbar cushion and inserted into the sliding groove.
The further preferred technical scheme is as follows: the backrest unit further comprises a leg rest arranged on the seat cushion.
The further preferred technical scheme is as follows: the backrest unit also comprises a clamping groove arranged on the inner side surface of the sliding groove; the lumbar support unit further comprises a clamping column which is arranged on the sliding column and is inserted into the clamping groove.
The further preferred technical scheme is as follows: the waist support unit further comprises a mounting groove which is arranged on the sliding column and used for mounting the clamping column.
The further preferred technical scheme is as follows: the waist leans on the unit still including setting up limiting plate on the inboard end of block post, and set up on the mounting groove medial surface and be used for the block the spacing groove of limiting plate.
The further preferred technical scheme is as follows: the waist support unit further comprises a return spring which is arranged on the bottom surface of the inner side of the limiting groove and used for jacking the limiting plate outwards.
The further preferred technical scheme is as follows: the waist support unit further comprises a spring installation groove which is arranged on the bottom surface of the inner side of the installation groove and used for installing the return spring.
The further preferred technical scheme is as follows: the lumbar support unit further comprises an arc surface block arranged on the clamping column.
The further preferred technical scheme is as follows: the backrest unit is characterized by further comprising a buffer groove arranged on the cushion, a buffer block arranged on the backrest and used for being inserted into the buffer groove, a mounting hole arranged on the buffer block, and a mounting column arranged on the inner side surface of the buffer groove and used for being mounted in the mounting hole.
The further preferred technical scheme is as follows: the backrest unit further comprises a spring groove, a buffer spring and a spring plate, wherein the spring groove is arranged on the cushion and communicated with the buffer groove, the buffer spring is installed in the spring groove, and the spring plate is arranged on the buffer block and used for jacking up the buffer spring.
The utility model has the following advantages:
firstly, simple structure, simple to operate can realize the height adjustment of the waist by holding the waist back cushion and moving up and down with force.
And secondly, a sliding groove structure is arranged to play a role in guiding and limiting.
Thirdly, a limiting groove structure is arranged in the sliding groove structure and used for fixing the waist rest to be difficult to slide downwards at a specific height.
Fourthly, the spring telescopic structure is arranged, so that the clamping column can be separated from the limiting groove more easily when the waist rest is moved.
Fifthly, the backrest is mounted on the seat cushion in a suspension mode, so that the backrest gives a cushioning effect to a passenger when the passenger leans backwards, and the riding process is more comfortable.
Drawings
Fig. 1 is a schematic structural view of the whole belt-back type seat of the present invention.
Fig. 2 is a schematic structural view of the backrest unit of fig. 1 according to the present invention.
Figure 3 is a schematic view of the position of the lumbar support unit mounted on the back unit in accordance with the present invention.
Fig. 4 is a schematic structural view of a manner in which the sliding post is mounted in the sliding groove in the present invention.
FIG. 5 is a schematic view of the position relationship between the engaging post and the engaging groove.
Fig. 6 is a schematic structural view of the joint between the backrest and the seat cushion in fig. 2.
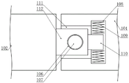
In the drawings, the reference numerals denote the following components: the seat comprises a seat plate 11, seat supporting legs 12, a backrest unit 1, a lumbar support unit 2, a seat cushion 101, a backrest 102, a leg support 103, a sliding groove 104, an engaging groove 105, a mounting hole 106, a mounting post 107, a spring groove 108, a buffer spring 109, a spring plate 110, a buffer groove 111, a buffer block 112, a lumbar pad 201, a sliding post 202, an engaging post 203, a mounting groove 204, a limiting plate 205, a limiting groove 206, a reset spring 207, a spring mounting groove 208 and an arc block 209.
Detailed Description
The following description is only a preferred embodiment of the present invention and is not intended to limit the scope of the present invention.
Example (b): as shown in fig. 1, 2, 3, 4, 5 and 6, a belt lumbar electric competition chair comprises a seat plate 11, seat support legs 12 arranged on the seat plate 11, a backrest unit 1 arranged on the seat plate 11, and a lumbar unit 2 arranged on the backrest unit 1; the backrest unit 1 includes a seat cushion 101, a backrest 102 provided on the seat cushion 101, and a slide groove 104 provided on the backrest 102; the lumbar support unit 2 includes a lumbar pad 201, and a sliding post 202 provided on the lumbar pad 201 and inserted into the sliding groove 104.
In this embodiment, the seat plate 11 and the seat support legs 12 are seat components commonly found in the prior art, the outer surface of the backrest unit 1 and the lumbar support unit 2, which is in contact with the human body, is made of soft material, the inner portion of the backrest unit 1 and the lumbar support unit 2 is made of hard material to achieve a supporting effect, the backrest unit 1 is disposed on the upper top surface of the seat plate 11, the lumbar support unit 2 is disposed on the backrest unit 1, which is in contact with the lumbar of a general person, to achieve a supporting effect, the lumbar pad 201 is mounted on the sliding slot 104 by means of inserting and mounting the sliding column 202 disposed thereon, the sliding slot 104 is opened in the vertical direction of the back, when in use, the sliding column 202 is driven to slide in the sliding slot 104 by holding the lumbar pad 201 with both hands, and is adjusted to a position suitable for supporting the lumbar according to the actual height of the passenger, to meet the actual needs of different riders.
The backrest unit 1 further includes a leg rest 103 provided on the seat cushion 101.
In this embodiment, the seat cushion 101 and the backrest 102 form an L-shaped structure as seen from the side, and one end of the seat cushion 101 away from the backrest 102 is inclined slightly upward, and the leg holders 103 are disposed on the seat cushion 101 and close to the positions of the legs of a general person, and tend to tilt upward, so that the buttocks of the person can be more downward and fit to the bottom sides of the thighs of the person, and the ergonomic design is met.
The backrest unit 1 further includes an engagement groove 105 provided on an inner side surface of the slide groove 104; the lumbar unit 2 further includes an engagement post 203 provided on the sliding post 202 and inserted into the engagement groove 105.
In this embodiment, in order to fix the sliding column 202 at a specific height of the sliding slot 104 so that the lumbar pad 201 does not slide down when supporting the occupant, the engaging columns 203 are disposed on the side surfaces of the sliding column 202, the engaging slots 105 are disposed on the inner side surface of the sliding slot 104 facing the engaging columns 203, and a plurality of the engaging columns are disposed in a linear array, when the engaging columns 203 are inserted therein, the engaging slots 105 limit the movement of the sliding column 202 so as to fix the sliding column 202 at the specific height of the sliding slot 104, and when adjusting the height, the engaging columns 203 can be disengaged from the engaging slots 105 by only forcibly moving the lumbar pad 201, and the design is such that the force of the occupant against the lumbar pad 201 is not enough to disengage the engaging columns 203 from the engaging slots 105.
The lumbar pad 201 is fixed by engaging the slide column 202 with the slide groove 104 to fix the occupant in the left-right direction, and by engaging the engaging column 203 with the engaging groove 105 to fix the occupant in the up-down direction, and the lumbar pad 201 is covered and supported by the soft material provided thereon during use of the lumbar support.
The lumbar support unit 2 further comprises a mounting groove 204 disposed on the sliding column 202 and used for mounting the engaging column 203.
In this embodiment, in order to make the engaging column 203 more conveniently separate from the engaging slot 105, the mounting slot 204 is disposed on the sliding column 202 and has a width slightly wider than that of the engaging column 203 for fitting and mounting the engaging column 203, so that the engaging column 203 can be retracted into the mounting slot 204 when being pressed by the outside, and the engaging column 203 can slide out of the engaging slot 105 to release the engaging action between the sliding column 202 and the sliding slot 104, thereby achieving the technical effect of moving the lumbar pad 201 up and down.
The lumbar support unit 2 further comprises a limiting plate 205 arranged on the inner side end of the clamping column 203, and a limiting groove 206 arranged on the inner side surface of the mounting groove 204 and used for clamping the limiting plate 205.
In this embodiment, in order to prevent the engaging column 203 from falling out of the mounting groove 204 during the moving process, an additional limiting groove 206 with a width slightly larger than that of the mounting groove 204 is disposed on the inner bottom surface of the mounting groove 204, and a limiting plate 205 with a width also slightly larger than that of the mounting groove 204 is disposed on the inner end of the engaging column 203, so that if the engaging column 203 tends to slide out, the limiting plate 205 is engaged with the step at the junction of the limiting groove 206 and the mounting groove 204, thereby preventing the engaging column 203 from sliding out of the mounting groove 204.
The lumbar support unit 2 further comprises a return spring 207 which is arranged on the bottom surface of the inner side of the limit groove 206 and used for jacking up the limit plate 205 outwards.
In this embodiment, the return spring 207 is disposed on the inner side surface of the mounting groove 204 and is used for pushing up the position-limiting plate 205 outwards so that the engaging column 203 is engaged with the engaging groove 105 in a natural state, and then the return spring 207 is disposed on the inner bottom surface of the position-limiting groove 206 so that the engaging column 203 can slide into the engaging groove 105 to restore the engaged state when the engaging column 203 and the engaging groove 105 are on the same horizontal line.
The lumbar support unit 2 further includes a spring installation groove 208 provided on an inner bottom surface of the installation groove 204 and used for installing the return spring 207.
In this embodiment, in order to prevent the offsetting phenomenon of the return spring 207 during the process of jacking up the position limiting plate 205, the spring mounting groove 208 is provided so that the return spring 207 can be inserted and mounted therein, and the width of the spring mounting groove 208 is slightly larger than that of the return spring 207, so that the spring is not biased to two sides when being compressed by the position limiting plate 205, and the spring offsetting phenomenon is avoided.
The lumbar support unit 2 further comprises an arc block 209 disposed on the engagement post 203.
In this embodiment, the arc block 209 is disposed on an end surface of the engaging column 203 near the engaging slot 105, and is configured to contact an inner side surface of the engaging slot 105 when the engaging column 203 is moved, so as to facilitate the engaging column 203 to slide out of the engaging slot 105.
The backrest unit 1 further includes a cushion groove 111 provided on the seat cushion 101, a cushion block 112 provided on the backrest 102 and inserted into the cushion groove 111, a mounting hole 106 provided on the cushion block 112, and a mounting post 107 provided on an inner side surface of the cushion groove 111 and mounted in the mounting hole 106.
In this embodiment, in order to give space for the backrest 102 to move, a buffering effect is given when the occupant leans backwards, so the cushion groove 111 is provided on the side surface of the seat cushion 101 close to the backrest 102, the cushion block 112 is provided on the side surface of the backrest 102 close to the seat cushion 101 for being inserted into the cushion groove 111, a certain space is left between the cushion groove 111 and the cushion block 112, and the cushion block 112 is rotatably fixed in the cushion groove 111 by inserting the mounting post 107 into the mounting hole 106, so that the seat cushion 101 and the backrest 102 are connected together, and after the occupant leans on the backrest 102, the cushion block 112 moves in the cushion groove 111 to absorb a part of the leaning force, thereby achieving the buffering effect.
The backrest unit 1 further includes a spring slot 108 provided on the seat cushion 101 and communicating with the buffer slot 111, a buffer spring 109 installed in the spring slot 108, and a spring plate 110 provided on the buffer block 112 and used for jacking up the buffer spring 109.
In this embodiment, in order to further absorb the relying force generated after the occupant leans on the backrest 102, the spring groove 108 is disposed on the inner bottom surface of the buffer groove 111, and the buffer springs 109 are disposed on the upper and lower surfaces of the inner side of the spring groove 108, and the two buffer springs 109 jack the spring plate 110 to achieve a force balance state, so that a buffering effect similar to that of a car suspension is given when the occupant leans back, and more relying force can be absorbed.
The embodiments of the present invention have been described in detail with reference to the accompanying drawings, but the present invention is not limited to the above embodiments, and various modifications can be made within the knowledge of those skilled in the art without departing from the gist of the present invention. These are non-inventive modifications, which are intended to be protected by patent laws within the scope of the claims appended hereto.
Claims (10)
1. A belt waist-leaning electric competitive chair comprises a seat plate (11), seat supporting legs (12) arranged on the seat plate (11), and is characterized by further comprising a backrest unit (1) arranged on the seat plate (11) and a waist-leaning unit (2) arranged on the backrest unit (1); the backrest unit (1) comprises a seat cushion (101), a backrest (102) arranged on the seat cushion (101), and a sliding groove (104) arranged on the backrest (102); the lumbar support unit (2) comprises a lumbar pad (201) and a sliding column (202) which is arranged on the lumbar pad (201) and is inserted into the sliding groove (104).
2. A belt waist rest type electric competition chair according to claim 1, wherein the backrest unit (1) further comprises a leg rest (103) provided on the seat cushion (101).
3. A belt waist-rest type electric competition chair according to claim 1, wherein the backrest unit (1) further comprises a snap groove (105) provided on an inner side surface of the sliding groove (104); the lumbar support unit (2) further comprises an engagement post (203) which is arranged on the sliding post (202) and is inserted into the engagement groove (105).
4. A belt lumbar electric competition chair according to claim 3, characterized in that the lumbar unit (2) further comprises a mounting slot (204) provided on the sliding column (202) for mounting the snap-in column (203).
5. The belt waist-rest type electric competition chair according to claim 4, wherein the waist-rest unit (2) further comprises a limiting plate (205) arranged on the inner side end of the clamping column (203), and a limiting groove (206) arranged on the inner side surface of the mounting groove (204) and used for clamping the limiting plate (205).
6. The belt waist-rest type electric competition chair according to claim 5, wherein the waist-rest unit (2) further comprises a return spring (207) which is arranged on the inner bottom surface of the limiting groove (206) and is used for jacking up the limiting plate (205) outwards.
7. A belt lumbar electric competition chair according to claim 6, characterized in that the lumbar support unit (2) further comprises a spring installation groove (208) provided on the bottom surface inside the installation groove (204) and for installing the return spring (207).
8. A belt lumbar electric competition chair according to claim 3, characterized in that the lumbar unit (2) further comprises a cambered block (209) arranged on the engagement column (203).
9. The belt waist-rest type electric competition chair according to claim 1, wherein the backrest unit (1) further comprises a buffer groove (111) arranged on the seat cushion (101), a buffer block (112) arranged on the backrest (102) and used for being inserted into the buffer groove (111), a mounting hole (106) arranged on the buffer block (112), and a mounting column (107) arranged on the inner side surface of the buffer groove (111) and used for being mounted in the mounting hole (106).
10. A belt waist rest type electric competition chair according to claim 9, wherein the backrest unit (1) further comprises a spring groove (108) provided on the seat cushion (101) and communicated with the buffer groove (111), a buffer spring (109) installed in the groove of the spring groove (108), and a spring plate (110) provided on the buffer block (112) and used for jacking up the buffer spring (109).
Priority Applications (1)
| Application Number | Priority Date | Filing Date | Title |
|---|---|---|---|
| CN202220664708.7U CN216961917U (en) | 2022-03-25 | 2022-03-25 | Chair is competed to belt waist back on formula electricity |
Applications Claiming Priority (1)
| Application Number | Priority Date | Filing Date | Title |
|---|---|---|---|
| CN202220664708.7U CN216961917U (en) | 2022-03-25 | 2022-03-25 | Chair is competed to belt waist back on formula electricity |
Publications (1)
| Publication Number | Publication Date |
|---|---|
| CN216961917U true CN216961917U (en) | 2022-07-15 |
Family
ID=82340041
Family Applications (1)
| Application Number | Title | Priority Date | Filing Date |
|---|---|---|---|
| CN202220664708.7U Active CN216961917U (en) | 2022-03-25 | 2022-03-25 | Chair is competed to belt waist back on formula electricity |
Country Status (1)
| Country | Link |
|---|---|
| CN (1) | CN216961917U (en) |
-
2022
- 2022-03-25 CN CN202220664708.7U patent/CN216961917U/en active Active
Similar Documents
| Publication | Publication Date | Title |
|---|---|---|
| US10383445B2 (en) | Dynamically balanced seat assembly having independently and arcuately movable backrest and method | |
| CN103653919B (en) | Seat with integrated pivoting lumbar and seat cushion portions | |
| US20080100121A1 (en) | Dynamically balanced seat assembly having independently and arcuately movable backrest and method | |
| KR20140013899A (en) | Control device for chair | |
| CA3157037A1 (en) | Seat frame | |
| CN216961917U (en) | Chair is competed to belt waist back on formula electricity | |
| CN118452654A (en) | Lifting chair back and chair | |
| WO2005095210A1 (en) | Reclining seat | |
| CN219289062U (en) | Leisure chair and chair frame thereof | |
| CN218571823U (en) | Self-adaptive adjusting mechanism of seat part | |
| CN223438165U (en) | Seat back adjustment component for seat and seat | |
| US20110095588A1 (en) | Two-Stage Adjusting Member for Adjusting Slope of Seat Back | |
| CN218484118U (en) | Self-adaptive chair back mechanism | |
| CN217723038U (en) | Lifting chair with waist support capable of sliding back and forth | |
| CN219962340U (en) | Chair and sliding chair back thereof | |
| CN219556749U (en) | Conference room seat with adjustable foot supports | |
| CN223541661U (en) | Multifunctional headrest for electronic competition chair | |
| CN214631125U (en) | Chair capable of effectively supporting legs | |
| CN216659890U (en) | High-speed railway seat adjusting device | |
| CN217959359U (en) | Multifunctional leisure chair | |
| CN219109068U (en) | Sofa frame for switching sitting and lying | |
| CN212500040U (en) | Automobile seat with good rebound effect | |
| CN219594127U (en) | Seat waist leaning adjusting mechanism | |
| CN219629154U (en) | Chair with push back feel | |
| CN214631131U (en) | Chair with detachable seat |
Legal Events
| Date | Code | Title | Description |
|---|---|---|---|
| GR01 | Patent grant | ||
| GR01 | Patent grant |