CN216829792U - CNC rough machining clamping jig for cold forging radiator - Google Patents

CNC rough machining clamping jig for cold forging radiator Download PDF

Info

Publication number
CN216829792U
CN216829792U CN202220566656.XU CN202220566656U CN216829792U CN 216829792 U CN216829792 U CN 216829792U CN 202220566656 U CN202220566656 U CN 202220566656U CN 216829792 U CN216829792 U CN 216829792U
Authority
CN
China
Prior art keywords
movable side
block
side pressure
cold forging
radiator
Prior art date
Legal status (The legal status is an assumption and is not a legal conclusion. Google has not performed a legal analysis and makes no representation as to the accuracy of the status listed.)
Ceased
Application number
CN202220566656.XU
Other languages
Chinese (zh)
Inventor
周斌
张俊武
Current Assignee (The listed assignees may be inaccurate. Google has not performed a legal analysis and makes no representation or warranty as to the accuracy of the list.)
Huangshan Gujie Co ltd
Original Assignee
Googe Thermal Cooling Technology Co ltd
Priority date (The priority date is an assumption and is not a legal conclusion. Google has not performed a legal analysis and makes no representation as to the accuracy of the date listed.)
Filing date
Publication date
Family has litigation
First worldwide family litigation filed litigation Critical https://patents.darts-ip.com/?family=82096939&utm_source=google_patent&utm_medium=platform_link&utm_campaign=public_patent_search&patent=CN216829792(U) "Global patent litigation dataset” by Darts-ip is licensed under a Creative Commons Attribution 4.0 International License.
Application filed by Googe Thermal Cooling Technology Co ltd filed Critical Googe Thermal Cooling Technology Co ltd
Priority to CN202220566656.XU priority Critical patent/CN216829792U/en
Application granted granted Critical
Publication of CN216829792U publication Critical patent/CN216829792U/en
Ceased legal-status Critical Current
Anticipated expiration legal-status Critical

Links

Images

Landscapes

  • Forging (AREA)

Abstract

The utility model discloses a clamping jig for CNC rough machining of a cold forging radiator, which comprises a jig bottom plate and a group of fixed side pressing blocks arranged on the jig bottom plate, wherein the jig bottom plate is also provided with a group of movable side pressing block assemblies; the movable side pressure block assembly comprises a left movable side pressure block, a right movable side pressure block and a wedge block positioned between the left movable side pressure block and the right movable side pressure block, and the wedge block is connected with a driving device for driving the wedge block to move up and down. The utility model discloses simple structure, to the fixed reliable and can not cause the damage to the cold forging radiator of cold forging radiator, simultaneously, get to put the convenience, it is efficient, but wide application in cold forging radiator CNC rough machining field.

Description

一种冷锻散热器CNC粗加工夹紧治具A cold forging radiator CNC roughing clamping fixture

技术领域technical field

本实用新型涉及冷锻散热器加工技术领域,尤其是涉及一种冷锻散热器CNC粗加工夹紧治具。The utility model relates to the technical field of cold forging radiator processing, in particular to a cold forging radiator CNC rough machining clamping fixture.

背景技术Background technique

冷锻成型后的散热器需要对散热器的反面进行粗加工,对散热器的反面进行粗铣,以提高散热器反面的平整度。在粗铣时,需要将冷锻散热器的针面朝下放置并固定在CNC加工治具上,然后对散热器的反面进行粗铣。现有的夹紧治具采用人工拧紧固定,操作繁琐,效率低,且夹紧可靠性不能得到保证,需要操作人员根据实际操作经验来判断,因此,经常会出现散热器夹紧力不够,粗铣时散热器偏移的问题,从而影响散热器加工的质量。The radiator after cold forging needs rough machining on the reverse side of the radiator, and rough milling on the reverse side of the radiator to improve the flatness of the reverse side of the radiator. During rough milling, it is necessary to place the cold forged radiator with the needle face down and fix it on the CNC machining jig, and then rough-mill the reverse side of the radiator. The existing clamping jig adopts manual tightening and fixing, which is cumbersome to operate, low in efficiency, and the clamping reliability cannot be guaranteed, and the operator needs to judge according to the actual operation experience. The problem of radiator offset during milling, which affects the quality of radiator processing.

实用新型内容Utility model content

本实用新型的目的是提供一种冷锻散热器CNC粗加工夹紧治具,解决现有夹紧治具操作不方便,可靠性差的问题。The purpose of the utility model is to provide a cold forging radiator CNC rough machining clamping fixture, which solves the problems of inconvenient operation and poor reliability of the existing clamping fixture.

本实用新型解决其技术问题所采用的技术方案是:一种冷锻散热器CNC粗加工夹紧治具,包括治具底板,设置在治具底板上的一组固定侧压块,所述治具底板上还设置有一组活动侧压块组件,所述活动侧压块组件与固定侧压块间形成散热器放置区;The technical solution adopted by the utility model to solve the technical problem is as follows: a cold forging radiator CNC rough machining clamping fixture, comprising a fixture bottom plate, a set of fixed side pressing blocks arranged on the fixture bottom plate, the fixture A set of movable side pressure block assemblies are also arranged on the base plate, and a radiator placement area is formed between the movable side pressure block assemblies and the fixed side pressure blocks;

进一步的,所述活动侧压块组件包括左活动侧压块和右活动侧压块,位于左活动侧压块和右活动侧压块之间的锲块,所述锲块连接设置有带动锲块上下运动的驱动装置。Further, the movable side pressure block assembly includes a left movable side pressure block and a right movable side pressure block, a wedge block located between the left movable side pressure block and the right movable side pressure block, and the wedge block is connected with a driving wedge. A drive for the block to move up and down.

为了使左活动侧压块和右活动侧压块能够自动复位,所述左活动侧压块和右活动侧压块间设置有回位拉簧。In order to automatically reset the left movable side pressure block and the right movable side pressure block, a return tension spring is provided between the left movable side pressure block and the right movable side pressure block.

为了保证左活动侧压块和右活动侧压块自动复位的平顺性,所述回位拉簧设置有两个,分别设置在左活动侧压块和右活动侧压块的两端。In order to ensure the smoothness of the automatic reset of the left movable side pressure block and the right movable side pressure block, there are two return tension springs, which are respectively arranged at both ends of the left movable side pressure block and the right movable side pressure block.

为防止左活动侧压块和右活动侧压块在自动复位时带动锲块向上移动,所述左活动侧压块和右活动侧压块间还设置有限位柱。In order to prevent the left movable side pressure block and the right movable side pressure block from driving the wedge block to move upward during automatic reset, a limiting column is also arranged between the left movable side pressure block and the right movable side pressure block.

为保证左活动侧压块和右活动侧压块沿水平方向往复运动,所述左活动侧压块和右活动侧压块上沿移动方向设置有下窄上宽的限位滑槽,所述治具底板上设置有与限位滑槽相适配的限位块。In order to ensure the reciprocating movement of the left movable side pressure block and the right movable side pressure block in the horizontal direction, the left movable side pressure block and the right movable side pressure block are provided with a limit chute with a narrow bottom and a wide upper part along the moving direction. A limit block adapted to the limit chute is arranged on the bottom plate of the jig.

进一步的,所述限位滑槽为燕尾槽结构,所述限位块为置于燕尾槽内的限位圆球,限位圆球与治具底板间设置有连接杆。Further, the limit chute is a dovetail groove structure, the limit block is a limit ball placed in the dovetail groove, and a connecting rod is arranged between the limit ball and the fixture bottom plate.

为方便准确放置冷锻散热器,防止冷锻散热器前后距离偏差超过公差,所述散热器放置区的一端设置有散热器定位块。In order to conveniently and accurately place the cold forged radiator and prevent the front and rear distance deviation of the cold forged radiator from exceeding the tolerance, one end of the radiator placement area is provided with a radiator positioning block.

为了保证驱动装置的稳定性,所述驱动装置为驱动气缸。In order to ensure the stability of the driving device, the driving device is a driving cylinder.

本实用新型的有益效果:本实用新型通过固定侧压块和活动侧压块组件的相互配合,通过锲块上下运动带动两侧的左活动侧压块和右活动侧压块移动,从而将位于散热器放置区内的冷锻散热器压紧固定,该结构操作简单,方便,夹紧效果好。所述回位拉簧可带动左活动侧压块和右活动侧压块自动复位,减少人工操作,降低操作的强度。本实用新型方便操作人员快速、精确的对待加工的冷锻散热器进行夹持固定,从而提高生产的效率和精度。Beneficial effects of the present utility model: The utility model uses the mutual cooperation of the fixed side pressure block and the movable side pressure block assembly, and drives the left movable side pressure block and the right movable side pressure block on both sides to move through the up and down movement of the wedge block, so as to move the left and right movable side pressure blocks on both sides. The cold forged radiator in the radiator placement area is pressed and fixed, the structure is simple and convenient to operate, and the clamping effect is good. The return tension spring can drive the left movable side pressure block and the right movable side pressure block to automatically reset, thereby reducing manual operation and reducing the intensity of operation. The utility model facilitates the operator to quickly and accurately clamp and fix the cold forged radiator to be processed, thereby improving the production efficiency and precision.

以下将结合附图和实施例,对本实用新型进行较为详细的说明。The present utility model will be described in more detail below with reference to the accompanying drawings and embodiments.

附图说明Description of drawings

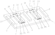
图1为本实用新型的立体结构示意图。FIG. 1 is a schematic diagram of the three-dimensional structure of the present invention.

图2为本实用新型的锲块和驱动装置的结构示意图。2 is a schematic structural diagram of a wedge block and a driving device of the present invention.

图3位本实用新型的限位滑槽和限位块的结构示意图。Figure 3 is a schematic structural diagram of the limit chute and the limit block of the present invention.

具体实施方式Detailed ways

实施例,如图1至3所示,一种冷锻散热器CNC粗加工夹紧治具,包括治具底板1,设置在治具底板1上的一组固定侧压块2,所述治具底板1上还设置有一组活动侧压块组件3,所述活动侧压块组件3与固定侧压块2间形成散热器放置区4,所述散热器放置区4的一端设置有散热器定位块5。放置冷锻散热器时先顶着定位块5放置,保证冷锻散热器的前后位置偏差在误差范围内。所述活动侧压块组件3包括左活动侧压块31和右活动侧压块32,位于左活动侧压块31和右活动侧压块32之间的锲块33,所述锲块33连接设置有带动锲块33上下运动的驱动装置34。所述驱动装置34优选采用驱动气缸。所述驱动装置34可带动锲块33上下运动,所述锲块33向下运动时可带动左活动侧压块31和右活动侧压块32水平背向运动,分别将放置在对应的散热器放置区4内的冷锻散热器夹持固定住;所述锲块33向上运动时对左活动侧压块31和右活动侧压块32卸压,从而松开被夹持住的冷锻散热器,就可轻松取下。Embodiments, as shown in Figures 1 to 3, a cold forging radiator CNC roughing clamping jig, comprising a jig base plate 1, a set of fixed side pressing blocks 2 arranged on the jig base plate 1, the jig The base plate 1 is also provided with a group of movable side pressure block assemblies 3, a radiator placement area 4 is formed between the movable side pressure block assemblies 3 and the fixed side pressure block 2, and one end of the radiator placement area 4 is provided with a radiator Position block 5. When placing the cold forged radiator, first place it against the positioning block 5 to ensure that the front and rear position deviation of the cold forged radiator is within the error range. The movable side pressure block assembly 3 includes a left movable side pressure block 31 and a right movable side pressure block 32, a wedge block 33 located between the left movable side pressure block 31 and the right movable side pressure block 32, and the wedge block 33 is connected A driving device 34 for driving the wedge block 33 to move up and down is provided. The driving device 34 preferably adopts a driving cylinder. The driving device 34 can drive the wedge block 33 to move up and down. When the wedge block 33 moves downward, it can drive the left movable side pressure block 31 and the right movable side pressure block 32 to move horizontally backwards, respectively placing them on the corresponding radiators. The cold forged radiator in the placement area 4 is clamped and fixed; when the wedge block 33 moves upward, the pressure of the left movable side pressure block 31 and the right movable side pressure block 32 is relieved, thereby loosening the clamped cold forging heat dissipation can be easily removed.

所述左活动侧压块31和右活动侧压块32间设置有回位拉簧35。为更好的实现回位,所述回位拉簧35设置有两个,分别设置在左活动侧压块31和右活动侧压块32的两端;所述左活动侧压块31和右活动侧压块32间还设置有限位柱36。加工完成后取下散热器时,所述锲块33向上运动时,通过回位拉簧35的收缩力带动左活动侧压块31和右活动侧压块32相向运动完成自动复位。A return tension spring 35 is provided between the left movable side pressure block 31 and the right movable side pressure block 32 . In order to better realize the return, two return tension springs 35 are provided, which are respectively arranged at both ends of the left movable side pressure block 31 and the right movable side pressure block 32; the left movable side pressure block 31 and the right movable side pressure block 31 A limiting column 36 is also arranged between the movable side pressing blocks 32 . When the radiator is removed after processing, when the wedge block 33 moves upward, the left movable side pressure block 31 and the right movable side pressure block 32 are moved toward each other by the contraction force of the return tension spring 35 to complete the automatic reset.

所述左活动侧压块31和右活动侧压块32上沿移动方向设置有下窄上宽的限位滑槽37,所述治具底板1上设置有与限位滑槽37相适配的限位块38。作为优选方案,所述限位滑槽37为燕尾槽结构,所述限位块38为置于燕尾槽内的限位圆球,限位圆球与治具底板1间设置有连接杆。通过限位块38与限位滑槽37的相互配合,保证左活动侧压块31和右活动侧压块32沿着水平直线方向运动。The left movable side pressure block 31 and the right movable side pressure block 32 are provided with a limit chute 37 with a narrow bottom and a wide upper part along the moving direction, and a limit chute 37 is provided on the fixture base plate 1 to match The limit block 38. As a preferred solution, the limit chute 37 is a dovetail groove structure, the limit block 38 is a limit ball placed in the dovetail groove, and a connecting rod is provided between the limit ball and the jig bottom plate 1 . The mutual cooperation between the limit block 38 and the limit chute 37 ensures that the left movable side pressure block 31 and the right movable side pressure block 32 move along the horizontal straight direction.

以上结合附图对本实用新型进行了示例性描述。显然,本实用新型具体实现并不受上述方式的限制。只要是采用了本实用新型的方法构思和技术方案进行的各种非实质性的改进;或未经改进,将本实用新型的上述构思和技术方案直接应用于其它场合的,均在本实用新型的保护范围之内。The present invention has been exemplarily described above with reference to the accompanying drawings. Obviously, the specific implementation of the present invention is not limited by the above manner. As long as the method concept and technical solution of the present invention are adopted for various non-substantial improvements; or without improvement, the above-mentioned concept and technical solution of the present invention are directly applied to other occasions, all of which are included in the present invention. within the scope of protection.

Claims (8)

1. The utility model provides a tight tool of cold forging radiator CNC rough machining clamp, includes tool bottom plate (1), sets up a set of fixed side briquetting (2) on tool bottom plate (1), its characterized in that: the jig base plate (1) is also provided with a group of movable side press block assemblies (3), and a radiator placing area (4) is formed between each movable side press block assembly (3) and each fixed side press block (2);
the movable side pressure block assembly (3) comprises a left movable side pressure block (31), a right movable side pressure block (32) and a wedge block (33) located between the left movable side pressure block (31) and the right movable side pressure block (32), and the wedge block (33) is connected with a driving device (34) which drives the wedge block (33) to move up and down.
2. The CNC rough machining clamping jig for the cold forging heat radiator of claim 1, wherein: a return tension spring (35) is arranged between the left movable side pressing block (31) and the right movable side pressing block (32).
3. The CNC rough machining clamping jig for the cold forging heat radiator of claim 2, wherein: the two return tension springs (35) are respectively arranged at two ends of the left movable side pressing block (31) and the right movable side pressing block (32).
4. The CNC rough machining clamping jig for the cold forging heat radiator is characterized in that: and a limiting column (36) is also arranged between the left movable side pressing block (31) and the right movable side pressing block (32).
5. The CNC rough machining clamping jig for the cold forging heat radiator of claim 1, wherein: the left movable side pressing block (31) and the right movable side pressing block (32) are provided with a limiting sliding groove (37) which is narrow at the bottom and wide at the top along the moving direction, and the jig bottom plate (1) is provided with a limiting block (38) matched with the limiting sliding groove (37).
6. The CNC rough machining clamping jig for the cold forging heat radiator of claim 5, wherein: the limiting sliding groove (37) is of a dovetail groove structure, the limiting block (38) is a limiting ball arranged in the dovetail groove, and a connecting rod is arranged between the limiting ball and the jig bottom plate (1).
7. The CNC rough machining clamping jig for the cold forging heat radiator of claim 1, wherein: and a radiator positioning block (5) is arranged at one end of the radiator placing area (4).
8. The CNC rough machining clamping jig for the cold forging heat radiator of claim 1, wherein: the driving device (34) is a driving air cylinder.
CN202220566656.XU 2022-03-14 2022-03-14 CNC rough machining clamping jig for cold forging radiator Ceased CN216829792U (en)

Priority Applications (1)

Application Number Priority Date Filing Date Title
CN202220566656.XU CN216829792U (en) 2022-03-14 2022-03-14 CNC rough machining clamping jig for cold forging radiator

Applications Claiming Priority (1)

Application Number Priority Date Filing Date Title
CN202220566656.XU CN216829792U (en) 2022-03-14 2022-03-14 CNC rough machining clamping jig for cold forging radiator

Publications (1)

Publication Number Publication Date
CN216829792U true CN216829792U (en) 2022-06-28

Family

ID=82096939

Family Applications (1)

Application Number Title Priority Date Filing Date
CN202220566656.XU Ceased CN216829792U (en) 2022-03-14 2022-03-14 CNC rough machining clamping jig for cold forging radiator

Country Status (1)

Country Link
CN (1) CN216829792U (en)

Similar Documents

Publication Publication Date Title
CN101502936B (en) Juggle type precise flat tong for machine tool with large processing table
CN205765054U (en) A kind of locating clip clamper for plate type part
CN204094653U (en) A kind of bench vice
CN112077491B (en) Axle housing accessory welding tool
CN104128733A (en) Adjustable welding set
CN201309088Y (en) Fixture of milling machine
CN203679592U (en) Adjustable welding tool
CN216829792U (en) CNC rough machining clamping jig for cold forging radiator
CN110434372A (en) A kind of thin plate drilling tool fixture and its clamping method
CN206883211U (en) A kind of special rapid clamping fixture of milling machine
CN213080738U (en) Milling clamping device
CN210938261U (en) A control arm type workpiece fixture with station traceability function
CN106624908A (en) Bench screw
CN213497889U (en) A fixture for chamfering the end face of prismatic workpiece
CN210703690U (en) Self-locking clamp
CN222450230U (en) Floating clamping tool for slender part
CN223289345U (en) Aluminum plate limiting fixture
CN2803612Y (en) Positioned gripping jaw base assembly
CN223671039U (en) A push-type fixing clamp for automotive parts
CN218110062U (en) Embedded small-size toad pincers side top universal fixturing of integration
CN221735150U (en) A nut marking fixing device
CN220575677U (en) Axle bridge location frock
CN223251089U (en) Clamp for drilling and milling machine
CN215588286U (en) Arc fork-shaped part welding jig
CN222345284U (en) Clamp for lockset processing

Legal Events

Date Code Title Description
GR01 Patent grant
GR01 Patent grant
CP03 Change of name, title or address
CP03 Change of name, title or address

Address after: No. 10, Wenfeng West Road, Chengbei Industrial Park, Huizhou District, Huangshan City, Anhui Province, 245000

Patentee after: Huangshan Gujie Co.,Ltd.

Address before: 245061 No. 10, Wenfeng West Road, Chengbei Industrial Park, Huizhou District, Huangshan City, Anhui Province

Patentee before: GOOGE THERMAL COOLING TECHNOLOGY CO.,LTD.

IW01 Full invalidation of patent right
IW01 Full invalidation of patent right

Decision date of declaring invalidation: 20250108

Decision number of declaring invalidation: 583195

Granted publication date: 20220628