CN216765127U - Horizontal type hydrolysis vacuum cleaning furnace with tail gas purification device - Google Patents
Horizontal type hydrolysis vacuum cleaning furnace with tail gas purification device Download PDFInfo
- Publication number
- CN216765127U CN216765127U CN202123044387.5U CN202123044387U CN216765127U CN 216765127 U CN216765127 U CN 216765127U CN 202123044387 U CN202123044387 U CN 202123044387U CN 216765127 U CN216765127 U CN 216765127U
- Authority
- CN
- China
- Prior art keywords
- tail gas
- purification device
- gas purification
- slot
- filter
- Prior art date
- Legal status (The legal status is an assumption and is not a legal conclusion. Google has not performed a legal analysis and makes no representation as to the accuracy of the status listed.)
- Active
Links
- 238000000746 purification Methods 0.000 title claims abstract description 39
- 238000010407 vacuum cleaning Methods 0.000 title claims abstract description 13
- 230000007062 hydrolysis Effects 0.000 title claims abstract description 11
- 238000006460 hydrolysis reaction Methods 0.000 title claims abstract description 11
- 238000004140 cleaning Methods 0.000 claims abstract description 24
- 239000003054 catalyst Substances 0.000 claims abstract description 12
- 239000000919 ceramic Substances 0.000 claims abstract description 12
- 229910052878 cordierite Inorganic materials 0.000 claims abstract description 12
- JSKIRARMQDRGJZ-UHFFFAOYSA-N dimagnesium dioxido-bis[(1-oxido-3-oxo-2,4,6,8,9-pentaoxa-1,3-disila-5,7-dialuminabicyclo[3.3.1]nonan-7-yl)oxy]silane Chemical compound [Mg++].[Mg++].[O-][Si]([O-])(O[Al]1O[Al]2O[Si](=O)O[Si]([O-])(O1)O2)O[Al]1O[Al]2O[Si](=O)O[Si]([O-])(O1)O2 JSKIRARMQDRGJZ-UHFFFAOYSA-N 0.000 claims abstract description 12
- 230000000149 penetrating effect Effects 0.000 claims abstract description 7
- 239000002351 wastewater Substances 0.000 claims description 5
- XLYOFNOQVPJJNP-UHFFFAOYSA-N water Substances O XLYOFNOQVPJJNP-UHFFFAOYSA-N 0.000 claims description 4
- 239000007921 spray Substances 0.000 claims description 3
- 238000005201 scrubbing Methods 0.000 claims 2
- 239000007789 gas Substances 0.000 abstract description 46
- 239000002912 waste gas Substances 0.000 abstract description 15
- 238000009413 insulation Methods 0.000 abstract description 11
- 238000006243 chemical reaction Methods 0.000 abstract description 8
- 238000005406 washing Methods 0.000 abstract description 7
- 238000005507 spraying Methods 0.000 abstract description 6
- 238000010438 heat treatment Methods 0.000 abstract 1
- 238000000034 method Methods 0.000 description 11
- 229910052760 oxygen Inorganic materials 0.000 description 5
- 239000001301 oxygen Substances 0.000 description 5
- QVGXLLKOCUKJST-UHFFFAOYSA-N atomic oxygen Chemical compound [O] QVGXLLKOCUKJST-UHFFFAOYSA-N 0.000 description 4
- 230000009471 action Effects 0.000 description 3
- 230000008569 process Effects 0.000 description 3
- OKTJSMMVPCPJKN-UHFFFAOYSA-N Carbon Chemical compound [C] OKTJSMMVPCPJKN-UHFFFAOYSA-N 0.000 description 2
- 230000009286 beneficial effect Effects 0.000 description 2
- 238000001354 calcination Methods 0.000 description 2
- 239000000835 fiber Substances 0.000 description 2
- 239000012535 impurity Substances 0.000 description 2
- 230000004048 modification Effects 0.000 description 2
- 238000012986 modification Methods 0.000 description 2
- 239000010815 organic waste Substances 0.000 description 2
- 239000004033 plastic Substances 0.000 description 2
- 229920003023 plastic Polymers 0.000 description 2
- 239000000126 substance Substances 0.000 description 2
- 230000004913 activation Effects 0.000 description 1
- 238000006136 alcoholysis reaction Methods 0.000 description 1
- 238000002485 combustion reaction Methods 0.000 description 1
- 230000007547 defect Effects 0.000 description 1
- 238000010586 diagram Methods 0.000 description 1
- 238000007599 discharging Methods 0.000 description 1
- 238000005265 energy consumption Methods 0.000 description 1
- 238000005516 engineering process Methods 0.000 description 1
- 230000006872 improvement Effects 0.000 description 1
- 238000001746 injection moulding Methods 0.000 description 1
- 238000007689 inspection Methods 0.000 description 1
- 238000012423 maintenance Methods 0.000 description 1
- 239000002245 particle Substances 0.000 description 1
- 229920000642 polymer Polymers 0.000 description 1
- 238000011084 recovery Methods 0.000 description 1
- 150000003839 salts Chemical class 0.000 description 1
- 238000007789 sealing Methods 0.000 description 1
- 239000000243 solution Substances 0.000 description 1
Images
Landscapes
- Filtering Materials (AREA)
Abstract
The utility model discloses a horizontal type hydrolysis vacuum cleaning furnace with a tail gas purification device, which comprises a cleaning system, wherein a gas washing tower and a spraying tank are also arranged in the cleaning system, the tail gas purification device is arranged between the gas washing tower and the spraying tank, an air inlet pipe and an air outlet pipe are respectively arranged at two ends of the tail gas purification device in a penetrating way, two heat insulation plates are arranged at one side of an inner cavity of the tail gas purification device close to the air inlet pipe, a heater is arranged between the heat insulation plates, a first slot and a second slot are sequentially arranged at the other side of the inner cavity of the tail gas purification device, a cordierite ceramic honeycomb carrier frame is inserted and arranged in the first slot, a purification catalyst is arranged in the cordierite ceramic honeycomb carrier frame, a filter screen frame is inserted and arranged in the second slot, a filter pipe is arranged between the filter screen frames in a penetrating way, and a filter bag is arranged in the filter pipe in a filling way. The utility model increases the reaction rate of the waste gas generated in the cleaning system by heating the waste gas by the heater and then combining the waste gas with the purifying catalyst.
Description
Technical Field
The utility model relates to the technical field of spinneret plate cleaning equipment, in particular to a horizontal type hydrolysis vacuum cleaning furnace with a tail gas purification device.
Background
The vacuum cleaning furnace is a novel die cleaning device for chemical fiber components, filter cores, injection molding machines, extruders and the like in the plastic industry, and is suitable for plastics. The cleaning method is suitable for cleaning a filter core, is more advanced equipment than a calcining method, a fluidized bed cleaning method, a TEG alcoholysis method cleaning method and a salt bath cleaning method, overcomes the defects of open flame combustion, temperature overrun, indoor pollution and the like in a cleaning working chamber, adopts a sealing form in a vacuum calcining furnace, leads chemical fiber high polymer to be cracked and coked in a low-oxygen content state, always controls the temperature in a furnace chamber within a set process range, has a clean cleaned component surface and smooth spinneret orifices, but generates a large amount of waste gas in the existing vacuum cleaning furnace, the organic waste gas can be directly contacted with oxygen in the air, but needs very high temperature and enough time, and can lead to more complicated waste gas treatment, the corresponding catalyst can greatly reduce the activation energy of the reaction of the organic waste gas and the oxygen, improve the reaction rate and be beneficial to the recovery and treatment of the tail gas.
SUMMERY OF THE UTILITY MODEL
The utility model aims to provide a horizontal type hydrolysis vacuum cleaning furnace with a tail gas purification device, which aims to solve the problems in the background technology.
In order to solve the technical problems, the utility model provides the following technical scheme: a horizontal type hydrolysis vacuum cleaning furnace with a tail gas purification device comprises a cleaning system, wherein the cleaning system also comprises a cleaning furnace, a gas washing tower, a spraying tank, a water ring vacuum pump and a wastewater tank, the tail gas purification device is arranged between the gas washing tower and the spraying tank, an air inlet pipe and an air outlet pipe are respectively arranged at two ends of the tail gas purification device in a penetrating way, two heat insulation plates are arranged at one side of an inner cavity of the tail gas purification device close to the air inlet pipe, a heater is arranged between the heat insulation plates, a plurality of via holes are formed in the heat insulation plates, a first slot and a second slot are sequentially arranged at the other side of the inner cavity of the tail gas purification device, a cordierite ceramic honeycomb carrier frame is inserted and arranged in the first slot, a purification catalyst is arranged in the cordierite ceramic honeycomb carrier frame, and a filter screen frame is inserted and arranged in the second slot, and a filter pipe is arranged between the filter net frames in a penetrating manner, and a filter bag is filled in the filter pipe and installed.
Furthermore, an access door is arranged on the surface of the shell of the tail gas purification device.
Furthermore, a circle of heat-insulating layer is wrapped on the shell of the tail gas purification device.
Compared with the prior art, the utility model has the following beneficial effects:
according to the utility model, the waste gas generated in the cleaning system is heated by the heater, and then is combined with the purification catalyst in the cordierite ceramic honeycomb carrier frame, so that the reaction rate is improved, and then the waste gas is filtered by the filter bag, so that the tail gas is more efficiently purified, and the pollution to the environment is reduced.
Drawings
The accompanying drawings, which are included to provide a further understanding of the utility model and are incorporated in and constitute a part of this specification, illustrate embodiments of the utility model and together with the description serve to explain the principles of the utility model and not to limit the utility model. In the drawings:
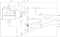
FIG. 1 is a system operating diagram of the present invention;
fig. 2 is a front view of the exhaust gas purifying apparatus of the present invention;
fig. 3 is a schematic structural view of an exhaust gas purifying apparatus of the present invention.
In the figure: 1. cleaning the system; 2. cleaning the furnace; 3. a gas scrubber; 4. a spray tank; 5. a water-ring vacuum pump; 6. a wastewater tank; 7. an exhaust gas purification device; 8. an air inlet pipe; 9. an air outlet pipe; 10. a heat insulation plate; 11. a heater; 12. a via hole; 13. a first slot; 14. a second slot; 15. a cordierite ceramic honeycomb carrier frame; purifying the catalyst; 17. a filter screen frame; 18. a filter tube; 19. a filter bag; 20. an access door; 21. and (7) an insulating layer.
Detailed Description
The technical solutions in the embodiments of the present invention will be clearly and completely described below with reference to the drawings in the embodiments of the present invention, and it is obvious that the described embodiments are only a part of the embodiments of the present invention, and not all of the embodiments. All other embodiments, which can be derived by a person skilled in the art from the embodiments given herein without making any creative effort, shall fall within the protection scope of the present invention.
The first embodiment is as follows:
the horizontal type hydrolysis vacuum cleaning furnace with the tail gas purification device as shown in figures 1 to 3 in the attached drawings of the specification comprises a cleaning system 1, wherein the cleaning system 1 also comprises a cleaning furnace 2, a gas washing tower 3, a spraying tank 4, a water ring vacuum pump 5 and a waste water tank 6, the tail gas purification device 7 is arranged between the gas washing tower 3 and the spraying tank 4, two ends of the tail gas purification device 7 are respectively provided with an air inlet pipe 8 and an air outlet pipe 9 in a penetrating way, one side of the inner cavity of the tail gas purification device 7, which is close to the air inlet pipe 8, is provided with two heat insulation plates 10, a heater 11 is arranged between the heat insulation plates 10, the heat insulation plates 10 are provided with a plurality of via holes 12, the other side of the inner cavity of the tail gas purification device 7 is sequentially provided with a first slot 13 and a second slot 14, a cordierite ceramic honeycomb carrier frame 15 is inserted and installed in the first slot 13, and a purification catalyst 16 is installed in the cordierite ceramic honeycomb carrier frame 15, the second slot 14 is inserted with a filter net rack 17, a filter pipe 18 is arranged between the filter net racks 17 in a penetrating way, and a filter bag 19 is arranged in the filter pipe 18 in a filling way.
In order to facilitate inspection and maintenance of the inside of the exhaust gas purifying device 7 and replacement of the purifying catalyst 16 and the filter bag 19 inside, further, an access door 20 is installed on the surface of the housing of the exhaust gas purifying device 7.
In order to make the reaction with oxygen and the purifying catalyst 16 easier at high temperature and to effectively reduce the energy consumption, the casing of the exhaust gas purifying device 7 is wrapped with a ring of insulating layer 21.
According to the utility model, the waste gas generated in the cleaning system 1 is heated by the heater 11, and then is combined with the purification catalyst 16 in the cordierite ceramic honeycomb carrier frame 15, so that the reaction rate is improved, and then the waste gas is filtered by the filter bag 19, so that the tail gas is more efficiently purified, and the pollution to the environment is reduced.
Example two:
according to the horizontal type hydrolysis vacuum cleaning furnace with the tail gas purification device, a large amount of waste gas generated in a cleaning system 1 can directly enter a waste water tank 6 through a gas washing tower 3 for discharging, can also be extracted through a water ring vacuum pump 5 to be purified through a tail gas purification device 7, the waste gas enters through an air inlet pipe 8 of the tail gas purification device 7, a heater 11 is preheated in advance, a thermal insulation plate 10 can better perform internal temperature rise, the waste gas enters and is discharged through a through hole 12, the temperature rise is performed between the thermal insulation plates 10, the waste gas can better perform reaction with oxygen, then the waste gas reacts with an internal purification catalyst 16 when passing through a cordierite ceramic honeycomb carrier frame 15, the reaction rate is improved, the tail gas purification treatment is better performed, the primarily treated waste gas is filtered through a filter bag 19, the filter bag 19 contains a large amount of activated carbon particles, impurities are effectively absorbed in a large area, and then the impurities are discharged through the gas outlet pipe 9, so that tail gas is effectively purified, the purification efficiency is greatly improved, the discharge time of the tail gas is lower than the national discharge standard, the damage to the surrounding environment and residents is avoided, the whole structure is compact, and the purification efficiency is better.
It is noted that, herein, relational terms such as first and second, and the like may be used solely to distinguish one entity or action from another entity or action without necessarily requiring or implying any actual such relationship or order between such entities or actions. Also, the terms "comprises," "comprising," or any other variation thereof, are intended to cover a non-exclusive inclusion, such that a process, method, article, or apparatus that comprises a list of elements does not include only those elements but may include other elements not expressly listed or inherent to such process, method, article, or apparatus.
Finally, it should be noted that: although the present invention has been described in detail with reference to the foregoing embodiments, it will be apparent to those skilled in the art that modifications may be made to the embodiments described above, or equivalents may be substituted for elements thereof. Any modification, equivalent replacement, or improvement made within the spirit and principle of the present invention should be included in the protection scope of the present invention.
Claims (3)
1. The utility model provides a take tail gas cleanup unit's horizontal vacuum cleaning furnace that hydrolysises, includes cleaning system (1), still including wasing stove (2), gas scrubbing tower (3), spray jar (4), water ring vacuum pump (5) and wastewater disposal basin (6) in cleaning system (1), its characterized in that: gas scrubbing tower (3) with install tail gas cleanup unit (7) between spray tank (4), tail gas cleanup unit (7) both ends are run through respectively and are installed intake pipe (8) and outlet duct (9), tail gas cleanup unit (7) inner chamber is close to two heat insulating boards (10) are installed to one side of intake pipe (8), install heater (11) between heat insulating board (10), it has a plurality of conducting holes (12) to open on heat insulating board (10), first slot (13) and second slot (14) are installed in proper order to the inner chamber opposite side of tail gas cleanup unit (7), insert in first slot (13) and install cordierite ceramic honeycomb carrier frame (15), install purification catalyst (16) in cordierite ceramic honeycomb carrier frame (15), insert in second slot (14) and install filter screen frame structure (17), and a filter pipe (18) is installed between the filter net racks (17) in a penetrating manner, and a filter bag (19) is filled in the filter pipe (18).
2. The horizontal type hydrolysis vacuum cleaning furnace with the tail gas purification device as claimed in claim 1, characterized in that: and an access door (20) is arranged on the surface of the shell of the tail gas purification device (7).
3. The horizontal type hydrolysis vacuum cleaning furnace with the tail gas purification device according to claim 1, characterized in that: and a shell of the tail gas purification device (7) is wrapped with a circle of heat-insulating layer (21).
Priority Applications (1)
| Application Number | Priority Date | Filing Date | Title |
|---|---|---|---|
| CN202123044387.5U CN216765127U (en) | 2021-12-06 | 2021-12-06 | Horizontal type hydrolysis vacuum cleaning furnace with tail gas purification device |
Applications Claiming Priority (1)
| Application Number | Priority Date | Filing Date | Title |
|---|---|---|---|
| CN202123044387.5U CN216765127U (en) | 2021-12-06 | 2021-12-06 | Horizontal type hydrolysis vacuum cleaning furnace with tail gas purification device |
Publications (1)
| Publication Number | Publication Date |
|---|---|
| CN216765127U true CN216765127U (en) | 2022-06-17 |
Family
ID=81964876
Family Applications (1)
| Application Number | Title | Priority Date | Filing Date |
|---|---|---|---|
| CN202123044387.5U Active CN216765127U (en) | 2021-12-06 | 2021-12-06 | Horizontal type hydrolysis vacuum cleaning furnace with tail gas purification device |
Country Status (1)
| Country | Link |
|---|---|
| CN (1) | CN216765127U (en) |
Cited By (1)
| Publication number | Priority date | Publication date | Assignee | Title |
|---|---|---|---|---|
| CN115751986A (en) * | 2022-10-10 | 2023-03-07 | 江苏鑫龙化纤机械股份有限公司 | A large-volume environment-friendly vacuum calcination cleaning furnace |
-
2021
- 2021-12-06 CN CN202123044387.5U patent/CN216765127U/en active Active
Cited By (1)
| Publication number | Priority date | Publication date | Assignee | Title |
|---|---|---|---|---|
| CN115751986A (en) * | 2022-10-10 | 2023-03-07 | 江苏鑫龙化纤机械股份有限公司 | A large-volume environment-friendly vacuum calcination cleaning furnace |
Similar Documents
| Publication | Publication Date | Title |
|---|---|---|
| CN202700355U (en) | Fermentation tail gas treatment device | |
| CN216765127U (en) | Horizontal type hydrolysis vacuum cleaning furnace with tail gas purification device | |
| CN211051205U (en) | Waste plastic processing waste gas treatment equipment | |
| CN103952776A (en) | Spinning component hydrolysis washing device and washing method thereof | |
| CN220345374U (en) | Spray tower for white treatment of incinerator flue gas emission | |
| CN215388306U (en) | Waste heat recovery device for high-temperature printing and dyeing waste gas treatment | |
| CN215311249U (en) | An organic waste gas purification device for chemical production | |
| CN213221491U (en) | Biomass fuel boiler flue gas purification device | |
| CN212227757U (en) | Waste heat utilization device of reaction furnace | |
| CN218076965U (en) | Organic matter preheats decomposition equipment with filtering purification function | |
| CN221432567U (en) | Biomass carbonization machine tail gas treatment equipment | |
| CN217449518U (en) | Energy-saving rto waste gas treatment equipment | |
| CN212713351U (en) | Environment-friendly mechanism bamboo charcoal carbonizing apparatus | |
| CN221062070U (en) | Flue gas desulfurization waste heat cyclic utilization device | |
| CN210179650U (en) | Environment-friendly treatment system for gasification lost foam | |
| CN216409800U (en) | High-temperature flue gas recycling device for molybdenum wire furnace | |
| CN214552026U (en) | Textile printing and dyeing high-temperature waste gas utilization device | |
| CN219551290U (en) | Energy waste heat utilization equipment | |
| CN222092901U (en) | Flue gas purification device of thermal power plant | |
| CN111879149A (en) | Dedicated tail gas waste heat recovery processing apparatus of textile printing and dyeing equipment | |
| CN219243551U (en) | An environment-friendly circulating three-chamber combustion steam smoke purifier | |
| CN217041893U (en) | Smoke dust filtering device for high-efficiency coking of coke oven | |
| CN218973276U (en) | New energy boiler flue gas waste heat recovery utilizes device | |
| CN216953093U (en) | Waste gas treatment burner | |
| CN217139770U (en) | High-temperature corrosion metal hot spraying flue gas purification device for thermal power generating unit boiler |
Legal Events
| Date | Code | Title | Description |
|---|---|---|---|
| GR01 | Patent grant | ||
| GR01 | Patent grant |