CN216722060U - Row spacing adjustable seedling taking device for plant seedling selection - Google Patents
Row spacing adjustable seedling taking device for plant seedling selection Download PDFInfo
- Publication number
- CN216722060U CN216722060U CN202220123182.1U CN202220123182U CN216722060U CN 216722060 U CN216722060 U CN 216722060U CN 202220123182 U CN202220123182 U CN 202220123182U CN 216722060 U CN216722060 U CN 216722060U
- Authority
- CN
- China
- Prior art keywords
- seedling
- rod
- fixed column
- plant
- row spacing
- Prior art date
- Legal status (The legal status is an assumption and is not a legal conclusion. Google has not performed a legal analysis and makes no representation as to the accuracy of the status listed.)
- Active
Links
- 241000196324 Embryophyta Species 0.000 title claims abstract description 37
- 238000000034 method Methods 0.000 abstract description 9
- 238000003780 insertion Methods 0.000 description 8
- 230000037431 insertion Effects 0.000 description 8
- 239000002689 soil Substances 0.000 description 7
- 230000008569 process Effects 0.000 description 5
- 230000009471 action Effects 0.000 description 3
- 230000008859 change Effects 0.000 description 3
- 230000000694 effects Effects 0.000 description 2
- 238000012986 modification Methods 0.000 description 2
- 230000004048 modification Effects 0.000 description 2
- 230000001360 synchronised effect Effects 0.000 description 2
- 230000009286 beneficial effect Effects 0.000 description 1
- 238000009313 farming Methods 0.000 description 1
- 230000009467 reduction Effects 0.000 description 1
- 230000004083 survival effect Effects 0.000 description 1
Images
Landscapes
- Transplanting Machines (AREA)
Abstract
The utility model discloses a row spacing adjustable seedling taking device for plant seedling selection, which comprises a fixed column, a clamping plate, a central shaft, a torsion spring, a lifting rod and a traction rope, wherein the clamping plate is arranged on the side of the lower end of the fixed column; further comprising: the supporting rod is arranged on the side of the fixed column, and the outer end of the supporting rod extends into the transverse plate; the sleeve pipe is installed on the inner side of the upper end of the lifting rod, the sleeve pipe is installed at the upper end of the positioning plate through a bearing, and a movable rod is installed inside the positioning plate. Get seedling device with adjustable this plant selects seedling with line spacing can get the seedling at the in-process of getting the seedling to a plurality of seedling plants, can suitably adjust according to the interval between the seedling plant simultaneously.
Description
Technical Field
The utility model relates to the technical field of plant seedling selection, in particular to a row spacing adjustable seedling taking device for plant seedling selection.
Background
In order to improve the survival rate and the crop yield of seedling plant, all can transplant its seedling plant usually at the in-process that carries out farming, in order to improve its transplanting efficiency to seedling plant, corresponding seedling device of getting can all be used mostly.
However, the existing seedling taking device has the following problems:
the holistic seedling efficiency of getting of in-process of getting the seedling of current seedling device is lower, is not convenient for get the seedling to a plurality of seedling plants to very big reduction self work efficiency when getting the seedling, be not convenient for carry out appropriate regulation to it according to the interval between the different seedling plants at the in-process of getting the seedling simultaneously, thereby increased the limitation of getting the seedling device when getting the seedling.
Therefore, a row-spacing adjustable seedling taking device for plant seedling selection is provided so as to solve the problems.
SUMMERY OF THE UTILITY MODEL
The utility model aims to provide a row-spacing adjustable seedling taking device for selecting seedlings for plants, which solves the problems that the existing seedling taking device in the market has low integral seedling taking efficiency in the seedling taking process and is inconvenient to take seedlings from a plurality of seedling plants, so that the working efficiency of the seedling taking device is greatly reduced, and the seedling taking device is inconvenient to properly adjust the seedling taking device according to the spacing between different seedling plants in the seedling taking process, so that the limitation of the seedling taking device in the seedling taking process is increased.
In order to achieve the purpose, the utility model provides the following technical scheme: a row spacing adjustable seedling taking device for plant seedling selection comprises a fixed column, a clamping plate, a central shaft, a torsion spring, a lifting rod and a traction rope, wherein the clamping plate is mounted on the side of the lower end of the fixed column, the central shaft is arranged at the upper end of the clamping plate, the torsion spring for providing reset elasticity is mounted on the outer side of the central shaft, the lifting rod is mounted inside the fixed column, and the lower end of the lifting rod and the central shaft are connected with each other through the traction rope;
further comprising:
the supporting rod is arranged on the side of the fixed column, and the outer end of the supporting rod extends into the transverse plate;
the sleeve pipe is installed the upper end inboard of carrying the pull rod, the sleeve pipe passes through the bearing and installs the upper end at the locating plate, and the internally mounted of locating plate has the movable rod, be connected with the inserted block on the movable rod, and the inboard of movable rod is provided with the built-in spring that provides elasticity that resets, second inserted block on the movable rod inserts in the inside of linking up the groove, and links up the groove and set up on the diaphragm.
Preferably, the lower end of the clamping plate is of an isosceles triangle structure, and the clamping plate forms a rotating structure through the central shaft and the lower end edge side of the fixed column.
Through adopting above-mentioned technical scheme, utilize to press from both sides the isosceles triangle structure of getting board lower extreme to can make it insert in soil.
Preferably, be fixed connection between bracing piece and the fixed column, and the outer end outer wall of bracing piece and the inner wall of diaphragm laminate each other to be sliding connection between bracing piece and the diaphragm.
Through adopting above-mentioned technical scheme, laminate each other between bracing piece and the diaphragm to can guarantee the stability that the bracing piece removed on the diaphragm, prevent that its phenomenon that appears rocking.
Preferably, the width of the lower end of the lifting rod is equal to the inner diameter of the fixed column, and the lifting rod can move in the vertical direction in the fixed column.
Through adopting above-mentioned technical scheme, thereby can rotate through haulage rope pulling center pin through carrying out the removal of pull rod.
Preferably, the sleeve is in threaded connection with the upper ends of the left and right lifting rods, and the threads on the outer walls of the upper ends of the left and right lifting rods are opposite in direction.
Through adopting above-mentioned technical scheme, thereby utilize the rotation of sleeve pipe can make the synchronous relative movement of the lifting rod of reverse screw thread.
Preferably, the inserting blocks are uniformly distributed on the side of the movable rod, an elastic telescopic structure is formed between the movable rod and the positioning plate through a built-in spring, and the outer wall of each inserting block is attached to the inner wall of the corresponding connecting groove.
Through adopting above-mentioned technical scheme, utilize built-in spring's setting to make its movable rod after removing to kick-back and reset, the inserted block laminates with linking the groove each other simultaneously to can prevent that the inserted block from appearing rocking in the inside in linking the groove.
Compared with the prior art, the utility model has the beneficial effects that: the row spacing adjustable seedling taking device for selecting seedlings of plants can take seedlings of a plurality of seedling plants in the seedling taking process and can be properly adjusted according to the spacing between the seedling plants;
1. be provided with the lifting rod, promote the lifting rod downwards and make it press from both sides to get the board and insert to moist soil, upwards stimulate the locating plate this moment, thereby the upward movement of locating plate makes its sleeve pipe take the lifting rod to carry out the simultaneous movement, thereby utilize the removal of lifting rod to make it press from both sides to get the board and rotate under the effect of haulage rope, thereby draw in the moist soil of seedling plant bottom in from this, after fixing the locating plate position, only need upwards to lift the lifting rod and can accomplish holistic seedling operation of getting
2. Be provided with the sleeve pipe, when needs are adjusted according to the interval between the seedling plant, rotate the sleeve pipe, the sheathed tube rotation can make the lifting rod carry out relative movement under reverse screw thread's effect, and then can make its fixed column carry out synchronous movement through the relative movement who lifts the pull rod, utilizes the change of distance between two fixed columns from this, can accomplish to change according to the interval between the seedling plant, reduces the limitation of device in the use.
Drawings
FIG. 1 is a schematic cross-sectional front view of the present invention;
FIG. 2 is a perspective view of the clamping plate and the central shaft of the present invention;
FIG. 3 is a schematic cross-sectional view of the spindle and torsion spring of the present invention;
FIG. 4 is a cross-sectional structural view of the lifting rod and the casing of the present invention;
FIG. 5 is a schematic top view of the cross plate and the positioning plate of the present invention;
FIG. 6 is a schematic sectional view of the positioning plate and the movable rod of the present invention.
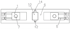
In the figure: 1. fixing a column; 2. clamping the plate; 3. a central shaft; 4. a torsion spring; 5. a support bar; 6. a transverse plate; 7. lifting a pull rod; 8. a hauling rope; 9. a sleeve; 10. positioning a plate; 11. a movable rod; 12. inserting a block; 13. a built-in spring; 14. a joining groove.
Detailed Description
The technical solutions in the embodiments of the present invention will be clearly and completely described below with reference to the drawings in the embodiments of the present invention, and it is obvious that the described embodiments are only a part of the embodiments of the present invention, and not all of the embodiments. All other embodiments, which can be derived by a person skilled in the art from the embodiments given herein without making any creative effort, shall fall within the protection scope of the present invention.
Referring to fig. 1-6, the present invention provides a technical solution: a row spacing adjustable seedling taking device for plant selection comprises a fixed column 1, a clamping plate 2, a central shaft 3, a torsion spring 4, a lifting rod 7 and a traction rope 8, wherein the clamping plate 2 is mounted on the side of the lower end of the fixed column 1, the central shaft 3 is arranged at the upper end of the clamping plate 2, the torsion spring 4 for providing reset elasticity is mounted on the outer side of the central shaft 3, the lifting rod 7 is mounted inside the fixed column 1, and the lower end of the lifting rod 7 and the central shaft 3 are connected with each other through the traction rope 8; further comprising:
the supporting rod 5 is arranged on the side of the fixed column 1, and the outer end of the supporting rod 5 extends into the transverse plate 6; the sleeve 9 is installed on the inner side of the upper end of the lifting rod 7, the sleeve 9 is installed on the upper end of the positioning plate 10 through a bearing, the movable rod 11 is installed inside the positioning plate 10, the insertion block 12 is connected to the movable rod 11, the inner side of the movable rod 11 is provided with the built-in spring 13 for providing the reset elastic force, the second insertion block 12 on the movable rod 11 is inserted into the joining groove 14, and the joining groove 14 is formed in the transverse plate 6. The lower end of the clamping plate 2 is arranged to be an isosceles triangle structure, and the clamping plate 2 forms a rotating structure through the central shaft 3 and the lower end edge side of the fixed column 1. The lower end width of the lifting rod 7 is equal to the inner diameter of the fixed column 1, and the lifting rod 7 can move in the vertical direction in the fixed column 1. The insertion blocks 12 are uniformly distributed on the side of the movable rod 11, an elastic telescopic structure is formed between the movable rod 11 and the positioning plate 10 through the built-in spring 13, and the outer wall of the insertion block 12 is attached to the inner wall of the connecting groove 14.
As shown in fig. 1-3 and 5-6, when seedling taking is required, because the second insertion block 12 on the movable rod 11 is inserted into the horizontal plate 6 in the initial state, the lifting rod 7 is forced and does not move inside the fixed column 1, then the lifting rod 7 is pushed upwards, the gripping plate 2 at the lower end of the fixed column 1 can be inserted into moist soil after the lifting rod 7 is forced, then the insertion block 12 at the uppermost end is pressed against the inner side of the positioning plate 10, the insertion block 12 contracts into the positioning plate 10 after being forced, then the lifting rod 7 is pulled upwards, the gripping plate 2 can be moved inside the fixed column 1 after the lifting rod 7 is forced, the gripping plate 2 can be pulled to rotate under the action of the traction rope 8 after the lifting rod 7 moves upwards, so that the gripping plate 2 gathers soil at the bottom of the seedling plant, at this time, the insertion block 12 at the uppermost end of the positioning plate 10 is released, the inserting blocks 12 are reset under the action of the built-in spring 13, then the inserting blocks 12 at the lowest end of the positioning plate 10 are inserted into the connecting grooves 14 on the transverse plate 6 again, the fixing of the positioning plate 10 can be completed, and after the positioning plate 10 is fixed, the lifting rods 7 are lifted upwards, so that the young plants can be taken out from the moist soil.
Be fixed connection between bracing piece 5 and the fixed column 1, and the outer end outer wall of bracing piece 5 and the inner wall of diaphragm 6 laminate each other to be sliding connection between bracing piece 5 and the diaphragm 6.
The sleeve 9 is in threaded connection with the upper ends of the left and right lifting rods 7, and the threads on the outer walls of the upper ends of the left and right lifting rods 7 are opposite in direction.
As shown in fig. 1, 4 and 5, when the distance between the seedlings needs to be adjusted in the process of taking the seedlings, the sleeve 9 is rotated, the sleeve 9 rotates to enable the lifting rods 7 on the two sides to move relatively under the action of the reverse threads, and the fixed columns 1 can be pushed to move synchronously relative to each other by the aid of the movement of the lifting rods 7, so that the distance between the fixed columns 1 on the two sides is changed, self-adaptive adjustment can be performed according to the distance between the seedlings, and limitation of the device in taking the seedlings is reduced.
The working principle is as follows: when using this plant to select seedling to get seedling device with adjustable row spacing, at first according to fig. 1-6 show, thereby can make it press from both sides and get board 2 and rotate at fixed column 1 inside removal through lifting rod 7, thereby utilize the rotation that presss from both sides and get board 2 to draw in soil in, upwards lift up the device this moment and can dig out the seedling plant, when needs adjust according to the interval of seedling plant, only need rotating sleeve 9, sleeve 9's rotation can make the lifting rod 7 of both sides carry out relative movement, the removal that utilizes lifting rod 7 and then can make its fixed column 1 adjacent distance change, and then adjust according to the row spacing of seedling plant with this, reduce the holistic limitation of device.
Those not described in detail in this specification are within the skill of the art.
Although the present invention has been described in detail with reference to the foregoing embodiments, it will be apparent to those skilled in the art that various changes in the embodiments and/or modifications of the utility model can be made, and equivalents and modifications of some features of the utility model can be made without departing from the spirit and scope of the utility model.
Claims (6)
1. A row spacing adjustable seedling taking device for plant planting and seedling selection comprises a fixed column (1), a clamping plate (2), a central shaft (3), a torsion spring (4), a lifting rod (7) and a traction rope (8), wherein the clamping plate (2) is mounted on the side of the lower end of the fixed column (1), the central shaft (3) is arranged at the upper end of the clamping plate (2), the torsion spring (4) for providing reset elasticity is mounted on the outer side of the central shaft (3), the lifting rod (7) is mounted inside the fixed column (1), and the lower end of the lifting rod (7) is connected with the central shaft (3) through the traction rope (8);
it is characterized by also comprising:
the supporting rod (5) is arranged on the side of the fixing column (1), and the outer end of the supporting rod (5) extends into the transverse plate (6);
sleeve pipe (9) install the upper end of carrying pull rod (7) is inboard, sleeve pipe (9) are installed in the upper end of locating plate (10) through the bearing, and the internally mounted of locating plate (10) has movable rod (11), be connected with inserted block (12) on movable rod (11), and the inboard of movable rod (11) is provided with built-in spring (13) that provide elasticity that resets, second inserted block (12) on movable rod (11) insert in the inside of linking groove (14), and link up groove (14) and set up on diaphragm (6).
2. The row spacing adjustable seedling picking device for plant seedling selection according to claim 1, characterized in that: the lower end of the clamping plate (2) is of an isosceles triangle structure, and the clamping plate (2) forms a rotating structure through the lower end edge side of the central shaft (3) and the fixing column (1).
3. The row spacing adjustable seedling picking device for plant seedling selection according to claim 1, characterized in that: the supporting rod (5) is fixedly connected with the fixing column (1), the outer end outer wall of the supporting rod (5) is attached to the inner wall of the transverse plate (6), and the supporting rod (5) is in sliding connection with the transverse plate (6).
4. The row spacing adjustable seedling picking device for plant seedling selection according to claim 1, characterized in that: the width of the lower end of the lifting rod (7) is equal to the inner diameter of the fixed column (1), and the lifting rod (7) can move in the vertical direction in the fixed column (1).
5. The row spacing adjustable seedling picking device for plant seedling selection according to claim 1, characterized in that: the sleeve (9) is in threaded connection with the upper ends of the left and right lifting rods (7), and the threads on the outer walls of the upper ends of the left and right lifting rods (7) are opposite in direction.
6. The row spacing adjustable seedling picking device for plant seedling selection according to claim 1, characterized in that: the inserting blocks (12) are uniformly distributed on the side of the movable rod (11), an elastic telescopic structure is formed between the movable rod (11) and the positioning plate (10) through the built-in spring (13), and the outer wall of the inserting block (12) is attached to the inner wall of the connecting groove (14).
Priority Applications (1)
| Application Number | Priority Date | Filing Date | Title |
|---|---|---|---|
| CN202220123182.1U CN216722060U (en) | 2022-01-18 | 2022-01-18 | Row spacing adjustable seedling taking device for plant seedling selection |
Applications Claiming Priority (1)
| Application Number | Priority Date | Filing Date | Title |
|---|---|---|---|
| CN202220123182.1U CN216722060U (en) | 2022-01-18 | 2022-01-18 | Row spacing adjustable seedling taking device for plant seedling selection |
Publications (1)
| Publication Number | Publication Date |
|---|---|
| CN216722060U true CN216722060U (en) | 2022-06-14 |
Family
ID=81915222
Family Applications (1)
| Application Number | Title | Priority Date | Filing Date |
|---|---|---|---|
| CN202220123182.1U Active CN216722060U (en) | 2022-01-18 | 2022-01-18 | Row spacing adjustable seedling taking device for plant seedling selection |
Country Status (1)
| Country | Link |
|---|---|
| CN (1) | CN216722060U (en) |
-
2022
- 2022-01-18 CN CN202220123182.1U patent/CN216722060U/en active Active
Similar Documents
| Publication | Publication Date | Title |
|---|---|---|
| CN216722060U (en) | Row spacing adjustable seedling taking device for plant seedling selection | |
| CN219248682U (en) | Tomato substrate cultivation planting device | |
| CN111771485A (en) | Paddy field machine depth auto-induction mechanism | |
| CN215346245U (en) | Nursery stock transplanting device | |
| CN214338918U (en) | Peony is nursery stock grafting device for breeding | |
| CN209251233U (en) | Pear tree sapling cultivates nursery | |
| CN115468029A (en) | Water conservancy pipeline supporting and connecting structure and using method thereof | |
| CN211353263U (en) | Novel agricultural crop seedling growing device | |
| CN210137651U (en) | Agricultural seedling frame with adjustable | |
| CN217011961U (en) | Climbing device for crop planting | |
| CN221488522U (en) | Fruit and vegetable planting frame for agricultural planting | |
| CN216650759U (en) | Sterilization frame that bacterial was used | |
| CN218279214U (en) | Flower planting frame convenient to dismantle | |
| CN222582984U (en) | Soil and water conservation plant field planting device | |
| CN214546149U (en) | Detachable seedling support frame for garden landscape | |
| CN220044375U (en) | Adjustable seedling support equipment | |
| CN218302487U (en) | Tomato growing trellis | |
| CN215223412U (en) | Warmhouse booth tomato is planted and is used climbing rack | |
| CN220157162U (en) | Double-layer planting frame for dragon fruits | |
| CN218499708U (en) | Forestry is raised seedling and is planted device | |
| CN202026581U (en) | Miniature cultivator | |
| CN218789475U (en) | Directional breeding device of golden leaf compound leaf maple | |
| CN219228510U (en) | Rice planting seedling raising tray | |
| CN220757107U (en) | Planting pergola convenient to adjust | |
| CN221355122U (en) | Portable crop fixing frame |
Legal Events
| Date | Code | Title | Description |
|---|---|---|---|
| GR01 | Patent grant | ||
| GR01 | Patent grant |