CN216681195U - 一种用于陀螺支架铣削加工的夹具 - Google Patents
一种用于陀螺支架铣削加工的夹具 Download PDFInfo
- Publication number
- CN216681195U CN216681195U CN202122889087.0U CN202122889087U CN216681195U CN 216681195 U CN216681195 U CN 216681195U CN 202122889087 U CN202122889087 U CN 202122889087U CN 216681195 U CN216681195 U CN 216681195U
- Authority
- CN
- China
- Prior art keywords
- positioning
- supporting seat
- base
- cover plate
- workpiece
- Prior art date
- Legal status (The legal status is an assumption and is not a legal conclusion. Google has not performed a legal analysis and makes no representation as to the accuracy of the status listed.)
- Active
Links
- 238000003801 milling Methods 0.000 title claims abstract description 14
- 230000006835 compression Effects 0.000 claims description 4
- 238000007906 compression Methods 0.000 claims description 4
- 238000000034 method Methods 0.000 description 5
- 238000012545 processing Methods 0.000 description 5
- 239000000523 sample Substances 0.000 description 2
- 230000007547 defect Effects 0.000 description 1
- 238000010586 diagram Methods 0.000 description 1
- 230000000694 effects Effects 0.000 description 1
- 238000009434 installation Methods 0.000 description 1
- 238000012423 maintenance Methods 0.000 description 1
- 238000012986 modification Methods 0.000 description 1
- 230000004048 modification Effects 0.000 description 1
- 238000012856 packing Methods 0.000 description 1
- 230000000149 penetrating effect Effects 0.000 description 1
- 230000008092 positive effect Effects 0.000 description 1
- 238000006467 substitution reaction Methods 0.000 description 1
Images
Landscapes
- Machine Tool Units (AREA)
Abstract
本实用新型涉及一种用于陀螺支架铣削加工的夹具,特点为;底座固定在工作台上,底座安装面上加工有纵向滑道槽;工件支撑座为阶梯轴,其垂直固定于底座安装面上远离滑道槽的一端,工件支撑座中心设有螺纹通孔;盖板为带中心通孔的圆盘形盖板;双头螺柱下端与工件支撑座中心连接,双头螺柱上端穿过盖板上的中心通孔,并安装有垫圈和锁紧螺母A,使待加工陀螺支架工件被定心夹紧固定于盖板与工件支撑座的台肩面之间;定位滑块底平面中部纵向设有导向轨,导向轨嵌入到底座上的滑道槽内,使定位滑块沿纵向滑动式装配到底座上方;两个定位螺钉以伸出长度相等的方式连接于定位滑块的前端面;两个定位螺钉的螺钉帽端构成工件定位面。本夹具保证了定位精度,提高了装夹效率。
Description
技术领域
本实用新型属于工装夹具技术领域,特别涉及一种用于陀螺支架铣削加工的夹具。
背景技术
在陀螺支架的铣削加工中,需要对陀螺支架绕z轴方向进行定位。而使用传统的机床自带夹具时,每装夹一次都要使用探头进行反复的调整与找正,导致在陀螺支架批量生产时,操作繁琐,装夹过程耗时占比较大,效率较低。
实用新型内容
本实用新型的目的是在于克服现有技术的不足之处,提供一种可保证定位精度、同时可提高了装夹效率的用于陀螺支架铣削加工的夹具。
本实用新型的上述目的通过如下技术方案来实现:
一种用于陀螺支架铣削加工的夹具,其特征在于:包括底座、工件支撑座、定位滑块、两定位螺钉、双头螺柱和盖板;
底座通过螺钉固定在工作台上,在底座上端中部加工有纵向方向的平面凹槽,平面凹槽的底面形成安装面,在安装面上中部加工有纵向滑道槽;
所述工件支撑座为上小下大的阶梯轴结构,所述工件支撑座通过螺钉垂直固定于底座安装面上远离纵向滑道的一端,在工件支撑座的中心设置有螺纹通孔;
所述盖板为设置有中心通孔的圆盘形盖板;
所述双头螺柱的下端与工件支撑座上的螺纹通孔固定连接,所述双头螺柱的上端穿过盖板上的中心通孔,并在双头螺柱的上端安装有垫圈和锁紧螺母A,使定心安装于工装支撑座上的陀螺支架工件被夹紧固定于盖板与工件支撑座的台肩面之间;
所述定位滑块上加工有底平面,在底平面的中部沿纵向设置有导向轨,该导向轨以间隙配合的方式嵌入到底座上的滑道槽内,使定位滑块沿纵向可滑动式装配到底座上方;在定位滑块的前端面上制有左右两个螺纹孔,两个定位螺钉以伸出长度相等的方式分别连接于该两螺纹孔,并通过垫片和锁紧螺母B固定;两个定位螺钉的螺钉帽端构成与待加工陀螺支架两侧凸耳端面配合的工件定位面。
进一步的:安装在双头螺栓上端的垫片包括锥面垫圈和球面垫圈,锥面垫圈设置于球面垫圈的下方,锥面垫圈的下端与盖板的上端压紧接触,球面垫圈的上端与锁紧螺母A的下端压紧接触。
本实用新型具有的优点和积极效果:
(1)本实用新型中陀螺支架两侧凸耳的定位方法在完成一次定位后可连续使用,避免了每次装夹工件都需使用探头进行反复的调整与找正,提高了装夹效率,有利于批量加工。
(2)本实用新型中的工件支撑座与定位滑块可根据实际零件的大小、外形的需要进行模块化更改替换,可以满足多种同类型零件的加工要求。
(3)本实用新型中的定位滑块前端左右安装的定位螺钉可独立进行调节,从而对夹具在加工、安装过程中引起的误差进行补偿。
(4)本实用新型在完成一次调节后,保持性良好,在经过拆卸后再次安装时依然能够保持原有的误差等级。
(5)本实用新型操作简单,对车间工人的操作技术无太高的要求,适用的操作人员的范围比较广。
附图说明
图1为本实用新型的整体立体结构示意图;
图2为本实用新型整体结构侧视图;
图3为本实用新型整体结构俯视图(不含盖板)示意图;
图4为本实用新型的使用状态参考图;
具体实施方式
以下结合附图并通过实施例对本实用新型的结构作进一步说明。需要说明的是本实施例是叙述性的,而不是限定性的。
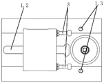
一种用于陀螺支架铣削加工的夹具,请参见图1-4,本夹具运用定位滑块与盖板等结构进行定位夹紧,有效地在保证定位精度的同时提高了装夹效率。主要结构包括:底座1、工件支撑座2、定位滑块4、两定位螺钉3、双头螺柱9和盖板5。其中工件支撑座用于将待加工件陀螺支架进行中心定位和轴向限位,工件支撑座采用阶梯轴结构,其由上小下大的两段圆柱轴构成,上部小直径圆柱的外径与陀螺支架的内径一致,下部大直径圆柱的外径等于或稍大于陀螺支架的外径,两段圆柱轴之间的台肩面为工件的轴向支撑面。
底座采用长方块状结构,在底座上端中部通过铣削加工有沿纵向方向的平面凹槽1.1,平面凹槽的底面形成安装面,在底座上位于平面凹槽的两侧设置有通孔A1.3,与机床工作台上的螺纹盲孔相配合,通过安装螺钉,将底座固定在机床工作台上。在工件定位面上靠近底座一端的位置设置有通孔B,在工件支撑座的中心设置有螺纹通孔,工件支撑座垂直设置在工件定位面的上方,其中心的螺纹通孔与底座上的通孔B对正,通过连接螺钉,将工件支撑座垂直固定在底座上。在工件定位面的中部通过铣削沿纵向加工有滑道槽1.2;在定位滑块上铣削加工有底平面,在底平面的中部沿纵向设置有导向轨,该导向轨以间隙配合的方式嵌入到滑道槽内,使定位滑块沿纵向可滑动式装配到底座上方。
所述双头螺柱的下端与工件支撑座上的中心螺纹通孔连接,所述盖板为中心设置有通孔的圆盘形盖板,盖板通过中心通孔安装在双头螺柱上,在盖板上端位于双头螺栓上依次安装锥面垫圈8、球面垫圈7和连接锁紧螺母A6,使安装于工件支撑座的轴肩上的待加工陀螺支架夹持固定在盖板与工件支撑座的轴肩面之间。锥面垫圈和球面垫圈组合方式有止退作用。在紧固时其在双头螺柱轴向有应力存在,加大了螺纹间的摩擦力。这样的配置,被紧固的对象(包括盖板和陀螺支架)不易松动。同时自动调整位置,使压紧面上受力更均匀。
所述定位滑块上靠近工件支撑座的端面上制有左右两个等高设置的螺纹盲孔,两定位螺钉分别旋装到该两个螺纹盲孔内,调整两定位螺钉的伸出长度,使两个定位螺钉从定位滑块的前端伸出长度相等,通过在两定位螺钉上位于定位滑块的前端面安装垫片11和锁紧螺母B10,使两定位螺钉牢固固定在定位滑块上。上述两定位螺钉的安装位置要保证在待加工的陀螺支架在工件支撑座上转动至两侧的凸耳后端面与定位滑块的前端面平行时,两定位螺钉的螺钉帽与两侧凸耳对正。
一种用于陀螺支架铣削加工的夹具的使用方法:
第一步,通过穿装在底座上通孔A内螺钉将底座固定在工作台上,工件支撑座底面与底座上端的安装面接触,底座通孔B与工件支撑座上的螺纹通孔相配合,通过底座底部的螺钉将工件支撑座固定在底座上,定位滑块上的定位凸起以间隙配合的方式安装到底座上的滑道槽内。
第二步,将工件陀螺支架套在工件支撑座上,其底面与工件支撑座轴肩接触,双头螺栓一端拧入工件支撑座上的螺纹通孔中。
第三步,两个定位螺钉分别与定位滑块前端左右的两处螺纹盲孔相配合,并在定位螺钉上安装垫片和锁紧螺母,通过正/反转调节两定位螺钉的前端螺钉帽与定位滑块前端面的距离,待距离调整一致后,拧紧锁紧螺母,使两定位螺钉水平固定在定位滑块上。
第四步,将定位滑块向工件方向推动,抵住工件陀螺支架两侧凸耳,对工件绕z轴方向进行定位并保持抵住状态。
第五步,将盖板穿过双头螺栓压在陀螺支架上端面,依次在双头螺栓上安装锥面垫圈、球面垫圈、螺母。
第六步,确认两定位螺钉抵住工件陀螺支架两侧凸耳,拧紧双头螺栓上端锁紧螺母,之后定位滑块可以推回初始位置。
之后,就可对陀螺支架凸耳的前后侧面进行铣削加工。
采用上述夹具对陀螺支架进行批量加工时,在两个定位螺钉一次调整到位后,后续加工就不需再进行调整,每加工一个陀螺支架100,只需要拆卸下双头螺栓上端的垫圈和锁紧螺母A,取下盖板,将待加工的陀螺支架放置在工件支撑座的台肩面上,朝工件推动定位滑块,使两定位螺钉抵住工件陀螺支架两侧凸耳101后,再放置上盖板,安装上双头螺栓上端的两垫片和锁紧螺母A即可,从而实现了陀螺支架的快速准确定位和固定,提高了陀螺支架的装夹效率。
尽管为说明目的公开了本实用新型的实施例和附图,但是本领域的技术人员可以理解:在不脱离本实用新型及所附权利要求的精神范围内,各种替换、变化和修改都是可以的,因此,本实用新型的范围不局限于实施例和附图所公开的内容。
Claims (2)
1.一种用于陀螺支架铣削加工的夹具,其特征在于:包括底座、工件支撑座、定位滑块、两定位螺钉、双头螺柱和盖板;
底座通过螺钉固定在工作台上,在底座上端中部加工有纵向方向的平面凹槽,平面凹槽的底面形成安装面,在安装面上中部加工有纵向滑道槽;
所述工件支撑座为上小下大的阶梯轴结构,所述工件支撑座通过螺钉垂直固定于底座安装面上远离纵向滑道的一端,在工件支撑座的中心设置有螺纹通孔;
所述盖板为设置有中心通孔的圆盘形盖板;
所述双头螺柱的下端与工件支撑座上的螺纹通孔固定连接,所述双头螺柱的上端穿过盖板上的中心通孔,并在双头螺柱的上端安装有垫圈和锁紧螺母A,使定心安装于工装支撑座上的陀螺支架工件被夹紧固定于盖板与工件支撑座的台肩面之间;
所述定位滑块上加工有底平面,在底平面的中部沿纵向设置有导向轨,该导向轨以间隙配合的方式嵌入到底座上的滑道槽内,使定位滑块沿纵向可滑动式装配到底座上方;在定位滑块的前端面上制有左右两个螺纹孔,两个定位螺钉以伸出长度相等的方式分别连接于该两螺纹孔,并通过垫片和锁紧螺母B固定;两个定位螺钉的螺钉帽端构成与待加工陀螺支架两侧凸耳端面配合的工件定位面。
2.根据权利要求1所述的用于陀螺支架铣削加工的夹具,其特征在于:安装在双头螺栓上端的垫片包括锥面垫圈和球面垫圈,锥面垫圈设置于球面垫圈的下方,锥面垫圈的下端与盖板的上端压紧接触,球面垫圈的上端与锁紧螺母A的下端压紧接触。
Priority Applications (1)
| Application Number | Priority Date | Filing Date | Title |
|---|---|---|---|
| CN202122889087.0U CN216681195U (zh) | 2021-11-19 | 2021-11-19 | 一种用于陀螺支架铣削加工的夹具 |
Applications Claiming Priority (1)
| Application Number | Priority Date | Filing Date | Title |
|---|---|---|---|
| CN202122889087.0U CN216681195U (zh) | 2021-11-19 | 2021-11-19 | 一种用于陀螺支架铣削加工的夹具 |
Publications (1)
| Publication Number | Publication Date |
|---|---|
| CN216681195U true CN216681195U (zh) | 2022-06-07 |
Family
ID=81834815
Family Applications (1)
| Application Number | Title | Priority Date | Filing Date |
|---|---|---|---|
| CN202122889087.0U Active CN216681195U (zh) | 2021-11-19 | 2021-11-19 | 一种用于陀螺支架铣削加工的夹具 |
Country Status (1)
| Country | Link |
|---|---|
| CN (1) | CN216681195U (zh) |
Cited By (1)
| Publication number | Priority date | Publication date | Assignee | Title |
|---|---|---|---|---|
| CN114894188A (zh) * | 2022-07-14 | 2022-08-12 | 中国船舶重工集团公司第七0七研究所 | 半球谐振陀螺惯性导航系统用台体及其加工方法 |
-
2021
- 2021-11-19 CN CN202122889087.0U patent/CN216681195U/zh active Active
Cited By (1)
| Publication number | Priority date | Publication date | Assignee | Title |
|---|---|---|---|---|
| CN114894188A (zh) * | 2022-07-14 | 2022-08-12 | 中国船舶重工集团公司第七0七研究所 | 半球谐振陀螺惯性导航系统用台体及其加工方法 |
Similar Documents
| Publication | Publication Date | Title |
|---|---|---|
| CN205834798U (zh) | 用于加工轴承座端面均布螺孔的立式加工中心可调夹具 | |
| CN101745831A (zh) | 气动式异形工件加工夹具 | |
| CN112025351A (zh) | 加工薄壁异型壳体的组合夹具及薄壁异型壳体的加工方法 | |
| CN111113096A (zh) | 汽车空压机支架零件铣平面、钻孔加工夹具及其使用方法 | |
| CN104646686A (zh) | 显微镜目镜座壳体的车削方法 | |
| CN210081215U (zh) | 适用高精度小零件批量生产的工装夹具 | |
| CN216681195U (zh) | 一种用于陀螺支架铣削加工的夹具 | |
| CN104647098A (zh) | 显微镜目镜座壳体车夹具 | |
| CN112823984A (zh) | 一种l形零件钻孔用夹具及使用方法 | |
| CN210849337U (zh) | 一种机械加工用中心孔定位机构 | |
| CN213645980U (zh) | 双法兰工件钻孔工装 | |
| CN203831143U (zh) | 显微镜目镜座壳体车夹具 | |
| CN219151599U (zh) | 多工位可调式端面圆弧车削定位装置 | |
| CN219665796U (zh) | 一种用于航空异型三通接头的铣加工专用夹具 | |
| CN217194118U (zh) | 一种斜盘加工工装 | |
| CN211439088U (zh) | 一种汽车空压机支架零件铣平面、钻孔加工夹具 | |
| CN204639681U (zh) | 泵体加工用夹具 | |
| CN105945524B (zh) | 发动机水管加工方法 | |
| CN213591808U (zh) | 一种加工壳体斜孔的工装 | |
| CN211248384U (zh) | 一种液压工装卡盘 | |
| CN203610725U (zh) | 钻根部阀阀体螺栓孔夹具 | |
| CN107186500A (zh) | 数控车床主轴辅助定位装置 | |
| CN210878651U (zh) | 一种圆柱体零件定位车加工夹具 | |
| CN108237408B (zh) | 一种旋转加工中心夹具 | |
| CN219336867U (zh) | 偏心斜孔分段加工装置 |
Legal Events
| Date | Code | Title | Description |
|---|---|---|---|
| GR01 | Patent grant | ||
| GR01 | Patent grant |