CN216635210U - Precision mold with first-drawing protection mechanism - Google Patents

Precision mold with first-drawing protection mechanism Download PDF

Info

Publication number
CN216635210U
CN216635210U CN202123394596.2U CN202123394596U CN216635210U CN 216635210 U CN216635210 U CN 216635210U CN 202123394596 U CN202123394596 U CN 202123394596U CN 216635210 U CN216635210 U CN 216635210U
Authority
CN
China
Prior art keywords
block
contact
fixed
insert
clamping block
Prior art date
Legal status (The legal status is an assumption and is not a legal conclusion. Google has not performed a legal analysis and makes no representation as to the accuracy of the status listed.)
Withdrawn - After Issue
Application number
CN202123394596.2U
Other languages
Chinese (zh)
Inventor
郑晓春
张嘉
许斌
尹建伟
赵刚
吴建川
于春雨
迟月
葛敬科
杨伏
张文华
张坤
杨颜秋
张海玉
王海涛
孙婷婷
Current Assignee (The listed assignees may be inaccurate. Google has not performed a legal analysis and makes no representation or warranty as to the accuracy of the list.)
Dalian Luanyi Precision Technology Co ltd
Original Assignee
DALIAN LUANYI PRECISION ENGINEERING CO LTD
Priority date (The priority date is an assumption and is not a legal conclusion. Google has not performed a legal analysis and makes no representation as to the accuracy of the date listed.)
Filing date
Publication date
Application filed by DALIAN LUANYI PRECISION ENGINEERING CO LTD filed Critical DALIAN LUANYI PRECISION ENGINEERING CO LTD
Priority to CN202123394596.2U priority Critical patent/CN216635210U/en
Application granted granted Critical
Publication of CN216635210U publication Critical patent/CN216635210U/en
Withdrawn - After Issue legal-status Critical Current
Anticipated expiration legal-status Critical

Links

Images

Landscapes

  • Moulds For Moulding Plastics Or The Like (AREA)

Abstract

A precise mould with a first-drawing protection mechanism belongs to the field of thermoplastic plastic forming moulds and is mainly applied to a protection mechanism of a precise mould with an opposite-inserting surface embedded with a slide block in the plastic product forming process, the simultaneous separation of a fixed mould part template is realized by utilizing the combined action of mould opening force, a spring and a push block, the motion of a floating block is realized by utilizing the linear motion of a first-drawing plate, the first-drawing motion of an opposite-inserting insert is realized by utilizing the thrust of the floating block and a fixture block and the tension of a second spring, the separation of a first fixed block and the floating block is realized by utilizing the limiting action of a shoulder bolt and the retraction action of the fixture block, the reset of the fixture block is realized by utilizing the chamfer pushing action of a guide block on the fixture block, the first-drawing protection mechanism realizes the first-drawing motion of the opposite-inserting insert and the later retraction motion of the slide block insert, the mould opening sequence is ensured, the damage to the mould is prevented, and the mould cost is saved, the mold structure is simplified, the production process of plastic products is stable, the production efficiency is improved, and the reject ratio is reduced.

Description

设有先抽保护机构的精密模具Precise mould with first extraction protection mechanism

技术领域technical field

本实用新型属于热塑性塑料成型模具领域,涉及设有先抽保护机构的精密模具,主要应用于塑料产品成型过程中对插面嵌入滑块的精密模具的保护机构,保证模具开模顺序使模具生产平稳进行,同时保护精密模具的使用寿命。The utility model belongs to the field of thermoplastic plastic molding molds, and relates to a precision mold provided with a first-extraction protection mechanism. Smooth progress while protecting the life of precision molds.

背景技术Background technique

塑料产品有着重量轻、化学稳定性好和电绝缘性能好等优点,在日常生活和工业生产中得到应用广泛,为了实现各种使用和装配需要塑料产品上会设置有深筋和倒扣等形状,塑料产品的成型及批量生产依靠注塑模具来实现,对于成型定模形状的镶件和动模部分滑块有对插部分的时候,常规模具结构无法实现对插镶件先抽滑块后滑的模具结构。Plastic products have the advantages of light weight, good chemical stability and good electrical insulation performance, and are widely used in daily life and industrial production. In order to achieve various uses and assembly needs, plastic products will be provided with deep ribs and undercuts and other shapes. , The molding and mass production of plastic products are realized by injection molds. When the inserts in the shape of the fixed mold and the sliding part of the movable mold have a plug-in part, the conventional mold structure cannot realize the sliding block first and then the sliding block for the insert. mold structure.

发明内容SUMMARY OF THE INVENTION

本实用新型的目的是提供设有先抽保护机构的精密模具,依靠弹簧和推块的共同作用实现了模板的分离,依靠模板分离的力实现对插镶件的先抽,保证塑料产品的顺利生产。The purpose of this utility model is to provide a precision mold with a first-extraction protection mechanism, which realizes the separation of the template by the joint action of the spring and the push block, and realizes the first-extraction of the insert by relying on the force of the template separation, so as to ensure the smooth operation of the plastic product. Production.

本实用新型要解决的技术问题是提供设有先抽保护机构的精密模具,解决设置有深筋和倒扣的塑料产品模具生产过程中存在的问题,保证塑料产品形状,使塑料产品顺利脱模并达到技术要求和使用要求。The technical problem to be solved by the utility model is to provide a precision mold with a first extraction protection mechanism, solve the problems existing in the production process of the plastic product mold with deep ribs and inverted buttons, ensure the shape of the plastic product, and make the plastic product demold smoothly. And meet the technical requirements and use requirements.

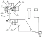
本实用新型的技术方案是:设有先抽保护机构的精密模具其结构包括:热流道板1、先抽板2、定模板3、动模板4、第一拉杆5、推块6、第一弹簧7、第二拉杆8、定模镶块9、浮动块10、档条11、第一固定块12、第二固定块13、卡块14、球头顶丝15、导向块16、限位块17、对插镶件18、带肩螺栓19、第二弹簧20、滑块镶件21、滑块座22、螺钉23和动模镶块24;其连接关系为,热流道板1和先抽板2面接触由导柱导套连接,先抽板2和定模板3面接触由导柱导套连接,定模板3和动模板4面接触由导柱导套连接,第一拉杆5与热流道板1间隙配合,第一拉杆5与先抽板2螺纹连接并固定,推块6与先抽板2面接触滑动配合,推块6与热流道板1面接触并限位,第一弹簧7与推块6间隙配合,第一弹簧7与热流道板1面接触并限位,第二拉杆8与先抽板2面接触螺纹连接并固定,第二拉杆8与定模板3和动模板4间隙配合,定模镶块9与定模扳3面接触紧密配合由螺栓锁紧固定,浮动块10与先抽板2面接触紧密配合由螺栓锁紧固定,档条11与浮动块10面接触紧密配合由挂台限位,第一固定块12与档条11面接触并由档条11限位,第一固定块12与第二固定块13面接触紧密配合由螺栓锁紧固定,第一固定块12与第二固定块13作为一个整体与限位块17面接触并滑动配合,卡块14与浮动块10面接触滑动配合,球头顶丝15与卡块14面接触并限位,球头顶丝15与浮动块10面接触螺纹连接并定位,球头顶丝15与档条11面接触并由档条11限位,浮动块10和卡块14与导向块16面接触滑动配合,导向块16与先抽板2间隙配合,导向块16与定模板3面接触紧密配合由螺栓锁紧固定,限位块17与先抽板2间隙配合,限位块17与定模镶块9面接触紧密配合由螺栓锁紧固定,对插镶件18与第二固定块13面接触紧密配合由挂台限位,对插镶件18与第一固定块12面接触并限位,对插镶件18与滑块镶件21面接触滑动配合,对插镶件18与定模镶块9间隙配合,带肩螺栓19与第一固定块12间隙配合,带肩螺栓19与定模镶块9螺纹连接并固定,第二弹簧20套装在带肩螺栓19上并间隙配合,第二弹簧20与第一固定块12和定模镶块9面接触并限位,滑块镶件21与滑块座22面接触由挂台连接由螺栓锁紧固定,滑块座22与动模板4面接触滑动配合,滑块座22与动模镶块24面接触滑动配合,螺钉23与卡块14螺纹连接并固定,螺钉23与浮动块10间隙配合,动模镶块24与动模板4面接触紧密配合由螺栓锁紧固定。The technical scheme of the utility model is: the structure of the precision mold provided with the first pumping protection mechanism includes: a hot runner plate 1, a first pumping plate 2, a fixed template 3, a movable template 4, a first pull rod 5, a push block 6, a first Spring 7, second pull rod 8, fixed mold insert 9, floating block 10, stop bar 11, first fixed block 12, second fixed block 13, clamping block 14, ball head screw 15, guide block 16, limit block 17. Counter inserts 18, shoulder bolts 19, second springs 20, slider inserts 21, slider bases 22, screws 23 and movable die inserts 24; the connection relationship is that the hot runner plate 1 and the first pump The surface contact of plate 2 is connected by the guide column guide sleeve, the surface contact between the first drawing plate 2 and the fixed template 3 is connected by the guide column guide sleeve, the surface contact between the fixed template 3 and the movable template 4 is connected by the guide column guide sleeve, and the first pull rod 5 is connected with the heat flux. The channel plate 1 is in clearance fit, the first pull rod 5 is screwed and fixed with the first extraction plate 2, the push block 6 is in contact and sliding fit with the first extraction plate 2, the push block 6 is in contact with the hot runner plate 1 and is limited, the first spring 7 and the push block 6 clearance fit, the first spring 7 is in contact with the hot runner plate 1 and is limited, the second pull rod 8 is in contact with the first drawing plate 2 and is threadedly connected and fixed, and the second pull rod 8 is in contact with the fixed template 3 and the movable template. 4 Clearly fit, the fixed die insert 9 is in close contact with the fixed die puller 3 and is locked and fixed by bolts, the floating block 10 is in close contact with the first drawing plate 2 and is fixed by bolt locking, and the stop bar 11 and the floating block 10 The close contact is limited by the hanging platform, the first fixed block 12 is in contact with the rail 11 and is limited by the rail 11, the first fixed block 12 and the second fixed block 13 are in close contact with each other and are locked and fixed by bolts. A fixed block 12 and a second fixed block 13 as a whole are in surface contact with the limit block 17 and are in sliding fit, the clamping block 14 is in surface contact and sliding fit with the floating block 10, and the ball head screw 15 is in surface contact with the clamping block 14 and is limited. The ball head screw 15 is in contact with the floating block 10 and is threadedly connected and positioned. The ball head screw 15 is in contact with the retaining bar 11 and is limited by the retaining bar 11. The floating block 10 and the clamping block 14 are in contact and sliding with the guide block 16. Guide The block 16 is in clearance fit with the first extraction plate 2, the guide block 16 is in close contact with the fixed template 3 and is locked and fixed by bolts, the limit block 17 is in clearance fit with the first extraction plate 2, and the limit block 17 is in contact with the fixed mold insert 9. The contact tight fit is locked and fixed by bolts, the surface contact of the insert insert 18 and the second fixing block 13 is closely matched by the hanging platform, the insert insert 18 and the first fixed block 12 are in surface contact and limited, and the insert insert 18 is in surface contact with the first fixed block 12 and limited 18 and the slider insert 21 are in surface contact and sliding fit, the opposite insert 18 is in clearance fit with the fixed die insert 9, the shoulder bolt 19 is in clearance fit with the first fixing block 12, and the shoulder bolt 19 is in clearance fit with the fixed die insert 9 Threaded and fixed, the second spring 20 is sleeved on the shoulder bolt 19 and fits with clearance, the second spring 20 is in surface contact with the first fixing block 12 and the fixed mold insert 9 and is limited, the slider insert 21 and the slider The surface of the seat 22 is in contact with the hanging platform and is locked and fixed by bolts. The slider seat 22 is in contact and sliding with the movable template 4, the slider seat 22 is in contact and sliding with the movable mold insert 24, and the screw 23 is threaded with the clamping block 14. And fix, screw 23 and floating block 1 0 clearance fit, the movable die insert 24 is in close contact with the movable die plate 4 and is locked and fixed by bolts.

所述第一拉杆5上设置有挂台,所述热流道推板1上设置有沉孔,第一拉杆5上设置的挂台与热流道板1上设置的沉孔底面设置有第一距离,所述第一距离等于热流道板1和先抽板2的开模距离;The first pull rod 5 is provided with a hanging table, the hot runner push plate 1 is provided with a counterbore, and the hanging table set on the first pull rod 5 is provided with a first distance from the bottom surface of the counterbore set on the hot runner plate 1. , the first distance is equal to the mold opening distance between the hot runner plate 1 and the first pumping plate 2;

所述推块6上设置有挂台,所述先抽板2上设置有沉孔,推块6上设置的挂台底面与先抽板2上设置的沉孔底面设置有第二距离,所述第二距离等于第一弹簧7推动推块6所滑动的距离,所述推块6可以根据模具大小来设置数量的多少,在先抽板上对称分布,保证推块6施加给定模板3的力量均匀,所述弹簧7和推块6的组合应用可以实现热流道板1、先抽板2和定模板3的同时分离;所述第二拉杆8上设置有挂台,所述定模板3上设置有沉孔,第二拉杆8上设置的挂台底面与定模板3上设置的沉孔底面设置有第三距离,所述第三距离等于先抽板2和定模板3的开模距离;所述带肩螺栓19上设置有挂台,所述第一固定块12上设置有沉孔,带肩螺栓19上设置的挂台底面与固定块12上设置的沉孔底面之间设置有第四距离,所述第四距离等于第一固定块12、第二固定块13和对插镶件18作为整体滑动的距离。The push block 6 is provided with a hanging table, the first extraction plate 2 is provided with a counterbore, and the bottom surface of the hanging table provided on the push block 6 is provided with a second distance from the bottom surface of the counterbore set on the first extraction plate 2, so The second distance is equal to the distance that the first spring 7 pushes the push block 6 to slide, the push block 6 can be set according to the size of the mold, and the number is symmetrically distributed on the first drawing plate to ensure that the push block 6 applies a given template 3 The force is uniform, and the combined application of the spring 7 and the push block 6 can realize the simultaneous separation of the hot runner plate 1, the first drawing plate 2 and the fixed template 3; the second pull rod 8 is provided with a hanging platform, and the fixed template 3 is provided with a counterbore, the bottom surface of the hanging table set on the second pull rod 8 and the bottom surface of the counterbore set on the fixed template 3 are provided with a third distance, and the third distance is equal to the opening of the first drawing plate 2 and the fixed template 3. distance; the shouldered bolt 19 is provided with a hanging table, the first fixing block 12 is provided with a counterbore, and the bottom surface of the hanging table provided on the shouldered bolt 19 and the bottom surface of the countersunk hole provided on the fixing block 12 are provided There is a fourth distance which is equal to the distance over which the first fixing block 12, the second fixing block 13 and the counter insert 18 slide as a whole.

所述浮动块10上设置有斜面,所述第一固定块12上设置有V形槽,所述卡块14上设置有第一倒角、第二倒角、第三倒角、斜面、第一半圆凹面和第二半圆凹面,所述导向块16上设置有斜面和倒角,合模状态下卡块14上设置的第一倒角与第二倒角与第一固定块12上设置的V形槽面接触并限位,浮动块10上设置的斜面、卡块14上设置的斜面与导向块16上设置的斜面面接触并紧密配合,球头顶丝15与卡块14上设置的第二半圆凹面面接触并限位;开模过程中在第二弹簧20张力的作用下,卡块14上设置的第一倒角施加给第一固定块12推力促进第一固定块12连同第二固定块13和对插镶件18一起运动,对插镶件18与滑块镶件21分离,在开模力的作用下第一固定块12上设置的V形槽对卡块14施加反作用力,卡块14回退,当球头顶丝15上设置的球头与卡块14上设置的第一半圆凹面面接触时,卡块14停止运动,螺钉23与卡块14一起做直线运动并对卡块14限位;在合模的过程中卡块14上设置的第三倒角和导向块16上设置的倒角面接触,导向块16上设置的倒角施加给卡块14上设置的第三倒角推力并促进卡块14复位,卡块14复位后,浮动块10和卡块14上设置的斜面与导向块16上设置的斜面接触并滑动配合;所述第一固定块12上设置有T形通槽,所述第二固定块13两侧分别设置有挂台,所述第二固定块13上设置的两处挂台与第一固定块12上设置的T形槽紧密配合并定位。The floating block 10 is provided with an inclined surface, the first fixed block 12 is provided with a V-shaped groove, and the clamping block 14 is provided with a first chamfer, a second chamfer, a third chamfer, a chamfer, and a first chamfer. The semicircular concave surface and the second semicircular concave surface, the guide block 16 is provided with a slope and a chamfer, the first chamfer and the second chamfer set on the clamping block 14 in the clamping state and the first chamfer set on the first fixing block 12. The V-shaped groove surface is in contact and limited, the inclined surface provided on the floating block 10 and the inclined surface provided on the clamping block 14 are in contact with the inclined surface provided on the guide block 16 and are closely matched, and the ball head screw 15 is set on the clamping block 14. The two semicircular concave surfaces are in contact with each other and are limited; during the mold opening process, under the action of the tension of the second spring 20, the first chamfer provided on the clamping block 14 applies a thrust to the first fixed block 12 to promote the first fixed block 12 together with the second The fixed block 13 and the pair of inserts 18 move together, and the pair of inserts 18 are separated from the slider inserts 21. Under the action of the mold opening force, the V-shaped groove provided on the first fixed block 12 exerts a reaction force on the clamping block 14. , the clamping block 14 retreats, and when the ball head set on the ball head screw 15 contacts the first semicircular concave surface set on the clamping block 14, the clamping block 14 stops moving, and the screw 23 and the clamping block 14 move in a straight line together. The clamping block 14 is limited; the third chamfer set on the clamping block 14 is in contact with the chamfered surface set on the guide block 16 during the mold clamping process, and the chamfer set on the guide block 16 is applied to the clamping block 14. The third chamfering thrust promotes the reset of the clamping block 14. After the clamping block 14 is reset, the inclined surfaces provided on the floating block 10 and the clamping block 14 are in contact and sliding fit with the inclined surfaces provided on the guide block 16; A T-shaped through slot is provided, and hanging platforms are respectively provided on both sides of the second fixing block 13 , and the two hanging platforms provided on the second fixing block 13 are closely matched with the T-shaped slot provided on the first fixing block 12 . and position.

本实用新型的有益效果是:设有先抽保护机构的精密模具利用开模力、第一弹簧7和推块6的共同作用实现定模部分模板的同时分离,利用先抽板2的直线运动实现浮动块10的运动,利用浮动块10和卡块14的推力和第二弹簧20的张力实现第一固定块12、第二固定块13和对插镶件18的先抽运动,利用带肩螺栓19的限位作用和卡块14的回退作用实现第一固定块12与浮动块10的分离,利用导向块16对卡块14的倒角推动作用实现卡块14的复位,所述先抽保护机构实现了对插镶件18的先抽运动,滑块镶件21的后回退运动,保证了模具开模顺序,防止对模具造成损坏,节约了模具成本,简化了模具结构,保证塑料产品生产过程平稳,提高了生产效率,降低不良率。The beneficial effects of the utility model are: the precision mold provided with the first-pulling protection mechanism utilizes the mold opening force, the joint action of the first spring 7 and the push block 6 to realize the simultaneous separation of the fixed mold part templates, and utilizes the linear motion of the first-pulling plate 2 To realize the movement of the floating block 10, the first fixed block 12, the second fixed block 13 and the first-pulling motion of the insert 18 are realized by the thrust of the floating block 10 and the clamping block 14 and the tension of the second spring 20. The limiting action of the bolt 19 and the retreating action of the clamping block 14 realize the separation of the first fixed block 12 and the floating block 10, and the chamfering of the clamping block 14 by the guide block 16 is used to realize the reset of the clamping block 14. The pumping protection mechanism realizes the first pumping movement of the insert 18 and the backward retracting movement of the slider insert 21, which ensures the mold opening sequence, prevents damage to the mold, saves the cost of the mold, simplifies the mold structure, and ensures that the The production process of plastic products is stable, which improves the production efficiency and reduces the defect rate.

附图说明Description of drawings

以下结合附图,以实施例具体说明。Below in conjunction with the accompanying drawings, specific descriptions are given by embodiments.

图1是设有先抽保护机构的精密模具的组装示意图一。FIG. 1 is a schematic diagram 1 of the assembly of a precision mold with a first extraction protection mechanism.

图2是设有先抽保护机构的精密模具的组装示意图二。FIG. 2 is a second assembly schematic diagram of a precision mold provided with a first-pulling protection mechanism.

图3是设有先抽保护机构的精密模具的内部组件的示意图三。FIG. 3 is a schematic diagram 3 of the internal components of the precision mold provided with the first extraction protection mechanism.

图4是设有先抽保护机构的精密模具的内部组件的示意图四。FIG. 4 is a schematic diagram 4 of the internal components of the precision mold provided with the first extraction protection mechanism.

图5是设有先抽保护机构的精密模具的内部组件的示意图五。FIG. 5 is a schematic diagram 5 of the internal components of the precision mold provided with the first extraction protection mechanism.

图6是设有先抽保护机构的精密模具的内部组件的示意图六。FIG. 6 is a schematic diagram 6 of the internal components of the precision mold provided with the first extraction protection mechanism.

图中:1热流道板;2先抽板;3定模板;4动模板;5第一拉杆;6推块;7第一弹簧;8第二拉杆;9定模镶块;10浮动块;11档条;12第一固定块;13第二固定块;14卡块;15球头顶丝;16导向块;17限位块;18对插镶件;19带肩螺栓;20第二弹簧;21滑块镶件;22滑块座;23螺钉;24动模镶块。In the figure: 1 hot runner plate; 2 first draw plate; 3 fixed template; 4 movable template; 5 first pull rod; 6 push block; 7 first spring; 8 second pull rod; 9 fixed mold insert; 10 floating block; 11 gear bar; 12 first fixing block; 13 second fixing block; 14 clamping block; 15 ball head screw; 16 guide block; 17 limit block; 18 pair of inserts; 21 Slider inserts; 22 Slider seats; 23 Screws; 24 Moving die inserts.

具体实施方式Detailed ways

下面结合技术文字和附图详细叙述实用新型的具体实施例。The specific embodiments of the utility model are described in detail below in conjunction with the technical text and the accompanying drawings.

设有先抽保护机构的精密模具本实用新型在模具结构配装上实施,装配模具时热流道板1上装配好的导柱与先抽板2上装配好的导套滑动配合,推块6配装在先抽板2加工好的型腔内,第一弹簧7配装在推块6上加工好的型腔内,第一拉杆5配装在热流道板1加工好的通孔内,第一拉杆5穿过热流道板1与先抽板2加工好的螺纹锁紧链接(如图1和图2),卡块14配装在浮动块10加工好的方穴内,球头顶丝15与浮动块10上加工好的螺纹连接并锁紧,螺钉23与卡块14上加工好的螺纹连接并锁紧,档条11配装在浮动块10侧面加工好的通槽内由挂台限位,浮动块10、档条11和卡块14作为一个整体配装在先抽板2上,螺栓穿过先抽板2将其锁紧固定(如图4和图6),对插镶件18配装在第二固定块13加工好的型腔内并由挂台限位,对插镶件18和第二固定块13作为一个整体配装在第一固定块12加工好的T形槽内(如图5),定模镶块9配装在定模扳3加工好的型腔内螺栓穿过定模扳3将定模镶块9锁紧固定,限位块17配装在定模镶块9加工好的型腔内,导向块16配装在定模板3加工好的型腔内,带肩螺栓19配装在第一固定块12加工好的通孔内,第二弹簧20套装在带肩螺栓19上,第一固定块12、第二固定块13、对插镶件18、带肩螺栓19和第二弹簧20作为一个整体配装在定模扳3加工好的型腔内,定模板3与热流道板1和先抽板2由导柱连接,第二拉杆8穿过定模板3与先抽板2螺纹连接并锁紧(如图2)。动模镶块24配装在动模板4加工好的型腔内,滑块镶件21与滑块座22配装由挂台限位,螺栓穿过滑块镶件21将其固定在滑块座22上,滑块镶件21和滑块座22作为一个整体配装在动模板4加工好的型腔内(如图1和图4)。Precise mold provided with a first-pumping protection mechanism The utility model is implemented on the assembly of the mold structure. When the mold is assembled, the guide post assembled on the hot runner plate 1 is slidably matched with the guide sleeve assembled on the first-pump plate 2, and the push block 6 Fitted in the cavity processed by the first pumping plate 2, the first spring 7 is fitted in the cavity processed on the push block 6, the first pull rod 5 is fitted in the through hole processed in the hot runner plate 1, The first tie rod 5 passes through the hot runner plate 1 and is connected with the thread that has been processed by the first pumping plate 2 (as shown in Figures 1 and 2). The clamping block 14 is fitted in the square cavity processed by the floating block 10. The screw 23 is connected and locked with the processed thread on the floating block 10, and the screw 23 is connected and locked with the processed thread on the clamping block 14. The stop bar 11 is fitted in the processed through groove on the side of the floating block 10 and is limited by the hanging platform. position, the floating block 10, the retaining bar 11 and the clamping block 14 are assembled on the first drawing plate 2 as a whole, and the bolts pass through the first drawing plate 2 to lock and fix it (as shown in Figure 4 and Figure 6), and the inserts 18 is fitted in the cavity processed by the second fixing block 13 and is limited by the hanging table, and the insert 18 and the second fixing block 13 are assembled in the T-shaped groove processed by the first fixing block 12 as a whole. Inside (as shown in Figure 5), the fixed die insert 9 is fitted in the cavity processed by the fixed die puller 3. The bolts pass through the fixed die pulley 3 to lock and fix the fixed die insert 9, and the limit block 17 is fitted on the fixed die plate. The mold insert 9 is in the machined cavity, the guide block 16 is fitted in the machined cavity of the fixed template 3, the shoulder bolt 19 is fitted in the machined through hole of the first fixing block 12, the second spring 20 Set on the shoulder bolt 19, the first fixing block 12, the second fixing block 13, the insert 18, the shoulder bolt 19 and the second spring 20 are assembled in the cavity processed by the fixed die plate 3 as a whole Inside, the fixed template 3 is connected with the hot runner plate 1 and the first pumping plate 2 by guide posts, and the second pull rod 8 passes through the fixed template 3 and is screwed and locked with the first pumping plate 2 (as shown in Figure 2). The movable die insert 24 is assembled in the cavity processed by the movable die plate 4, the slider insert 21 and the slider seat 22 are assembled to be limited by the hanging table, and the bolt passes through the slider insert 21 to fix it on the slider. On the seat 22, the slider insert 21 and the slider seat 22 are assembled as a whole in the cavity processed by the movable template 4 (as shown in Figures 1 and 4).

设有先抽保护机构的精密模具本实用新型在生产中实施,模具注塑过程中,对插镶件18与滑块镶件21紧密配合并封料,注塑完成后,在开模力和弹簧张力的作用下,热流道板1、先抽板2和定模板3同时分离,产品料把与塑料产品分离,对插镶件18与滑块镶件21分离,当第二拉杆8与定模板3接触并限位后,滑块镶件21和滑块座22作为一个整体滑动,脱离塑料产品倒扣部分。Precise mold with first-pulling protection mechanism The utility model is implemented in production. During the injection molding process of the mold, the insert 18 and the slider insert 21 are closely matched and sealed. After the injection is completed, the mold opening force and the spring tension Under the action of the hot runner plate 1, the first drawing plate 2 and the fixed template 3 at the same time, the product material is separated from the plastic product, the insert 18 is separated from the slider insert 21, and when the second pull rod 8 is separated from the fixed template 3 After being contacted and limited, the slider insert 21 and the slider base 22 slide as a whole, and are separated from the undercut part of the plastic product.

以上所述是本实用新型的优越实施方式,应当指出,对于本实用新型所属技术领域的技术人员来说,在不脱离本实用新型技术原理的前提下,还可以做出若干改进和变形,这些改进和变形也应视为本实用新型的保护范围。The above are the advantageous embodiments of the present utility model. It should be pointed out that for those skilled in the art to which the present utility model belongs, some improvements and modifications can be made without departing from the technical principles of the present utility model. These Improvement and deformation should also be regarded as the protection scope of the present invention.

Claims (3)

1.设有先抽保护机构的精密模具,其特征在于其结构包括:热流道板(1)、先抽板(2)、定模板(3)、动模板(4)、第一拉杆(5)、推块(6)、第一弹簧(7)、第二拉杆(8)、定模镶块(9)、浮动块(10)、档条(11)、第一固定块(12)、第二固定块(13)、卡块(14)、球头顶丝(15)、导向块(16)、限位块(17)、对插镶件(18)、带肩螺栓(19)、第二弹簧(20)、滑块镶件(21)、滑块座(22)、螺钉(23)和动模镶块(24);其连接关系为,第一拉杆(5)与热流道板(1)间隙配合,第一拉杆(5)与先抽板(2)螺纹连接并固定,推块(6)与先抽板(2)面接触滑动配合,推块(6)与热流道板(1)面接触并限位,第一弹簧(7)与推块(6)间隙配合,第一弹簧(7)与热流道板(1)面接触并限位,第二拉杆(8)与先抽板(2)面接触螺纹连接并固定,第二拉杆(8)与定模板(3)和动模板(4)间隙配合,浮动块(10)与先抽板(2)面接触紧密配合由螺栓锁紧固定,档条(11)与浮动块(10)面接触紧密配合由挂台限位,第一固定块(12)与档条(11)面接触并由档条(11)限位,第一固定块(12)与第二固定块(13)面接触紧密配合由螺栓锁紧固定,第一固定块(12)与第二固定块(13)作为一个整体与限位块(17)面接触并滑动配合,卡块(14)与浮动块(10)面接触滑动配合,球头顶丝(15)与卡块(14)面接触并限位,球头顶丝(15)与浮动块(10)面接触螺纹连接并定位,球头顶丝(15)与档条(11)面接触并由档条(11)限位,浮动块(10)和卡块(14)与导向块(16)面接触滑动配合,导向块(16)与先抽板(2)间隙配合,导向块(16)与定模板(3)面接触紧密配合由螺栓锁紧固定,限位块(17)与先抽板(2)间隙配合,限位块(17)与定模镶块(9)面接触紧密配合由螺栓锁紧固定,对插镶件(18)与第二固定块(13)面接触紧密配合由挂台限位,对插镶件(18)与第一固定块(12)面接触并限位,对插镶件(18)与滑块镶件(21)面接触滑动配合,对插镶件(18)与定模镶块(9)间隙配合,带肩螺栓(19)与第一固定块(12)间隙配合,带肩螺栓(19)与定模镶块(9)螺纹连接并固定,第二弹簧(20)套装在带肩螺栓(19)上并间隙配合,第二弹簧(20)与第一固定块(12)和定模镶块(9)面接触并限位,螺钉(23)与卡块(14)螺纹连接并固定,螺钉(23)与浮动块(10)间隙配合。1. A precision mold with a first pumping protection mechanism is characterized in that its structure includes: a hot runner plate (1), a first pumping plate (2), a fixed template (3), a movable template (4), a first pull rod (5) ), push block (6), first spring (7), second pull rod (8), fixed die insert (9), floating block (10), rail (11), first fixed block (12), The second fixing block (13), the clamping block (14), the ball head screw (15), the guide block (16), the limit block (17), the insert (18), the shoulder bolt (19), the first Two springs (20), slider inserts (21), slider seats (22), screws (23) and movable mold inserts (24); the connection relationship is that the first pull rod (5) is connected to the hot runner plate ( 1) Clearance fit, the first pull rod (5) is screwed and fixed with the first pumping plate (2), the push block (6) is in contact with the first pumping plate (2), and the push block (6) is in contact with the hot runner plate (2). 1) Surface contact and limit, the first spring (7) and the push block (6) clearance fit, the first spring (7) and the hot runner plate (1) surface contact and limit, the second pull rod (8) and the first The drawing plate (2) is connected and fixed by the surface contact thread, the second tie rod (8) is in clearance fit with the fixed platen (3) and the moving platen (4), and the floating block (10) is in close contact with the first drawing plate (2). The bolts are locked and fixed, the retaining bar (11) and the floating block (10) are in close contact with each other and are limited by the hanging platform, and the first fixing block (12) is in contact with the retaining bar (11) and is limited by the retaining bar (11). , the first fixing block (12) and the second fixing block (13) are in close contact with each other and are locked and fixed by bolts. ) surface contact and sliding fit, the clamping block (14) is in contact with the sliding block (10) surface, the ball head screw (15) is in contact with the clamping block (14) and is limited, the ball head screw (15) is in contact with the floating block (10) Surface-contact threaded connection and positioning, the ball head screw (15) is in surface contact with the rail (11) and is limited by the rail (11), the floating block (10) and the clamping block (14) and the guide block (16) ) surface contact and sliding fit, the guide block (16) is in clearance fit with the first extraction plate (2), the guide block (16) is in close contact with the fixed template (3) in surface contact and is locked and fixed by bolts, and the limit block (17) The drawing plate (2) is in clearance fit, the limit block (17) is in close contact with the fixed die insert (9), and it is locked and fixed by bolts, and the opposite insert (18) is in close contact with the second fixing block (13). The mating is limited by the hanging table, the insert (18) is in surface contact with the first fixing block (12) and is limited, and the insert (18) is in contact with the slider insert (21) for surface contact and sliding fit. The insert (18) is in clearance fit with the fixed die insert (9), the shoulder bolt (19) is in clearance fit with the first fixing block (12), and the shoulder bolt (19) is threadedly connected with the fixed die insert (9). For fixing, the second spring (20) is set on the shoulder bolt (19) and has a clearance fit. The second spring (20) is in surface contact with the first fixing block (12) and the fixed mold insert (9) and is limited, and the screw (23) is screwed and fixed with the clamping block (14), and the screw (23) is in clearance fit with the floating block (10). 2.如权利要求1所述的设有先抽保护机构的精密模具,其特征在于:所述推块(6)上设置有挂台,所述先抽板(2)上设置有沉孔,推块(6)上设置的挂台底面与先抽板(2)上设置的沉孔底面设置有第二距离,所述第二距离等于第一弹簧(7)推动推块(6)所滑动的距离,所述推块(6)可以根据模具大小来设置数量的多少,在先抽板上对称分布,保证推块(6)施加给定模板(3)的力量均匀,所述弹簧(7)和推块(6)的组合应用可以实现热流道板(1)、先抽板(2)和定模板(3)的同时分离;所述带肩螺栓(19)上设置有挂台,所述第一固定块(12)上设置有沉孔,带肩螺栓(19)上设置的挂台底面与固定块(12)上设置的沉孔底面之间设置有第四距离,所述第四距离等于第一固定块(12)、第二固定块(13)和对插镶件(18)作为整体滑动的距离。2. The precision mold provided with a first-pulling protection mechanism according to claim 1, characterized in that: the push block (6) is provided with a hanging table, and the first-pulling plate (2) is provided with countersunk holes, A second distance is set between the bottom surface of the hanging table set on the push block (6) and the bottom surface of the counterbore set on the first extraction plate (2), and the second distance is equal to the sliding of the push block (6) pushed by the first spring (7). The distance of the push block (6) can be set according to the size of the mold, and it is symmetrically distributed on the first pumping plate to ensure that the push block (6) exerts a uniform force on the given template (3), and the spring (7) The combined application of ) and the push block (6) can realize the simultaneous separation of the hot runner plate (1), the first drawing plate (2) and the fixed template (3); the shoulder bolt (19) is provided with a hanging table, so The first fixing block (12) is provided with a counterbore, and a fourth distance is set between the bottom surface of the hanging table provided on the shoulder bolt (19) and the bottom surface of the counterbore provided on the fixing block (12). The distance is equal to the distance over which the first fixing block (12), the second fixing block (13) and the counter insert (18) slide as a whole. 3.如权利要求1所述的设有先抽保护机构的精密模具,其特征在于:所述浮动块(10)上设置有斜面,所述第一固定块(12)上设置有V形槽,所述卡块(14)上设置有第一倒角、第二倒角、第三倒角、斜面、第一半圆凹面和第二半圆凹面,所述导向块(16)上设置有斜面和倒角,合模状态下卡块(14)上设置的第一倒角与第二倒角与第一固定块(12)上设置的V形槽面接触并限位,浮动块(10)上设置的斜面、卡块(14)上设置的斜面与导向块(16)上设置的斜面面接触并紧密配合,球头顶丝(15)与卡块(14)上设置的第二半圆凹面面接触并限位;开模过程中在第二弹簧(20)张力的作用下,卡块(14)上设置的第一倒角施加给第一固定块(12)推力促进第一固定块(12)连同第二固定块(13)和对插镶件(18)一起运动,对插镶件(18)与滑块镶件(21)分离,在开模力的作用下第一固定块(12)上设置的V形槽对卡块(14)施加反作用力,卡块(14)回退,当球头顶丝(15)上设置的球头与卡块(14)上设置的第一半圆凹面面接触时,卡块(14)停止运动,螺钉(23)与卡块(14)一起做直线运动并对卡块(14)限位;在合模的过程中卡块(14)上设置的第三倒角和导向块(16)上设置的倒角面接触,导向块(16)上设置的倒角施加给卡块(14)上设置的第三倒角推力并促进卡块(14)复位,卡块(14)复位后,浮动块(10)和卡块(14)上设置的斜面与导向块(16)上设置的斜面接触并滑动配合;所述第一固定块(12)上设置有T形通槽,所述第二固定块(13)两侧分别设置有挂台,所述第二固定块(13)上设置的两处挂台与第一固定块(12)上设置的T形槽紧密配合并定位。3. The precision mold provided with the first extraction protection mechanism according to claim 1, characterized in that: the floating block (10) is provided with a slope, and the first fixing block (12) is provided with a V-shaped groove , the clamping block (14) is provided with a first chamfer, a second chamfer, a third chamfer, a chamfer, a first semicircular concave surface and a second semicircular concave surface, and the guide block (16) is provided with a chamfered surface and a second semicircular concave surface. Chamfering, the first chamfer and the second chamfer set on the clamping block (14) in the clamping state are in contact with the V-shaped groove surface set on the first fixing block (12) and are limited, and the floating block (10) is The provided inclined surface and the inclined surface provided on the clamping block (14) are in contact with the inclined surface provided on the guide block (16) and are closely matched, and the ball head screw (15) is in contact with the second semicircular concave surface provided on the clamping block (14). and limit the position; during the mold opening process, under the action of the tension of the second spring (20), the first chamfer provided on the clamping block (14) is applied to the first fixed block (12) with a thrust to promote the first fixed block (12) Moving together with the second fixing block (13) and the opposite insert (18), the opposite insert (18) is separated from the slider insert (21), and the first fixed block (12) is under the action of the mold opening force The V-shaped groove provided on the upper part exerts a reaction force on the clamping block (14), and the clamping block (14) retreats. When in contact, the clamping block (14) stops moving, and the screw (23) moves linearly with the clamping block (14) to limit the clamping block (14); The three chamfers are in contact with the chamfer surface provided on the guide block (16), and the chamfer provided on the guide block (16) exerts a thrust on the third chamfer provided on the clamping block (14) and promotes the clamping block (14) to reset , after the clamping block (14) is reset, the inclined planes provided on the floating block (10) and the clamping block (14) are in contact with the inclined planes provided on the guide block (16) and are slidably matched; the first fixing block (12) is provided with There are T-shaped through-slots, hanging platforms are respectively provided on both sides of the second fixing block (13), the two hanging platforms provided on the second fixing block (13) and the hanging platforms provided on the first fixing block (12) T-slots fit tightly and locate.
CN202123394596.2U 2021-12-31 2021-12-31 Precision mold with first-drawing protection mechanism Withdrawn - After Issue CN216635210U (en)

Priority Applications (1)

Application Number Priority Date Filing Date Title
CN202123394596.2U CN216635210U (en) 2021-12-31 2021-12-31 Precision mold with first-drawing protection mechanism

Applications Claiming Priority (1)

Application Number Priority Date Filing Date Title
CN202123394596.2U CN216635210U (en) 2021-12-31 2021-12-31 Precision mold with first-drawing protection mechanism

Publications (1)

Publication Number Publication Date
CN216635210U true CN216635210U (en) 2022-05-31

Family

ID=81745551

Family Applications (1)

Application Number Title Priority Date Filing Date
CN202123394596.2U Withdrawn - After Issue CN216635210U (en) 2021-12-31 2021-12-31 Precision mold with first-drawing protection mechanism

Country Status (1)

Country Link
CN (1) CN216635210U (en)

Cited By (1)

* Cited by examiner, † Cited by third party
Publication number Priority date Publication date Assignee Title
CN114161661A (en) * 2021-12-31 2022-03-11 大连銮艺精密模塑制造有限公司 Precision mold with first-drawing protection mechanism

Cited By (2)

* Cited by examiner, † Cited by third party
Publication number Priority date Publication date Assignee Title
CN114161661A (en) * 2021-12-31 2022-03-11 大连銮艺精密模塑制造有限公司 Precision mold with first-drawing protection mechanism
CN114161661B (en) * 2021-12-31 2025-01-07 大连銮艺精密科技股份有限公司 Precision mold with pre-extraction protection mechanism

Similar Documents

Publication Publication Date Title
CN110722752B (en) Combined slider mechanism with multi-angle release
CN106378911B (en) The multi-direction reverse buckle demolding mechanism of injection mold plastic
CN112549466B (en) Mould with composite function ejector rod mechanism
CN106182632B (en) Utilize the buckle molding mold of core-pulling mechanism
CN216635210U (en) Precision mold with first-drawing protection mechanism
CN106113412B (en) A kind of mold for directly releasing slide block insert mechanism equipped with face needle plate
CN104441497B (en) Utilize the mould of slide block Xie Hua mechanism relative to slide block insert molding
CN206230824U (en) The multi-direction reverse buckle demolding mechanism of injection mold plastic
CN210969662U (en) Mold for insert mounting protection and precise positioning
CN107901356B (en) Mold with multi-angle undercut demoulding mechanism
CN114228062B (en) Mold with controllable multi-directional sliding mechanism
CN114161661A (en) Precision mold with first-drawing protection mechanism
CN110667052B (en) Reset protection guide wedge mechanism
CN216635212U (en) Mould with controllable multidirectional sliding mechanism
CN104494061A (en) Mould with main sprue first pumping mechanism
CN103640189A (en) Mold for demolding plastic products by virtue of dovetail groove and spring mechanism
CN210999847U (en) Combined slider mechanism with multi-angle tripping
CN210969763U (en) Reset protection guide wedge mechanism
CN112549471B (en) Mold for forming a combination of double guide rail inclined slider and tunnel slider
CN207841963U (en) A kind of cavity core pulling self-locking slide block mechanism
CN107813465B (en) Precision grade inclined sliding mold release mechanism
CN207954528U (en) Mold equipped with multi-angle reverse buckle demolding mechanism
CN108015990A (en) A kind of core pulling mechanism in die
CN219338462U (en) Core-pulling demoulding structure of injection mould
CN207954490U (en) The controllable Leave out thread mold of stroke

Legal Events

Date Code Title Description
GR01 Patent grant
GR01 Patent grant
CP03 Change of name, title or address

Address after: 116600 No.3 Tianhua Road, Dalian Development Zone, Liaoning Province

Patentee after: Dalian Luanyi Precision Technology Co.,Ltd.

Country or region after: China

Address before: 116600 No.3 Tianhua Road, Dalian Development Zone, Liaoning Province

Patentee before: DALIAN LUANYI PRECISION ENGINEERING Co.,Ltd.

Country or region before: China

CP03 Change of name, title or address
AV01 Patent right actively abandoned

Granted publication date: 20220531

Effective date of abandoning: 20250107

AV01 Patent right actively abandoned

Granted publication date: 20220531

Effective date of abandoning: 20250107

AV01 Patent right actively abandoned
AV01 Patent right actively abandoned