CN216543928U - 隔墙板成型模具用清面装置 - Google Patents
隔墙板成型模具用清面装置 Download PDFInfo
- Publication number
- CN216543928U CN216543928U CN202122980003.4U CN202122980003U CN216543928U CN 216543928 U CN216543928 U CN 216543928U CN 202122980003 U CN202122980003 U CN 202122980003U CN 216543928 U CN216543928 U CN 216543928U
- Authority
- CN
- China
- Prior art keywords
- mold
- cleaning
- pulley
- cleaning device
- partition wall
- Prior art date
- Legal status (The legal status is an assumption and is not a legal conclusion. Google has not performed a legal analysis and makes no representation as to the accuracy of the status listed.)
- Expired - Fee Related
Links
- 238000004140 cleaning Methods 0.000 title claims abstract description 73
- 238000005192 partition Methods 0.000 title claims abstract description 20
- 230000007246 mechanism Effects 0.000 claims abstract description 75
- 239000000463 material Substances 0.000 claims abstract description 27
- 238000009423 ventilation Methods 0.000 claims description 10
- 238000007789 sealing Methods 0.000 claims description 6
- 230000002265 prevention Effects 0.000 claims 1
- 230000009286 beneficial effect Effects 0.000 abstract description 13
- 238000003754 machining Methods 0.000 abstract 1
- 238000010408 sweeping Methods 0.000 abstract 1
- 238000009434 installation Methods 0.000 description 10
- 239000002699 waste material Substances 0.000 description 10
- 238000000034 method Methods 0.000 description 7
- 230000000694 effects Effects 0.000 description 6
- 238000010586 diagram Methods 0.000 description 4
- 230000000903 blocking effect Effects 0.000 description 3
- 229910052918 calcium silicate Inorganic materials 0.000 description 2
- 239000000378 calcium silicate Substances 0.000 description 2
- OYACROKNLOSFPA-UHFFFAOYSA-N calcium;dioxido(oxo)silane Chemical compound [Ca+2].[O-][Si]([O-])=O OYACROKNLOSFPA-UHFFFAOYSA-N 0.000 description 2
- 239000000428 dust Substances 0.000 description 2
- 230000005489 elastic deformation Effects 0.000 description 2
- 239000000843 powder Substances 0.000 description 2
- 238000007790 scraping Methods 0.000 description 2
- 239000004566 building material Substances 0.000 description 1
- 238000004891 communication Methods 0.000 description 1
- 238000005034 decoration Methods 0.000 description 1
- 229910052602 gypsum Inorganic materials 0.000 description 1
- 239000010440 gypsum Substances 0.000 description 1
- 239000012535 impurity Substances 0.000 description 1
- 238000004519 manufacturing process Methods 0.000 description 1
- 238000012986 modification Methods 0.000 description 1
- 230000004048 modification Effects 0.000 description 1
- 238000000465 moulding Methods 0.000 description 1
Images
Classifications
-
- Y—GENERAL TAGGING OF NEW TECHNOLOGICAL DEVELOPMENTS; GENERAL TAGGING OF CROSS-SECTIONAL TECHNOLOGIES SPANNING OVER SEVERAL SECTIONS OF THE IPC; TECHNICAL SUBJECTS COVERED BY FORMER USPC CROSS-REFERENCE ART COLLECTIONS [XRACs] AND DIGESTS
- Y02—TECHNOLOGIES OR APPLICATIONS FOR MITIGATION OR ADAPTATION AGAINST CLIMATE CHANGE
- Y02W—CLIMATE CHANGE MITIGATION TECHNOLOGIES RELATED TO WASTEWATER TREATMENT OR WASTE MANAGEMENT
- Y02W30/00—Technologies for solid waste management
- Y02W30/50—Reuse, recycling or recovery technologies
- Y02W30/91—Use of waste materials as fillers for mortars or concrete
Landscapes
- Cleaning In General (AREA)
Abstract
本实用新型公开了一种隔墙板成型模具用清面装置,包括有运动机构和清扫机构;所述运动机构驱动清扫机构在模具的长度方向上往复运动;所述清扫机构与模具表面接触;所述清扫机构上还连接有吸料机构;所述吸料机构通过清扫机构抽吸物料。本实用新型的有益效果是:解决现有对模具的清洁方式是由操作人员手动清扫,造成较大的工作量且导致影响加工效率的问题。
Description
技术领域
本实用新型涉及隔墙板生产设备技术领域,具体涉及一种隔墙板成型模具用清面装置。
背景技术
现有的隔墙板大多为硅酸钙板,硅酸钙板作为新型绿色环保建材,除具有传统石膏板的功能外,更具有优越防火性能及耐潮、使用寿命超长的优点,大量应用于工商业工程建筑的吊顶天花和隔墙,家庭装修、家具的衬板、广告牌的衬板、仓库的棚板、网络地板以及隧道等室内工程的壁板。
隔墙板在加工过程中,需要使用模具进行成型加工,当隔墙板整体干燥凝固后才能卸下模具,但卸下模具后,模具表面上可能残留有较多的废屑,如果不加以清理则会影响下一次的成型;现有对模具的清洁方式是由操作人员手动清扫,造成较大的工作量且导致影响加工效率的问题。
实用新型内容
本实用新型的目的在于解决现有对模具的清洁方式是由操作人员手动清扫,造成较大的工作量且导致影响加工效率的问题,提供一种隔墙板成型模具用清面装置。
本实用新型的目的通过以下技术方案来实现:一种隔墙板成型模具用清面装置,包括有运动机构和清扫机构;所述运动机构驱动清扫机构在模具的长度方向上往复运动;所述清扫机构与模具表面接触;所述清扫机构上还连接有吸料机构;所述吸料机构通过清扫机构抽吸物料;
所述运动机构包括有步进电机、第一皮带轮、第二皮带轮、皮带和滑块;所述第一皮带轮设置在模具一端上方;所述第二皮带轮相对第一皮带轮设置在模具另一端上方;所述步进电机驱动第一皮带轮转动;所述皮带套装在第一皮带轮和第二皮带轮上;所述滑块固定设置在皮带上;所述滑块与清扫机构顶部连接;
所述滑块顶部还连接有移动块;所述移动块套装在光杆上;所述光杆两端固定在光杆座上;
进一步的,所述清扫机构包括有安装板和刷毛;所述安装板的长度与对应模具的宽度设置;所述刷毛设置在安装板的底部;
进一步的,所述安装板的内部开设有与吸料机构相通的通道;所述安装板的底部开设有通槽;所述通槽与通道连通;
进一步的,所述吸料机构包括有风机、伸缩管、连接管和集料箱;所述伸缩管一端与风机连接;所述伸缩管另一端与集料箱侧壁连接;所述集料箱底部通过连接管与通道连接;
进一步的,所述集料箱的顶部设置有封门;所述伸缩管与集料箱的连接处还设置有过滤网;所述连接管与集料箱的连接处还设置有止逆板;
更进一步的技术方案是所述止逆板上开设有通风孔;所述通风孔上铰接连接有挡片。
本实用新型具有以下优点:
1、通过运动机构带动清扫机构沿模具的长度方向运动,使得清扫机构能够沿着长度方向作用与模具表面,对模具进行有效的清扫,将残余在表面的废屑带离模具表面,有利于避免操作工人手动清扫,有利于减少操作工人的工作负担,有利于提高效率;
2、在清扫机构上方设置吸料机构,有利于在清扫刮除的同时,对废屑和粉末等进行抽吸,有利于提高清扫效果,有利于避免清扫时产生扬尘污染空气环境。
附图说明
图1为本实用新型的安装结构示意图。
图2为本实用新型的部分结构示意图。
图3为清扫机构和吸料机构的安装结构示意图。
图4为安装板的结构示意图。
图5为集料箱的结构示意图。
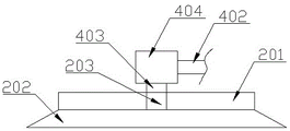
图中:1.运动机构;101.步进电机;102.第一皮带轮;103.第二皮带轮;104.皮带;105.滑块;2.清扫机构;201.安装板;202.刷毛;203.通道;204.通槽;3.模具;4.吸料机构;401.风机;402.伸缩管;403.连接管;404.集料箱;5.移动块;6.光杆;7.光杆座;8.封门;9.过滤网;10.止逆板;101.通风孔;102.挡片。
具体实施方式
为使本实用新型实施方式的目的、技术方案和优点更加清楚,下面将结合本实用新型实施方式中的附图,对本实用新型实施方式中的技术方案进行清楚、完整地描述,显然,所描述的实施方式是本实用新型一部分实施方式,而不是全部的实施方式。通常在此处附图中描述和示出的本实用新型实施方式的组件可以以各种不同的配置来布置和设计。
因此,以下对在附图中提供的本实用新型的实施方式的详细描述并非旨在限制要求保护的本实用新型的范围,而是仅仅表示本实用新型的选定实施方式。基于本实用新型中的实施方式,本领域普通技术人员在没有作出创造性劳动前提下所获得的所有其他实施方式,都属于本实用新型保护的范围。
需要说明的是,在不冲突的情况下,本实用新型中的实施方式及实施方式中的特征可以相互组合。
应注意到:相似的标号和字母在下面的附图中表示类似项,因此,一旦某一项在一个附图中被定义,则在随后的附图中不需要对其进行进一步定义和解释。
在本实用新型的描述中,需要说明的是,术语“中心”、“上”、“下”、“左”、“右”、“竖直”、“水平”、“内”、“外”等指示的方位或位置关系为基于附图所示的方位或位置关系,或者是该实用新型产品使用时惯常摆放的方位或位置关系,或者是本领域技术人员惯常理解的方位或位置关系,仅是为了便于描述本实用新型和简化描述,而不是指示或暗示所指的装置或元件必须具有特定的方位、以特定的方位构造和操作,因此不能理解为对本实用新型的限制。此外,术语“第一”、“第二”等仅用于区分描述,而不能理解为指示或暗示相对重要性。
在本实用新型的描述中,还需要说明的是,除非另有明确的规定和限定,术语“设置”、“安装”、“相连”、“连接”应做广义理解,例如,可以是固定连接,也可以是可拆卸连接,或一体地连接;可以是机械连接,也可以是电连接;可以是直接相连,也可以通过中间媒介间接相连,可以是两个元件内部的连通。对于本领域的普通技术人员而言,可以具体情况理解上述术语在本实用新型中的具体含义。
实施例1:如图1至5所示,一种隔墙板成型模具3用清面装置,包括有运动机构1和清扫机构2;所述运动机构1驱动清扫机构2在模具3的长度方向上往复运动;所述清扫机构2与模具3表面接触;所述清扫机构2上还连接有吸料机构4;所述吸料机构4通过清扫机构2抽吸物料;通过运动机构1带动清扫机构2沿模具3的长度方向运动,使得清扫机构2能够沿着长度方向作用与模具3表面,对模具3进行有效的清扫,将残余在表面的废屑带离模具3表面,有利于避免操作工人手动清扫,有利于减少操作工人的工作负担,有利于提高效率;在清扫机构2上方设置吸料机构4,有利于在清扫刮除的同时,对废屑和粉末等进行抽吸,有利于提高清扫效果,有利于避免清扫时产生扬尘污染空气环境。本实施例中,运动机构1可通过机架安装在加工车间内,需要清扫模具3时,可通过常规市购输送带等结构运输到运动机构1和清扫机构2的下方位置后停止,等到清扫完成后移开,进行下一模具3的清扫工作。
所述运动机构1包括有步进电机101、第一皮带轮102、第二皮带轮103103、皮带104和滑块105;所述第一皮带轮102设置在模具3一端上方;所述第二皮带轮103103相对第一皮带轮102设置在模具3另一端上方;所述步进电机101驱动第一皮带轮102转动;所述皮带104套装在第一皮带轮102和第二皮带轮103103上;所述滑块105固定设置在皮带104上;所述滑块105与清扫机构2顶部连接;本实施例中,步进电机101采用常规市购产品且电连接至外接电源,可根据需要选择任一种合理的结构型号以及适宜的连接安装方式;本实施例中,本实施例中,第一皮带轮102、第二皮带轮103103和皮带104均采用常规具有一定机械强度的材料制成,可根据需要选择任意一种合理的材质结构以及适宜的连接安装方式;本实施例中,当步进电机101驱动第一皮带轮102正转,套装在第一皮带轮102和第二皮带轮103103上的皮带104随之沿模具3的长度方向正向移动,带动滑块105移动,从而带动与滑块105连接的清扫机构2移动,反之,当步进电机101驱动第一皮带轮102反转,则皮带104反向移动,带动清扫机构2沿模具3的长度方向反向移动,从而实现清扫机构2在模具3表面上往复移动,有利于进行清扫作用。本实施例中,第一皮带轮102和第二皮带轮103103均可采用常规市购轴承件安装在机架上。
所述滑块105顶部还连接有移动块5;所述移动块5套装在光杆6上;所述光杆6两端固定在光杆座7上;本实施例中,滑块105顶部设置在移动块5,移动块5套装在光杆6上,当滑块105移动时,移动块5随之在光杆6上沿光杆6的轴线移动,有利于提供滑块105移动的稳定性。移动块5设置在滑块105的顶部,有利于避免对滑块105的安装造成影响;本实施例中,移动块5、光杆6和光杆座7均采用常规具有一定机械强度的材料制成,可根据需要选择任意一种合理的材质;本实施例中,光杆座7可采用常规固定方式安装在机架上。
所述清扫机构2包括有安装板201和刷毛202;所述安装板201的长度与对应模具3的宽度设置;所述刷毛202设置在安装板201的底部;本实施例中,安装板201采用常规具有一定机械强度的材料制成,可根据需要选择任意一种合理的材质;本实施例中,刷毛202采用常规具有一定机械强度和弹性形变力的材料制成,可根据需要选择任一种合理的材质;本实施例中,清扫机构2的刷毛202与模具3接触,有利于在安装板201移动时清扫模具3;安装板201的长度与模具3的宽度对应设置,有利于提高清扫的效果。
所述安装板201的内部开设有与吸料机构4相通的通道203;所述安装板201的底部开设有通槽204;所述通槽204与通道203连通;本实施例中,安装板201的内部开设的通道203有利于与吸料机构4相通,通槽204设置在安装板201的中心处,刷毛202分布在通槽204的两侧,通槽204的宽度设置适宜,可根据需要合理设置;安装板201的底部开设通槽204,并通过通道203与吸料机构4相通,有利于一边清扫一边吸料,有利于提高清面效果。
所述吸料机构4包括有风机401、伸缩管402、连接管403和集料箱404;所述伸缩管402一端与风机401连接;所述伸缩管402另一端与集料箱404侧壁连接;所述集料箱404底部通过连接管403与通道203连接;本实施例中,风机401采用常规市购产品且电连接至外接电源,可根据需要选择任意一种合理的结构型号以及适宜的连接安装方式;本实施例中,伸缩管402采用常规具有一定机械强度和弹性形变力的材料制成,可根据需要选择任一种合理的材质;本实施例中,连接管403和集料箱404采用常规具有一定机械强度的材料制成,可根据需要选择任一种合理的材质;本实施例中,伸缩管402有利于随清扫机构2的移动而灵活调整,当风机401启动,连接管403通过通道203和通槽204向集料箱404内抽吸废屑,废屑被集料箱404拦截在内,有利于对废屑进行抽吸清理,有利于提高清面效果。
所述集料箱404的顶部设置有封门8;所述伸缩管402与集料箱404的连接处还设置有过滤网9;所述连接管403与集料箱404的连接处还设置有止逆板10;本实施例中,封门8采用常规市购结构且与集料箱404采用常规活动连接方式,本实施例中,打开封门8有利于对集料箱404内部进行清洁;本实施例中,过滤网9有利于将抽吸进入到集料箱404内的物料拦截在集料箱404内,有利于避免废屑通过伸缩管402进入到风机401内;本实施例中,滤网采用常规市购滤网结构,可根据需要选择任意一种合理的材质以及过滤孔径。本实施例中,止逆板10有利于在风机401抽吸时空气和杂质进入到集料箱404内,而当风机401停止工作后,止逆板10关闭,有利于避免废屑通过连接管403进入到下通槽204内,有利于将废屑保留在集料箱404内。
所述止逆板10上开设有通风孔11;所述通风孔11上铰接连接有挡片12;本实施例中,挡片12采用常规具有一定机械强度的轻质材料,可根据需要选择任意一种合理的材质;本实施例中,挡片12与通风孔11适配且与通风孔11采用常规铰接连接方式,当气流通过通风孔11后,挡片12被顶起有利于空气夹带着废屑通过,当风机401停止抽风,挡片12受自重落下挡住通风孔11,有利于避免废屑进入到通道203内。
尽管参照前述实施例对本实用新型进行了详细的说明,对于本领域的技术人员来说,其依然可以对前述各实施例所记载的技术方案进行修改,或者对其中部分技术特征进行等同替换,凡在本实用新型的精神和原则之内,所作的任何修改、等同替换、改进等,均应包含在本实用新型的保护范围之内。
Claims (8)
1.一种隔墙板成型模具用清面装置,其特征在于:包括有运动机构和清扫机构;所述运动机构驱动清扫机构在模具的长度方向上往复运动;所述清扫机构与模具表面接触;所述清扫机构上还连接有吸料机构;所述吸料机构通过清扫机构抽吸物料。
2.根据权利要求1所述的隔墙板成型模具用清面装置,其特征在于:所述运动机构包括有步进电机、第一皮带轮、第二皮带轮、皮带和滑块;所述第一皮带轮设置在模具一端上方;所述第二皮带轮相对第一皮带轮设置在模具另一端上方;所述步进电机驱动第一皮带轮转动;所述皮带套装在第一皮带轮和第二皮带轮上;所述滑块固定设置在皮带上;所述滑块与清扫机构顶部连接。
3.根据权利要求2所述的隔墙板成型模具用清面装置,其特征在于:所述滑块顶部还连接有移动块;所述移动块套装在光杆上;所述光杆两端固定在光杆座上。
4.根据权利要求2所述的隔墙板成型模具用清面装置,其特征在于:所述清扫机构包括有安装板和刷毛;所述安装板的长度与对应模具的宽度设置;所述刷毛设置在安装板的底部。
5.根据权利要求4所述的隔墙板成型模具用清面装置,其特征在于:所述安装板的内部开设有与吸料机构相通的通道;所述安装板的底部开设有通槽;所述通槽与通道连通。
6.根据权利要求5所述的隔墙板成型模具用清面装置,其特征在于:所述吸料机构包括有风机、伸缩管、连接管和集料箱;所述伸缩管一端与风机连接;所述伸缩管另一端与集料箱侧壁连接;所述集料箱底部通过连接管与通道连接。
7.根据权利要求6所述的隔墙板成型模具用清面装置,其特征在于:所述集料箱的顶部设置有封门;所述伸缩管与集料箱的连接处还设置有过滤网;所述连接管与集料箱的连接处还设置有止逆板。
8.根据权利要求7所述的隔墙板成型模具用清面装置,其特征在于:所述止逆板上开设有通风孔;所述通风孔上铰接连接有挡片。
Priority Applications (1)
| Application Number | Priority Date | Filing Date | Title |
|---|---|---|---|
| CN202122980003.4U CN216543928U (zh) | 2021-11-30 | 2021-11-30 | 隔墙板成型模具用清面装置 |
Applications Claiming Priority (1)
| Application Number | Priority Date | Filing Date | Title |
|---|---|---|---|
| CN202122980003.4U CN216543928U (zh) | 2021-11-30 | 2021-11-30 | 隔墙板成型模具用清面装置 |
Publications (1)
| Publication Number | Publication Date |
|---|---|
| CN216543928U true CN216543928U (zh) | 2022-05-17 |
Family
ID=81578813
Family Applications (1)
| Application Number | Title | Priority Date | Filing Date |
|---|---|---|---|
| CN202122980003.4U Expired - Fee Related CN216543928U (zh) | 2021-11-30 | 2021-11-30 | 隔墙板成型模具用清面装置 |
Country Status (1)
| Country | Link |
|---|---|
| CN (1) | CN216543928U (zh) |
-
2021
- 2021-11-30 CN CN202122980003.4U patent/CN216543928U/zh not_active Expired - Fee Related
Similar Documents
| Publication | Publication Date | Title |
|---|---|---|
| CN210189211U (zh) | 家具板材自动打孔机 | |
| CN209006887U (zh) | 一种玻璃激光切割机 | |
| KR20210109765A (ko) | 주방 환기용 후드 | |
| CN218428888U (zh) | 一种用于家具板材的切割装置 | |
| CN216543928U (zh) | 隔墙板成型模具用清面装置 | |
| CN216658381U (zh) | 一种加气块模型箱 | |
| CN111603088A (zh) | 一种适用高空楼层的平面玻璃清洁装置 | |
| CN217915801U (zh) | 一种用于电子锯的自动吹灰装置 | |
| CN212399973U (zh) | 一种建筑工程用瓷砖切割装置 | |
| CN211637460U (zh) | 一种自动化固定角码机 | |
| CN111099818B (zh) | 一种中空玻璃、加工机械及加工方法 | |
| CN214100467U (zh) | 直流油泵控制箱 | |
| CN219073668U (zh) | 一种保温棉板生产用环保除尘设备 | |
| CN213694560U (zh) | 一种数据中心机柜 | |
| CN221339017U (zh) | 一种耐压耐火板材切角用清理装置 | |
| CN222625463U (zh) | 一种无机复合保温板往复清扫设备 | |
| CN115199086B (zh) | 一种用于建筑工地的快速成型的活动板房及成型方法 | |
| CN222773471U (zh) | 一种绿色节能的通风结构 | |
| CN222858193U (zh) | 一种保温复合墙板生产装置 | |
| CN215113168U (zh) | 一种双层铝合金风口 | |
| CN218196154U (zh) | 一种钢筋陶粒混凝土轻质墙板裁剪平台 | |
| CN223571404U (zh) | 一种复合保温板生产用防尘设备 | |
| CN218300603U (zh) | 一种电气防护装置 | |
| CN215094701U (zh) | 一种硅酸钙纤维板生产用切割装置 | |
| CN116591374B (zh) | 一种绿色建筑装饰装修工程的吊顶系统 |
Legal Events
| Date | Code | Title | Description |
|---|---|---|---|
| GR01 | Patent grant | ||
| GR01 | Patent grant | ||
| CF01 | Termination of patent right due to non-payment of annual fee | ||
| CF01 | Termination of patent right due to non-payment of annual fee |
Granted publication date: 20220517 |