CN216413574U - 一种可快速接入电缆的备用配电柜 - Google Patents

一种可快速接入电缆的备用配电柜 Download PDF

Info

Publication number
CN216413574U
CN216413574U CN202122440996.6U CN202122440996U CN216413574U CN 216413574 U CN216413574 U CN 216413574U CN 202122440996 U CN202122440996 U CN 202122440996U CN 216413574 U CN216413574 U CN 216413574U
Authority
CN
China
Prior art keywords
cable
cabinet
panel
socket
power distribution
Prior art date
Legal status (The legal status is an assumption and is not a legal conclusion. Google has not performed a legal analysis and makes no representation as to the accuracy of the status listed.)
Expired - Fee Related
Application number
CN202122440996.6U
Other languages
English (en)
Inventor
陈斌
金立我
周侗
戴黎明
戚星宇
夏天雷
马仲坤
苏华
章立
Current Assignee (The listed assignees may be inaccurate. Google has not performed a legal analysis and makes no representation or warranty as to the accuracy of the list.)
State Grid Jiangsu Electric Power Co Ltd
Changzhou Power Supply Co of State Grid Jiangsu Electric Power Co Ltd
State Grid Corp of China SGCC
Original Assignee
State Grid Jiangsu Electric Power Co Ltd
Changzhou Power Supply Co of State Grid Jiangsu Electric Power Co Ltd
State Grid Corp of China SGCC
Priority date (The priority date is an assumption and is not a legal conclusion. Google has not performed a legal analysis and makes no representation as to the accuracy of the date listed.)
Filing date
Publication date
Application filed by State Grid Jiangsu Electric Power Co Ltd, Changzhou Power Supply Co of State Grid Jiangsu Electric Power Co Ltd, State Grid Corp of China SGCC filed Critical State Grid Jiangsu Electric Power Co Ltd
Priority to CN202122440996.6U priority Critical patent/CN216413574U/zh
Application granted granted Critical
Publication of CN216413574U publication Critical patent/CN216413574U/zh
Expired - Fee Related legal-status Critical Current
Anticipated expiration legal-status Critical

Links

Images

Landscapes

  • Patch Boards (AREA)

Abstract

本实用新型公开了一种可快速接入电缆的备用配电柜,包括:柜体、电缆、电缆开关、电流互感器、熔断器、计量表和面板插座;所述柜体包括柜体本体和柜体面板;所述电缆包括电缆进线和电缆出线;所述电缆开关的两端分别连接有电缆进线和电缆出线;所述电流互感器位于所述柜体内,所述电流互感器与所述电缆出线串联;所述熔断器与所述电缆串联;面板插座,置于所述柜体面板上,所述面板插座的输入端位于所述柜体外,所述面板插座的输出端位于所述柜体内,所述面板插座与所述电缆串联。本实用新型将面板插座与三相进线的输入端连接,代替传统结构中位于配电柜后面的接线桩,在维修变电柜时,直接将发电车的线缆插头插入面板插座即可。

Description

一种可快速接入电缆的备用配电柜
技术领域
本实用新型涉及电器设备技术领域,具体为一种可快速接入电缆的备用配电柜。
背景技术
在现代的小区中,都配备有变电房,变电房内配备有变电柜,用于对小区内的住户进行集中供电,如果小区中的电路发生故障或变压器损坏时,需要对小区进行临时供电,具体是由电力部门的发电车进入小区,将发电车接入变电柜对小区进行供电;
同时为了便于维护,变电柜一般由若干个用于分流电路的配电抽屉组成,同时变电柜还包括了备用配电抽屉,当某个配电抽屉的电路发生故障需要检修时,使用备用配电抽屉临时供应用电,用以保证维修期间小区的正常用电,即临时将发电车的通电线缆接入备用配电抽屉。
传统的方案,是在备用配电柜中三相进线的输入端加装接线桩,需要由电力部门的发电车对备用配电柜供电时,将发电车上的线缆接入接线桩进行通电。这种方案中,由于三相进线的输入端位于配电柜的后方,导致线缆接入时需要绕接到整个配电柜的后方,需要线缆长度较长,一旦遇到电柜的方位不合适,线缆的接入就会较为复杂,不利于电路的整修,同时接线桩与线缆的连接并不方便,导致线缆的接入时间变长,同样不利于电路的整修。
本实用新型公开了一种可快速接入电缆的备用配电柜,用于解决上述问题。
实用新型内容
本实用新型的目的在于提供一种可快速接入电缆的备用配电柜,以解决上述背景技术中提出的问题。
为了解决上述技术问题,本实用新型提供如下技术方案:一种可快速接入电缆的备用配电柜,包括:柜体、电缆、电缆开关、电流互感器、熔断器、计量表和面板插座;
所述柜体包括柜体本体和柜体面板;
所述电缆包括电缆进线和电缆出线,电缆进线和电缆出线分别通过通孔穿入柜体本体内;
所述电缆开关位于所述柜体本体内,且所述电缆开关的两端分别连接有电缆进线和电缆出线;
所述电流互感器位于所述柜体内,所述电流互感器与所述电缆出线串联;
所述熔断器位于所述柜体内,所述熔断器与所述电缆串联;
所述计量表位于所述柜体面板上,用于检测通过所述电缆的电量并显示;
所述面板插座有若干,且置于所述柜体面板上,所述面板插座的输入端位于所述柜体外,面板插座的输出端位于柜体内并与电缆串联。
优选的,所述面板插座包括:外壳、电源插口、导电杆和定位板;
所述外壳用于保护插座内芯,且所述外壳穿过所述柜体面板,使所述外壳一端伸入所述柜体内;
所述电源插口位于所述柜体的一端,用于接入配电车的电缆插头;
所述导电杆位于所述外壳的另一端,并与所述插座内芯连接,用于通过接入装置与所述电缆串联;
所述定位板螺接于所述外壳外部,且通过螺钉与所述柜体面板固定连接。
优选的,所述接入装置包括;连接柱、接入电缆和旋紧螺帽;
所述连接柱的壁面上设置有螺旋槽,且所述连接柱壁面上设置有螺纹;
所述接入电缆一端缠绕于所述螺旋槽内,所述接入电缆另一端与所述电缆进线串联;
所述旋紧螺帽的内壁分别与所述连接柱、所述导电杆螺旋连接。
优选的,所述导电杆和接入装置外部均包裹有绝缘层。
优选的,所述定位板位于所述柜体外部,且所述定位板一侧设置有防尘盖,所述防尘盖的下部与所述定位板铰接,所述防尘盖的上部设置有卡扣,所述定位板上与所述卡扣对应的位置设置有卡头。
优选的,所述柜体面板上还设置有电动系表头,所述电动系表头与所述电缆电性连接。
与现有技术相比,本实用新型所达到的有益效果是:
1、本实用新型公开的一种可快速接入电缆的备用配电柜,在柜体面板上设置若干面板插座,将面板插座与三相进线的输入端连接,代替传统结构中位于配电柜后面的接线桩,在维修变电柜时,直接将发电车的线缆插头插入面板插座即可,提高了维修效率,降低了维修难度;
2、本实用新型公开的面板插座中,设计了接入装置,利用接入装置将面板插座与三相进线的输入端连接连接时,只需要将接入电缆缠绕于螺旋槽内,再利用旋紧螺帽将连接柱和导电杆螺旋连接即可,连接过程简便、明了,非常适用于现有的备用配电抽屉的改造;
3、本实用新型公开的一种可快速接入电缆的备用配电柜,还设置有与电缆电性连接的电动系表头,当发电车的电路接入备用配电抽屉中时,利用电动系表头测量电缆的频率,至电缆的频率稳定至50赫兹时,再打开电缆开关,用以保护电路系统。
附图说明
附图用来提供对本实用新型的进一步理解,并且构成说明书的一部分,与本实用新型的实施例一起用于解释本实用新型,并不构成对本实用新型的限制。
图1是本实用新型实施例中一种可快速接入电缆的备用配电柜的结构示意图;
图2是本实用新型实施例中面板插座的结构示意图;
图3是本实用新型实施例中接入装置的结构示意图;
图中:
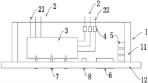
柜体1,柜体本体11,柜体面板12;
电缆2,电缆进线21,电缆出线22;
电缆开关3;
电流互感器4;
熔断器5;
计量表6;
面板插座7,外壳71,电源插口72,导电杆73,定位板74,接入装置75,连接柱751,螺旋槽752,接入电缆753,旋紧螺帽754,绝缘层76,防尘盖77,卡扣771,卡头772;
电动系表头8。
具体实施方式
下面将结合本实用新型实施例中的附图,对本实用新型实施例中的技术方案进行清楚、完整地描述,显然,所描述的实施例仅仅是本实用新型一部分实施例,而不是全部的实施例。基于本实用新型中的实施例,本领域普通技术人员在没有做出创造性劳动前提下所获得的所有其他实施例,都属于本实用新型保护的范围。
实施例,为了实现发电车简便、快速的接入备用配电抽屉,本实施例提供了一种可快速接入电缆的备用配电柜,如图,包括了柜体1,柜体1为抽屉式柜体,用于放置各类电路设备,具体的,柜体1包括了柜体本体11和柜体面板12,其中柜体本体11可置入变电柜内,柜体面板12位于电柜内正面侧。
进一步的,备用配电柜还包括了电缆2,电缆2包括电缆进线21和电缆出线22,其中电缆进线21为三相进线,电缆出线22为三相出线。
进一步的,备用配电柜还包括了电缆开关3,电缆开关3与电缆2串联,即一端连接电缆进线21,另一端连接电缆出线22,用于控制电缆2中是否通电,且电缆开关3位于柜体本体11内,其控制端位于柜体1外,并置于柜体面板12上。
进一步的,备用配电柜还包括了电流互感器4,电流互感器4位于柜体1内,且数量有三个,并分别串联于三相出线上,用以将交流电路中的大电流转换为一定比例的小电流。
进一步的,备用配电柜还包括了熔断器5,熔断器5位于柜体1内,且熔断器5与电缆2串联,用以保护电路。
进一步的,备用配电柜还包括了计量表6,计量表6位于柜体面板12上,用于检测通过电缆2的电量并显示。
进一步的,备用配电柜还包括了面板插座7,面板插座7有若干,且置于柜体面板12上,面板插座7的输入端位于柜体1外,面板插座7的输出端位于柜体1内并与电缆2串联,需要接入发电车的电缆时,只需要将电缆插头插入面板插座7即可;
具体的,面板插座7包括外壳71、电源插口72、导电杆73、定位板74,其中外壳71穿过柜体面板12,使外壳71一端伸入柜体1内,用于保护插座内芯,电源插口72位于柜体1的一端,用于接入配电车的电缆插头,导电杆73位于外壳71的另一端,并与插座内芯连接,用于通过接入装置75与电缆2串联,定位板74螺接于外壳71外部,且通过螺钉与柜体面板12固定连接;
具体的,接入装置75包括连接柱751、接入电缆753、旋紧螺帽754,其中连接柱751与导电杆73对接,且连接柱751的壁面上设置有螺旋槽752,方便接入电缆753的一端缠绕于螺旋槽752内,且连接柱751壁面上设置有螺纹,方便旋紧螺帽754的内壁分别与连接柱751、导电杆73螺旋连接,且接入电缆753另一端与电缆进线21串联,如此可实现利用接入装置75方便、快捷的将导电杆73与电缆进线21串联;
具体的,定位板74位于柜体1外部,且定位板74一侧设置有防尘盖77,防尘盖77的下部与定位板74铰接,防尘盖77的上部设置有卡扣771,定位板74上与卡扣771对应的位置设置有卡头772,需要接入发电车的电缆插头时,使用外力打开防尘盖77,使防尘盖77在重力作用下向下大家,不会妨碍接入动作,检修完毕时,拔出电缆插头,利用卡扣771和卡头772中心关闭防尘盖77即可;
具体的,导电杆73和接入装置75外部均包裹有绝缘层76,优选的,绝缘层76为橡胶圈,绝缘层76用于防止导电杆73和接入装置75漏电,将电传导至柜体1上。
进一步的,柜体面板12上还设置有电动系表头8,电动系表头8与电缆2电性连接,用于测量电缆的频率,至电缆的频率稳定至50赫兹时,再打开电缆开关。
需要说明的是,在本文中,诸如第一和第二等之类的关系术语仅仅用来将一个实体或者操作与另一个实体或操作区分开来,而不一定要求或者暗示这些实体或操作之间存在任何这种实际的关系或者顺序。而且,术语“包括”、“包含”或者其任何其他变体意在涵盖非排他性的包含,从而使得包括一系列要素的过程、方法、物品或者设备不仅包括那些要素,而且还包括没有明确列出的其他要素,或者是还包括为这种过程、方法、物品或者设备所固有的要素。
最后应说明的是:以上所述仅为本实用新型的优选实施例而已,并不用于限制本实用新型,尽管参照前述实施例对本实用新型进行了详细的说明,对于本领域的技术人员来说,其依然可以对前述各实施例所记载的技术方案进行修改,或者对其中部分技术特征进行等同替换。凡在本实用新型的精神和原则之内,所作的任何修改、等同替换、改进等,均应包含在本实用新型的保护范围之内。

Claims (6)

1.一种可快速接入电缆的备用配电柜,其特征在于,包括:
柜体、电缆、电缆开关、电流互感器、熔断器、计量表和面板插座;
所述柜体包括柜体本体和柜体面板;
所述电缆包括电缆进线和电缆出线,电缆进线和电缆出线分别通过通孔穿入柜体本体内;
所述电缆开关位于所述柜体本体内,且所述电缆开关的两端分别连接有电缆进线和电缆出线;
所述电流互感器位于所述柜体内,所述电流互感器与所述电缆出线串联;
所述熔断器位于所述柜体内,所述熔断器与所述电缆串联;
所述计量表位于所述柜体面板上,用于检测通过所述电缆的电量并显示;
所述面板插座有若干,且置于所述柜体面板上,所述面板插座的输入端位于所述柜体外,面板插座的输出端位于柜体内并与电缆串联。
2.根据权利要求1所述的一种可快速接入电缆的备用配电柜,其特征在于:所述面板插座包括:外壳、电源插口、导电杆和定位板;
所述外壳用于保护插座内芯,且所述外壳穿过所述柜体面板,使所述外壳一端伸入所述柜体内;
所述电源插口位于所述柜体的一端,用于接入配电车的电缆插头;
所述导电杆位于所述外壳的另一端,并与所述插座内芯连接,用于通过接入装置与所述电缆串联;
所述定位板螺接于所述外壳外部,且通过螺钉与所述柜体面板固定连接。
3.根据权利要求2所述的一种可快速接入电缆的备用配电柜,其特征在于:所述接入装置包括;连接柱、接入电缆和旋紧螺帽;
所述连接柱的壁面上设置有螺旋槽,且所述连接柱壁面上设置有螺纹;
所述接入电缆一端缠绕于所述螺旋槽内,所述接入电缆另一端与所述电缆进线串联;
所述旋紧螺帽的内壁分别与所述连接柱、所述导电杆螺旋连接。
4.根据权利要求2所述的一种可快速接入电缆的备用配电柜,其特征在于:所述导电杆和接入装置外部均包裹有绝缘层。
5.根据权利要求2所述的一种可快速接入电缆的备用配电柜,其特征在于,所述定位板位于所述柜体外部,且所述定位板一侧设置有防尘盖,所述防尘盖的下部与所述定位板铰接,所述防尘盖的上部设置有卡扣,所述定位板上与所述卡扣对应的位置设置有卡头。
6.根据权利要求1所述的一种可快速接入电缆的备用配电柜,其特征在于:所述柜体面板上还设置有电动系表头,所述电动系表头与所述电缆电性连接。
CN202122440996.6U 2021-10-11 2021-10-11 一种可快速接入电缆的备用配电柜 Expired - Fee Related CN216413574U (zh)

Priority Applications (1)

Application Number Priority Date Filing Date Title
CN202122440996.6U CN216413574U (zh) 2021-10-11 2021-10-11 一种可快速接入电缆的备用配电柜

Applications Claiming Priority (1)

Application Number Priority Date Filing Date Title
CN202122440996.6U CN216413574U (zh) 2021-10-11 2021-10-11 一种可快速接入电缆的备用配电柜

Publications (1)

Publication Number Publication Date
CN216413574U true CN216413574U (zh) 2022-04-29

Family

ID=81294084

Family Applications (1)

Application Number Title Priority Date Filing Date
CN202122440996.6U Expired - Fee Related CN216413574U (zh) 2021-10-11 2021-10-11 一种可快速接入电缆的备用配电柜

Country Status (1)

Country Link
CN (1) CN216413574U (zh)

Cited By (1)

* Cited by examiner, † Cited by third party
Publication number Priority date Publication date Assignee Title
CN113872064A (zh) * 2021-10-11 2021-12-31 国网江苏省电力有限公司常州供电分公司 一种可快速接入电缆的备用配电柜

Cited By (1)

* Cited by examiner, † Cited by third party
Publication number Priority date Publication date Assignee Title
CN113872064A (zh) * 2021-10-11 2021-12-31 国网江苏省电力有限公司常州供电分公司 一种可快速接入电缆的备用配电柜

Similar Documents

Publication Publication Date Title
CN109473973A (zh) 用于供电侧互连的电气服务适配器
CN105098643B (zh) 配电自动化柜及其应用
CN103094722B (zh) 一种线夹式应急电源车快速接入接头
CN109444610B (zh) 一套电气火灾故障模拟及痕迹制备装置
CN216413574U (zh) 一种可快速接入电缆的备用配电柜
CN206250718U (zh) 旁路电缆快速插拔头与用户侧端子连接的转接箱
CN204696702U (zh) 光伏并网配电箱
CN113872064A (zh) 一种可快速接入电缆的备用配电柜
CN207557400U (zh) 一种低压故障线路排查仪
CN211605822U (zh) 一种便携式配电箱
CN205195110U (zh) 一种可遥控、遥测和遥信的光伏电站箱式变电站
CN207518086U (zh) 一种组合式的变配电装置
CN206657055U (zh) 一种开关柜相位核对装置
CN202712720U (zh) 柱上智能组合式台变
CN201242558Y (zh) 一种用于单相电能表的防窃电告警指示装置
CN222312366U (zh) 一种配电柜卷线装置
CN221946556U (zh) 一种光伏电站用电缆及设备运行状态预警设备
CN218241738U (zh) 一种用于配电设备的稳定不断电连接装置
CN208093967U (zh) 一种配电线路电线整理装置
CN215580548U (zh) 一种低压配电网智能测控装置
CN204741340U (zh) 电力电缆取电装置及电缆肘形头
CN205159830U (zh) 新型jp柜
CN206147042U (zh) 一种备用柴油发电机组绝缘监测装置
CN217590132U (zh) 一种快速插接式0.4kv分接箱
CN223194972U (zh) 一种壳体结构及便携式台区态势感知分析仪

Legal Events

Date Code Title Description
GR01 Patent grant
GR01 Patent grant
CF01 Termination of patent right due to non-payment of annual fee

Granted publication date: 20220429

CF01 Termination of patent right due to non-payment of annual fee