CN216261208U - 一种用于纸箱生产的废弃瓦楞纸板处理装置 - Google Patents
一种用于纸箱生产的废弃瓦楞纸板处理装置 Download PDFInfo
- Publication number
- CN216261208U CN216261208U CN202122638857.4U CN202122638857U CN216261208U CN 216261208 U CN216261208 U CN 216261208U CN 202122638857 U CN202122638857 U CN 202122638857U CN 216261208 U CN216261208 U CN 216261208U
- Authority
- CN
- China
- Prior art keywords
- inclined block
- cardboard
- waste
- water
- block
- Prior art date
- Legal status (The legal status is an assumption and is not a legal conclusion. Google has not performed a legal analysis and makes no representation as to the accuracy of the status listed.)
- Expired - Fee Related
Links
- 239000002699 waste material Substances 0.000 title claims abstract description 35
- 238000004519 manufacturing process Methods 0.000 title claims abstract description 13
- 239000011111 cardboard Substances 0.000 title claims description 78
- XLYOFNOQVPJJNP-UHFFFAOYSA-N water Substances O XLYOFNOQVPJJNP-UHFFFAOYSA-N 0.000 claims abstract description 75
- 239000007921 spray Substances 0.000 claims abstract description 34
- 238000003860 storage Methods 0.000 claims abstract description 22
- 239000011087 paperboard Substances 0.000 claims abstract 11
- 238000005520 cutting process Methods 0.000 claims description 6
- 238000007599 discharging Methods 0.000 claims description 4
- 239000007788 liquid Substances 0.000 claims description 4
- 238000009826 distribution Methods 0.000 claims 1
- 239000010893 paper waste Substances 0.000 claims 1
- 230000000694 effects Effects 0.000 abstract description 14
- 238000005507 spraying Methods 0.000 abstract description 4
- 230000000903 blocking effect Effects 0.000 abstract description 3
- 238000002791 soaking Methods 0.000 abstract description 3
- 238000010298 pulverizing process Methods 0.000 description 10
- 230000005484 gravity Effects 0.000 description 3
- 238000000034 method Methods 0.000 description 3
- 239000000123 paper Substances 0.000 description 3
- 230000000712 assembly Effects 0.000 description 2
- 238000000429 assembly Methods 0.000 description 2
- 238000010586 diagram Methods 0.000 description 2
- 230000009286 beneficial effect Effects 0.000 description 1
- 238000004140 cleaning Methods 0.000 description 1
- 230000003749 cleanliness Effects 0.000 description 1
- 238000003912 environmental pollution Methods 0.000 description 1
- 238000007654 immersion Methods 0.000 description 1
- 238000004806 packaging method and process Methods 0.000 description 1
- 239000002245 particle Substances 0.000 description 1
Images
Landscapes
- Crushing And Pulverization Processes (AREA)
Abstract
本实用新型属于废弃纸板处理技术领域,尤其为一种用于纸箱生产的废弃瓦楞纸板处理装置,包括用于容纳和处理废弃纸板的处理箱,所述处理箱内壁顶部固设有用于引入外部水源并向着废弃纸板喷出的喷水组件,所述处理箱左右两侧内壁分别固设有用于阻挡并引导废弃纸板下落的左斜块和右斜块,本实用新型中,设置安装在处理箱左右两侧内壁上的左斜块和右斜块,将纸板投放到处理箱内部后,纸板停留在左斜块和右斜块上,进水管将外部水源引入到储水盒内部,若干个喷头将水直接向着受到左斜块和右斜块阻挡的纸板喷出,完成纸板的浸水湿化工作,将纸板湿化后再进行粉碎处理工作,避免了碎屑向四周散落的情况发生,对废弃瓦楞纸板的处理效果强。
Description
技术领域
本实用新型属于废弃纸板处理技术领域,具体涉及一种用于纸箱生产的废弃瓦楞纸板处理装置。
背景技术
纸箱通常用作商品的包裹物或物品保护外层使用物,是应用最广泛的包装制品,瓦楞纸箱是主要使用瓦楞纸制作而成的一种纸箱,瓦楞纸箱在生产过程中,因为裁剪、分切等流程,会产生大量的废弃瓦楞纸板,需要对废弃瓦楞纸板进行处理,以防止对环境造成污染。
实用新型内容
目前一般会采用粉碎机来进行废弃瓦楞纸板的处理工作,通过粉碎机将废弃纸板粉碎,但是纸板直接投入到粉碎机内部,直接粉碎容易出现碎屑四处飞散的情况,同时无法引导和减慢纸板的下落速度,会影响纸板的粉碎处理效果。本实用新型提供了一种用于纸箱生产的废弃瓦楞纸板处理装置,具有可以对投入的纸板进行喷水湿化工作,同时可以引导并减慢纸板的下落速度,避免了碎屑向四周散落的情况发生,对废弃瓦楞纸板的处理效果强,处理效率高的特点。
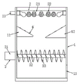
本实用新型提供如下技术方案:包括用于容纳和处理废弃纸板的处理箱,所述处理箱内壁顶部固设有用于引入外部水源并向着废弃纸板喷出的喷水组件,所述处理箱左右两侧内壁分别固设有用于阻挡并引导废弃纸板下落的左斜块和右斜块,所述处理箱内部固设有位于所述左斜块和所述右斜块下方并用于切割粉碎废弃纸板的粉碎组件,所述处理箱右侧壁底部开设有用于处理后纸屑排出的出料口。
其中,所述喷水组件包括储水盒、喷头和进水管,所述储水盒固设在所述处理箱内壁顶部,所述进水管固设在所述储水盒外壁上并用于向所述储水盒内部引入外部水源,所述进水管进液端向外延伸至所述处理箱外部。
其中,所述喷头的数量为若干个,若干个所述喷头分别固设在所述储水盒四侧内壁上并用于排出所述储水盒内部的水。
其中,所述喷头倾斜25°设置,所述喷头的出水端向下指向所述左斜块和所述右斜块。
其中,所述左斜块和所述右斜块均为三角形结构,所述左斜块和所述右斜块的斜面均固设有用于减缓废弃纸板下落速度的凸块。
其中,所述左斜块和所述右斜块之间具有用于废弃纸板下落的间隙,所述左斜块所在的位置高于所述右斜块所在的位置。
其中,所述粉碎组件的数量为两个,两个所述粉碎组件呈对称分布。
其中,所述粉碎组件包括驱动件、驱动杆和粉碎刀片,所述驱动件固设在所述处理箱左侧壁上并用于连接所述驱动杆和驱动所述驱动杆工作,所述驱动杆固设在所述驱动件输出端,所述粉碎刀片固设在所述驱动杆外壁上,所述驱动杆和所述粉碎刀片被所述驱动件驱动在所述处理箱内部转动并用于切割粉碎废弃纸板。
本实用新型的有益效果是:
1、本实用新型中,设置安装在处理箱左右两侧内壁上的左斜块和右斜块,将纸板投放到处理箱内部后,纸板受到左斜块和右斜块的阻挡,停留在左斜块和右斜块上,处理箱内壁的顶部安装有由储水盒、喷头和进水管组成的喷水组件,进水管将外部水源引入到储水盒内部,然后通过若干个出水端向下指向左斜块和右斜块的喷头将水直接向着受到左斜块和右斜块阻挡的纸板喷出,完成纸板的浸水湿化工作,可以有效的进行纸板的喷水湿化工作,将纸板湿化后再进行粉碎处理工作,避免了碎屑向四周散落的情况发生,对废弃瓦楞纸板的处理效果强,处理效率高,保证工作环境的整洁,安全性高。
2、本实用新型中,湿化后的纸板在重力的作用和水的冲击力的作用下,顺着左斜块和右斜块的斜面向下滑落,穿过左斜块和右斜块之间的间隙进入到处理箱内部进行粉碎工作,左斜块和右斜块对纸板进行阻挡和引导,可以有效的引导并减慢纸板的下落速度,增强了处理效果,提高了工作效率。
该装置中未涉及部分均与现有技术相同或可采用现有技术加以实现。
附图说明
图1为本实用新型的结构示意图;
图2为本实用新型的俯视结构示意图;
图3为本实用新型的剖面结构示意图;
图4为本实用新型正视的剖面结构示意图。
图中:1、处理箱;11、左斜块;12、右斜块;13、出料口;2、喷水组件;21、储水盒;22、喷头;23、进水管;3、粉碎组件;31、驱动件;32、驱动杆;33、粉碎刀片;4、凸块。
具体实施方式
请参阅图1-图4,本实用新型提供以下技术方案:包括用于容纳和处理废弃纸板的处理箱1,处理箱1内壁顶部固设有用于引入外部水源并向着废弃纸板喷出的喷水组件2,处理箱1左右两侧内壁分别固设有用于阻挡并引导废弃纸板下落的左斜块11和右斜块12,处理箱1内部固设有位于左斜块11和右斜块12下方并用于切割粉碎废弃纸板的粉碎组件3,处理箱1右侧壁底部开设有用于处理后纸屑排出的出料口13。
本实施方案中:处理箱1、喷水组件2和两个粉碎组件3组成废弃瓦楞纸板处理装置,处理箱1立于地面上,通过处理箱1进行设备零件的安装和废弃纸板的容纳与处理工作。
处理箱1的左右两侧内壁上分别安装有左斜块11和右斜块12,工作时,纸板通过处理箱1顶部的开口直接投放到处理箱1内部后,纸板下落会受到左斜块11和右斜块12的阻挡,纸板停留在左斜块11和右斜块12上,喷水组件2安装在处理箱1的内壁顶部,喷水组件2由储水盒21、喷头22和进水管23组成,进水管23的出液端连接储水盒21,进水管23的进液端向外延伸至处理箱1外部,因此通过进水管23可以将外部水源引入到储水盒21内部,若干个喷头22分别固定在储水盒21的四侧内壁上,喷头22倾斜25°设置,且喷头22的出水端向下指向左斜块11和右斜块12,因此若干个喷头22可以将进入到储水盒21内部的水直接向着受到左斜块11和右斜块12阻挡的纸板喷出,完成纸板的浸水湿化工作,使用方便,可以有效的进行纸板的喷水湿化工作,将纸板湿化后再进行后续的粉碎处理,避免了碎屑向四周散落的情况发生,对废弃瓦楞纸板的处理效果强,处理效率高,保证工作环境的整洁,安全性高。
储水盒21的四侧内壁上均安装有喷头22,增加了喷水范围,可以使处于左斜块11和右斜块12上的纸板都能接触到水,喷水组件2位于左斜块11和右斜块12的上方,因此纸板会先从喷水组件2的内侧穿过才能接触到左斜块 11和右斜块12,纸板的湿化效果强,增强了纸板的处理效果。
左斜块11和右斜块12均为三角形结构,湿化后的纸板在重力的作用和水的冲击力的作用下,会顺着左斜块11和右斜块12的斜面向下滑落,穿过左斜块11和右斜块12之间的间隙后,向下进入到左斜块11和右斜块12下方,并接触到粉碎组件3来进行粉碎工作,左斜块11和右斜块12对纸板进行阻挡和引导,可以有效的引导并减慢纸板的下落速度,增强了处理效果,提高了工作效率,左斜块11所在的位置高于右斜块12所在的位置,增强了对纸板的引导效果,左斜块11和右斜块12的斜面均安装有若干个凸块4,凸块4可以增加纸板下滑受到的阻力,增强了对纸板的引导和减速效果,确保纸板粉碎处理工作的正常进行。
两个粉碎组件3呈对称安装在处理箱1上,粉碎组件3由驱动件31、驱动杆32和粉碎刀片33组成,驱动件31安装在处理箱1的左侧壁上,粉碎刀片33安装在驱动杆32的外壁上,驱动杆32安装在驱动件31的输出端,工作时,驱动杆32和粉碎刀片33被驱动件31驱动在处理箱1内部转动,旋转的粉碎刀片33来对下落的纸板进行切割粉碎工作,两个粉碎组件3同时进行纸板的切割粉碎工作,纸板的处理效果强,工作效率高。
处理箱1的右侧壁底部开设有出料口13,经过粉碎组件3粉碎后的纸板碎屑,向下掉落到处理箱1的底部内壁上进行收集工作,工人通过出料口13 即可将纸板碎屑取出,方便进行排料工作,以进行持续工作,通过处理箱1 顶部的开口和出料口13,可以对处理箱1的内部和安装在处理箱1内部的零件进行清理工作,清理效率高,效果强,提高了工作效率。
本实用新型的工作原理及使用流程:工作时,工人从处理箱1顶部的开口将纸板直接投放到处理箱1内部,纸板下落到左斜块11和右斜块12上,进水管23将外部水源引入到储水盒21内部,若干个喷头22将水直接向着受到左斜块11和右斜块12阻挡的纸板喷出,完成纸板的浸水湿化工作,湿化后的纸板在重力的作用和水的冲击力的作用下,顺着左斜块11和右斜块12 的斜面向下滑落到左斜块11和右斜块12下方,纸板继续下落,接触两个粉碎组件3来进行粉碎工作,粉碎后的纸板碎屑向下掉落到处理箱1的底部内壁上,工人通过出料口13将纸板碎屑取出,处理效果和安全性强,工作效率高。
Claims (8)
1.一种用于纸箱生产的废弃瓦楞纸板处理装置,其特征在于:包括用于容纳和处理废弃纸板的处理箱,所述处理箱内壁顶部固设有用于引入外部水源并向着废弃纸板喷出的喷水组件,所述处理箱左右两侧内壁分别固设有用于阻挡并引导废弃纸板下落的左斜块和右斜块,所述处理箱内部固设有位于所述左斜块和所述右斜块下方并用于切割粉碎废弃纸板的粉碎组件,所述处理箱右侧壁底部开设有用于处理后纸屑排出的出料口。
2.根据权利要求1所述的一种用于纸箱生产的废弃瓦楞纸板处理装置,其特征在于:所述喷水组件包括储水盒、喷头和进水管,所述储水盒固设在所述处理箱内壁顶部,所述进水管固设在所述储水盒外壁上并用于向所述储水盒内部引入外部水源,所述进水管进液端向外延伸至所述处理箱外部。
3.根据权利要求2所述的一种用于纸箱生产的废弃瓦楞纸板处理装置,其特征在于:所述喷头的数量为若干个,若干个所述喷头分别固设在所述储水盒四侧内壁上并用于排出所述储水盒内部的水。
4.根据权利要求2所述的一种用于纸箱生产的废弃瓦楞纸板处理装置,其特征在于:所述喷头倾斜25°设置,所述喷头的出水端向下指向所述左斜块和所述右斜块。
5.根据权利要求1所述的一种用于纸箱生产的废弃瓦楞纸板处理装置,其特征在于:所述左斜块和所述右斜块均为三角形结构,所述左斜块和所述右斜块的斜面均固设有用于减缓废弃纸板下落速度的凸块。
6.根据权利要求1所述的一种用于纸箱生产的废弃瓦楞纸板处理装置,其特征在于:所述左斜块和所述右斜块之间具有用于废弃纸板下落的间隙,所述左斜块所在的位置高于所述右斜块所在的位置。
7.根据权利要求1所述的一种用于纸箱生产的废弃瓦楞纸板处理装置,其特征在于:所述粉碎组件的数量为两个,两个所述粉碎组件呈对称分布。
8.根据权利要求1所述的一种用于纸箱生产的废弃瓦楞纸板处理装置,其特征在于:所述粉碎组件包括驱动件、驱动杆和粉碎刀片,所述驱动件固设在所述处理箱左侧壁上并用于连接所述驱动杆和驱动所述驱动杆工作,所述驱动杆固设在所述驱动件输出端,所述粉碎刀片固设在所述驱动杆外壁上,所述驱动杆和所述粉碎刀片被所述驱动件驱动在所述处理箱内部转动并用于切割粉碎废弃纸板。
Priority Applications (1)
| Application Number | Priority Date | Filing Date | Title |
|---|---|---|---|
| CN202122638857.4U CN216261208U (zh) | 2021-11-01 | 2021-11-01 | 一种用于纸箱生产的废弃瓦楞纸板处理装置 |
Applications Claiming Priority (1)
| Application Number | Priority Date | Filing Date | Title |
|---|---|---|---|
| CN202122638857.4U CN216261208U (zh) | 2021-11-01 | 2021-11-01 | 一种用于纸箱生产的废弃瓦楞纸板处理装置 |
Publications (1)
| Publication Number | Publication Date |
|---|---|
| CN216261208U true CN216261208U (zh) | 2022-04-12 |
Family
ID=81004254
Family Applications (1)
| Application Number | Title | Priority Date | Filing Date |
|---|---|---|---|
| CN202122638857.4U Expired - Fee Related CN216261208U (zh) | 2021-11-01 | 2021-11-01 | 一种用于纸箱生产的废弃瓦楞纸板处理装置 |
Country Status (1)
| Country | Link |
|---|---|
| CN (1) | CN216261208U (zh) |
-
2021
- 2021-11-01 CN CN202122638857.4U patent/CN216261208U/zh not_active Expired - Fee Related
Similar Documents
| Publication | Publication Date | Title |
|---|---|---|
| CN206302778U (zh) | 一种废弃秸秆处理装置 | |
| CN216261208U (zh) | 一种用于纸箱生产的废弃瓦楞纸板处理装置 | |
| CN110882783A (zh) | 一种具有除尘功能的废弃木料碎化处理装置 | |
| CN112221581B (zh) | 一种建筑固体废弃物回收再生用粉碎系统 | |
| CN221433333U (zh) | 一种废弃混凝土再生骨料用粉碎装置 | |
| CN210081297U (zh) | 一种机械加工废屑处理装置 | |
| CN208824581U (zh) | 一种粉碎彻底的锯末粉碎机 | |
| CN218282032U (zh) | 一种瓦楞纸箱切割加工的废料回收装置 | |
| CN214160004U (zh) | 一种破碎机除尘出料装置 | |
| CN214599366U (zh) | 一种瓦楞纸箱加工用废料回收装置 | |
| CN215549372U (zh) | 一种木材切割用削块设备 | |
| CN116834363A (zh) | 一种切书机废纸条收集处理设备 | |
| CN220610759U (zh) | 一种包装粉碎机 | |
| CN211707006U (zh) | 一种防尘型木材角料粉碎机 | |
| JP3239560U (ja) | 揮発性有機化合物環境保全リサイクル装置 | |
| CN210846637U (zh) | 一种用于生产膨润土的粉碎机 | |
| CN218789213U (zh) | 一种农作物秸秆综合处理用粉碎机 | |
| CN222606463U (zh) | 一种水泥制品废料回收装置 | |
| CN222135309U (zh) | 一种具有防尘功能的碎木机 | |
| CN211104552U (zh) | 一种具有防尘功能的粉碎机 | |
| CN213494184U (zh) | 一种建筑废料防尘型破碎装置 | |
| CN211753596U (zh) | 一种干损纸碎浆机纸张粉尘处理装置 | |
| CN221951361U (zh) | 一种便于上料的中药破碎机 | |
| CN207464485U (zh) | 新型激光切割机 | |
| CN111587676A (zh) | 一种秸秆反击粉碎降尘设备 |
Legal Events
| Date | Code | Title | Description |
|---|---|---|---|
| GR01 | Patent grant | ||
| GR01 | Patent grant | ||
| CF01 | Termination of patent right due to non-payment of annual fee |
Granted publication date: 20220412 |
|
| CF01 | Termination of patent right due to non-payment of annual fee |