CN216259728U - Purifier equipment for smoke and dust filtration - Google Patents

Purifier equipment for smoke and dust filtration Download PDF

Info

Publication number
CN216259728U
CN216259728U CN202122939212.4U CN202122939212U CN216259728U CN 216259728 U CN216259728 U CN 216259728U CN 202122939212 U CN202122939212 U CN 202122939212U CN 216259728 U CN216259728 U CN 216259728U
Authority
CN
China
Prior art keywords
purification
box
dust
air
purification box
Prior art date
Legal status (The legal status is an assumption and is not a legal conclusion. Google has not performed a legal analysis and makes no representation as to the accuracy of the status listed.)
Active
Application number
CN202122939212.4U
Other languages
Chinese (zh)
Inventor
张�浩
Current Assignee (The listed assignees may be inaccurate. Google has not performed a legal analysis and makes no representation or warranty as to the accuracy of the list.)
Shaanxi Hydrogen Valley Power Technology Co ltd
Original Assignee
Jiangsu Bohong Environmental Protection Equipment Co ltd
Priority date (The priority date is an assumption and is not a legal conclusion. Google has not performed a legal analysis and makes no representation as to the accuracy of the date listed.)
Filing date
Publication date
Application filed by Jiangsu Bohong Environmental Protection Equipment Co ltd filed Critical Jiangsu Bohong Environmental Protection Equipment Co ltd
Priority to CN202122939212.4U priority Critical patent/CN216259728U/en
Application granted granted Critical
Publication of CN216259728U publication Critical patent/CN216259728U/en
Active legal-status Critical Current
Anticipated expiration legal-status Critical

Links

Images

Landscapes

  • Filtering Of Dispersed Particles In Gases (AREA)

Abstract

本实用新型公开了一种烟尘过滤用净化器设备,包括基板以及净化箱,所述净化箱固定安装于基板上表面一侧,所述净化箱上端设有箱体上盖,所述净化箱外部一侧设有进气组件,所述进气组件固定安装于基板上表面另一侧,所述净化箱内部上端设有净化组件;实际进行使用时,通过进气组件可将产生的烟尘迅速吸收至净化箱内部,以实现快速对烟尘进行净化的效果,且整个烟尘净化过程简单便捷,无需大量人力参与,便于相关工作人员进行使用,通过净化组件实现了对净化箱内部的烟尘进行过滤净化的作用,且通过箱体上盖与净化箱的螺纹连接,以及净化组件与净化箱内部的滑动连接,从而便于对净化组件进行清理,以便于长时间持续使用。

Figure 202122939212

The utility model discloses a purifier device for smoke and dust filtration, which comprises a base plate and a purification box. The purification box is fixedly mounted on one side of the upper surface of the base plate, the upper end of the purification box is provided with a box upper cover, and the outside of the purification box is An air intake assembly is installed on one side, the air intake assembly is fixedly installed on the other side of the upper surface of the base plate, and a purification assembly is installed on the upper end of the interior of the purification box; when actually used, the generated smoke and dust can be quickly absorbed by the air intake assembly To the inside of the purification box to achieve the effect of quickly purifying the smoke and dust, and the whole process of dust purification is simple and convenient, without a lot of human participation, and it is convenient for the relevant staff to use. It is easy to clean the purification assembly for long-term continuous use through the threaded connection between the upper cover of the box and the purification box, and the sliding connection between the purification assembly and the interior of the purification box.

Figure 202122939212

Description

Purifier equipment for smoke and dust filtration
Technical Field
The utility model relates to the technical field of smoke dust purification, in particular to purifier equipment for smoke dust filtration.
Background
The smoke dust is solid particles discharged in the process of coal burning and industrial production; the main components of the composite material are silicon dioxide, aluminum oxide, ferric oxide, calcium oxide, unburned carbon particles and the like; the atmospheric pollutants are various in types and can be divided into two types according to the summary of the forms, namely granular pollutants and harmful gases, and smoke dust belongs to the granular pollutants; solid particle aerosols formed by metallurgical or chemical processes are generally referred to as soot; fly ash and black smoke generated in the combustion process also become smoke dust when the fine dust is not needed; the generation of smoke causes great harm to people nearby, and therefore, smoke purification is required to be performed through a special smoke purifier.
Although current clarifier has realized purifying the exhaust effect of back to the smoke and dust, still have some not enoughly in the in-service use, current clarifier does not possess the effect of automatic absorption smoke and dust, and then the smoke and dust that produces at the use is not convenient for absorb to the clarifier inside and purifies, and then makes the effect that the smoke and dust purified not good.
SUMMERY OF THE UTILITY MODEL
The utility model aims to provide purifier equipment for filtering smoke dust, which is provided with an air inlet component; the existing purifier provided in the background art does not have the effect of automatically absorbing smoke dust, so that the smoke dust generated in the using process is not conveniently absorbed into the purifier to be purified, and the problem of poor smoke dust purifying effect is solved.
In order to achieve the purpose, the utility model provides the following technical scheme: a purifier device for filtering smoke dust comprises a base plate and a purifying box, wherein the purifying box is fixedly arranged on one side of the upper surface of the base plate, the upper end of the purifying box is provided with a box body upper cover, one side of the outer part of the purifying box is provided with an air inlet assembly, the air inlet assembly is fixedly arranged on the other side of the upper surface of the base plate, and the upper end of the inner part of the purifying box is provided with a purifying assembly;
the air inlet assembly comprises an air suction pump, an air inlet pipe, an arc-shaped connector, a base plate and an air delivery pipe, the base plate is fixedly installed on the other side of the upper surface of the base plate, and the air suction pump is fixedly installed on the upper surface of the base plate.
Preferably, the tail end of the air inlet pipe is connected to the air inlet end of the air suction pump in a sealing mode, and the arc-shaped connector is connected to the top end of the air inlet pipe in a sealing mode.
Preferably, an air inlet hole is formed in the middle of the inner portion of the upper cover of the box body, the tail end of the air conveying pipe is connected to the inner portion of the air inlet hole in a sealing mode, and the top end of the air conveying pipe is connected to the exhaust end of the air pump in a sealing mode.
Preferably, the purification assembly comprises a filtering sponge mat, an installation frame and an electric push rod, the filtering sponge mat is fixedly installed inside the installation frame, and the installation frame is connected with the inner wall of the purification box in a sliding mode.
Preferably, the electric push rods are provided with two groups, the output ends of the electric push rods are fixedly arranged on the upper surface of the installation frame, and the top ends of the electric push rods are fixedly arranged on the lower surface of the upper cover of the box body.
Preferably, the inside exhaust hole of having seted up of purifying box, the multiunit has been seted up in exhaust hole equidistance array, the multiunit the exhaust hole all is located the purification subassembly lower extreme.
Preferably, four groups of screw holes are seted up to the inside upper end equidistance array of purifying box, four groups of counter bores have been seted up to the inside equidistance array of box upper cover, and are four groups the counter bore all matches the setting with four groups of screw holes, box upper cover lower surface splice has seal ring.
Compared with the prior art, the utility model has the beneficial effects that:
1. the smoke dust purifier is provided with the air inlet assembly, when the smoke dust purifier is actually used, the generated smoke dust can be rapidly absorbed into the purifying box through the air inlet assembly, so that the effect of rapidly purifying the smoke dust is realized, the whole smoke dust purifying process is simple and convenient, a large amount of manpower is not needed, the smoke dust purifier is convenient for relevant workers to use, and the problems that the existing purifier does not have the effect of automatically absorbing the smoke dust, the smoke dust generated in the using process is inconvenient to absorb into the purifier for purification, and the smoke dust purifying effect is poor are solved to a certain extent;
2. the utility model is provided with the purification component and the box body upper cover, realizes the function of filtering and purifying the smoke dust in the purification box through the purification component, and is convenient to clean the purification component through the threaded connection between the box body upper cover and the purification box and the sliding connection between the purification component and the purification box, thereby being convenient for long-time continuous use.
Drawings
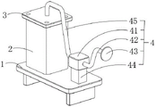
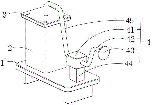
FIG. 1 is a schematic view of the main structure of the present invention;
FIG. 2 is a schematic sectional view of the purification box of the present invention;
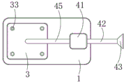
FIG. 3 is a schematic structural diagram of the upper cover of the box body according to the present invention;
FIG. 4 is a schematic top view of the present invention.
In the figure: 1. a substrate; 2. a purification box; 21. an exhaust hole; 22. a threaded hole; 3. the box body is covered; 31. an air inlet hole; 32. a sealing gasket; 33. a countersunk hole; 4. an air intake assembly; 41. an air pump; 42. an air inlet pipe; 43. an arc-shaped interface; 44. a base plate; 45. a gas delivery pipe; 5. a purification assembly; 51. filtering the sponge cushion; 52. a mounting frame; 53. an electric push rod.
Detailed Description
The technical solutions in the embodiments of the present invention will be clearly and completely described below with reference to the drawings in the embodiments of the present invention, and it is obvious that the described embodiments are only a part of the embodiments of the present invention, and not all of the embodiments. All other embodiments, which can be derived by a person skilled in the art from the embodiments given herein without making any creative effort, shall fall within the protection scope of the present invention.
Referring to fig. 1 to 4, the present invention provides a technical solution: the utility model provides a smoke and dust is clarifier equipment for filtration, including base plate 1 and purifying box 2, 2 fixed mounting in 1 upper surface one side of base plate of purifying box, 2 upper ends of purifying box are equipped with box upper cover 3, 2 outside one sides of purifying box are equipped with air intake component 4, 4 fixed mounting in 1 upper surface opposite sides of base plate of air intake component, 2 inside upper ends of purifying box are equipped with purification subassembly 5, when actually carrying out the use, absorb the smoke and dust that produces through air intake component 4, discharge to inside the purifying box 2 immediately, and then carry out filtration purification to the smoke and dust through 2 inside purification subassembly 5 of purifying box, in order to realize carrying out the effect of automatic absorption purification to the smoke and dust.
The air inlet component 4 comprises an air pump 41, an air inlet pipe 42, an arc-shaped interface 43, a backing plate 44 and an air pipe 45, the backing plate 44 is fixedly arranged at the other side of the upper surface of the base plate 1, the air pump 41 is fixedly arranged at the upper surface of the backing plate 44, the tail end of the air inlet pipe 42 is hermetically connected with the air inlet end of the air pump 41, the arc-shaped interface 43 is hermetically connected with the top end of the air inlet pipe 42, an air inlet hole 31 is formed in the middle position inside the box body upper cover 3, the tail end of the air pipe 45 is hermetically connected inside the air inlet hole 31, the top end of the air pipe 45 is hermetically connected with the air outlet end of the air pump 41, when air inlet work is actually carried out, the air inlet work is carried out by starting the air pump 41 to drive the air inlet pipe 42 to suck air, generated smoke dust can be absorbed through the air inlet pipe 42, the smoke absorbed through the air inlet pipe 42 is discharged into the purification box 2 through the air pipe 45, so as to realize the effect of automatically absorbing smoke dust, and the smoke absorption area is effectively increased by arranging the arc-shaped interface 43, so that the absorption effect of the smoke dust is better.
The purification component 5 comprises a filtration sponge cushion 51, a mounting frame 52 and electric push rods 53, the filtration sponge cushion 51 is fixedly arranged inside the mounting frame 52, the mounting frame 52 is connected with the inner wall of the purification box 2 in a sliding way, two groups of electric push rods 53 are arranged, the output ends of the two groups of electric push rods 53 are fixedly arranged on the upper surface of the mounting frame 52, the top ends of the two groups of electric push rods 53 are fixedly arranged on the lower surface of the upper cover 3 of the box body, after the smoke and dust are absorbed into the purification box 2, the generated smoke and dust can be filtered by the filtering sponge cushion 51, so that a large amount of fine particles contained in the smoke and dust are filtered in the filtering sponge cushion 51, the gas passes through the filtering sponge cushion 51 to realize the effect of filtering and purifying the smoke and dust, and the electric push rod 53 is controlled to stretch and retract, the mounting frame 52 can be driven to slide up and down along the inner wall of the purification box 2, and the filtering sponge pad 51 is driven to move up and down.
The interior of the purification box 2 is provided with vent holes 21, the vent holes 21 are equidistantly arrayed to form a plurality of groups, the vent holes 21 are all positioned at the lower end of the purification component 5, the upper end of the interior of the purification box 2 is equidistantly arrayed with four groups of threaded holes 22, the interior of the upper cover 3 of the box body is equidistantly arrayed with four groups of countersunk holes 33, the four groups of countersunk holes 33 and the four groups of threaded holes 22 are all arranged in a matching way, the lower surface of the upper cover 3 of the box body is glued with a sealing washer 32, smoke passes through a filtering sponge cushion 51 after being filtered and is finally discharged through the vent holes 21, the upper cover 3 of the box body is screwed at the upper end of the purification box 2 by forming the four groups of countersunk holes 33 and the four groups of threaded holes 22, so that the upper cover 3 of the box body is convenient to mount and dismount, and further when the purification component 5 needs to be cleaned, the electric push rod 53 is controlled to shrink to drive the mounting frame 52 and the filtering sponge cushion 51 to move upwards, with the inside upper end of purifying box 2 when installing frame 52 and filtering foam-rubber cushion 51 remove, can together take out along purifying box 2 inside through opening box upper cover 3 at last purifying component 5, and then clear up can, through setting up seal ring 32 for during the threaded connection of box upper cover 3 and purifying box 2, make the leakproofness between box upper cover 3 and purifying box 2 better.
Although embodiments of the present invention have been shown and described, it will be appreciated by those skilled in the art that changes, modifications, substitutions and alterations can be made in these embodiments without departing from the principles and spirit of the utility model, the scope of which is defined in the appended claims and their equivalents.

Claims (7)

1.一种烟尘过滤用净化器设备,包括基板(1)以及净化箱(2),其特征在于:所述净化箱(2)固定安装于基板(1)上表面一侧,所述净化箱(2)上端设有箱体上盖(3),所述净化箱(2)外部一侧设有进气组件(4),所述进气组件(4)固定安装于基板(1)上表面另一侧,所述净化箱(2)内部上端设有净化组件(5);1. A purifier device for fume and dust filtration, comprising a base plate (1) and a purification box (2), characterized in that: the purification box (2) is fixedly installed on one side of the upper surface of the base plate (1), and the purification box (2) A box cover (3) is provided at the upper end, and an air intake assembly (4) is provided on the outer side of the purification box (2), and the air intake assembly (4) is fixedly installed on the upper surface of the base plate (1). On the other side, a purification assembly (5) is provided at the inner upper end of the purification box (2); 所述进气组件(4)包括抽气泵(41)、进气管(42)、弧形接口(43)、垫板(44)以及输气管(45),所述垫板(44)固定安装于基板(1)上表面另一侧,所述抽气泵(41)固定安装于垫板(44)上表面。The air intake assembly (4) includes an air suction pump (41), an air intake pipe (42), an arc-shaped interface (43), a backing plate (44) and an air delivery pipe (45), and the backing plate (44) is fixedly installed on the On the other side of the upper surface of the base plate (1), the air pump (41) is fixedly installed on the upper surface of the backing plate (44). 2.根据权利要求1所述的一种烟尘过滤用净化器设备,其特征在于:所述进气管(42)末端密封连接于抽气泵(41)进气端,所述弧形接口(43)密封连接于进气管(42)顶端。2. A purifier device for fume and dust filtering according to claim 1, characterized in that: the end of the air intake pipe (42) is sealedly connected to the air intake end of the air extraction pump (41), and the arc-shaped interface (43) It is sealed and connected to the top of the intake pipe (42). 3.根据权利要求1所述的一种烟尘过滤用净化器设备,其特征在于:所述箱体上盖(3)内部中间位置开设有进风孔(31),所述输气管(45)末端密封连接于进风孔(31)内部,所述输气管(45)顶端密封连接于抽气泵(41)排气端。3. A purifier device for fume and dust filtering according to claim 1, characterized in that: an air inlet hole (31) is opened in the middle position of the upper cover (3) of the box body, and the air delivery pipe (45) The end is sealed and connected to the inside of the air inlet hole (31), and the top end of the air delivery pipe (45) is sealed and connected to the exhaust end of the air pump (41). 4.根据权利要求1所述的一种烟尘过滤用净化器设备,其特征在于:所述净化组件(5)包括过滤海绵垫(51)、安装框架(52)以及电动推杆(53),所述过滤海绵垫(51)固定安装于安装框架(52)内部,所述安装框架(52)与净化箱(2)内壁滑动连接。4. A purifier device for fume and dust filtering according to claim 1, characterized in that: the purification assembly (5) comprises a filter sponge pad (51), a mounting frame (52) and an electric push rod (53), The filter sponge pad (51) is fixedly installed inside the installation frame (52), and the installation frame (52) is slidably connected with the inner wall of the purification box (2). 5.根据权利要求4所述的一种烟尘过滤用净化器设备,其特征在于:所述电动推杆(53)设置有两组,两组所述电动推杆(53)输出端均固定安装于安装框架(52)上表面,两组所述电动推杆(53)顶端均固定安装于箱体上盖(3)下表面。5 . The purifier device for filtering smoke and dust according to claim 4 , wherein the electric push rods ( 53 ) are provided with two groups, and the output ends of the electric push rods ( 53 ) in the two groups are fixedly installed. 6 . On the upper surface of the installation frame (52), the top ends of the two sets of electric push rods (53) are fixedly installed on the lower surface of the upper cover (3) of the box body. 6.根据权利要求1所述的一种烟尘过滤用净化器设备,其特征在于:所述净化箱(2)内部开设有排气孔(21),所述排气孔(21)等距阵列开设有多组,多组所述排气孔(21)均位于净化组件(5)下端。6 . The purifier device for filtering smoke and dust according to claim 1 , wherein the purification box ( 2 ) is provided with exhaust holes ( 21 ), and the exhaust holes ( 21 ) are equidistantly arrayed. 7 . A plurality of groups are provided, and the plurality of groups of the exhaust holes (21) are all located at the lower end of the purification assembly (5). 7.根据权利要求1所述的一种烟尘过滤用净化器设备,其特征在于:所述净化箱(2)内部上端等距阵列开设有四组螺纹孔(22),所述箱体上盖(3)内部等距阵列开设有四组沉头孔(33),四组所述沉头孔(33)与四组螺纹孔(22)均匹配设置,所述箱体上盖(3)下表面胶接有密封垫圈(32)。7. A purifier device for fume and dust filtering according to claim 1, characterized in that: four groups of threaded holes (22) are provided in an equidistant array at the inner upper end of the purification box (2), and the upper cover of the box body is provided with four groups of threaded holes (22). (3) Four sets of countersunk holes (33) are provided in the inner equidistant array, and the four sets of countersunk holes (33) are matched with the four sets of threaded holes (22). A sealing gasket (32) is glued to the surface.
CN202122939212.4U 2021-11-28 2021-11-28 Purifier equipment for smoke and dust filtration Active CN216259728U (en)

Priority Applications (1)

Application Number Priority Date Filing Date Title
CN202122939212.4U CN216259728U (en) 2021-11-28 2021-11-28 Purifier equipment for smoke and dust filtration

Applications Claiming Priority (1)

Application Number Priority Date Filing Date Title
CN202122939212.4U CN216259728U (en) 2021-11-28 2021-11-28 Purifier equipment for smoke and dust filtration

Publications (1)

Publication Number Publication Date
CN216259728U true CN216259728U (en) 2022-04-12

Family

ID=81039259

Family Applications (1)

Application Number Title Priority Date Filing Date
CN202122939212.4U Active CN216259728U (en) 2021-11-28 2021-11-28 Purifier equipment for smoke and dust filtration

Country Status (1)

Country Link
CN (1) CN216259728U (en)

Similar Documents

Publication Publication Date Title
CN204582868U (en) Air purifier
CN215388503U (en) Be applied to waste gas treatment device of powder solidification
CN105797533B (en) A kind of vertical integral activated carbon adsorbent equipment
CN210874541U (en) Movable smoke purifier
CN204084632U (en) Air purifier
CN216259728U (en) Purifier equipment for smoke and dust filtration
CN217526894U (en) Industrial flue gas purification device
CN220546744U (en) Environment-friendly industrial waste gas purification device
CN214809357U (en) Industrial waste gas treatment system
CN207334963U (en) An air purifier that is easy to disassemble and clean
CN209985084U (en) Waste gas treatment equipment for environment-friendly industrial furnace
CN210674656U (en) Dust removing device for blasting site
CN110935247B (en) Waste gas air guide treatment device for garbage station
CN211159114U (en) Efficient oil smoke purifier
CN209679800U (en) A kind of available exhaust gas cleaner of iron alloy electric furnace tail gas methanol energy
CN201643937U (en) Portable Active Adsorption Smoke Purifier
CN220780765U (en) Flue gas purifying device
CN223010146U (en) Incineration waste gas treatment device
CN215543586U (en) An energy-saving and environmentally friendly fume hood
CN209829833U (en) Fume chamber for biological medicine experiments
CN219328129U (en) Smoke extractor applied to chimney
CN217763583U (en) Circulating oil smoke clearing machine
CN221580140U (en) Furniture application exhaust gas purification device
CN222480524U (en) Catalytic combustion environmental protection equipment with spray column
CN215965418U (en) Prevent leaking safe type fume chamber

Legal Events

Date Code Title Description
GR01 Patent grant
GR01 Patent grant
TR01 Transfer of patent right

Effective date of registration: 20230523

Address after: 719000 Within the park of Shaanxi North Mining Shennan Industrial Company, Shenmu City, Yulin City, Shaanxi Province

Patentee after: Shaanxi Hydrogen Valley Power Technology Co.,Ltd.

Address before: 224000 rooms 2001 and 2002, South Building A-1, big data Industrial Park, Xuehai Road, Yannan high tech Zone, Yancheng City, Jiangsu Province (CNK)

Patentee before: JIANGSU BOHONG ENVIRONMENTAL PROTECTION EQUIPMENT Co.,Ltd.

TR01 Transfer of patent right