CN216073956U - Split type material rack for annealing aluminum foil - Google Patents
Split type material rack for annealing aluminum foil Download PDFInfo
- Publication number
- CN216073956U CN216073956U CN202122568720.6U CN202122568720U CN216073956U CN 216073956 U CN216073956 U CN 216073956U CN 202122568720 U CN202122568720 U CN 202122568720U CN 216073956 U CN216073956 U CN 216073956U
- Authority
- CN
- China
- Prior art keywords
- bearing
- rack
- support
- material rack
- split type
- Prior art date
- Legal status (The legal status is an assumption and is not a legal conclusion. Google has not performed a legal analysis and makes no representation as to the accuracy of the status listed.)
- Active
Links
- 239000000463 material Substances 0.000 title claims abstract description 47
- XAGFODPZIPBFFR-UHFFFAOYSA-N aluminium Chemical compound [Al] XAGFODPZIPBFFR-UHFFFAOYSA-N 0.000 title claims abstract description 31
- 229910052782 aluminium Inorganic materials 0.000 title claims abstract description 31
- 239000011888 foil Substances 0.000 title claims abstract description 31
- 238000000137 annealing Methods 0.000 title claims abstract description 27
- 230000005540 biological transmission Effects 0.000 claims description 20
- 230000000149 penetrating effect Effects 0.000 claims description 17
- 239000005030 aluminium foil Substances 0.000 abstract description 12
- 244000309464 bull Species 0.000 abstract description 8
- 238000000034 method Methods 0.000 description 5
- 238000004519 manufacturing process Methods 0.000 description 3
- 238000012986 modification Methods 0.000 description 2
- 230000004048 modification Effects 0.000 description 2
- 208000027418 Wounds and injury Diseases 0.000 description 1
- 230000009286 beneficial effect Effects 0.000 description 1
- 230000006378 damage Effects 0.000 description 1
- 230000007423 decrease Effects 0.000 description 1
- 208000014674 injury Diseases 0.000 description 1
- 238000009434 installation Methods 0.000 description 1
- 238000010030 laminating Methods 0.000 description 1
Images
Landscapes
- Transmission Devices (AREA)
Abstract
The utility model discloses a split type material rack for annealing aluminum foils, which comprises a material rack platform and a split type loading groove arranged in the material rack platform; a driving rotating rod transversely penetrates through the inside of the split loading groove through a bearing; further comprising: the top surface of the material rack platform is slidably penetrated and connected to the bottom end of the bearing support, and a positioning support is fixedly arranged at the top end of the bearing support; the bottom surface of the material rack platform is fixedly provided with a driving mechanism, and a rotating guide rod is transversely and rotatably arranged in the driving mechanism through a bearing; wherein, the equal fixed connection in the top of supporting the roof-rack in actuating mechanism's the bottom surface left and right sides, and the inboard outer wall of supporting the roof-rack is fixed and is provided with the extension board to the bottom of extension board articulates the top of connecting in the support footing. This split type work or material rest is used in aluminium foil annealing supports through the support roof-rack and the support footing of work or material rest platform bottom surface and adjusts after, carries the aluminium foil through the feed roll rotation that the drive bull stick drove.
Description
Technical Field
The utility model relates to the technical field of aluminum foil processing, in particular to a split type material rack for annealing an aluminum foil.
Background
The hardness of the aluminum foil needs to be reduced through a high-temperature annealing process in the production and processing processes of the aluminum foil, and meanwhile, the ductility of the aluminum foil is improved.
And present most aluminium foil is at annealing process in-process, often need use aluminium foil annealing material frame, but because the aluminium foil is often processed into the aluminium foil book in production, because the diameter variation of the aluminium foil book after the processing, only rely on annealing device's propelling movement power can't accomplish the conveying of aluminium foil, lead to adjacent aluminium foil curls to give birth to the adhesion when annealing, and buckle in a large number and take place the circumstances such as block in the work or material rest, need the operator to correct manually, the injured risk has been increased when having reduced work efficiency.
Therefore, a split type material rack for annealing aluminum foils is provided so as to solve the problems set forth above.
SUMMERY OF THE UTILITY MODEL
The utility model aims to provide a split type material rack for annealing aluminum foils, which aims to solve the problems that most of aluminum foils in the market in the prior art often need to use an aluminum foil annealing material frame in the annealing process, but because the aluminum foils are often processed into aluminum foil rolls in production, the transmission of the aluminum foils cannot be finished only by the pushing force of an annealing device due to different diameters of the processed aluminum foil rolls, the adjacent aluminum foil curls are adhered during annealing, and a large number of aluminum foil rolls are bent on the material rack to be clamped, the aluminum foil rolls are required to be manually corrected by an operator, so that the work efficiency is reduced, and the risk of injury is increased.
In order to achieve the purpose, the utility model provides the following technical scheme: a split type material rack for annealing aluminum foils comprises a material rack platform and a split type loading groove arranged in the material rack platform;
the inside of the split loading groove is transversely provided with a driving rotating rod in a penetrating manner through a bearing, and the left end and the right end of the driving rotating rod are arranged outside the left end and the right end of the material rack platform in a penetrating manner;
further comprising:
the top surface of the material rack platform is slidably penetrated and connected to the bottom end of the bearing support, and a positioning support is fixedly arranged at the top end of the bearing support;
the bottom surface of the material rack platform is fixedly provided with a driving mechanism, and a rotating guide rod is transversely and rotatably arranged in the driving mechanism through a bearing;
wherein, the equal fixed connection in the top of supporting the roof-rack in actuating mechanism's the bottom surface left and right sides, and the inboard outer wall of supporting the roof-rack is fixed and is provided with the extension board to the bottom of extension board articulates the top of connecting in the support footing.
Preferably, the top end of the material rack platform top surface bearing support is rotatably connected to the front end and the rear end of the feeding roller, the front end and the rear end of the feeding roller are rotatably connected to the inside of the positioning support through bearings, a transmission rod vertically penetrates through the inside of the bearing support, and the feeding roller is driven to rotate through the rotation of the transmission rod.
Preferably, the top end of the material rack platform top surface bearing support is rotatably connected to the front end and the rear end of the feeding roller, the front end and the rear end of the feeding roller are rotatably connected to the inside of the positioning support through bearings, a transmission rod vertically penetrates through the inside of the bearing support, and the transmission rod is driven to rotate through the rotation of the driving rotating rod.
Preferably, the bottom end of the transmission rod in the bearing support is connected with the bearing slide block in the split loading groove in a penetrating mode, the bottom end of the transmission rod is connected with the outer wall of the top surface of the driving rotating rod in the bearing slide block in a meshing mode through a conical gear, and the top end of the transmission rod is connected with the front end and the rear end of the feeding roller in a meshing mode through the conical gear.
Preferably, the bearing support, the bearing slide block and the feeding roller are distributed in a one-to-one correspondence manner, the equal distances between the bearing support, the bearing slide block and the feeding roller are distributed inside the material rack platform, and the rotating direction of the feeding roller is the same as that of the driving rotating rod, so that the aluminum foil is driven to move by the rotation of the feeding roller.
Preferably, the inside slip through connection of support roof-rack is in limit sleeve's outer wall, and limit sleeve's the left and right sides outer wall all through the gag lever post fixed connection that the slip runs through in the inside of supporting the roof-rack to limit sleeve's bottom screw thread is used to wear to connect inside the top surface of supporting the footing, and the decline through limit sleeve is spacing to the supporting footing.
Preferably, both ends all pass through the limit threaded rod screw thread through connection that the bearing is connected inside limit sleeve's top surface about actuating mechanism's the bottom surface, and the top of limit threaded rod passes through the conical gear meshing and connects in the outer wall of rotatory guide arm to be vertical coaxial distribution setting between limit threaded rod and the limit sleeve, drive limit sleeve through limit threaded rod's rotation.
Compared with the prior art, the utility model has the beneficial effects that: this aluminium foil annealing is with split type work or material rest supports through the support roof-rack and the support footing of work or material rest platform bottom surface and adjusts after, carries the aluminium foil through the feed roll rotation that the drive bull stick drove, and its concrete content is as follows:
1. a rotary guide rod which is rotatably penetrated in the driving mechanism drives the bottom surface conical gear to be meshed with the limiting threaded rod to rotate, the bottom end of the limiting threaded rod drives the limiting sleeve in threaded connection to descend under the limiting of the limiting rod, and the supporting bottom foot is limited;
2. through will bearing the weight of the slider slip through connection in the inside drive bull stick of components of a whole that can function independently loading trough, after will bearing the weight of the support and being connected with bearing the weight of the slider simultaneously, the rotatory drive transfer line that drives through the drive bull stick and the feed roll that the bevel gear meshing is connected rotate, drive the aluminium foil of top surface and remove.
Drawings
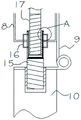
FIG. 1 is a schematic cross-sectional view of the present invention;
FIG. 2 is a schematic view of a mounting structure of a spacing sleeve according to the present invention;
FIG. 3 is an enlarged view of the structure at A in FIG. 2 according to the present invention;
FIG. 4 is a schematic view of a mounting structure of the load carrier of the present invention;
fig. 5 is a schematic view of the installation structure of the transmission rod of the present invention.
In the figure: 1. a material rack platform; 2. a split loading slot; 3. driving the rotating rod; 4. a load bearing support; 5. positioning the bracket; 6. a drive mechanism; 7. rotating the guide rod; 8. supporting the top frame; 9. a stretching plate; 10. supporting feet; 11. a load bearing slider; 12. a feed roller; 13. a transmission rod; 14. a bevel gear; 15. a limiting sleeve; 16. a limiting rod; 17. and (5) limiting a threaded rod.
Detailed Description
The technical solutions in the embodiments of the present invention will be clearly and completely described below with reference to the drawings in the embodiments of the present invention, and it is obvious that the described embodiments are only a part of the embodiments of the present invention, and not all embodiments. All other embodiments, which can be derived by a person skilled in the art from the embodiments given herein without making any creative effort, shall fall within the protection scope of the present invention.
Referring to fig. 1-5, the present invention provides the following technical solutions: a split type material rack for annealing aluminum foils comprises a material rack platform 1 and a split loading groove 2 arranged in the material rack platform 1;
the inside of the split loading groove 2 is transversely provided with a driving rotating rod 3 in a penetrating way through a bearing, and the left end and the right end of the driving rotating rod 3 are arranged outside the left end and the right end of the material rack platform 1 in a penetrating way; further comprising:
the top surface of the material rack platform 1 is slidably connected to the bottom end of the bearing support 4 in a penetrating manner, and the top end of the bearing support 4 is fixedly provided with a positioning support 5; the bottom surface of the material rack platform 1 is fixedly provided with a driving mechanism 6, and a rotating guide rod 7 is transversely and rotatably arranged in the driving mechanism 6 through a bearing;
wherein, the equal fixed connection in the top of supporting roof-rack 8 in actuating mechanism 6's the bottom surface left and right sides, and the inboard outer wall that supports roof-rack 8 is fixed and is provided with extension board 9, as shown in fig. 2, forms through the extension board 9 that supports 8 inner wall fixings of roof-rack and is connected with support footing 10 to the bottom of extension board 9 articulates the top of connecting in support footing 10.
The outer wall of the inside drive bull stick 3 of work or material rest platform 1 all slides and runs through and is provided with bearing slide block 11, and the bottom laminating of bearing slide block 11 is connected in the bottom surface outer wall of components of a whole that can function independently loading trough 2, and bearing slide block 11's top surface passes through bolt fixed connection in the bottom of bearing support 4, as shown in fig. 4, after bearing slide block 11 carries out spacingly through drive bull stick 3, bearing slide block 11's inner wall not with the outer wall direct contact of drive bull stick 3, and be connected with drive bull stick 3 through the conical gear 14 of transfer line 13 bottom.
The top end of a bearing support 4 on the top surface of the material rack platform 1 is rotatably connected to the front end and the rear end of a feeding roller 12, the front end and the rear end of the feeding roller 12 are rotatably connected to the inside of a positioning support 5 in a penetrating manner through bearings, as shown in fig. 4, a bevel gear 14 at the top end of a transmission rod 13 is meshed with the feeding roller 12 rotatably connected to the inside of the positioning support 5, and the transmission rod 13 is vertically arranged in the bearing support 4 in a penetrating manner; the bottom end of a transmission rod 13 in the bearing bracket 4 is connected with a bearing slide block 11 in the split loading groove 2 in a penetrating manner, the bottom end of the transmission rod 13 is connected with the outer wall of the top surface of a driving rotating rod 3 in the bearing slide block 11 in a meshing manner through a bevel gear 14, and the top end of the transmission rod 13 is connected with the front end and the rear end of a feeding roller 12 in a meshing manner through the bevel gear 14.
The bearing support 4, the bearing slide block 11 and the feeding roller 12 are distributed in a one-to-one correspondence manner, the equal distances between the bearing support 4, the bearing slide block 11 and the feeding roller 12 are distributed inside the material rack platform 1, and the rotating direction of the feeding roller 12 is the same as that of the driving rotating rod 3.
The inside slip through connection of support roof-rack 8 is in the outer wall of stop sleeve 15, and the left and right sides outer wall of stop sleeve 15 all through the gag lever post 16 fixed connection that the slip runs through in the inside of supporting roof-rack 8 to stop sleeve 15's bottom screw thread is used to wear to connect inside the top surface of supporting footing 10.
The left end and the right end of the bottom surface of the driving mechanism 6 are both connected with the inside of the top surface of the limiting sleeve 15 through limiting threaded rods 17 which are connected through bearings in a threaded penetrating manner, the top ends of the limiting threaded rods 17 are meshed and connected with the outer wall of the rotating guide rod 7 through conical gears 14, and the limiting threaded rods 17 and the limiting sleeve 15 are arranged in a vertical coaxial distribution manner; as shown in fig. 3, the bottom end of the limit threaded rod 17 drives the limit sleeve 15 in threaded connection to descend under the limit of the limit rod 16, so as to limit the support foot 10.
The working principle is as follows: before the split type material rack for aluminum foil annealing is used, the overall condition of the device needs to be checked firstly to determine that the device can work normally, as shown in fig. 1-5, firstly, a limit threaded rod 17 on the bottom surface is driven to rotate by rotating a rotating guide rod 7 penetrating through the driving mechanism 6, the bottom end of the limit threaded rod 17 drives a limit sleeve 15 in threaded connection to descend, and the support footing 10 is limited;
the bearing slide block 11 is connected with the driving rotating rod 3 inside the split loading groove 2 in a sliding and penetrating mode, the driving rotating rod 3 rotates to drive the transmission rod 13 and the feeding roller 12 which is connected with the bevel gear 14 in a meshed mode to rotate, and the aluminum foil on the top face is driven to move.
Although the present invention has been described in detail with reference to the foregoing embodiments, it will be apparent to those skilled in the art that various changes in the embodiments and/or modifications of the utility model can be made, and equivalents and modifications of some features of the utility model can be made without departing from the spirit and scope of the utility model.
Claims (7)
1. A split type material rack for annealing aluminum foils comprises a material rack platform (1) and a split loading groove (2) arranged in the material rack platform (1);
the driving rotating rod (3) transversely penetrates through the inside of the split loading groove (2) through a bearing, and the left end and the right end of the driving rotating rod (3) are arranged outside the left end and the right end of the material rack platform (1) in a penetrating manner;
it is characterized by also comprising:
the top surface of the material rack platform (1) is connected to the bottom end of the bearing support (4) in a sliding and penetrating manner, and a positioning support (5) is fixedly arranged at the top end of the bearing support (4);
the bottom surface of the material rack platform (1) is fixedly provided with a driving mechanism (6), and the inside of the driving mechanism (6) is transversely and rotatably provided with a rotating guide rod (7) through a bearing;
wherein, the equal fixed connection in the top that supports roof-rack (8) of the bottom surface left and right sides of actuating mechanism (6), and the inboard outer wall of supporting roof-rack (8) is fixed and is provided with extension board (9), and the bottom of extension board (9) articulates the top of connecting in support footing (10).
2. The split type rack for annealing of aluminum foil according to claim 1, wherein: the outer wall of the driving rotating rod (3) in the material rack platform (1) is provided with a bearing sliding block (11) in a sliding mode, the bottom end of the bearing sliding block (11) is attached to the outer wall of the bottom face of the split loading groove (2), and the top face of the bearing sliding block (11) is fixedly connected to the bottom end of the bearing support (4) through bolts.
3. The split type rack for annealing of aluminum foil according to claim 2, characterized in that: the top end of the material rack platform (1) top surface bearing support (4) is rotatably connected to the front end and the rear end of the feeding roller (12), the front end and the rear end of the feeding roller (12) are rotatably connected to the inside of the positioning support (5) in a penetrating mode through bearings, and a transmission rod (13) is vertically arranged in the bearing support (4) in a penetrating mode.
4. The split type rack for annealing of aluminum foil according to claim 1, wherein: the bottom end of a transmission rod (13) in the bearing support (4) is connected with a bearing slide block (11) in the split loading groove (2) in a penetrating mode, the bottom end of the transmission rod (13) is connected with the outer wall of the top face of a driving rotating rod (3) in the bearing slide block (11) in a meshing mode through a bevel gear (14), and the top end of the transmission rod (13) is connected with the front end and the rear end of the feeding roller (12) in a meshing mode through the bevel gear (14).
5. The split type rack for annealing of aluminum foil according to claim 1, wherein: the bearing support (4), the bearing slide block (11) and the feeding roller (12) are distributed in a one-to-one correspondence mode, the equal distances among the bearing support (4), the bearing slide block (11) and the feeding roller (12) are distributed inside the material rack platform (1), and the rotating direction of the feeding roller (12) is the same as that of the driving rotating rod (3).
6. The split type rack for annealing of aluminum foil according to claim 1, wherein: the inside slip through connection of support roof-rack (8) is in the outer wall of spacing sleeve (15), and the left and right sides outer wall of spacing sleeve (15) all through the gag lever post (16) fixed connection that the slip runs through in the inside of supporting roof-rack (8) to the bottom screw thread of spacing sleeve (15) is used to wear to connect inside the top surface of supporting footing (10).
7. The split type rack for annealing of aluminum foil according to claim 6, wherein: both ends all pass through inside the top surface of limit screw (17) screw thread through connection in limit sleeve (15) that the bearing is connected about the bottom surface of actuating mechanism (6), and the top of limit screw (17) passes through conical gear (14) meshing to be connected in the outer wall of rotatory guide arm (7) to be vertical coaxial distribution setting between limit screw (17) and limit sleeve (15).
Priority Applications (1)
| Application Number | Priority Date | Filing Date | Title |
|---|---|---|---|
| CN202122568720.6U CN216073956U (en) | 2021-10-25 | 2021-10-25 | Split type material rack for annealing aluminum foil |
Applications Claiming Priority (1)
| Application Number | Priority Date | Filing Date | Title |
|---|---|---|---|
| CN202122568720.6U CN216073956U (en) | 2021-10-25 | 2021-10-25 | Split type material rack for annealing aluminum foil |
Publications (1)
| Publication Number | Publication Date |
|---|---|
| CN216073956U true CN216073956U (en) | 2022-03-18 |
Family
ID=80640976
Family Applications (1)
| Application Number | Title | Priority Date | Filing Date |
|---|---|---|---|
| CN202122568720.6U Active CN216073956U (en) | 2021-10-25 | 2021-10-25 | Split type material rack for annealing aluminum foil |
Country Status (1)
| Country | Link |
|---|---|
| CN (1) | CN216073956U (en) |
-
2021
- 2021-10-25 CN CN202122568720.6U patent/CN216073956U/en active Active
Similar Documents
| Publication | Publication Date | Title |
|---|---|---|
| CN216073956U (en) | Split type material rack for annealing aluminum foil | |
| CN214003052U (en) | Ore conveyer belt with adjustable | |
| CN216862644U (en) | Chain type feeding line for bars | |
| CN215431760U (en) | Iron sheet slitting device for metal can production | |
| CN215969497U (en) | Cutting device for silicon nitride product | |
| CN215431239U (en) | Plate shearing and bending machine | |
| CN115194874A (en) | Automatic feeding type transverse cutting machine aiming at paper tubes of different specifications | |
| CN213560179U (en) | Hydraulic plate shearing machine for aluminum processing | |
| CN117206459A (en) | Bearing forging processing heat treatment equipment for wind power generation equipment with adjustable clamping range | |
| CN217141945U (en) | Connecting sheet punching and bending integrated machine | |
| CN216613011U (en) | Dual-motor differential feeding roller line device | |
| CN108057800A (en) | Feed device before the plate shearing machine of wide-bed-type press brake face | |
| CN211337587U (en) | Four-column sliding table mechanism | |
| CN221439512U (en) | Color steel plate production line end feeding device | |
| CN222569408U (en) | Building board cutting device | |
| CN220519323U (en) | A kind of continuous feeding structure for instrument panel | |
| CN218024278U (en) | Hydraulic cylinder tubular product unloading stop device | |
| CN222754879U (en) | A round steel automatic feeding and peeling machine | |
| CN223338054U (en) | Steel pipe unloader for steel pipe perforating machine | |
| CN220697912U (en) | Veneer reeling machine capable of avoiding dislocation | |
| CN221543443U (en) | Plate conveying and compressing device | |
| CN220595991U (en) | Feeding structure of veneer reeling machine | |
| CN215702137U (en) | Automatic feeding device with positioning mechanism for PVC plate processing | |
| CN221289372U (en) | Feeding device for thread rolling machine | |
| CN220031124U (en) | Clamping and lifting mechanism of rubber sheet cooling machine |
Legal Events
| Date | Code | Title | Description |
|---|---|---|---|
| GR01 | Patent grant | ||
| GR01 | Patent grant | ||
| CP03 | Change of name, title or address | ||
| CP03 | Change of name, title or address |
Address after: 471000 Luoyang, Henan, China (Henan) free trade zone, 12 Fenghua Road, Hi-tech Development Zone, Luoyang. Patentee after: Chinalco Aluminum Foil (Luoyang) Co.,Ltd. Country or region after: China Address before: 471000 Luoyang, Henan, China (Henan) free trade zone, 12 Fenghua Road, Hi-tech Development Zone, Luoyang. Patentee before: ZHONGLV HENAN LUOYANG ALUMINIUM FOIL CO.,LTD. Country or region before: China |