CN216058671U - 一种节能环保科学种养殖循环装置 - Google Patents
一种节能环保科学种养殖循环装置 Download PDFInfo
- Publication number
- CN216058671U CN216058671U CN202023044731.6U CN202023044731U CN216058671U CN 216058671 U CN216058671 U CN 216058671U CN 202023044731 U CN202023044731 U CN 202023044731U CN 216058671 U CN216058671 U CN 216058671U
- Authority
- CN
- China
- Prior art keywords
- pipeline
- energy
- concentration chamber
- liquid dung
- liquid
- Prior art date
- Legal status (The legal status is an assumption and is not a legal conclusion. Google has not performed a legal analysis and makes no representation as to the accuracy of the status listed.)
- Active
Links
- 210000003608 fece Anatomy 0.000 claims abstract description 87
- VNWKTOKETHGBQD-UHFFFAOYSA-N methane Chemical compound C VNWKTOKETHGBQD-UHFFFAOYSA-N 0.000 claims abstract description 74
- 239000007788 liquid Substances 0.000 claims abstract description 61
- 238000009395 breeding Methods 0.000 claims abstract description 34
- 230000001488 breeding effect Effects 0.000 claims abstract description 33
- 239000002893 slag Substances 0.000 claims abstract description 23
- 238000002347 injection Methods 0.000 claims abstract description 14
- 239000007924 injection Substances 0.000 claims abstract description 14
- 238000000926 separation method Methods 0.000 claims abstract description 8
- 239000010871 livestock manure Substances 0.000 claims description 50
- XLYOFNOQVPJJNP-UHFFFAOYSA-N water Substances O XLYOFNOQVPJJNP-UHFFFAOYSA-N 0.000 claims description 19
- 239000013049 sediment Substances 0.000 claims description 8
- 238000004140 cleaning Methods 0.000 claims description 5
- 238000011010 flushing procedure Methods 0.000 claims description 5
- 238000012806 monitoring device Methods 0.000 claims description 5
- 238000011218 seed culture Methods 0.000 claims description 4
- 238000009423 ventilation Methods 0.000 claims description 3
- 244000144972 livestock Species 0.000 abstract description 9
- 239000003895 organic fertilizer Substances 0.000 abstract description 6
- 238000004806 packaging method and process Methods 0.000 abstract description 5
- 238000005516 engineering process Methods 0.000 abstract description 4
- 238000004519 manufacturing process Methods 0.000 abstract description 4
- 238000000034 method Methods 0.000 abstract description 4
- 241001465754 Metazoa Species 0.000 abstract description 3
- 239000002994 raw material Substances 0.000 abstract description 2
- 230000002550 fecal effect Effects 0.000 abstract 5
- 238000009313 farming Methods 0.000 abstract 1
- 235000013311 vegetables Nutrition 0.000 description 5
- 210000003437 trachea Anatomy 0.000 description 3
- 241000272814 Anser sp. Species 0.000 description 2
- 241000287828 Gallus gallus Species 0.000 description 2
- 241001494479 Pecora Species 0.000 description 2
- 235000013330 chicken meat Nutrition 0.000 description 2
- 239000003337 fertilizer Substances 0.000 description 2
- 235000013305 food Nutrition 0.000 description 2
- 238000005286 illumination Methods 0.000 description 2
- 238000007789 sealing Methods 0.000 description 2
- 241000272525 Anas platyrhynchos Species 0.000 description 1
- 241000272517 Anseriformes Species 0.000 description 1
- 241000283690 Bos taurus Species 0.000 description 1
- 241000282887 Suidae Species 0.000 description 1
- 241000282898 Sus scrofa Species 0.000 description 1
- 230000009286 beneficial effect Effects 0.000 description 1
- 238000009835 boiling Methods 0.000 description 1
- 238000002485 combustion reaction Methods 0.000 description 1
- 239000012141 concentrate Substances 0.000 description 1
- 238000010411 cooking Methods 0.000 description 1
- 230000008878 coupling Effects 0.000 description 1
- 238000010168 coupling process Methods 0.000 description 1
- 238000005859 coupling reaction Methods 0.000 description 1
- 238000010586 diagram Methods 0.000 description 1
- 230000007613 environmental effect Effects 0.000 description 1
- 238000003912 environmental pollution Methods 0.000 description 1
- 239000000463 material Substances 0.000 description 1
- 238000012544 monitoring process Methods 0.000 description 1
- 230000001954 sterilising effect Effects 0.000 description 1
- 238000004659 sterilization and disinfection Methods 0.000 description 1
Images
Classifications
-
- Y—GENERAL TAGGING OF NEW TECHNOLOGICAL DEVELOPMENTS; GENERAL TAGGING OF CROSS-SECTIONAL TECHNOLOGIES SPANNING OVER SEVERAL SECTIONS OF THE IPC; TECHNICAL SUBJECTS COVERED BY FORMER USPC CROSS-REFERENCE ART COLLECTIONS [XRACs] AND DIGESTS
- Y02—TECHNOLOGIES OR APPLICATIONS FOR MITIGATION OR ADAPTATION AGAINST CLIMATE CHANGE
- Y02A—TECHNOLOGIES FOR ADAPTATION TO CLIMATE CHANGE
- Y02A40/00—Adaptation technologies in agriculture, forestry, livestock or agroalimentary production
- Y02A40/10—Adaptation technologies in agriculture, forestry, livestock or agroalimentary production in agriculture
- Y02A40/20—Fertilizers of biological origin, e.g. guano or fertilizers made from animal corpses
-
- Y—GENERAL TAGGING OF NEW TECHNOLOGICAL DEVELOPMENTS; GENERAL TAGGING OF CROSS-SECTIONAL TECHNOLOGIES SPANNING OVER SEVERAL SECTIONS OF THE IPC; TECHNICAL SUBJECTS COVERED BY FORMER USPC CROSS-REFERENCE ART COLLECTIONS [XRACs] AND DIGESTS
- Y02—TECHNOLOGIES OR APPLICATIONS FOR MITIGATION OR ADAPTATION AGAINST CLIMATE CHANGE
- Y02P—CLIMATE CHANGE MITIGATION TECHNOLOGIES IN THE PRODUCTION OR PROCESSING OF GOODS
- Y02P20/00—Technologies relating to chemical industry
- Y02P20/10—Process efficiency
Landscapes
- Treatment Of Sludge (AREA)
- Fertilizers (AREA)
Abstract
本实用新型属于农牧业生产技术领域,具体涉及一种节能环保科学种养殖循环装置,包括养殖模块、分离模块、粪水处理模块和粪渣处理模块;养殖模块包括养殖舍;分离模块包括封闭集中室、水渣分离器和电机;粪水处理模块包括沼气池,沼气池连接封闭集中室,沼气池的顶部设有沼气管道,沼气池的底部连接沼气粪水管道,沼气粪水管道连接注粪管道;粪渣处理模块包括粪渣集中室,粪渣集中室连接封闭集中室,粪渣集中室的底部设有连接粪渣包装袋的出口管道。本实用新型结构简单、紧凑、合理,节约了占地面积,消除畜牧排放过程中的臭气;利用沼气技术对粪水开发热能、利用有机肥生产技术增加有机肥原料,节能、安全、减排、环保。
Description
技术领域
本实用新型属于农牧业生产技术领域,具体涉及一种节能环保科学种养殖循环装置,用于家畜养殖的粪便处理及种植农物粮食蔬菜。
背景技术
现有技术中,种植粮食蔬菜浇灌肥水时泼洒、对食用的农作物粮食蔬菜造成污染,而养殖猪羊牛鸡鸭鹅动物时粪便处理简单、臭气冲天、环境污染严重。
发明内容
本实用新型旨在解决上述问题,提供了一种节能环保科学种养殖循环装置,能够有效去除在种养殖过程中的臭气污染,彻底消除畜牧业养殖过程中的粪便臭气环保问题、提高热能、节能、安全、减排、环保。
按照本实用新型的技术方案,所述节能环保科学种养殖循环装置,包括养殖模块、分离模块、粪水处理模块和粪渣处理模块;
所述养殖模块包括养殖舍,所述养殖舍设有下水管道;
所述分离模块包括设置于下水管道出口端的封闭集中室、安装在封闭集中室内的水渣分离器和用于驱动水渣分离器的电机;
所述粪水处理模块包括沼气池,所述沼气池利用粪水管道连接封闭集中室,沼气池的顶部设有沼气管道,沼气池的底部连接沼气粪水管道,所述沼气粪水管道连接注粪管道,所述注粪管道上开有注粪孔;
所述粪渣处理模块包括粪渣集中室,所述粪渣集中室利用粪渣管道连接封闭集中室,粪渣集中室的底部设有出口管道,所述出口管道的出口端设有粪渣包装袋。
进一步的,所述养殖舍设有换气扇、纱窗、空调、清洗水管、烘干器、食槽、前门和后门。
进一步的,所述养殖舍内设有监控装置。
进一步的,所述下水管道上设有单向阀,下水管道内设有冲洗区域。
进一步的,所述粪水管道连接封闭集中室的粪水出口,所述粪水出口处设有粪渣栏板,所述粪渣栏板倾斜设置于封闭集中室内。
进一步的,所述粪水管道上设有电动泵,所述沼气粪水管道上设有沼气粪水泵。
进一步的,所述沼气管道连接沼气和\或沼气灶。
进一步的,所述粪渣集中室的一端设有气缸,所述气缸的活塞杆伸入粪渣集中室并设有活塞板,所述出口管道设置于远离气缸的一端。
进一步的,所述粪渣集中室远离气缸的一端设有出口栏板。
进一步的,所述气缸利用第一气管连接空压机,所述养殖舍内设有气枪,所述气枪利用第二气管连接第一气管。
本实用新型的有益效果在于:结构简单、紧凑、合理,节约了占地面积,消除畜牧排放过程中的臭气;利用沼气技术对粪水开发热能、利用有机肥生产技术增加有机肥原料,节能、安全、减排、环保。
附图说明
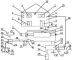
图1为本实用新型的结构示意图。
附图标记说明:1-养殖舍、2-换气扇、3-纱窗、4-空调、5-清洗水管、6-烘干器、7-食槽、8-前门、9-后门、10-下水管道、11-电机、12-单向阀、13-轴承、14-水渣分离器、15-封闭集中室、16-农田、17-电动泵、18-粪水管道、19-沼气池、20-沼气管道、21-沼气灯、22-沼气灶、23-沼气粪水、24-沼气粪水泵、25-沼气粪水管道、26-注粪管道、27-注粪孔、28-粪渣管道、29-粪渣集中室、30-气缸、31-空压机、32-支架、33-出口栏板、34-出口管道、35-粪渣包装袋、36-第一气管、37-活塞板、38-监控装置、39-气枪、40-第二气管、41-粪水出口、42-粪渣栏板、43-冲洗区域。
具体实施方式
下面结合具体实施例和附图对本实用新型作进一步说明。
如图所示:一种节能环保科学种养殖循环装置,包括养殖模块、分离模块、粪水处理模块和粪渣处理模块。
养殖模块包括养殖舍1,用于养殖猪、羊、牛、鸡、鸭等家畜,养殖舍1设有下水管道10,下水管道10上可以设有单向阀12,避免液体回流,下水管道10内可以设置冲洗区域43,冲洗区域43采用一个角或1平方左右,做成斜坡,便于冲洗粪水。分离模块包括封闭集中室15、水渣分离器14和电机11,封闭集中室15设置于下水管道10出口端,水渣分离器14可以采用螺旋式水渣分离器,其转轴的两端利用轴承13安装在封闭集中室15的左右侧壁上,转轴的一端利用联轴器连接电机11的转轴。粪水处理模块包括沼气池19,沼气池19利用粪水管道18连接封闭集中室15,在粪水管道18的出口端可以设置电动泵17,便于粪水进入沼气池19;沼气池19的顶部设有沼气管道20,沼气管道20可以连接沼气灯21和\或沼气灶22,用于沼气供应实现照明、燃、煮熟、烧水、供热等;沼气池19的底部连接沼气粪水管道25,粪水管道18连接封闭集中室15的粪水出口41,粪水出口41处可以设有粪渣栏板42,粪渣栏板42倾斜设置于封闭集中室15内,用于阻拦粪渣进入粪水管道18;在沼气粪水管道25上可以设置沼气粪水泵24,沼气池19内残留的沼气粪水23通过沼气粪水管道25的出口进入注粪管道26,注粪管道26均匀排布在农田16内,其上开有若干注粪孔27,注粪孔27可以朝向植物的根部开设,用于对土地进行精准施入肥水,种植粮食和蔬菜作物,农田16部分作物作为养殖用食料。粪渣处理模块包括粪渣集中室29,粪渣集中室29利用粪渣管道28连接封闭集中室15,粪渣集中室29的底部设有出口管道34,出口管道34的出口端设有粪渣包装袋35,便于包装,灭菌后储存一周返入田间,作为粮食蔬菜等作物的有机肥料。
具体的,为保证养殖舍1内的舒适度,其上设有换气扇2、纱窗3、空调4、清洗水管5、烘干器6、食槽7、前门8和后门9,食槽7可以采用自动或手动进退功能食槽。养殖舍1还可以设有监控装置38,用于实时监控养殖舍1内情况,监控装置38可以采用智能摄像机配合温度传感器。
粪渣集中室29可以固定安装在支架32上,粪渣集中室29的一端设有气缸30,气缸30的活塞杆伸入粪渣集中室29并设有活塞板37,用于推动粪渣,出口管道34设置于远离气缸30的一端。粪渣集中室29远离气缸30的一端设有出口栏板33,打开开口栏板33可以实现粪渣集中室29的整体清理。气缸30利用第一气管36连接空压机31,养殖舍1内设有气枪39,利用高压气体冲洗粪便,也可以吹干舍内结水,便于养殖舍清理,气枪39利用第二气管40连接第一气管36。
可以想象的是,为提高装置的操作便捷性和自动化程度,可以在单向阀12前设置压力自动控制器,在出口管道34上加设电动阀门,并加入PLC或其他控制装置,控制装置连接压力自动控制器、电机11、电动泵17、沼气粪水泵24、空压机31和电动阀门。
本实用新型利用养殖家畜、收集家畜粪水粪便进行处理和有效利用,家畜粪水产生的沼气提供照明和热能,粪水提供给农作物生长,家畜粪渣通过堆储灭菌后作为有机肥料给予农作物利用,部分农作物作为家畜食料供给,形成有机循环,科学、节能、环保。
Claims (10)
1.一种节能环保科学种养殖循环装置,其特征在于,包括养殖模块、分离模块、粪水处理模块和粪渣处理模块;
所述养殖模块包括养殖舍(1),所述养殖舍(1)设有下水管道(10);
所述分离模块包括设置于下水管道(10)出口端的封闭集中室(15)、安装在封闭集中室(15)内的水渣分离器(14)和用于驱动水渣分离器(14)的电机(11);
所述粪水处理模块包括沼气池(19),所述沼气池(19)利用粪水管道(18)连接封闭集中室(15),沼气池(19)的顶部设有沼气管道(20),沼气池(19)的底部连接沼气粪水管道(25),所述沼气粪水管道(25)连接注粪管道(26),所述注粪管道(26)上开有注粪孔(27);
所述粪渣处理模块包括粪渣集中室(29),所述粪渣集中室(29)利用粪渣管道(28)连接封闭集中室(15),粪渣集中室(29)的底部设有出口管道(34),所述出口管道(34)的出口端设有粪渣包装袋(35)。
2.如权利要求1所述的节能环保科学种养殖循环装置,其特征在于,所述养殖舍(1)设有换气扇(2)、纱窗(3)、空调(4)、清洗水管(5)、烘干器(6)、食槽(7)、前门(8)和后门(9)。
3.如权利要求1所述的节能环保科学种养殖循环装置,其特征在于,所述养殖舍(1)内设有监控装置(38)。
4.如权利要求1所述的节能环保科学种养殖循环装置,其特征在于,所述下水管道(10)上设有单向阀(12),下水管道(10)内设有冲洗区域(43)。
5.如权利要求1所述的节能环保科学种养殖循环装置,其特征在于,所述粪水管道(18)连接封闭集中室(15)的粪水出口(41),所述粪水出口(41)处设有粪渣栏板(42),所述粪渣栏板(42)倾斜设置于封闭集中室(15)内。
6.如权利要求1所述的节能环保科学种养殖循环装置,其特征在于,所述粪水管道(18)上设有电动泵(17),所述沼气粪水管道(25)上设有沼气粪水泵(24)。
7.如权利要求1所述的节能环保科学种养殖循环装置,其特征在于,所述沼气管道(20)连接沼气灯(21)和\或沼气灶(22)。
8.如权利要求1所述的节能环保科学种养殖循环装置,其特征在于,所述粪渣集中室(29)的一端设有气缸(30),所述气缸(30)的活塞杆伸入粪渣集中室(29)并设有活塞板(37),所述出口管道(34)设置于远离气缸(30)的一端。
9.如权利要求8所述的节能环保科学种养殖循环装置,其特征在于,所述粪渣集中室(29)远离气缸(30)的一端设有出口栏板(33)。
10.如权利要求8所述的节能环保科学种养殖循环装置,其特征在于,所述气缸(30)利用第一气管(36)连接空压机(31),所述养殖舍(1)内设有气枪(39),所述气枪(39)利用第二气管(40)连接第一气管(36)。
Priority Applications (1)
| Application Number | Priority Date | Filing Date | Title |
|---|---|---|---|
| CN202023044731.6U CN216058671U (zh) | 2020-12-16 | 2020-12-16 | 一种节能环保科学种养殖循环装置 |
Applications Claiming Priority (1)
| Application Number | Priority Date | Filing Date | Title |
|---|---|---|---|
| CN202023044731.6U CN216058671U (zh) | 2020-12-16 | 2020-12-16 | 一种节能环保科学种养殖循环装置 |
Publications (1)
| Publication Number | Publication Date |
|---|---|
| CN216058671U true CN216058671U (zh) | 2022-03-18 |
Family
ID=80634050
Family Applications (1)
| Application Number | Title | Priority Date | Filing Date |
|---|---|---|---|
| CN202023044731.6U Active CN216058671U (zh) | 2020-12-16 | 2020-12-16 | 一种节能环保科学种养殖循环装置 |
Country Status (1)
| Country | Link |
|---|---|
| CN (1) | CN216058671U (zh) |
-
2020
- 2020-12-16 CN CN202023044731.6U patent/CN216058671U/zh active Active
Similar Documents
| Publication | Publication Date | Title |
|---|---|---|
| CN107759254B (zh) | 一种基于种养结合的畜禽养殖场污染生态治理系统及方法 | |
| CN103265154B (zh) | 养殖污粪资源化利用综合处理工艺 | |
| CN106993541A (zh) | 一种新型猪舍及应用其的可持续式循环种养方法 | |
| CN208995404U (zh) | 一种农业废弃物再利用生产有机肥料的设备 | |
| CN213095424U (zh) | 一种牧业养殖的环保装置 | |
| CN216058671U (zh) | 一种节能环保科学种养殖循环装置 | |
| CN208395067U (zh) | 一种环保零排放鸡粪发酵处理设备 | |
| JP3706097B2 (ja) | 有機廃棄物発酵処理システム | |
| CN109678565A (zh) | 养殖粪污中温太阳能好氧发酵罐 | |
| CN106760681A (zh) | 生物处理的免冲水公厕 | |
| CN213187573U (zh) | 一种基于光伏立体种养结合的生态循环农业系统 | |
| CN116235784B (zh) | 一种养殖舍 | |
| CN209872801U (zh) | 养殖粪污中温太阳能好氧发酵罐 | |
| CN209906777U (zh) | 一种用于喷雾除臭的微生物菌剂的活化装置 | |
| CN210544223U (zh) | 一种用于微生物异位发酵床的除臭装置 | |
| CN204206871U (zh) | 用于养殖舍的氨气净化和收集装置 | |
| CN208166874U (zh) | 一种预热式好氧堆肥装置 | |
| CN215905943U (zh) | 病死禽畜尸体及沼液无害化降解池 | |
| CN205907198U (zh) | 一种有机肥料自动化处理系统 | |
| CN113431401B (zh) | 一种滩涂模块化畜舍及其建造方法 | |
| CN215302444U (zh) | 一种模块化可加热黑水虻养殖槽 | |
| CN201470372U (zh) | 农用废弃物预处理水解装置 | |
| CN112592014B (zh) | 一种具有干湿分离功能的养猪粪污转化利用装置 | |
| CN203872745U (zh) | 一种发酵床中快速减少床体水分的装备 | |
| CN106747741A (zh) | 一种高效堆肥池 |
Legal Events
| Date | Code | Title | Description |
|---|---|---|---|
| GR01 | Patent grant | ||
| GR01 | Patent grant |