CN215969202U - 木材刨削装置 - Google Patents

木材刨削装置 Download PDF

Info

Publication number
CN215969202U
CN215969202U CN202122378859.4U CN202122378859U CN215969202U CN 215969202 U CN215969202 U CN 215969202U CN 202122378859 U CN202122378859 U CN 202122378859U CN 215969202 U CN215969202 U CN 215969202U
Authority
CN
China
Prior art keywords
fixedly connected
electric telescopic
wood
seat
bottom plate
Prior art date
Legal status (The legal status is an assumption and is not a legal conclusion. Google has not performed a legal analysis and makes no representation as to the accuracy of the status listed.)
Expired - Fee Related
Application number
CN202122378859.4U
Other languages
English (en)
Inventor
李晓达
Current Assignee (The listed assignees may be inaccurate. Google has not performed a legal analysis and makes no representation or warranty as to the accuracy of the list.)
Boluo County Luofushan Forest Farm Zhenji Woodware Co ltd
Original Assignee
Boluo County Luofushan Forest Farm Zhenji Woodware Co ltd
Priority date (The priority date is an assumption and is not a legal conclusion. Google has not performed a legal analysis and makes no representation as to the accuracy of the date listed.)
Filing date
Publication date
Application filed by Boluo County Luofushan Forest Farm Zhenji Woodware Co ltd filed Critical Boluo County Luofushan Forest Farm Zhenji Woodware Co ltd
Priority to CN202122378859.4U priority Critical patent/CN215969202U/zh
Application granted granted Critical
Publication of CN215969202U publication Critical patent/CN215969202U/zh
Expired - Fee Related legal-status Critical Current
Anticipated expiration legal-status Critical

Links

Images

Landscapes

  • Cleaning In General (AREA)

Abstract

本实用新型公开了木材刨削装置,具体涉及木材刨削技术领域,包括底板,所述底板顶端的两侧固定连接有支撑板,所述支撑板的顶端固定连接有顶板,所述支撑板之间固定连接有滑杆,所述支撑板一侧的顶端固定连接有第二电动伸缩杆,所述第二电动伸缩杆的另一侧固定连接有移动块,所述移动块套接在滑杆的外部。本实用新型通过设置有伺服电机、限位座、第一电动伸缩杆和夹持气缸,使用时,当木材的上表面刨削完成后,将木材的高度调整到与限位座平齐,启动第一电动伸缩杆,将木材抵在限位座的内部,在夹持气缸的作用下对木材夹持,然后启动伺服电机,带动限位座旋转,对木材的下表面刨削,解放了人工的双手,提高了装置的工作效率。

Description

木材刨削装置
技术领域
本实用新型涉及木材刨削技术领域,具体为木材刨削装置。
背景技术
当前,木材在生产加工过程中需要将板材表面上凹凸不平的地方做平整处理,使其表面较平滑,因此需要用到刨削装置,对木材的表面进行刨削处理,现有的木材刨削装置仍然存在一些问题,一般是由工作人员按压住木材对其刨削,费时费力,夹持功能不足,降低了装置的使用效率。
在实现本实用新型的过程中,发明人发现现有技术中至少存在如下问题没有得到解决:
(1)传统的木材刨削装置,一般是由工作人员按压住木材对其刨削,费时费力,夹持功能不足,降低了装置的使用效率;
(2)传统的木材刨削装置,不便于将木材翻面,需要人工换面,使得劳动量较大;
(3)传统的木材刨削装置,加工过程中产生的灰尘以及碎屑较多,对周围的空气质量造成污染。
实用新型内容
本实用新型的目的在于提供木材刨削装置,以解决上述背景技术中提出一般是由工作人员按压住木材对其刨削,费时费力,夹持功能不足,降低了装置的使用效率的问题。
为实现上述目的,本实用新型提供如下技术方案:木材刨削装置,包括底板,所述底板顶端的两侧固定连接有支撑板,所述支撑板的顶端固定连接有顶板,所述支撑板之间固定连接有滑杆,所述支撑板一侧的顶端固定连接有第二电动伸缩杆,所述第二电动伸缩杆的另一侧固定连接有移动块,所述移动块套接在滑杆的外部,所述移动块的底端固定连接有刨削刀,所述支撑板的两侧设置有翻转机构,所述底板的两侧设置有除尘机构,所述底板的顶端设置有夹持机构;
所述夹持机构包括滑道,所述滑道设置有两组并固定连接在底板的顶端,所述滑道的内部设置有移动座,所述移动座的顶端固定连接有第三电动伸缩杆,所述第三电动伸缩杆的顶端固定连接有夹持座,所述夹持座的两端设置有螺纹杆,所述螺纹杆的另一端固定连接有调节旋钮。
优选的,所述移动座在滑道的内部为滑动连接,所述夹持座的内壁上设置有内螺纹。
优选的,所述除尘机构由除尘箱、收集箱、风机、吸嘴、波纹管、导管和滤网组成,所述除尘箱设置有两组并分别连接在底板的一侧以及另一侧,所述除尘箱内部的底端设置有收集箱,所述收集箱的上方设置有滤网,所述除尘箱内部的一侧贯穿有导管,所述导管的另一侧设置有风机,所述风机的一侧设置有波纹管,所述波纹管的顶端固定连接有吸嘴。
优选的,所述波纹管与导管的内部连通,所述波纹管具有伸缩性。
优选的,所述翻转机构由伺服电机、限位座、第一电动伸缩杆和夹持气缸组成,所述伺服电机固定连接在支撑板的一侧,所述伺服电机的输出端通过轴接器与第一电动伸缩杆固定连接,所述第一电动伸缩杆的一侧固定连接有限位座,所述限位座的两端固定连接有夹持气缸。
优选的,所述限位座呈“C”型,所述夹持气缸关于限位座的水平中心线对称分布。
与现有技术相比,本实用新型的有益效果是:该木材刨削装置不仅实现了限位夹持,解放了工人双手,提高了装置的使用效率,实现了自动换面,提高了装置的工作效率,而且实现了除尘,便于对加工过程中产生的灰尘以及碎屑进行清理;
(1)通过设置有滑道、移动座、第三电动伸缩杆、夹持座、螺纹杆和调节旋钮,使用时,将待加工的木材放在夹持座之间,根据木材的长度调整夹持座之间的距离,推动一侧的夹持座,使得移动座在滑道的内部滑动,选择合适的距离后便于木材放置,通过调节旋钮转动螺纹杆,对木材的两侧夹持,保证加工时的稳定性,启动第三电动伸缩杆,将木材上升到合适的位置,便于对其刨削,启动第二电动伸缩杆,第二电动伸缩杆带动移动块以及刨削刀对木材由右向左刨削,结构简单,便于使用,提高了装置的使用效率;
(2)通过设置有除尘箱、收集箱、风机、吸嘴、波纹管、导管和滤网,使用时,启动风机,风机通过吸嘴将刨削过程中产生的灰尘以及碎屑通过波纹管以及导管导入除尘箱的内部,碎屑掉落在收集箱的内部,对碎屑进行统一收集处理,并且在除尘箱的内部设置有滤网,便于对灰尘进行吸附,减少灰尘的飞扬,保护了周围的空气质量,提高了装置使用的环保性;
(3)通过设置有伺服电机、限位座、第一电动伸缩杆和夹持气缸,使用时,当木材的上表面刨削完成后,将木材的高度调整到与限位座平齐,启动第一电动伸缩杆,将木材抵在限位座的内部,在夹持气缸的作用下对木材夹持,然后启动伺服电机,带动限位座旋转,对木材的下表面刨削,解放了人工的双手,提高了装置的工作效率。
附图说明
图1为本实用新型的正视剖面结构示意图;
图2为本实用新型的底板俯视结构示意图;
图3为本实用新型的除尘箱俯视剖面结构示意图;
图4为本实用新型的图2中A处局部剖面放大结构示意图。
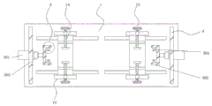
图中:1、底板;2、除尘机构;201、除尘箱;202、收集箱;203、风机;204、吸嘴;205、波纹管;206、导管;207、滤网;3、翻转机构;301、伺服电机;302、限位座;303、第一电动伸缩杆;304、夹持气缸;4、支撑板;5、刨削刀;6、顶板;7、第二电动伸缩杆;8、移动块;9、滑杆;10、夹持座;11、移动座;12、滑道;13、第三电动伸缩杆;14、螺纹杆;15、调节旋钮。
具体实施方式
下面将结合本实用新型实施例中的附图,对本实用新型实施例中的技术方案进行清楚、完整地描述,显然,所描述的实施例仅仅是本实用新型一部分实施例,而不是全部的实施例。基于本实用新型中的实施例,本领域普通技术人员在没有做出创造性劳动前提下所获得的所有其他实施例,都属于本实用新型保护的范围。
实施例1:请参阅图1-4,木材刨削装置,包括底板1,底板1顶端的两侧固定连接有支撑板4,支撑板4的顶端固定连接有顶板6,支撑板4之间固定连接有滑杆9,支撑板4一侧的顶端固定连接有第二电动伸缩杆7,该第二电动伸缩杆7的型号可为YQL525,第二电动伸缩杆7的另一侧固定连接有移动块8,移动块8套接在滑杆9的外部,移动块8的底端固定连接有刨削刀5,支撑板4的两侧设置有翻转机构3,底板1的两侧设置有除尘机构2,底板1的顶端设置有夹持机构;
请参阅图1-4,木材刨削装置还包括夹持机构,夹持机构包括滑道12,滑道12设置有两组并固定连接在底板1的顶端,滑道12的内部设置有移动座11,移动座11在滑道12的内部为滑动连接,夹持座10的内壁上设置有内螺纹,移动座11的顶端固定连接有第三电动伸缩杆13,该第三电动伸缩杆13的型号可为XDHA12-200,第三电动伸缩杆13的顶端固定连接有夹持座10,夹持座10的两端设置有螺纹杆14,螺纹杆14的另一端固定连接有调节旋钮15;
具体地,如图1和图2所示,将待加工的木材放在夹持座10之间,根据木材的长度调整夹持座10之间的距离,推动一侧的夹持座10,使得移动座11在滑道12的内部滑动,选择合适的距离后便于木材放置,通过调节旋钮15转动螺纹杆14,对木材的两侧夹持,保证加工时的稳定性,启动第三电动伸缩杆13,将木材上升到合适的位置,便于对其刨削,启动第二电动伸缩杆7,第二电动伸缩杆7带动移动块8以及刨削刀5对木材由右向左刨削,结构简单,便于使用,提高了装置的使用效率。
实施例2:除尘机构2由除尘箱201、收集箱202、风机203、吸嘴204、波纹管205、导管206和滤网207组成,除尘箱201设置有两组并分别连接在底板1的一侧以及另一侧,除尘箱201内部的底端设置有收集箱202,收集箱202的上方设置有滤网207,除尘箱201内部的一侧贯穿有导管206,导管206的另一侧设置有风机203,该风机203的型号可为SF,风机203的一侧设置有波纹管205,波纹管205与导管206的内部连通,波纹管205具有伸缩性,波纹管205的顶端固定连接有吸嘴204;
具体地,如图1和图3所示,启动风机203,风机203通过吸嘴204将刨削过程中产生的灰尘以及碎屑通过波纹管205以及导管206导入除尘箱201的内部,碎屑掉落在收集箱202的内部,对碎屑进行统一收集处理,并且在除尘箱201的内部设置有滤网207,便于对灰尘进行吸附,减少灰尘的飞扬,保护了周围的空气质量,提高了装置使用的环保性。
实施例3:翻转机构3由伺服电机301、限位座302、第一电动伸缩杆303和夹持气缸304组成,伺服电机301固定连接在支撑板4的一侧,该伺服电机301的型号可为ASD-A2,伺服电机301的输出端通过轴接器与第一电动伸缩杆303固定连接,第一电动伸缩杆303的一侧固定连接有限位座302,该第一电动伸缩杆303的型号可为TH-100,限位座302呈“C”型,夹持气缸304关于限位座302的水平中心线对称分布,限位座302的两端固定连接有夹持气缸304,该夹持气缸304的型号可为SC;
具体地,如图1、图2和图4所示,当木材的上表面刨削完成后,将木材的高度调整到与限位座302平齐,启动第一电动伸缩杆303,将木材抵在限位座302的内部,在夹持气缸304的作用下对木材夹持,然后启动伺服电机301,带动限位座302旋转,对木材的下表面刨削,解放了人工的双手,提高了装置的工作效率。
工作原理:本实用新型在使用时,首先,将待加工的木材放在夹持座10之间,根据木材的长度调整夹持座10之间的距离,推动一侧的夹持座10,使得移动座11在滑道12的内部滑动,选择合适的距离后便于木材放置,通过调节旋钮15转动螺纹杆14,对木材的两侧夹持,保证加工时的稳定性,启动第三电动伸缩杆13,将木材上升到合适的位置,便于对其刨削,启动第二电动伸缩杆7,第二电动伸缩杆7带动移动块8以及刨削刀5对木材由右向左刨削,结构简单,便于使用,提高了装置的使用效率。
之后,启动风机203,风机203通过吸嘴204将刨削过程中产生的灰尘以及碎屑通过波纹管205以及导管206导入除尘箱201的内部,碎屑掉落在收集箱202的内部,对碎屑进行统一收集处理,并且在除尘箱201的内部设置有滤网207,便于对灰尘进行吸附,减少灰尘的飞扬,保护了周围的空气质量,提高了装置使用的环保性。
最后,当木材的上表面刨削完成后,将木材的高度调整到与限位座302平齐,启动第一电动伸缩杆303,将木材抵在限位座302的内部,在夹持气缸304的作用下对木材夹持,然后启动伺服电机301,带动限位座302旋转,对木材的下表面刨削,解放了人工的双手,提高了装置的工作效率。
对于本领域技术人员而言,显然本实用新型不限于上述示范性实施例的细节,而且在不背离本实用新型的精神或基本特征的情况下,能够以其他的具体形式实现本实用新型。因此,无论从哪一点来看,均应将实施例看作是示范性的,而且是非限制性的,本实用新型的范围由所附权利要求而不是上述说明限定,因此旨在将落在权利要求的等同要件的含义和范围内的所有变化囊括在本实用新型内。不应将权利要求中的任何附图标记视为限制所涉及的权利要求。

Claims (6)

1.一种木材刨削装置,包括底板(1),其特征在于:所述底板(1)顶端的两侧固定连接有支撑板(4),所述支撑板(4)的顶端固定连接有顶板(6),所述支撑板(4)之间固定连接有滑杆(9),所述支撑板(4)一侧的顶端固定连接有第二电动伸缩杆(7),所述第二电动伸缩杆(7)的另一侧固定连接有移动块(8),所述移动块(8)套接在滑杆(9)的外部,所述移动块(8)的底端固定连接有刨削刀(5),所述支撑板(4)的两侧设置有翻转机构(3),所述底板(1)的两侧设置有除尘机构(2),所述底板(1)的顶端设置有夹持机构;
所述夹持机构包括滑道(12),所述滑道(12)设置有两组并固定连接在底板(1)的顶端,所述滑道(12)的内部设置有移动座(11),所述移动座(11)的顶端固定连接有第三电动伸缩杆(13),所述第三电动伸缩杆(13)的顶端固定连接有夹持座(10),所述夹持座(10)的两端设置有螺纹杆(14),所述螺纹杆(14)的另一端固定连接有调节旋钮(15)。
2.根据权利要求1所述的木材刨削装置,其特征在于:所述移动座(11)在滑道(12)的内部为滑动连接,所述夹持座(10)的内壁上设置有内螺纹。
3.根据权利要求1所述的木材刨削装置,其特征在于:所述除尘机构(2)由除尘箱(201)、收集箱(202)、风机(203)、吸嘴(204)、波纹管(205)、导管(206)和滤网(207)组成,所述除尘箱(201)设置有两组并分别连接在底板(1)的一侧以及另一侧,所述除尘箱(201)内部的底端设置有收集箱(202),所述收集箱(202)的上方设置有滤网(207),所述除尘箱(201)内部的一侧贯穿有导管(206),所述导管(206)的另一侧设置有风机(203),所述风机(203)的一侧设置有波纹管(205),所述波纹管(205)的顶端固定连接有吸嘴(204)。
4.根据权利要求3所述的木材刨削装置,其特征在于:所述波纹管(205)与导管(206)的内部连通,所述波纹管(205)具有伸缩性。
5.根据权利要求1所述的木材刨削装置,其特征在于:所述翻转机构(3)由伺服电机(301)、限位座(302)、第一电动伸缩杆(303)和夹持气缸(304)组成,所述伺服电机(301)固定连接在支撑板(4)的一侧,所述伺服电机(301)的输出端通过轴接器与第一电动伸缩杆(303)固定连接,所述第一电动伸缩杆(303)的一侧固定连接有限位座(302),所述限位座(302)的两端固定连接有夹持气缸(304)。
6.根据权利要求5所述的木材刨削装置,其特征在于:所述限位座(302)呈“C”型,所述夹持气缸(304)关于限位座(302)的水平中心线对称分布。
CN202122378859.4U 2021-09-29 2021-09-29 木材刨削装置 Expired - Fee Related CN215969202U (zh)

Priority Applications (1)

Application Number Priority Date Filing Date Title
CN202122378859.4U CN215969202U (zh) 2021-09-29 2021-09-29 木材刨削装置

Applications Claiming Priority (1)

Application Number Priority Date Filing Date Title
CN202122378859.4U CN215969202U (zh) 2021-09-29 2021-09-29 木材刨削装置

Publications (1)

Publication Number Publication Date
CN215969202U true CN215969202U (zh) 2022-03-08

Family

ID=80569847

Family Applications (1)

Application Number Title Priority Date Filing Date
CN202122378859.4U Expired - Fee Related CN215969202U (zh) 2021-09-29 2021-09-29 木材刨削装置

Country Status (1)

Country Link
CN (1) CN215969202U (zh)

Cited By (1)

* Cited by examiner, † Cited by third party
Publication number Priority date Publication date Assignee Title
CN118596262A (zh) * 2024-08-08 2024-09-06 江苏高昕建筑系统有限公司 一种新型建材制造用刨削装置

Cited By (1)

* Cited by examiner, † Cited by third party
Publication number Priority date Publication date Assignee Title
CN118596262A (zh) * 2024-08-08 2024-09-06 江苏高昕建筑系统有限公司 一种新型建材制造用刨削装置

Similar Documents

Publication Publication Date Title
CN109591121B (zh) 一种杨树木加工用段切抛光一体化设备
CN215969202U (zh) 木材刨削装置
CN217942823U (zh) 一种楔形线夹刮披锋装置
CN210821579U (zh) 一种能防止碎屑飞溅的雕刻机
CN115846864A (zh) 一种3d激光加工机
CN111730370A (zh) 一种具有夹持防护功能的电控夹具
CN210368419U (zh) 一种沙发面料生产用高效平板切割装置
CN220613331U (zh) 一种倒角压边设备
CN109500603A (zh) 一种铝型材端面加工用铣床
CN213107312U (zh) 一种建筑土木工程用切割装置
CN211278794U (zh) 一种实木板裁边机
CN220052157U (zh) 一种实木家具开槽装置
CN209150960U (zh) 高精密新能源汽车电机端盖固定夹具
CN114523521A (zh) 一种土木建筑用木板打孔装置及其使用方法
CN219583095U (zh) 一种建筑板材切割装置
CN219853150U (zh) 一种变压器骨架去披锋装置
CN222038870U (zh) 一种木工板材机械切割角度自动调整装置
CN220972068U (zh) 一种板材加工工作台
CN220407245U (zh) 一种方便移动的建筑工程用切割机
CN220903591U (zh) 一种具备碎屑清理收集功能的压刨设备
CN221160647U (zh) 一种装修板材切割机
CN218398558U (zh) 一种家具木材加工用切割装置
CN218365739U (zh) 一种用于石材雕刻的雕刻装置
CN223576853U (zh) 一种档案修裱装置
CN214212343U (zh) 一种塔吊标准节钢板加工铣床

Legal Events

Date Code Title Description
GR01 Patent grant
GR01 Patent grant
PE01 Entry into force of the registration of the contract for pledge of patent right
PE01 Entry into force of the registration of the contract for pledge of patent right

Denomination of utility model: Wood planing device

Effective date of registration: 20221228

Granted publication date: 20220308

Pledgee: China Co. truction Bank Corp Boluo branch

Pledgor: BOLUO COUNTY LUOFUSHAN FOREST FARM ZHENJI WOODWARE CO.,LTD.

Registration number: Y2022980029403

CF01 Termination of patent right due to non-payment of annual fee
CF01 Termination of patent right due to non-payment of annual fee

Granted publication date: 20220308