CN215858742U - 一种用于金属板材墙面的包角件及其生产设备 - Google Patents
一种用于金属板材墙面的包角件及其生产设备 Download PDFInfo
- Publication number
- CN215858742U CN215858742U CN202122412590.7U CN202122412590U CN215858742U CN 215858742 U CN215858742 U CN 215858742U CN 202122412590 U CN202122412590 U CN 202122412590U CN 215858742 U CN215858742 U CN 215858742U
- Authority
- CN
- China
- Prior art keywords
- arc
- connecting portion
- pinch roller
- connecting part
- cornerite
- Prior art date
- Legal status (The legal status is an assumption and is not a legal conclusion. Google has not performed a legal analysis and makes no representation as to the accuracy of the status listed.)
- Active
Links
- 238000004519 manufacturing process Methods 0.000 title claims abstract description 27
- 239000002184 metal Substances 0.000 title claims abstract description 10
- 238000001125 extrusion Methods 0.000 claims abstract description 20
- 238000005096 rolling process Methods 0.000 claims description 21
- 238000003825 pressing Methods 0.000 claims description 17
- 230000006978 adaptation Effects 0.000 claims description 5
- JEIPFZHSYJVQDO-UHFFFAOYSA-N iron(III) oxide Inorganic materials O=[Fe]O[Fe]=O JEIPFZHSYJVQDO-UHFFFAOYSA-N 0.000 abstract description 4
- 238000000034 method Methods 0.000 abstract description 4
- 230000008595 infiltration Effects 0.000 abstract description 2
- 238000001764 infiltration Methods 0.000 abstract description 2
- 238000010422 painting Methods 0.000 description 6
- 238000005452 bending Methods 0.000 description 4
- 230000000087 stabilizing effect Effects 0.000 description 4
- 230000006835 compression Effects 0.000 description 3
- 238000007906 compression Methods 0.000 description 3
- 238000009434 installation Methods 0.000 description 3
- 238000012986 modification Methods 0.000 description 3
- 230000004048 modification Effects 0.000 description 3
- 238000010586 diagram Methods 0.000 description 2
- 239000000463 material Substances 0.000 description 2
- 238000007493 shaping process Methods 0.000 description 2
- 230000009286 beneficial effect Effects 0.000 description 1
- 238000005336 cracking Methods 0.000 description 1
- 239000003973 paint Substances 0.000 description 1
- XLYOFNOQVPJJNP-UHFFFAOYSA-N water Substances O XLYOFNOQVPJJNP-UHFFFAOYSA-N 0.000 description 1
Images
Landscapes
- Extrusion Moulding Of Plastics Or The Like (AREA)
Abstract
本实用新型提供一种用于金属板材墙面的包角件及其生产设备,包括包角件本体,包角件本体包括第一弧形连接部,第一弧形连接部的两侧均依次连接有第一垂直连接部、第二弧形连接部、第三弧形连接部和第二垂直连接部,位于同一侧的第一垂直连接部和第二垂直连接部相互平行,两个第一垂直连接部相互垂直,且第一弧形连接部的两端分别与两个第一垂直连接部的端部相切,还包括用于对包角件本体的第一弧形连接部进行加工的第一辊压组件以及对第二弧形连接部和第三弧形连接部进行加工的第二辊压组件,解决包角件易生锈、易渗水、及制造包角件的生产设备制造程序复杂的问题。
Description
技术领域
本实用新型涉及建筑围护用的包角件,具体涉及一种用于金属板材墙面的包角件及其生产设备。
背景技术
现有的墙角包角件为折弯机折弯成型,所有的角都为直角,加工最大长度为 6米,安装难度高,耗时长。折弯机折弯成型会影响表面油漆开裂,具有一定的安全隐患。运用在房屋上搭接较多,会产生生锈、渗水等问题,且后期难以对包角件进行维护,用于制造包角件的折弯机并不能对包角件上的圆弧部进行加工,还需对包角件进行弯折后再次加工圆弧部。
实用新型内容
本实用新型的目的在于提供一种用于金属板材墙面的包角件及其生产设备,解决包角件易生锈、易渗水、及制造包角件的生产设备制造程序复杂的问题。
为解决上述的技术问题,本实用新型采用以下技术方案:
一种用于金属板材墙面的包角件,其特征在于:包括包角件本体,所述包角件本体包括第一弧形连接部,所述第一弧形连接部的两侧均依次连接有第一垂直连接部、第二弧形连接部、第三弧形连接部和第二垂直连接部,位于同一侧的第一垂直连接部和第二垂直连接部相互平行,两个第一垂直连接部相互垂直,且所述第一弧形连接部的两端分别与两个第一垂直连接部的端部相切,位于一侧的第三弧形连接部朝向位于另一侧的第一垂直连接部的方向弯曲,所述第二弧形连接部和第三弧形连接部的弯曲方向相反。
进一步的技术方案是,所述第一弧形连接部、第一垂直连接部、第二弧形连接部、第三弧形连接部和第二垂直连接部一体成型。
一种用于制造包角件的生产设备,包括用于对包角件本体的第一弧形连接部进行加工的第一辊压组件以及对第二弧形连接部和第三弧形连接部进行加工的第二辊压组件。
更进一步的技术方案是,所述第一辊压组件通过驱动装置驱动转动,所述第一辊压组件包括呈上下设置的第一包角压轮和第二包角压轮,所述第一包角压轮和第二包角压轮上分别设有第一转轴和第二转轴,所述驱动装置包括第一电机和第二电机,所述第一电机和第二电机分别用于驱动第一转轴和第二转轴进行旋转,第一包角压轮和第二包角压轮之间设有用于包角件本体通过的间隙。
更进一步的技术方案是,所述第一包角压轮的中部设有向外凸出的呈弧形的第一挤压部,所述第二包角压轮的中部设有向内凹陷且与第一挤压部相适配的第一受压部。
更进一步的技术方案是,所述第一辊压组件和第二辊压组件均设置于一机体上,所述机体的一侧设有安装架,所述第二辊压组件设有两个,且分别设置在安装架的左右两端,所述第二辊压组件包括第三包角压轮和第四包角压轮,两个所述第三包角压轮转动设置在安装架上,所述安装架上设有支撑架,所述支撑架上竖向设有两个连接柱,两个所述第四包角压轮分别转动的设置在两个连接柱的下端,相邻的所述第三包角压轮和第四包角压轮之间设有用于包角件本体通过的间隙,且所述两个第四包角压轮设置在两个第三包角压轮之间。
更进一步的技术方案是,所述第三包角压轮的外侧设有凸出的第二挤压部,所述第四包角压轮的外侧设有内凹且与第二挤压部相适配的第二受压部。
更进一步的技术方案是,所述支撑架上设有用于计量包角件本体长度的长度传感器。
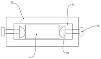
更进一步的技术方案是,所述机体的另一侧设有稳固架,所述稳固架的中部设有用于包角件本体通过的通道,所述稳固架的左右两侧均设有与通道相连通的螺纹孔,所述稳固架的左右两端均设有调节螺栓,所述调节螺栓的螺杆螺纹穿过螺纹孔并与设置在通道内的挤压头连接。
与现有技术相比,本实用新型的有益效果是:
包角件本体包括依次相连的第一弧形连接部、第一垂直连接部、第二弧形连接部、第三弧形连接部和第二垂直连接部,使各个部分的连接处均为圆弧状,利于在包角件本体上涂抹的涂漆不易开裂,有效的避免了因为直角的包角件本体涂漆在弯折的过程中导致涂漆破裂,使雨水与包角件本体接触,导致包角件本体生锈,在机体内设有第一辊压组件,在机体的一侧设有第二辊压组件,第一辊压组件和第二辊压组件对包角件本体进行加工,使包角件本体一次加工成型,不需要再次对包角件本体进行加工,而且整个加工设备结构简单,便于携带,且能根据实际需求选择包角件本体的长度,减少材料损耗,降低实施难度,加速安装进度。
附图说明
图1为本实用新型一种用于金属板材墙面的包角件及其生产设备中的包角件本体结构示意图。
图2为本实用新型中机体结构示意图。
图3为本实用新型中第一包角压轮和第二包角压轮连接示意图。
图4为本实用新型中第三包角压轮和第四包角压轮连接示意图。
图5为本实用新型中包角件本体的使用状态图。
图6为本实用新型中稳固架结构示意图。
图标:1-包角件本体,2-第一弧形连接部,3-第一垂直连接部,4-第二弧形连接部,5-第三弧形连接部,6-第二垂直连接部,7-机体,8-第一包角压轮,9-第二包角压轮,10-第一转轴,11-第二转轴,12-第一电机,13-第二电机,14-第一挤压部,15-第一受压部,16-安装架,17-第三包角压轮,18-第四包角压轮,19-支撑架,20-连接柱,21-第二挤压部,22-第二受压部,23-稳固架,24-通道,25-调节螺栓,26-挤压头。
具体实施方式
为了使本实用新型的目的、技术方案及优点更加清楚明白,以下结合附图及实施例,对本实用新型进行进一步详细说明。应当理解,此处所描述的具体实施例仅仅用以解释本实用新型,并不用于限定本实用新型。
实施例:
图1-6示出了本实用新型一种用于金属板材墙面的包角件的一个较佳实施方式,本实施例中的包角件具体包括包角件本体1,所述包角件本体1包括第一弧形连接部2,所述第一弧形连接部2的两侧均依次连接有第一垂直连接部3、第二弧形连接部4、第三弧形连接部5和第二垂直连接部6,位于同一侧的第一垂直连接部3和第二垂直连接部6相互平行,两个第一垂直连接部3相互垂直,且所述第一弧形连接部2的两端分别与两个第一垂直连接部3的端部相切,位于一侧的第三弧形连接部5朝向位于另一侧的第一垂直连接部3的方向弯曲,所述第二弧形连接部4和第三弧形连接部5的弯曲方向相反。
本实用新型的工作原理是:包角件本体1包括依次相连的第一弧形连接部2、第一垂直连接部3、第二弧形连接部4、第三弧形连接部5和第二垂直连接部6,使各个部分的连接处均为圆弧状,利于在包角件本体1上涂抹的涂漆不易开裂,有效的避免了因为直角的包角件本体1涂漆在弯折的过程中导致涂漆破裂,使雨水与包角件本体1接触,导致包角件本体1生锈,在机体7内设有第一辊压组件,在机体7的一侧设有第二辊压组件,第一辊压组件和第二辊压组件对包角件本体1进行加工,使包角件本体1一次加工成型,不需要再次对包角件本体1进行加工,而且整个加工设备结构简单,便于携带,且能根据实际需求选择包角件本体1的长度,减少材料损耗,降低实施难度,加速安装进度。
更进一步的技术方案是:所述第一弧形连接部2、第一垂直连接部3、第二弧形连接部4、第三弧形连接部5和第二垂直连接部6一体成型。
一种用于制造包角件的生产设备,包括用于对包角件本体1的第一弧形连接部2进行加工的第一辊压组件以及对第二弧形连接部4和第三弧形连接部5进行加工的第二辊压组件,第一辊压组件和第二辊压组件均用于对包角件本体1进行加工,驱动装置用于驱动第一辊压组件进行转动。
更进一步的技术方案是:所述第一辊压组件通过驱动装置驱动转动,所述第一辊压组件包括呈上下设置的第一包角压轮8和第二包角压轮9,所述第一包角压轮8和第二包角压轮9上分别设有第一转轴10和第二转轴11,所述驱动装置包括第一电机12和第二电机13,所述第一电机12和第二电机13分别用于驱动第一转轴10和第二转轴11进行旋转,第一包角压轮8和第二包角压轮9之间设有用于包角件本体1通过的间隙,第一电机12和第二电机13分别带动第一转轴10和第二转轴11进行旋转,使第一包角压轮8和第二包角压轮9进行转动,将加工前的包角件本体1放置在第一包角压轮8和第二包角压轮9之间的间隙内,第一包角压轮8的中部设有凸出呈弧形的第一挤压部14,第二包角压轮9的中部设有内凹且与第一挤压部14相适配的第一受压部15,使包角件本体1经过第一辊压组件后的第一弧形连接部2成型。
更进一步的技术方案是:所述第一辊压组件和第二辊压组件均设置于一机体7上,所述机体7的一侧设有安装架16,所述第二辊压组件设有两个,且分别设置在安装架16的左右两端,所述第二辊压组件包括第三包角压轮17和第四包角压轮18,两个所述第三包角压轮17转动设置在安装架16上,所述安装架16上设有支撑架19,所述支撑架19上竖向设有两个连接柱20,两个所述第四包角压轮18分别转动的设置在两个连接柱20的下端,相邻的所述第三包角压轮17和第四包角压轮18之间设有用于包角件本体1通过的间隙,且所述两个第四包角压轮18设置在两个第三包角压轮17之间,第三包角压轮17的外侧设有凸出呈弧形的第二挤压部21,所述第四包角压轮18的外侧设有内凹且与第二挤压部21相适配的第二受压部22,所述第二受压部22呈s型,在经过第一辊压组件后,第二辊压组件的第二挤压部21和第二受压部22相适配,第二受压部22呈S型,使经过第一辊压组件的包角件本体1经过第三包角压轮17和第四包角压轮18后,第二弧形连接部4和第三弧形连接部5成型。
更进一步的技术方案是:支撑架19上设有用于计量包角件本体1长度的长度传感器,便于计量包角件本体1的加工长度。
更进一步的技术方案是:所述机体7的另一侧设有稳固架23,所述稳固架23的中部设有用于包角件本体1通过的通道24,所述稳固架23的左右两侧均设有与通道24相连通的螺纹孔,所述稳固架23的左右两端均设有调节螺栓25,所述调节螺栓25的螺杆螺纹穿过螺纹孔并与设置在通道24内的挤压头26连接,调节螺栓25便于调节不同宽度的包角件本体1,使包角件本体1的中部经过第一辊压组件,同时,稳固架23的中部设有用于包角件本体1通过的通道24,避免包角件本体1在加工时,包角件本体1的另一端在机体7的一侧翘起。
尽管这里参照本实用新型的多个解释性实施例对本实用新型进行了描述,但是,应该理解,本领域技术人员可以设计出很多其他的修改和实施方式,这些修改和实施方式将落在本申请公开的原则范围和精神之内。更具体地说,在本申请公开、附图和权利要求的范围内,可以对主题组合布局的组成部件和/或布局进行多种变型和改进。除了对组成部件和/或布局进行的变形和改进外,对于本领域技术人员来说,其他的用途也将是明显的。
Claims (9)
1.一种用于金属板材墙面的包角件,其特征在于:包括包角件本体(1),所述包角件本体(1)包括第一弧形连接部(2),所述第一弧形连接部(2)的两侧均依次连接有第一垂直连接部(3)、第二弧形连接部(4)、第三弧形连接部(5)和第二垂直连接部(6),位于同一侧的第一垂直连接部(3)和第二垂直连接部(6)相互平行,两个第一垂直连接部(3)相互垂直,且所述第一弧形连接部(2)的两端分别与两个第一垂直连接部(3)的端部相切,位于一侧的第三弧形连接部(5)朝向位于另一侧的第一垂直连接部(3)的方向弯曲,所述第二弧形连接部(4)和第三弧形连接部(5)的弯曲方向相反。
2.根据权利要求1所述的一种用于金属板材墙面的包角件,其特征在于:所述第一弧形连接部(2)、第一垂直连接部(3)、第二弧形连接部(4)、第三弧形连接部(5)和第二垂直连接部(6)一体成型。
3.一种用于制造权利要求1或2所述的包角件的生产设备,其特征在于:包括用于对包角件本体(1)的第一弧形连接部(2)进行加工的第一辊压组件以及对第二弧形连接部(4)和第三弧形连接部(5)进行加工的第二辊压组件。
4.根据权利要求3所述的一种用于制造包角件的生产设备,其特征在于:所述第一辊压组件通过驱动装置驱动转动,所述第一辊压组件包括呈上下设置的第一包角压轮(8)和第二包角压轮(9),所述第一包角压轮(8)和第二包角压轮(9)上分别设有第一转轴(10)和第二转轴(11),所述驱动装置包括第一电机(12)和第二电机(13),所述第一电机(12)和第二电机(13)分别用于驱动第一转轴(10)和第二转轴(11)进行旋转,第一包角压轮(8)和第二包角压轮(9)之间设有用于包角件本体(1)通过的间隙。
5.根据权利要求4所述的一种用于制造包角件的生产设备,其特征在于:所述第一包角压轮(8)的中部设有向外凸出的呈弧形的第一挤压部(14),所述第二包角压轮(9)的中部设有向内凹陷且与第一挤压部(14)相适配的第一受压部(15)。
6.根据权利要求3所述的一种用于制造包角件的生产设备,其特征在于:所述第一辊压组件和第二辊压组件均设置于一机体(7)上,所述机体(7)的一侧设有安装架(16),所述第二辊压组件设有两个,且分别设置在安装架(16)的左右两端,所述第二辊压组件包括第三包角压轮(17)和第四包角压轮(18),两个所述第三包角压轮(17)转动设置在安装架(16)上,所述安装架(16)上设有支撑架(19),所述支撑架(19)上竖向设有两个连接柱(20),两个所述第四包角压轮(18)分别转动的设置在两个连接柱(20)的下端,相邻的所述第三包角压轮(17)和第四包角压轮(18)之间设有用于包角件本体(1)通过的间隙,且所述两个第四包角压轮(18)设置在两个第三包角压轮(17)之间。
7.根据权利要求6所述的一种用于制造包角件的生产设备,其特征在于:所述第三包角压轮(17)的外侧设有凸出呈弧形的第二挤压部(21),所述第四包角压轮(18)的外侧设有内凹且与第二挤压部(21)相适配的第二受压部(22),所述第二受压部(22)呈s型。
8.根据权利要求6所述的一种用于制造包角件的生产设备,其特征在于:所述支撑架(19)上设有用于计量包角件本体(1)长度的长度传感器。
9.根据权利要求6所述的一种用于制造包角件的生产设备,其特征在于:所述机体(7)的另一侧设有稳固架(23),所述稳固架(23)的中部设有用于包角件本体(1)通过的通道(24),所述稳固架(23)的左右两侧均设有与通道(24)相连通的螺纹孔,所述稳固架(23)的左右两端均设有调节螺栓(25),所述调节螺栓(25)的螺杆螺纹穿过螺纹孔并与设置在通道(24)内的挤压头(26)连接。
Priority Applications (1)
| Application Number | Priority Date | Filing Date | Title |
|---|---|---|---|
| CN202122412590.7U CN215858742U (zh) | 2021-10-08 | 2021-10-08 | 一种用于金属板材墙面的包角件及其生产设备 |
Applications Claiming Priority (1)
| Application Number | Priority Date | Filing Date | Title |
|---|---|---|---|
| CN202122412590.7U CN215858742U (zh) | 2021-10-08 | 2021-10-08 | 一种用于金属板材墙面的包角件及其生产设备 |
Publications (1)
| Publication Number | Publication Date |
|---|---|
| CN215858742U true CN215858742U (zh) | 2022-02-18 |
Family
ID=80260427
Family Applications (1)
| Application Number | Title | Priority Date | Filing Date |
|---|---|---|---|
| CN202122412590.7U Active CN215858742U (zh) | 2021-10-08 | 2021-10-08 | 一种用于金属板材墙面的包角件及其生产设备 |
Country Status (1)
| Country | Link |
|---|---|
| CN (1) | CN215858742U (zh) |
-
2021
- 2021-10-08 CN CN202122412590.7U patent/CN215858742U/zh active Active
Similar Documents
| Publication | Publication Date | Title |
|---|---|---|
| CN113649436B (zh) | 一种金属棒材材料矫直加工机械 | |
| CN202779551U (zh) | 拉线弯头制作器 | |
| CN110722027B (zh) | 一种钢结构型材加工弯圆机械及加工弯圆方法 | |
| CN104985036A (zh) | 钢丝网折弯机 | |
| CN215858742U (zh) | 一种用于金属板材墙面的包角件及其生产设备 | |
| CN205471962U (zh) | 一种电线放线装置 | |
| CN210547252U (zh) | 一种电动撑杆滚槽设备 | |
| CN102328005A (zh) | 丝卷校直、定长送丝装置及其校直、定长送丝方法 | |
| CN210907850U (zh) | 一种钢筋调直设备 | |
| CN212329313U (zh) | 一种用于螺栓胚料的校正装置 | |
| CN219188239U (zh) | 一种卷板机 | |
| CN221046996U (zh) | 一种新型铝板加工用折弯机 | |
| CN215785749U (zh) | 一种应用于钢丝拉丝生产线的钢丝矫直机构 | |
| CN214720131U (zh) | 一种用于环保设备生产的铁丝拉直装置 | |
| CN204953611U (zh) | 钢丝网折弯机 | |
| CN223011602U (zh) | 一种收口线条折弯工装 | |
| CN218982777U (zh) | 一种金属门生产用折弯机 | |
| CN213826784U (zh) | 一种方便更换矫直辊的金属线材加工用矫直装置 | |
| CN111760941A (zh) | 一种用于成形定向导向的滚弯成形机 | |
| CN219357453U (zh) | 一种用于钣金加工的钣金件压平装置 | |
| CN222159395U (zh) | 可监测压力大小的转角导向结构 | |
| CN221602874U (zh) | 一种铝型材用矫直器 | |
| CN219253775U (zh) | 一种具有矫正机构的折弯机 | |
| CN114368646A (zh) | 一种钢纤维生产用具有稳定导向结构的放线装置 | |
| CN211027656U (zh) | 螺旋波纹钢管成套设备中的压形机 |
Legal Events
| Date | Code | Title | Description |
|---|---|---|---|
| GR01 | Patent grant | ||
| GR01 | Patent grant | ||
| CB03 | Change of inventor or designer information |
Inventor after: Lei Lei Inventor before: He Dongdong Inventor before: Zhu Zhaogang Inventor before: Lei Lei |
|
| CB03 | Change of inventor or designer information |