CN215750764U - 一种生态复合木皮生产装置 - Google Patents
一种生态复合木皮生产装置 Download PDFInfo
- Publication number
- CN215750764U CN215750764U CN202122079256.4U CN202122079256U CN215750764U CN 215750764 U CN215750764 U CN 215750764U CN 202122079256 U CN202122079256 U CN 202122079256U CN 215750764 U CN215750764 U CN 215750764U
- Authority
- CN
- China
- Prior art keywords
- wall
- composite veneer
- ring
- production device
- clamping
- Prior art date
- Legal status (The legal status is an assumption and is not a legal conclusion. Google has not performed a legal analysis and makes no representation as to the accuracy of the status listed.)
- Active
Links
- 239000002131 composite material Substances 0.000 title claims abstract description 51
- 238000004806 packaging method and process Methods 0.000 claims abstract description 30
- 238000006073 displacement reaction Methods 0.000 claims abstract description 26
- 238000004519 manufacturing process Methods 0.000 claims abstract description 26
- 230000001681 protective effect Effects 0.000 claims abstract description 16
- 150000001875 compounds Chemical class 0.000 claims description 18
- 238000012856 packing Methods 0.000 claims description 13
- 230000000694 effects Effects 0.000 claims description 5
- 239000007787 solid Substances 0.000 claims description 4
- 238000004804 winding Methods 0.000 claims description 2
- 125000003003 spiro group Chemical group 0.000 claims 1
- 239000002023 wood Substances 0.000 description 4
- 238000005034 decoration Methods 0.000 description 3
- 239000000463 material Substances 0.000 description 2
- 230000009286 beneficial effect Effects 0.000 description 1
- 239000003795 chemical substances by application Substances 0.000 description 1
- 238000013329 compounding Methods 0.000 description 1
- 238000011109 contamination Methods 0.000 description 1
- 230000008094 contradictory effect Effects 0.000 description 1
- 238000005260 corrosion Methods 0.000 description 1
- 230000007797 corrosion Effects 0.000 description 1
- 230000008878 coupling Effects 0.000 description 1
- 238000010168 coupling process Methods 0.000 description 1
- 238000005859 coupling reaction Methods 0.000 description 1
- 238000005516 engineering process Methods 0.000 description 1
- 238000012986 modification Methods 0.000 description 1
- 230000004048 modification Effects 0.000 description 1
- 239000004745 nonwoven fabric Substances 0.000 description 1
- 230000000149 penetrating effect Effects 0.000 description 1
- 239000002699 waste material Substances 0.000 description 1
Images
Landscapes
- Basic Packing Technique (AREA)
Abstract
本实用新型属于复合木皮加工技术领域,尤其涉及一种生态复合木皮生产装置,包括支撑位移组件,所述支撑位移组件的侧壁底端安装有基座,且基座的顶端设置有夹持组件,所述夹持组件内可拆卸设置有复合木皮本体,该种生态复合木皮生产装置仅需将复合木皮从包装通道内塞入至夹持组件进行固定,分别启动第一电机与第二电机可是使得支撑位移组件带动包装环对复合木皮进行保护膜包裹,减少人员参与,以提高生态复合木皮的生产效率,而该夹持组件在对复合木皮进行夹持时,无需拆装各个紧固螺栓,仅需将复合木皮塞入至夹持环的中心,各夹持块将在弹簧的作用下,相互配合,完成对复合木皮的夹持工作,以进一步提高生态复合木皮的生产效率。
Description
技术领域
本实用新型属于复合木皮加工技术领域,尤其涉及一种生态复合木皮生产装置。
背景技术
木皮及其贴面装饰业起步于上世纪50年代,经半个世纪的发展,已具备了相当的规模。特别是近二十年来,随着我国家具制造业及装饰装修行业的跳跃式增长,其发展更是突飞猛进,涌现了大量的业界行家。随着技术的发展产生了更具有使用效果的复合木皮,所谓复合木皮就是在木皮的基础上复合了其他材料构成层状的装饰材料,使其具有间距木皮和所复合材料性质的装饰品。
复合木皮制造一般采用制作好的薄木皮通过涂上粘贴剂后与其他复合层进行黏贴(比如无纺布层、板层灯),粘贴后的复合木皮需要包裹保护膜以防止复合木皮外部受到擦伤,一旦复合木皮受到擦伤,将严重影响其美观性。
而现有复合木皮的包装通常是利用人工使用保护膜包裹复合木皮,该方式不仅造成人力资源成本的浪费,还使得操作人员劳动强度较高,并导致复合木皮的生产效率较为低下。
实用新型内容
基于上述背景,本实用新型的目的是提供一种生态复合木皮生产装置,该装置仅需将复合木皮从包装通道内塞入至夹持组件进行固定,分别启动第一电机与第二电机可是使得支撑位移组件带动包装环对复合木皮进行保护膜包裹,减少人员参与,以提高生态复合木皮的生产效率。
为实现以上目的,本实用新型采用以下的技术方案:
一种生态复合木皮生产装置,包括支撑位移组件,所述支撑位移组件的侧壁底端安装有基座,且基座的顶端设置有夹持组件,所述夹持组件内可拆卸设置有复合木皮本体,且复合木皮本体的外壁活动设置有包装组件,所述包装组件的一端与支撑位移组件连接,所述包装组件包括有固定环,且固定环的底端转动设置有包装环,所述包装环底端转动设置有成卷包装套,且成卷包装套的外壁缠绕有保护膜,所述保护膜的一端与复合木皮本体连接。
作为本实用新型的一种优选技术方案,所述固定环贯穿包装环开设有包装通道,且固定环的内腔设置有第一电机,所述第一电机的输出端延伸至固定环的外壁设置有输出齿轮。
作为本实用新型的一种优选技术方案,所述包装环的外壁开设有锯齿槽,且锯齿槽与输出齿轮啮合连接。
作为本实用新型的一种优选技术方案,所述支撑位移组件包括有支撑架,且支撑架的内腔转动设置有螺纹杆,所述支撑架的顶端设置有第二电机,且第二电机的输出端延伸至支撑架的内腔与螺纹杆的一端连接。
作为本实用新型的一种优选技术方案,所述支撑架的侧壁开口处设置有滑槽,且滑槽的内壁滑动设置有连接块,所述螺纹杆的外壁活动设置活动套,且活动套的外壁与连接块螺接。
作为本实用新型的一种优选技术方案,所述活动套的内腔一体成型有与螺纹杆外壁螺纹相适配的内螺纹槽。
作为本实用新型的一种优选技术方案,所述夹持组件包括有夹持环,且夹持环的外壁开设有凹槽,所述凹槽的内壁设置有弹簧。
作为本实用新型的一种优选技术方案,所述夹持环的外壁贯穿开设有固定通道,且固定通道的内壁滑动设置有滑块,所述滑块的一端延伸至夹持环的内壁设置有夹持块,且滑块的另一端开设有弹簧槽。
作为本实用新型的一种优选技术方案,所述弹簧的结构为环状弹簧。
作为本实用新型的一种优选技术方案,所述保护膜为PE保护膜。
本实用新型具有以下有益效果:
(1)该种生态复合木皮生产装置仅需将复合木皮从包装通道内塞入至夹持组件进行固定,分别启动第一电机与第二电机可是使得支撑位移组件带动包装环对复合木皮进行保护膜包裹,减少人员参与,以提高生态复合木皮的生产效率。
(2)该夹持组件在对复合木皮进行夹持时,无需拆装各个紧固螺栓,仅需将复合木皮塞入至夹持环的中心,各夹持块将在弹簧的作用下,相互配合,完成对复合木皮的夹持工作,以进一步提高生态复合木皮的生产效率。
(3)该种生态复合木皮生产装置的支撑位移组件、夹持组件和包装组件等依序衔接,结构简单、投资成本低,通过各组件的系列配合,使得该装置可为多种不同尺寸的复合木皮本体进行包装作业,有效解决现有技术中存在的问题,适宜广泛推广使用。
附图说明
为了更清楚地说明本实用新型实施例或现有技术中的技术方案,下面将对实施例或现有技术描述中所需要使用的附图作简单地介绍,显而易见地,下面描述中的附图仅仅是本实用新型的一些实施例,对于本领域普通技术人员来讲,在不付出创造性劳动的前提下,还可以根据这些附图示出的结构获得其它的附图。
图1为本实用新型结构示意图;
图2为本实用新型包装组件结构底视示意图;
图3为本实用新型支撑位移组件结构侧视示意图;
图4为本实用新型活动套结构示意图;
图5为本实用新型夹持组件结构正视示意图;
图6为本实用新型夹持组件结构顶视示意图;
图7为本实用新型滑块结构示意图。
附图标号说明:
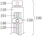
100、支撑位移组件;101、滑槽;110、支撑架;120、螺纹杆;130、第二电机;140、活动套;141、内螺纹槽;150、连接块;200、基座;210、夹持组件;220、夹持环;221、凹槽;222、固定通道;230、弹簧;240、滑块;241、弹簧槽;250、夹持块;300、包装组件;310、固定环;320、包装环;321、包装通道;330、成卷包装套;331、保护膜;340、输出齿轮;400、复合木皮本体。
本实用新型目的的实现、功能特点及优点将结合实施例,参照附图做进一步说明。
具体实施方式
下面将结合本实用新型实施例中的附图,对本实用新型实施例中的技术方案进行清楚、完整地描述,显然,所描述的实施例仅仅是本实用新型的一部分实施例,而不是全部的实施例。基于本实用新型中的实施例,本领域普通技术人员在没有作出创造性劳动前提下所获得的所有其他实施例,都属于本实用新型保护的范围。
需要说明,本实用新型实施例中所有方向性指示(诸如上、下、左、右、前、后……)仅用于解释在某一特定姿态(如附图所示)下各部件之间的相对位置关系、运动情况等,如果该特定姿态发生改变时,则该方向性指示也相应地随之改变。
另外,在本实用新型中如涉及“第一”、“第二”等的描述仅用于描述目的,而不能理解为指示或暗示其相对重要性或者隐含指明所指示的技术特征的数量。由此,限定有“第一”、“第二”的特征可以明示或者隐含地包括至少一个该特征。另外,各个实施例之间的技术方案可以相互结合,但是必须是以本领域普通技术人员能够实现为基础,当技术方案的结合出现相互矛盾或无法实现时应当认为这种技术方案的结合不存在,也不在本实用新型要求的保护范围之内。
实施例一
参见图1-7,本实用新型包括支撑位移组件100,支撑位移组件100的侧壁底端安装有基座200,且基座200的顶端设置有夹持组件210,夹持组件210内可拆卸设置有复合木皮本体400,且复合木皮本体400的外壁活动设置有包装组件300,包装组件300的一端与支撑位移组件100连接,包装组件300包括有固定环310,且固定环310的底端转动设置有包装环320,包装环320底端转动设置有成卷包装套330,且成卷包装套330的外壁缠绕有保护膜331,保护膜331的一端与复合木皮本体400连接;
固定环310贯穿包装环320开设有包装通道321,且固定环310的内腔设置有第一电机,第一电机的输出端延伸至固定环310的外壁设置有输出齿轮340;
包装环320的外壁开设有锯齿槽,且锯齿槽与输出齿轮340啮合连接;
保护膜331为PE保护膜;
当需要对复合木皮本体400的外壁包裹保护膜331时,将复合木皮本体100插入至夹持组件210内,启动第一电机,通过锯齿槽与输出齿轮340的啮合,使得第一电机带动包装环320运动,而复合木皮本体100位于包装通道321内,包装环320将带动成卷包装套330在旋转的同时,还受到支撑位移组件100的牵引,进行垂直方向上的位移,配合成卷包装套330的自转,以实现对复合木皮本体400的外壁进行包裹;
其中,PE保护膜331可保护的产品在生产加工,运输,贮存和使用过程中不受污染,腐蚀,划伤,保护原有的光洁亮泽的表面,提高产品生产效率。
实施例二
在实施例一的基础上,支撑位移组件100包括有支撑架110,且支撑架110的内腔转动设置有螺纹杆120,支撑架110的顶端设置有第二电机130,且第二电机130的输出端延伸至支撑架110的内腔与螺纹杆120的一端连接;
支撑架110的侧壁开口处设置有滑槽101,且滑槽101的内壁滑动设置有连接块150,螺纹杆120的外壁活动设置活动套140,且活动套140的外壁与连接块150螺接;
活动套140的内腔一体成型有与螺纹杆120外壁螺纹相适配的内螺纹槽141;
当需要支撑位移组件100带动包装环320进行垂直方向上的位移时,启动第二电机130,第二电机130将带动螺纹杆120在支撑架110内进行自转,而螺纹杆120又将与活动套140在进行螺纹配合的同时,结合滑槽101与连接块150的滑动连接,使得连接块150带动包装环320进行垂直方向上的位移;
其中,通过螺纹杆120与活动套140的螺纹配合,使得包装环320位移精度高,控制第二电机130的输出功率并根据复合木皮本体400的体积特征即可减少保护膜331的浪费。
实施例三
在实施例一的基础上,夹持组件210包括有夹持环220,且夹持环220的外壁开设有凹槽221,凹槽221的内壁设置有弹簧230;
夹持环220的外壁贯穿开设有固定通道222,且固定通道222的内壁滑动设置有滑块240,滑块240的一端延伸至夹持环220的内壁设置有夹持块250,且滑块240的另一端开设有弹簧槽241;
弹簧230的结构为环状弹簧;
由于现有技术中针对复合木皮本体400的固定多采用定位螺栓进行的,但定位螺栓的反复拆装又将降低生产效率,而该种夹持组件210可通过环状弹簧241,给予滑块240一定作用力,滑块240的数量有四组,四组滑块240的另一端均设置有夹持块250,四组夹持块250可在相互配合来完成对复合木皮本体400的夹持工作;
其中,环状弹簧241虽为易损件,但其造价成本不高,可适用于该装置。
虽然在上文中已经参考实施方式对本实用新型进行了描述,然而在不脱离本实用新型的范围的情况下,可以对其进行各种改进并且可以用等效物替换其中的部件。尤其是,只要不存在结构冲突,本实用新型所披露的实施方式中的各项特征均可通过任意方式相互结合起来使用,在本说明书中未对这些组合的情况进行穷举性的描述仅仅是出于省略篇幅和节约资源的考虑。因此,本实用新型并不局限于文中公开的特定实施方式,而是包括落入权利要求的范围内的所有技术方案。
Claims (10)
1.一种生态复合木皮生产装置,包括支撑位移组件(100),其特征在于:所述支撑位移组件(100)的侧壁底端安装有基座(200),且基座(200)的顶端设置有夹持组件(210),所述夹持组件(210)内可拆卸设置有复合木皮本体(400),且复合木皮本体(400)的外壁活动设置有包装组件(300),所述包装组件(300)的一端与支撑位移组件(100)连接,所述包装组件(300)包括有固定环(310),且固定环(310)的底端转动设置有包装环(320),所述包装环(320)底端转动设置有成卷包装套(330),且成卷包装套(330)的外壁缠绕有保护膜(331),所述保护膜(331)的一端与复合木皮本体(400)连接。
2.根据权利要求1所述的一种生态复合木皮生产装置,其特征在于:所述固定环(310)贯穿包装环(320)开设有包装通道(321),且固定环(310)的内腔设置有第一电机,所述第一电机的输出端延伸至固定环(310)的外壁设置有输出齿轮(340)。
3.根据权利要求2所述的一种生态复合木皮生产装置,其特征在于:所述包装环(320)的外壁开设有锯齿槽,且锯齿槽与输出齿轮(340)啮合连接。
4.根据权利要求1所述的一种生态复合木皮生产装置,其特征在于:所述支撑位移组件(100)包括有支撑架(110),且支撑架(110)的内腔转动设置有螺纹杆(120),所述支撑架(110)的顶端设置有第二电机(130),且第二电机(130)的输出端延伸至支撑架(110)的内腔与螺纹杆(120)的一端连接。
5.根据权利要求4所述的一种生态复合木皮生产装置,其特征在于:所述支撑架(110)的侧壁开口处设置有滑槽(101),且滑槽(101)的内壁滑动设置有连接块(150),所述螺纹杆(120)的外壁活动设置活动套(140),且活动套(140)的外壁与连接块(150)螺接。
6.根据权利要求5所述的一种生态复合木皮生产装置,其特征在于:所述活动套(140)的内腔一体成型有与螺纹杆(120)外壁螺纹相适配的内螺纹槽(141)。
7.根据权利要求1所述的一种生态复合木皮生产装置,其特征在于:所述夹持组件(210)包括有夹持环(220),且夹持环(220)的外壁开设有凹槽(221),所述凹槽(221)的内壁设置有弹簧(230)。
8.根据权利要求7所述的一种生态复合木皮生产装置,其特征在于:所述夹持环(220)的外壁贯穿开设有固定通道(222),且固定通道(222)的内壁滑动设置有滑块(240),所述滑块(240)的一端延伸至夹持环(220)的内壁设置有夹持块(250),且滑块(240)的另一端开设有弹簧槽(241)。
9.根据权利要求7所述的一种生态复合木皮生产装置,其特征在于:所述弹簧(230)的结构为环状弹簧。
10.根据权利要求1所述的一种生态复合木皮生产装置,其特征在于:所述保护膜(331)为PE保护膜。
Priority Applications (1)
| Application Number | Priority Date | Filing Date | Title |
|---|---|---|---|
| CN202122079256.4U CN215750764U (zh) | 2021-08-31 | 2021-08-31 | 一种生态复合木皮生产装置 |
Applications Claiming Priority (1)
| Application Number | Priority Date | Filing Date | Title |
|---|---|---|---|
| CN202122079256.4U CN215750764U (zh) | 2021-08-31 | 2021-08-31 | 一种生态复合木皮生产装置 |
Publications (1)
| Publication Number | Publication Date |
|---|---|
| CN215750764U true CN215750764U (zh) | 2022-02-08 |
Family
ID=80082289
Family Applications (1)
| Application Number | Title | Priority Date | Filing Date |
|---|---|---|---|
| CN202122079256.4U Active CN215750764U (zh) | 2021-08-31 | 2021-08-31 | 一种生态复合木皮生产装置 |
Country Status (1)
| Country | Link |
|---|---|
| CN (1) | CN215750764U (zh) |
-
2021
- 2021-08-31 CN CN202122079256.4U patent/CN215750764U/zh active Active
Similar Documents
| Publication | Publication Date | Title |
|---|---|---|
| CN203428653U (zh) | 一种缠绕机自动夹紧膜座 | |
| CN215750764U (zh) | 一种生态复合木皮生产装置 | |
| CN113245125B (zh) | 一种胶头整齐牢固编织绳带的生产设备及其生产工艺 | |
| CN209552653U (zh) | 一种内贴纸装置 | |
| CN213950050U (zh) | 一种自降解卷材快速卷收装置 | |
| CN210821133U (zh) | 一种纸箱生产用压合装置 | |
| CN213201679U (zh) | 一种自动收卷机的打包机构 | |
| CN218144745U (zh) | 一种装潢壁纸加工用打包设备 | |
| CN205573241U (zh) | 一种复合分条机 | |
| CN216943662U (zh) | 一种用于玻璃纤维纱筒的包装的缠绕压膜装置 | |
| CN210418579U (zh) | 一种覆膜用离型膜收卷辊筒 | |
| CN211496411U (zh) | 包覆丝机进线张力调节装置 | |
| CN110615135B (zh) | 一种薇菜自动捆装装置 | |
| CN208869029U (zh) | 一种隔热垫生产用卷曲装置 | |
| CN212769147U (zh) | 一种珍珠棉卷起物料的存放架 | |
| CN221341220U (zh) | 一种纸箱打包拢箱机构 | |
| CN214779586U (zh) | 一种珍珠棉片材收卷装置 | |
| CN209853499U (zh) | 一种双折线绳槽卷筒 | |
| CN222922569U (zh) | 一种装饰纸打包装置 | |
| CN217376836U (zh) | 一种收线机的摆线器 | |
| CN221607406U (zh) | 柳编条盘卷装置 | |
| CN223253496U (zh) | 一种折叠滤芯包膜装置 | |
| CN220179076U (zh) | 一种机械电气设备制造用夹持装置 | |
| CN220128558U (zh) | 一种四工位模具夹台 | |
| CN219448733U (zh) | 一种缓冲材料生产用张力可调装置 |
Legal Events
| Date | Code | Title | Description |
|---|---|---|---|
| GR01 | Patent grant | ||
| GR01 | Patent grant |