CN215744610U - Coating machine with stoving mechanism - Google Patents
Coating machine with stoving mechanism Download PDFInfo
- Publication number
- CN215744610U CN215744610U CN202121993699.8U CN202121993699U CN215744610U CN 215744610 U CN215744610 U CN 215744610U CN 202121993699 U CN202121993699 U CN 202121993699U CN 215744610 U CN215744610 U CN 215744610U
- Authority
- CN
- China
- Prior art keywords
- coating machine
- air
- movable
- transmission
- drying
- Prior art date
- Legal status (The legal status is an assumption and is not a legal conclusion. Google has not performed a legal analysis and makes no representation as to the accuracy of the status listed.)
- Expired - Fee Related
Links
- 238000000576 coating method Methods 0.000 title claims abstract description 39
- 239000011248 coating agent Substances 0.000 title claims abstract description 38
- 230000007246 mechanism Effects 0.000 title claims abstract description 22
- 230000005540 biological transmission Effects 0.000 claims abstract description 46
- 238000001035 drying Methods 0.000 claims abstract description 42
- 239000000463 material Substances 0.000 claims abstract description 26
- 230000001360 synchronised effect Effects 0.000 claims abstract description 17
- 230000000694 effects Effects 0.000 claims abstract description 14
- 238000010030 laminating Methods 0.000 claims description 3
- 238000010276 construction Methods 0.000 claims description 2
- 230000010354 integration Effects 0.000 claims description 2
- 238000000034 method Methods 0.000 abstract description 4
- 230000008569 process Effects 0.000 abstract description 3
- 238000004904 shortening Methods 0.000 abstract 1
- 238000007602 hot air drying Methods 0.000 description 2
- 230000033001 locomotion Effects 0.000 description 2
- 239000000758 substrate Substances 0.000 description 2
- 238000010408 sweeping Methods 0.000 description 2
- 230000004075 alteration Effects 0.000 description 1
- 230000009286 beneficial effect Effects 0.000 description 1
- 238000007664 blowing Methods 0.000 description 1
- 238000010438 heat treatment Methods 0.000 description 1
- 238000012986 modification Methods 0.000 description 1
- 230000004048 modification Effects 0.000 description 1
- 230000009467 reduction Effects 0.000 description 1
- 238000006467 substitution reaction Methods 0.000 description 1
- 239000002699 waste material Substances 0.000 description 1
Images
Landscapes
- Drying Of Solid Materials (AREA)
Abstract
The utility model discloses a coating machine with a drying mechanism, which comprises a coating machine body and a drying bin at an outlet, wherein an air heater is installed at the upper end of the drying bin, a driving roller for conveying materials is arranged in the drying bin, an air outlet is formed in the top of the drying bin, air deflectors are uniformly distributed at the lower end of the air outlet, the air deflectors form a front-back deflection structure at the lower end of the air outlet, and the air deflectors move synchronously along with forward driving of the driving roller. This coating machine with stoving mechanism can directly dry the coating material, when shortening whole process flow consuming time, is provided with the hot-blast stoving aviation baffle of cooperation stoving mechanism and the synchronous activity of drive roller conveying mechanism, carries out the aviation baffle wind-guiding deflection drive when keeping the material to carry through the active structure of transmission connecting rod and movable mounting bracket, ensures to carry out even hot-blast stoving, avoids local uneven product quality that influences that is heated.
Description
Technical Field
The utility model relates to the related technical field of coating machines, in particular to a coating machine with a drying mechanism.
Background
The coating machine is mainly used for coating and processing the surfaces of materials such as paper, films and the like, generally, a layer of specific coating, printing ink and the like is coated on a material substrate according to functional requirements, and the coating is attached to the surface of the substrate, so that a processed product has corresponding coating characteristics to meet the corresponding functional requirements.
General coating machine need carry out the place of certain time after material coating processing and dry, and simple place dry and comparatively waste time and energy, also be like the drying device of the coating machine that chinese patent publication is CN210207476U, be used for the stoving processing of material through setting up extra oven, this type of oven also has the integrated structure that directly is used for the coating machine exit, but the long-time heating in-process of this type of stoving structure, the too high problem of local temperature appears easily, probably lead to the material to be overheated to warp and cause certain potential safety hazard even, especially not be convenient for carry out safe even stoving operation to the material under the different processing operating modes.
Aiming at the problems, the novel coating machine is innovatively designed on the basis of the original coating machine.
SUMMERY OF THE UTILITY MODEL
The utility model aims to provide a coating machine with a drying mechanism, which aims to solve the problems that the coating machine in the background art needs long time for drying materials, and a common drying mode is easy to cause product deformation due to overhigh local temperature.
In order to achieve the purpose, the utility model provides the following technical scheme: a coating machine with a drying mechanism comprises a coating machine body and a drying bin at an outlet;
the upper end of the drying bin is provided with an air heater, and a driving roller for conveying materials is arranged in the drying bin;
the top of the drying bin is provided with an air outlet, and air deflectors are uniformly distributed at the lower end of the air outlet;
the air deflector forms a front-back deflection structure at the lower end of the air outlet, and the air deflector moves synchronously along with the forward driving of the driving roller.
Preferably, the upper end and the middle section side edge of the air deflector are respectively provided with a connecting shaft and a movable shaft;
wherein the connecting shaft forms a rotating structure at the side wall of the drying bin;
meanwhile, a movable sliding block is arranged between the movable shaft and the side edge of the air deflector, and the movable shaft forms a sliding structure along with the movable sliding block on the side edge of the air deflector.
By adopting the technical scheme, the air deflector forms an upper deflection structure and a lower deflection structure, and plays a role in uniformly guiding hot air below the air outlet, thereby having a good drying effect.
Preferably, the outer side of the air guide plates is sleeved with a movable mounting frame, the movable mounting frame is movably connected with the movable shaft, and the adjacent air guide plates are arranged on the inner side of the movable mounting frame in parallel.
By adopting the technical scheme, the translation structure of the movable mounting frame is matched with the sliding fit of the movable sliding block, so that the synchronous driving adjustment of the multiple air guide plates is facilitated.
Preferably, the movable push rod is integrally arranged at the side end of the movable mounting frame, the flexible sliding groove is formed in the joint of the movable mounting frame and the drying bin, and the movable mounting frame and the movable push rod integrally form a sliding structure in the flexible sliding groove.
By adopting the technical scheme, the flexible driving of the movable push rod can directly drive the movable mounting frame and the multi-air guide plate to perform integral reciprocating motion.
Preferably, the outer end of the movable push rod is hinged with a transmission connecting rod, the outer end of the transmission connecting rod is movably connected with a transmission wheel, and the transmission connecting rod forms an eccentric rotating structure on the side surface of the transmission wheel.
By adopting the technical scheme, the reciprocating driving of the movable push rod is kept through the rotation of the driving wheel and the matching of the connecting rod transmission structure of the transmission connecting rod.
Preferably, the outer side of the driving wheel is connected with a transmission belt and a synchronizing wheel, the shaft ends of the synchronizing wheel and the driving roller are in key connection and are driven synchronously, and the synchronizing wheel and the driving wheel form a synchronous transmission structure through the transmission belt;
wherein the transmission radius ratio of the synchronizing wheel to the transmission wheel is 2: 1.
by adopting the technical scheme, the deflection activity of the air deflector can be synchronously carried out along with the material conveyed by the driving roller, a certain deflection speed of the air deflector is kept, and the uniform drying of the surface of the material is ensured.
Compared with the prior art, the utility model has the beneficial effects that: the coating machine with the drying mechanism is provided with a drying mechanism,
1. the hot air drying air deflector matched with the drying mechanism and the driving roller conveying mechanism to synchronously move is arranged, in the using process of the device, the material base material can be coated, processed and kept in a moving conveying state to be simultaneously subjected to movable hot air drying, the possibility of overhigh local temperature is effectively reduced, the deflection structure of the connecting shaft and the movable shaft at the air deflector is matched, the wind direction is conveniently and flexibly guided to be uniformly dried, the drying effect of the device is improved, and the forming time of a coating process is shortened;
2. accessible drive roller conveying mechanism directly carries out synchronous drive to the deflection wind-guiding of aviation baffle, in the use of device, transmission structure through drive wheel and synchronizing wheel, the connecting rod transmission structure of cooperation transmission connecting rod drives movable mounting bracket and carries out nimble reciprocal flexible drive, thereby carry out the synchronous deflection drive to the aviation baffle in the movable mounting bracket, need not extra drive adjustment structure, can carry out synchronous reciprocal deflection along with the drive rotation of drive roller simultaneously, certain amount of movement corresponds certain activity of sweeping the wind promptly, ensure that the material of process all can be through reciprocal even sweeping the wind stoving, the uneven condition of local stoving appears in the reduction.
Drawings
FIG. 1 is a schematic cross-sectional front view of the present invention;
FIG. 2 is an enlarged view of a portion a of FIG. 1 according to the present invention;
FIG. 3 is a schematic side view of the movable slider of the present invention;
FIG. 4 is a schematic top view of the movable slider of the present invention;
FIG. 5 is a schematic side view of the driving wheel and the synchronizing wheel according to the present invention.
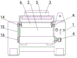
In the figure: 1. a coating machine body; 2. a drying bin; 3. a hot air blower; 4. a drive roller; 5. an air outlet; 6. an air deflector; 7. a connecting shaft; 8. a movable shaft; 9. a movable slide block; 10. a movable mounting frame; 11. a movable push rod; 12. a telescopic chute; 13. a transmission connecting rod; 14. a driving wheel; 15. a transmission belt; 16. and a synchronizing wheel.
Detailed Description
The technical solutions in the embodiments of the present invention will be clearly and completely described below with reference to the drawings in the embodiments of the present invention, and it is obvious that the described embodiments are only a part of the embodiments of the present invention, and not all of the embodiments. All other embodiments, which can be derived by a person skilled in the art from the embodiments given herein without making any creative effort, shall fall within the protection scope of the present invention.
Referring to fig. 1-5, the present invention provides a technical solution: a coating machine with a drying mechanism comprises a coating machine body 1 and a drying bin 2 at an outlet, wherein an air heater 3 is installed at the upper end of the drying bin 2, a driving roller 4 for conveying materials is arranged inside the drying bin 2, an air outlet 5 is formed in the top of the drying bin 2, air deflectors 6 are uniformly distributed at the lower end of the air outlet 5, the air deflectors 6 form a front-back deflection structure at the lower end of the air outlet 5, the air deflectors 6 synchronously move along with forward driving of the driving roller 4, a connecting shaft 7 and a movable shaft 8 are respectively installed at the upper end and the middle section side edge of the air deflectors 6, the connecting shaft 7 forms a rotating structure at the side wall of the drying bin 2, a movable sliding block 9 is arranged between the movable shaft 8 and the side edge of the air deflectors 6, the movable shaft 8 forms a sliding structure along with the movable sliding block 9 at the side edge of the air deflectors 6, and the air deflectors 6 form an upper-lower deflection structure, the lower part of the air outlet 5 plays a role in guiding hot air uniformly, and the drying effect is good.
As shown in fig. 1-4, the outside cover of aviation baffle 6 is equipped with movable mounting bracket 10, and movable mounting bracket 10 and loose axle 8 swing joint, and adjacent aviation baffle 6 all installs side by side in movable mounting bracket 10 inboardly, the slip laminating of translation structure cooperation activity slider 9 through movable mounting bracket 10, make things convenient for the synchronous drive adjustment of many aviation baffles 6, movable mounting bracket 10's side integration is provided with movable push rod 11, and flexible spout 12 has been seted up in movable mounting bracket 10 and the laminating department of stoving storehouse 2, and movable mounting bracket 10 and movable push rod 11 wholly constitute sliding construction in flexible spout 12 department, the flexible drive of accessible movable push rod 11 directly drives movable mounting bracket 10 and the holistic reciprocal activity of many aviation baffles 6.
As shown in fig. 1-2 and fig. 5, the outer end of the movable push rod 11 is hinged with a transmission link 13, the outer end of the transmission link 13 is movably connected with a transmission wheel 14, the transmission link 13 forms an eccentric rotation structure on the side surface of the transmission wheel 14, the reciprocating driving of the movable push rod 11 is maintained by the rotation of the transmission wheel 14 matching with the link transmission structure of the transmission link 13, the outer side of the transmission wheel 14 is connected with a transmission belt 15 and a synchronizing wheel 16, the shaft ends of the synchronizing wheel 16 and the driving roller 4 are in key connection synchronous driving, and a synchronous transmission structure is formed between the synchronizing wheel 16 and the transmission wheel 14 through the transmission belt 15, wherein the transmission radius ratio of the synchronizing wheel 16 to the transmission wheel 14 is 2: 1, the deflection activity of the air deflector 6 can be synchronously carried out along with the material conveyed by the driving roller 4, a certain deflection speed of the air deflector 6 is kept, and the uniform drying of the surface of the material is ensured.
The working principle is as follows: when using this coating machine that has stoving mechanism, normal coating processing is carried out to the material to coating machine body 1, the coating material passes through the transport of drive roller 4 and moves to the stoving storehouse 2 in the outside, air heater 3 keeps blowing out hot-blast and dries the material, drive roller 4 drives the material and keeps moving, synchronous wheel 16 of drive roller 4 axle head drives the connecting rod transmission structure of transmission connecting rod 13 through the transmission of drive wheel 14 and drive belt 15 simultaneously, make movable mounting bracket 10 and activity push rod 11 carry out reciprocal translation activity, the revolution mechanic through connecting axle 7 and loose axle 8 drives aviation baffle 6 and carries out reciprocal deflection, thereby keep synchronous drive aviation baffle 6 to carry out even wind-guiding when drive roller 4 drives the material, can deflect along with material transport rate synchronous adjustment, avoid local high temperature, ensure that the stoving effect is more even.
Although embodiments of the present invention have been shown and described, it will be appreciated by those skilled in the art that changes, modifications, substitutions and alterations can be made in these embodiments without departing from the principles and spirit of the utility model, the scope of which is defined in the appended claims and their equivalents.
Claims (6)
1. The utility model provides a coating machine with stoving mechanism, includes drying storehouse (2) in coating machine body (1) and exit, its characterized in that:
an air heater (3) is installed at the upper end of the drying bin (2), and a driving roller (4) for conveying materials is arranged in the drying bin (2);
an air outlet (5) is formed in the top of the drying bin (2), and air deflectors (6) are uniformly distributed at the lower end of the air outlet (5);
the air deflector (6) forms a front-back deflection structure at the lower end of the air outlet (5), and the air deflector (6) synchronously moves along with the forward driving of the driving roller (4).
2. The coating machine with drying mechanism of claim 1, wherein: the upper end and the side edge of the middle section of the air deflector (6) are respectively provided with a connecting shaft (7) and a movable shaft (8);
wherein the connecting shaft (7) forms a rotating structure at the side wall of the drying bin (2);
meanwhile, a movable sliding block (9) is arranged between the side edges of the movable shaft (8) and the air guide plate (6), and the movable shaft (8) forms a sliding structure along with the movable sliding block (9) on the side edge of the air guide plate (6).
3. The coating machine with drying mechanism of claim 2, wherein: the outer side of each air deflector (6) is sleeved with a movable mounting frame (10), the movable mounting frames (10) are movably connected with the movable shaft (8), and the adjacent air deflectors (6) are arranged on the inner side of each movable mounting frame (10) in parallel.
4. The coating machine with drying mechanism of claim 3, wherein: the side integration of movable mounting bracket (10) is provided with activity push rod (11), and flexible spout (12) have been seted up in the laminating department of movable mounting bracket (10) and stoving storehouse (2) to movable mounting bracket (10) and activity push rod (11) are whole to constitute sliding construction in flexible spout (12) department.
5. The coating machine with drying mechanism of claim 4, wherein: the outer end of the movable push rod (11) is hinged with a transmission connecting rod (13), the outer end of the transmission connecting rod (13) is movably connected with a transmission wheel (14), and the transmission connecting rod (13) forms an eccentric rotating structure on the side surface of the transmission wheel (14).
6. The coating machine with drying mechanism of claim 5, wherein: the outer side of the driving wheel (14) is connected with a transmission belt (15) and a synchronous wheel (16), the shaft ends of the synchronous wheel (16) and the driving roller (4) are in key connection and synchronous driving, and the synchronous wheel (16) and the driving wheel (14) form a synchronous transmission structure through the transmission belt (15);
wherein the transmission radius ratio of the synchronizing wheel (16) to the transmission wheel (14) is 2: 1.
Priority Applications (1)
| Application Number | Priority Date | Filing Date | Title |
|---|---|---|---|
| CN202121993699.8U CN215744610U (en) | 2021-08-24 | 2021-08-24 | Coating machine with stoving mechanism |
Applications Claiming Priority (1)
| Application Number | Priority Date | Filing Date | Title |
|---|---|---|---|
| CN202121993699.8U CN215744610U (en) | 2021-08-24 | 2021-08-24 | Coating machine with stoving mechanism |
Publications (1)
| Publication Number | Publication Date |
|---|---|
| CN215744610U true CN215744610U (en) | 2022-02-08 |
Family
ID=80077900
Family Applications (1)
| Application Number | Title | Priority Date | Filing Date |
|---|---|---|---|
| CN202121993699.8U Expired - Fee Related CN215744610U (en) | 2021-08-24 | 2021-08-24 | Coating machine with stoving mechanism |
Country Status (1)
| Country | Link |
|---|---|
| CN (1) | CN215744610U (en) |
Cited By (1)
| Publication number | Priority date | Publication date | Assignee | Title |
|---|---|---|---|---|
| CN114322480A (en) * | 2022-03-17 | 2022-04-12 | 新乡滨湖生态园林(集团)有限公司 | A drying device for building materials material |
-
2021
- 2021-08-24 CN CN202121993699.8U patent/CN215744610U/en not_active Expired - Fee Related
Cited By (2)
| Publication number | Priority date | Publication date | Assignee | Title |
|---|---|---|---|---|
| CN114322480A (en) * | 2022-03-17 | 2022-04-12 | 新乡滨湖生态园林(集团)有限公司 | A drying device for building materials material |
| CN114322480B (en) * | 2022-03-17 | 2022-06-10 | 新乡滨湖生态园林(集团)有限公司 | A drying device for building materials material |
Similar Documents
| Publication | Publication Date | Title |
|---|---|---|
| CN215744610U (en) | Coating machine with stoving mechanism | |
| CN211138581U (en) | High-speed printing machine | |
| CN221444737U (en) | Nonwoven drying device | |
| CN116475022A (en) | Pure cotton cloth curing machine | |
| CN114753075B (en) | Antistatic low-impedance wiping dust-free cloth preparation device and preparation method thereof | |
| CN115257151B (en) | Zero-emission pollution-free gravure direct printing machine and printing process | |
| CN217729980U (en) | Ultraviolet fluorescent ink printing device | |
| CN213920205U (en) | Printing machine with quick drying mechanism | |
| CN214646952U (en) | A three-dimensional digital inkjet printing device | |
| CN213006826U (en) | Paper surface ventilation heating part adjusting structure of double-sided machine | |
| CN215551926U (en) | Paper guide structure for printer capable of avoiding paper jam | |
| CN212737531U (en) | Trademark tape drying-machine | |
| CN211084731U (en) | Windscreen wiper strip is dried and is used conveyer | |
| CN220262361U (en) | Relief printing drying equipment convenient to use | |
| CN218505497U (en) | Novel drying device | |
| CN214111886U (en) | A roll-to-roll cylinder screen printing machine | |
| CN220841820U (en) | Glass silk screen printing with drying device | |
| CN112378216A (en) | Corn processing drying device | |
| CN222387849U (en) | A drying device for digital direct-injection machine | |
| CN219820966U (en) | Printing device with green and environment-friendly printing technology and convenient quick drying | |
| CN201311166Y (en) | Textile baking device | |
| CN223521991U (en) | A textile conveying mechanism | |
| CN216832514U (en) | Antibacterial bagging bag making machine | |
| CN221077128U (en) | Wallpaper drying device | |
| CN215970660U (en) | Drying mechanism of printing equipment |
Legal Events
| Date | Code | Title | Description |
|---|---|---|---|
| GR01 | Patent grant | ||
| GR01 | Patent grant | ||
| CF01 | Termination of patent right due to non-payment of annual fee | ||
| CF01 | Termination of patent right due to non-payment of annual fee |
Granted publication date: 20220208 |