CN215542691U - Green tea vibration unloading sieving mechanism - Google Patents

Green tea vibration unloading sieving mechanism Download PDF

Info

Publication number
CN215542691U
CN215542691U CN202121858045.4U CN202121858045U CN215542691U CN 215542691 U CN215542691 U CN 215542691U CN 202121858045 U CN202121858045 U CN 202121858045U CN 215542691 U CN215542691 U CN 215542691U
Authority
CN
China
Prior art keywords
wall
screen
green tea
box body
push rod
Prior art date
Legal status (The legal status is an assumption and is not a legal conclusion. Google has not performed a legal analysis and makes no representation as to the accuracy of the status listed.)
Active
Application number
CN202121858045.4U
Other languages
Chinese (zh)
Inventor
庄舒丽
Current Assignee (The listed assignees may be inaccurate. Google has not performed a legal analysis and makes no representation or warranty as to the accuracy of the list.)
Xinlujia Co ltd
Original Assignee
Xinlujia Co ltd
Priority date (The priority date is an assumption and is not a legal conclusion. Google has not performed a legal analysis and makes no representation as to the accuracy of the date listed.)
Filing date
Publication date
Application filed by Xinlujia Co ltd filed Critical Xinlujia Co ltd
Priority to CN202121858045.4U priority Critical patent/CN215542691U/en
Application granted granted Critical
Publication of CN215542691U publication Critical patent/CN215542691U/en
Active legal-status Critical Current
Anticipated expiration legal-status Critical

Links

Images

Landscapes

  • Combined Means For Separation Of Solids (AREA)

Abstract

The utility model belongs to the technical field of tea screening, and particularly relates to a green tea vibration blanking screening device which aims at the problems that the screen mesh provided by the background technology is limited in utilization area and easy to block. When the green tea is placed on the screen, the scraper can spread tea leaves on the screen by the rotation of the servo motor and the downward pushing of the push rod motor, so that the utilization area of the screen is increased, the green tea screening efficiency is improved, the air is blown upwards through the air nozzle, under the action of the push rod moving in the box body, green tea residues blocked on the screen can be washed out, and the green tea screening efficiency is prevented from being influenced by the fact that the green tea residues block the screen.

Description

Green tea vibration unloading sieving mechanism
Technical Field
The utility model relates to the technical field of tea screening, in particular to a green tea vibration blanking screening device.
Background
Tea leaves, leaf leathers, oblong or oval, can be directly soaked and drunk by boiled water, and are divided into six categories according to varieties, manufacturing modes and product shapes. The tea can be spring tea, summer tea, autumn tea and winter tea according to seasons, and various raw tea or refined tea can be processed to form additional tea, including scented tea, compressed tea, extracted tea, medicinal health tea, tea-containing beverage, etc.
Through search, the patent (application number: 201921341310.4) discloses a tea screening device, which can realize the horizontal and up-and-down movement of a screen mesh, so that the tea screening is more efficient and thorough. And simple structure, be convenient for equipment and use, but tealeaves among the device drops to the screen cloth in the screening box from the feed inlet and piles up the central point that puts at the screen cloth easily on, can lead to like this when screening tealeaves, the area of utilization of screen cloth reduces, and the efficiency of screening reduces, and the tealeaves residue of screen cloth central point department blocks up the screen cloth easily simultaneously, influences the dropping of tealeaves residue.
SUMMERY OF THE UTILITY MODEL
The utility model aims to solve the defects in the prior art and provides a green tea vibration blanking and screening device.
In order to achieve the purpose, the utility model adopts the following technical scheme:
a green tea vibration blanking screening device comprises a box body, wherein a paving mechanism is arranged at the top of the box body and comprises a servo motor arranged at the top of the box body, a mounting plate connected to an output shaft of the servo motor, a push rod motor connected to the outer wall of the bottom of the mounting plate and a scraper connected to a piston rod of the push rod motor;
the box inner wall is provided with the screen cloth, and is provided with anti-blocking mechanism bottom the screen cloth, anti-blocking mechanism is including setting up in the gas storage bin of screen cloth bottom, connecting the air cock that the equidistance distributes on the outer wall of gas storage bin top, installing push rod on gas storage bin one side outer wall, communicate trachea on the push rod inner wall, connect the air pump on trachea one end outer wall.
Preferably, the outer wall of one side of the box body is provided with a mounting opening, the size of the mounting opening is matched with that of the push rod, and one end, far away from the air pump, of the air pipe is connected to the outer wall of the air storage bin.
Preferably, the outer wall of one side of the screen is welded with a fixed plate, and the outer wall of the bottom of the fixed plate is fixedly connected with a vibrating motor through a bolt.
Preferably, the corners all around of screen cloth bottom outer wall all are connected with the spring, and the one end that the screen cloth was kept away from to the spring is connected with the limiting plate, and the limiting plate welding is on the inner wall of box.
Preferably, the outer wall of the top of the box body is welded with a fixing frame, and the servo motor is fixedly connected to the inner wall of the top of the fixing frame through bolts.
Preferably, the inner wall of the box body is provided with symmetrically distributed blanking plates, and the outer walls of two sides of the box body are positioned at one ends of the blanking plates and provided with discharge ports.
Preferably, the outer wall of the other side of the box body is provided with a limiting opening, and the fixing plate is connected to the inner wall of the limiting opening in a sliding mode.
The utility model has the beneficial effects that:
1. according to the green tea vibration blanking screening device, when green tea is placed on the screen, the scraper can flatly spread tea leaves on the screen by the rotation of the servo motor and the downward pushing of the push rod motor, so that the utilization area of the screen is increased, and the green tea screening efficiency is improved;
2. the blue tea vibration unloading sieving mechanism of this design upwards blows through the air cock, under the effect that the push rod removed in the box, can dash out the blue tea residue that blocks up on the screen cloth, has avoided the blue tea residue to block up the efficiency that the screen cloth influences the green tea screening.
Drawings
FIG. 1 is a front view of the overall structure of a green tea vibrating, blanking and screening device provided by the utility model;
FIG. 2 is a schematic view of a paving mechanism of the green tea vibration blanking screening device provided by the utility model;
FIG. 3 is a sectional view of the internal structure of a box body of the green tea vibration blanking and screening device provided by the utility model;
fig. 4 is a back view of the overall structure of the green tea vibrating blanking and screening device provided by the utility model.
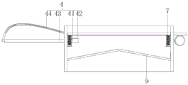
In the figure: the device comprises a box body 1, a paving mechanism 2, a servo motor 21, a mounting plate 22, a push rod motor 23, a scraper 24, a screen 3, an anti-blocking mechanism 4, an air storage bin 41, an air nozzle 42, a push rod 43, an air pipe 44, an air pump 45, a fixing plate 5, a vibration motor 6, a spring 7, a fixing frame 8, a blanking plate 9, a discharge hole 10 and a limiting opening 11.
Detailed Description
The technical solutions in the embodiments of the present invention will be clearly and completely described below with reference to the drawings in the embodiments of the present invention, and it is obvious that the described embodiments are only a part of the embodiments of the present invention, and not all of the embodiments.
Referring to fig. 1-4, a green tea vibration blanking screening device comprises a box body 1, wherein a paving mechanism 2 is arranged at the top of the box body 1, the paving mechanism 2 comprises a servo motor 21, a mounting plate 22, a push rod motor 23 and a scraper 24, the mounting plate 22 is connected to an output shaft of the servo motor 21, the push rod motor 23 is connected to the outer wall of the bottom of the mounting plate 22, the scraper 24 is connected to a piston rod of the push rod motor 23, when green tea is placed on a screen 3, tea leaves can be flatly paved on the screen 3 by the scraper 24 through the rotation of the servo motor 21 and the downward pushing of the push rod motor 23, the utilization area of the screen 3 is increased, and the green tea screening efficiency is improved;
the inner wall of the box body 1 is provided with the screen 3, the bottom of the screen 3 is provided with the anti-blocking mechanism 4, the anti-blocking mechanism 4 comprises an air storage bin 41, an air faucet 42, a push rod 43, an air pipe 44 and an air pump 45, the air faucets 42 distributed at equal intervals are connected to the outer wall of the top of the air storage bin 41, the push rod 43 is installed on the outer wall of one side of the air storage bin 41, the air pipe 44 is communicated with the inner wall of the push rod 43, the air pump 45 is connected to the outer wall of one end of the air pipe 44, air is blown upwards through the air faucet 42, under the action that the push rod 43 moves in the box body 1, the green tea residues blocked on the screen 3 can be flushed out, and the effect that the green tea residues block the screen 3 to influence the green tea screening efficiency is avoided; the outer wall of one side of the box body 1 is provided with a mounting opening, the size of the mounting opening is matched with that of the push rod 43, and one end, far away from the air pump 45, of the air pipe 44 is connected to the outer wall of the air storage bin 41.
The outer wall of one side of the screen 3 is welded with a fixed plate 5, the outer wall of the bottom of the fixed plate 5 is fixedly connected with a vibration motor 6 through bolts, the four corners of the outer wall of the bottom of the screen 3 are connected with springs 7, one ends, away from the screen 3, of the springs 7 are connected with limiting plates, the limiting plates are welded on the inner wall of the box body 1, the outer wall of the top of the box body 1 is welded with a fixed frame 8, and the servo motor 21 is fixedly connected to the inner wall of the top of the fixed frame 8 through bolts;
symmetrical distribution's blanking plate 9 is installed to 1 inner wall of box, and the one end that 1 both sides of box outer wall is located blanking plate 9 has seted up discharge gate 10, spacing mouthful 11 has been seted up to 1 opposite side outer wall of box, and fixed plate 5 sliding connection is on spacing mouthful 11 inner wall.
The working principle is as follows: firstly, the green tea to be screened is placed on the screen mesh 3, then the push rod motor 23 is started, the push rod motor 23 drives the scraper 24 to move downwards, when the scraper 24 moves to a position 3-5cm above the screen 3, the servo motor 21 is started, the servo motor 21 drives the scraper 24 to rotate, so that the green tea can be flatly paved on the screen mesh 3, then the vibration motor 6 is started, the vibration motor 6 vibrates the fixed plate 5 connected on the screen mesh 3, under the cooperation of the spring 7, the screen 3 vibrates up and down, the green tea residue can slide out of the discharge hole 10 along the blanking plate 9, after working for a period of time, the air pump 45 is started, the air pump 45 compresses air and conveys the air into the air tap 42 on the air storage bin 41 through the air pipe 44, the air is blown upwards through the air tap 42, when the push rod 43 moves in the box body 1, the air nozzle 42 can flush out the green tea residue blocked on the screen 3.
In the description of the present invention, it is to be understood that the terms "center", "longitudinal", "lateral", "length", "width", "thickness", "upper", "lower", "front", "rear", "left", "right", "vertical", "horizontal", "top", "bottom", "inner", "outer", "clockwise", "counterclockwise", and the like, indicate orientations and positional relationships based on those shown in the drawings, and are used only for convenience of description and simplicity of description, and do not indicate or imply that the equipment or element being referred to must have a particular orientation, be constructed and operated in a particular orientation, and thus, should not be considered as limiting the present invention.
Furthermore, the terms "first", "second" and "first" are used for descriptive purposes only and are not to be construed as indicating or implying relative importance or implicitly indicating the number of technical features indicated. Thus, a feature defined as "first" or "second" may explicitly or implicitly include one or more of that feature. In the description of the present invention, "a plurality" means two or more unless specifically defined otherwise.
The above description is only for the preferred embodiment of the present invention, but the scope of the present invention is not limited thereto, and any person skilled in the art should be considered to be within the technical scope of the present invention, and equivalent alternatives or modifications according to the technical solution of the present invention and the inventive concept thereof should be covered by the scope of the present invention.

Claims (7)

1. A green tea vibration blanking screening device comprises a box body (1), and is characterized in that a paving mechanism (2) is arranged at the top of the box body (1), and the paving mechanism (2) comprises a servo motor (21) arranged at the top of the box body (1), a mounting plate (22) connected to an output shaft of the servo motor (21), a push rod motor (23) connected to the outer wall of the bottom of the mounting plate (22), and a scraper (24) connected to a piston rod of the push rod motor (23);
the inner wall of the box body (1) is provided with a screen (3), the bottom of the screen (3) is provided with an anti-blocking mechanism (4), the anti-blocking mechanism (4) comprises a gas storage bin (41) arranged at the bottom of the screen (3), air nozzles (42) which are connected to the outer wall of the top of the gas storage bin (41) and distributed equidistantly, a push rod (43) arranged on the outer wall of one side of the gas storage bin (41), an air pipe (44) communicated to the inner wall of the push rod (43), and an air pump (45) connected to the outer wall of one end of the air pipe (44).
2. The device for screening the green tea through vibration blanking as claimed in claim 1, wherein a mounting opening is formed in the outer wall of one side of the box body (1), the size of the mounting opening is matched with that of the push rod (43), and one end, far away from the air pump (45), of the air pipe (44) is connected to the outer wall of the air storage bin (41).
3. The vibrating blanking screening device for the oolong tea as claimed in claim 1, wherein a fixing plate (5) is welded on the outer wall of one side of the screen (3), and a vibrating motor (6) is fixedly connected to the outer wall of the bottom of the fixing plate (5) through bolts.
4. A green tea vibration blanking screening device according to claim 1, characterized in that the peripheral corners of the outer wall of the bottom of the screen (3) are connected with springs (7), and one end of each spring (7) far away from the screen (3) is connected with a limiting plate which is welded on the inner wall of the box body (1).
5. The green tea vibrating blanking screening device according to claim 1, characterized in that a fixing frame (8) is welded on the outer wall of the top of the box body (1), and the servo motor (21) is fixedly connected to the inner wall of the top of the fixing frame (8) through bolts.
6. The green tea vibrating blanking screening device as claimed in claim 1, wherein the inner wall of the box body (1) is provided with symmetrically distributed blanking plates (9), and the outer walls of two sides of the box body (1) are provided with a discharge hole (10) at one end of the blanking plates (9).
7. The vibration blanking screening device for the green tea as claimed in claim 1, wherein a limiting opening (11) is formed in the outer wall of the other side of the box body (1), and the fixing plate (5) is slidably connected to the inner wall of the limiting opening (11).
CN202121858045.4U 2021-08-10 2021-08-10 Green tea vibration unloading sieving mechanism Active CN215542691U (en)

Priority Applications (1)

Application Number Priority Date Filing Date Title
CN202121858045.4U CN215542691U (en) 2021-08-10 2021-08-10 Green tea vibration unloading sieving mechanism

Applications Claiming Priority (1)

Application Number Priority Date Filing Date Title
CN202121858045.4U CN215542691U (en) 2021-08-10 2021-08-10 Green tea vibration unloading sieving mechanism

Publications (1)

Publication Number Publication Date
CN215542691U true CN215542691U (en) 2022-01-18

Family

ID=79834084

Family Applications (1)

Application Number Title Priority Date Filing Date
CN202121858045.4U Active CN215542691U (en) 2021-08-10 2021-08-10 Green tea vibration unloading sieving mechanism

Country Status (1)

Country Link
CN (1) CN215542691U (en)

Cited By (3)

* Cited by examiner, † Cited by third party
Publication number Priority date Publication date Assignee Title
CN114405647A (en) * 2022-02-08 2022-04-29 孙勇 Preparation system of building regeneration fine aggregate and computer storage medium
CN116251734A (en) * 2023-03-21 2023-06-13 浙江益森久城环保设备有限公司 A screening device for dry-mixed mortar production
CN117046778A (en) * 2022-05-04 2023-11-14 江苏博汇纸业有限公司 Washing screening device for manufacturing lightweight white paper

Cited By (6)

* Cited by examiner, † Cited by third party
Publication number Priority date Publication date Assignee Title
CN114405647A (en) * 2022-02-08 2022-04-29 孙勇 Preparation system of building regeneration fine aggregate and computer storage medium
CN114405647B (en) * 2022-02-08 2023-09-22 广东新瑞龙生态建材有限公司 Preparation system of building recycled fine aggregate and computer storage medium
CN117046778A (en) * 2022-05-04 2023-11-14 江苏博汇纸业有限公司 Washing screening device for manufacturing lightweight white paper
CN117046778B (en) * 2022-05-04 2024-12-20 江苏博汇纸业有限公司 Washing screening device for manufacturing lightweight white paper
CN116251734A (en) * 2023-03-21 2023-06-13 浙江益森久城环保设备有限公司 A screening device for dry-mixed mortar production
CN116251734B (en) * 2023-03-21 2023-08-18 浙江益森久城环保设备有限公司 Screening device for dry-mixed mortar production

Similar Documents

Publication Publication Date Title
CN215542691U (en) Green tea vibration unloading sieving mechanism
CN212017942U (en) Organic solid waste crusher
CN207787046U (en) A kind of concrete segment blank filter device
CN212397988U (en) Investment casting shell crushing and grading screening system
CN208543684U (en) A kind of polyvinyl chloride panel crusher
CN218755126U (en) Sewage treatment is with arranging sediment device
CN215516983U (en) Filter equipment for construction engineering
CN219043374U (en) High manganese steel coating raw materials screening ware
CN218554762U (en) Screening machine for cement production
CN213103068U (en) Raw materials filter equipment is used in synthetic leather processing convenient to quick edulcoration
CN107838016A (en) Construction sandstone screening plant
CN220779290U (en) Handheld filter
CN218192555U (en) Material collecting device of powder forming machine
CN219852092U (en) A collection device for a drum shakeout machine
CN215232637U (en) Phosphoric acid filters cloth case washing device
CN220738763U (en) Magnetic material screening and cleaning device for neodymium-iron-boron magnet production
CN216028082U (en) Powder preparation equipment for powder metallurgy
CN218796141U (en) Pigment grinding device for pigment production
CN220215654U (en) A kind of screening structure for calcium carbonate production
CN223097331U (en) Screening structure for rice bran crushing and drying equipment
CN216936193U (en) Domestic waste smashes compressor arrangement
CN215354548U (en) Vibrating screen with double-layer vibrating screen
CN219334318U (en) Raw material crushing device for cement production
CN209287426U (en) A kind of ceramic waste residue crushing recyclable device with classification recycling function
CN220406616U (en) Waste recovery device for ecological plate

Legal Events

Date Code Title Description
GR01 Patent grant
GR01 Patent grant