CN215500248U - 智能数字程控调度装置 - Google Patents
智能数字程控调度装置 Download PDFInfo
- Publication number
- CN215500248U CN215500248U CN202121841327.3U CN202121841327U CN215500248U CN 215500248 U CN215500248 U CN 215500248U CN 202121841327 U CN202121841327 U CN 202121841327U CN 215500248 U CN215500248 U CN 215500248U
- Authority
- CN
- China
- Prior art keywords
- wall
- heat dissipation
- dust removal
- digital program
- intelligent digital
- Prior art date
- Legal status (The legal status is an assumption and is not a legal conclusion. Google has not performed a legal analysis and makes no representation as to the accuracy of the status listed.)
- Expired - Fee Related
Links
- 239000000428 dust Substances 0.000 claims abstract description 67
- 230000017525 heat dissipation Effects 0.000 claims abstract description 34
- 230000007246 mechanism Effects 0.000 claims abstract description 22
- 238000000605 extraction Methods 0.000 claims description 6
- 230000005540 biological transmission Effects 0.000 claims description 4
- 238000007789 sealing Methods 0.000 claims description 4
- 230000000694 effects Effects 0.000 abstract description 8
- 238000004891 communication Methods 0.000 abstract description 4
- 230000002035 prolonged effect Effects 0.000 abstract description 3
- 230000002411 adverse Effects 0.000 abstract 1
- 239000012717 electrostatic precipitator Substances 0.000 description 3
- 238000010521 absorption reaction Methods 0.000 description 2
- 230000009471 action Effects 0.000 description 2
- 238000001816 cooling Methods 0.000 description 2
- 230000009931 harmful effect Effects 0.000 description 2
- 238000001179 sorption measurement Methods 0.000 description 2
- 230000009286 beneficial effect Effects 0.000 description 1
- 230000007547 defect Effects 0.000 description 1
- 238000010586 diagram Methods 0.000 description 1
- 238000012423 maintenance Methods 0.000 description 1
- 238000012986 modification Methods 0.000 description 1
- 230000004048 modification Effects 0.000 description 1
- 230000006855 networking Effects 0.000 description 1
- 230000002093 peripheral effect Effects 0.000 description 1
- 238000003466 welding Methods 0.000 description 1
Images
Landscapes
- Cooling Or The Like Of Electrical Apparatus (AREA)
Abstract
本实用新型属于通讯技术领域,尤其是智能数字程控调度装置,针对背景技术提出的问题,现提出以下方案,包括正面外壁通过螺栓安装有拆卸板的壳体,所述拆卸板上固定有操作屏,所述壳体的顶部外壁焊接有除尘箱,且壳体的一侧外壁固定有送风罩,所述壳体上依次设有散热机构和除尘机构,所述散热机构包括通过螺栓固定连通在送风罩侧壁的散热风扇。本实用新型设置有散热机构,通过风向调节组件能够将散热风扇吹入的冷风的风向进行不断调节,从而提高了散热的范围,使得散热更加均匀,从而提高了该装置的工作效率,延长了该装置的使用寿命;设置有除尘机构,能够在一定程度上降低装置内部附着大量的灰尘对电器元件造成的不良影响。
Description
技术领域
本实用新型涉及通讯技术领域,尤其涉及智能数字程控调度装置。
背景技术
智能数字程控调度装置是根据当前世界信息数字化和业务综合化通讯发展的潮流而开发的新一代企业通讯设备,能接入综合业务数字网,该系统可靠运行稳定,具有统一IP组网、线性扩容、平台开放、性能优良等优点。
现有的智能数字程控调度装置虽然速率越来越快,功能越来越强大,但是这样就会导致功耗越来越大,从而装置内部的温度高,装置内部的高温气体如果不能够及时的散去将会直接影响智能数字程控调度装置的工作效率,并使得内部的线路长期受到高温影响容易老化间接的降低了智能数字程控调度装置的使用寿命。
实用新型内容
本实用新型的目的是为了解决现有技术中存在的缺点,而提出的智能数字程控调度装置。
为了实现上述目的,本实用新型采用了如下技术方案:
智能数字程控调度装置,包括正面外壁通过螺栓安装有拆卸板的壳体,所述拆卸板上固定有操作屏,所述壳体的顶部外壁焊接有除尘箱,且壳体的一侧外壁固定有送风罩,所述壳体上依次设有散热机构和除尘机构,所述散热机构包括通过螺栓固定连通在送风罩侧壁的散热风扇、固定连通在壳体另一侧内壁的散热格栅和风向调节组件,所述除尘机构包括通过螺栓固定连通在除尘箱顶部外壁的抽气风机、通过螺栓固定在除尘箱一侧内壁的过滤网、位于壳体内的抽尘罩和静电除尘组件。
优选的,所述静电除尘组件包括通过螺栓依次固定在拆卸板背面外壁的电极板和静电发生器,且静电发生器的输出端与电极板的输入端电性连接。
优选的,所述风向调节组件包括通过螺栓固定在壳体背面中心外壁的电机、套接在电机输出轴上的主动皮带轮、开设在壳体一侧内壁的送风口、旋转轴以及依次套接在旋转轴上的从动皮带轮和导风板。
优选的,所述主动皮带轮和从动皮带轮通过皮带传动连接,且导风板上开设有等距离均匀分布的导风孔。
优选的,所述旋转轴通过两个轴承分别与送风口的两边内壁连接,且导风板位于送风口内。
优选的,所述除尘箱的一侧内壁通过位于过滤网下方的抽气管与抽尘罩固定连通,且除尘箱的正面铰接有密封门。
优选的,所述壳体的另一侧内壁开设有安装口,且散热格栅通过螺栓固定在安装口的四周内壁。
本实用新型的有益效果为:
1、设置有散热机构,通过风向调节组件能够将散热风扇吹入的冷风的风向进行不断调节,从而提高了散热的范围,使得散热更加均匀,从而提高了该装置的工作效率,延长了该装置的使用寿命;
2、设置有除尘机构,通过抽气风机将壳体内的大部分灰尘从抽尘罩处抽至除尘箱内,在过滤网的拦截下将灰尘收集在除尘箱内,并且通过静电除尘组件,在静电发生器的作用下,电极板产生静电吸附的效果,方便将一些没有被吸掉的灰尘进行二次吸附,进而能够提高整个除尘机构的除尘效果和质量,从而能够在一定程度上降低装置内部附着大量的灰尘对电器元件造成的不良影响。
附图说明
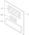
图1为本实用新型提出的智能数字程控调度装置的正面立体结构示意图;
图2为本实用新型提出的智能数字程控调度装置的背面立体结构示意图;
图3为本实用新型提出的智能数字程控调度装置的部分零件隐藏状态下的立体结构示意图;
图4为本实用新型提出的智能数字程控调度装置中拆卸板的背面立体结构示意图。
图中:1壳体、2拆卸板、3操作屏、4除尘箱、5送风罩、6散热风扇、7散热格栅、8抽气风机、9过滤网、10抽尘罩、11电极板、12静电发生器、13电机、14主动皮带轮、15送风口、16旋转轴、17从动皮带轮、18导风板。
具体实施方式
下面将结合本实用新型实施例中的附图,对本实用新型实施例中的技术方案进行清楚、完整地描述,显然,所描述的实施例仅仅是本实用新型一部分实施例,而不是全部的实施例。
参照图1-4,智能数字程控调度装置,包括壳体1、拆卸板2、操作屏3、除尘箱4、送风罩5、散热机构和除尘机构,所述拆卸板2通过螺栓安装在壳体1的正面外壁,且操作屏3固定在拆卸板2上,所述除尘箱4焊接在壳体1的顶部外壁,且送风罩5固定在壳体1的一侧外壁,所述散热机构和除尘机构依次设在壳体1上;
所述散热机构由散热风扇6、散热格栅7和风向调节组件构成,所述散热风扇6通过螺栓固定连通在送风罩5的侧壁,且散热格栅7固定连通在壳体1的另一侧内壁,所述风向调节组件由电机13、主动皮带轮14、送风口15、旋转轴16、从动皮带轮17和导风板18构成,所述电机13通过螺栓固定在壳体1的背面中心外壁,且主动皮带轮14套接在电机13的输出轴上,所述送风口15开设在壳体1的一侧内壁,且旋转轴16通过两个轴承分别与送风口15的两边内壁连接,所述从动皮带轮17和导风板18依次套接在旋转轴16上,且主动皮带轮14和从动皮带轮17通过皮带传动连接,所述导风板18上开设有等距离均匀分布的导风孔,且导风板18位于送风口15内,所述壳体1的另一侧内壁开设有安装口,且散热格栅7通过螺栓固定在安装口的四周内壁,设置有散热机构,通过风向调节组件能够将散热风扇6吹入的冷风的风向进行不断调节,从而提高了散热的范围,使得散热更加均匀,从而提高了该装置的工作效率,延长了该装置的使用寿命;
所述除尘机构由抽气风机8、过滤网9、抽尘罩10和静电除尘组件构成,所述抽气风机8通过螺栓固定连通在除尘箱4的顶部外壁,且过滤网9通过螺栓固定在除尘箱4的一侧内壁,所述抽尘罩10位于壳体1内,且抽尘罩10通过位于过滤网9下方的抽气管与除尘箱4的一侧内壁固定连通,所述除尘箱4的正面铰接有密封门,所述静电除尘组件由通过螺栓依次固定在拆卸板2背面外壁的电极板11和静电发生器12构成,且静电发生器12的输出端与电极板11的输入端电性连接,设置有除尘机构,通过抽气风机8将壳体1内的大部分灰尘从抽尘罩10处抽至除尘箱4内,在过滤网9的拦截下将灰尘收集在除尘箱4内,并且通过静电除尘组件,在静电发生器12的作用下,电极板11产生静电吸附的效果,方便将一些没有被吸掉的灰尘进行二次吸附,进而能够提高整个除尘机构的除尘效果和质量,从而能够在一定程度上降低装置内部附着大量的灰尘对电器元件造成的不良影响。
工作原理:在进行散热时,散热风扇6将冷风从送风口15输送至壳体1内,并且壳体1内的热量从散热格栅7处快速排至外界,与此同时通过电机13驱动主动皮带轮14转动,在皮带的传动作用下,从动皮带轮17驱动旋转轴16转动,进而旋转轴16带动导风板18转动将散热风扇6吹入的冷风的风向不断进行调节,在进行除尘时,通过抽气风机8将壳体1内的大部分灰尘从抽尘罩10处抽至除尘箱4内,在过滤网9的拦截下将灰尘收集在除尘箱4内,在静电发生器12的作用下,电极板11产生静电吸附的效果,方便将一些没有被吸掉的灰尘进行二次吸附,通过定期打开密封门方便对除尘箱4底部收集的灰尘进行定期清理,通过定期将拆卸板2拆下方便进行维护以及定期清理电极板11表面吸附的灰尘。
在本实用新型的描述中,需要理解的是,术语“中心”、“纵向”、“横向”、“长度”、“宽度”、“厚度”、“上”、“下”、“前”、“后”、“左”、 “右”、“竖直”、“水平”、“顶”、“底”、“内”、“外”、“ 顺时针”、“逆时针”等指示的方位或位置关系为基于附图所示的方位或位置关系,仅是为了便于描述本实用新型和简化描述,而不是指示或暗示所指的设备或元件必须具有特定的方位、以特定的方位构造和操作,因此不能理解为对本实用新型的限制。
此外,术语“第一”、 “第二”仅用于描述目的,而不能理解为指示或暗示相对重要性或者隐含指明所指示的技术特征的数量。由此,限定有“第一”、“第二”的特征可以明示或者隐含地包括一个或者更多个该特征。在本实用新型的描述中,“多个”的含义是两个或两个以上,除非另有明确具体的限定。
以上所述,仅为本实用新型较佳的具体实施方式,但本实用新型的保护范围并不局限于此,任何熟悉本技术领域的技术人员在本实用新型揭露的技术范围内,根据本实用新型的技术方案及其实用新型构思加以等同替换或改变,都应涵盖在本实用新型的保护范围之内。
Claims (7)
1.智能数字程控调度装置,包括正面外壁通过螺栓安装有拆卸板(2)的壳体(1),所述拆卸板(2)上固定有操作屏(3),其特征在于,所述壳体(1)的顶部外壁焊接有除尘箱(4),且壳体(1)的一侧外壁固定有送风罩(5),所述壳体(1)上依次设有散热机构和除尘机构,所述散热机构包括通过螺栓固定连通在送风罩(5)侧壁的散热风扇(6)、固定连通在壳体(1)另一侧内壁的散热格栅(7)和风向调节组件,所述除尘机构包括通过螺栓固定连通在除尘箱(4)顶部外壁的抽气风机(8)、通过螺栓固定在除尘箱(4)一侧内壁的过滤网(9)、位于壳体(1)内的抽尘罩(10)和静电除尘组件。
2.根据权利要求1所述的智能数字程控调度装置,其特征在于,所述静电除尘组件包括通过螺栓依次固定在拆卸板(2)背面外壁的电极板(11)和静电发生器(12),且静电发生器(12)的输出端与电极板(11)的输入端电性连接。
3.根据权利要求1所述的智能数字程控调度装置,其特征在于,所述风向调节组件包括通过螺栓固定在壳体(1)背面中心外壁的电机(13)、套接在电机(13)输出轴上的主动皮带轮(14)、开设在壳体(1)一侧内壁的送风口(15)、旋转轴(16)以及依次套接在旋转轴(16)上的从动皮带轮(17)和导风板(18)。
4.根据权利要求3所述的智能数字程控调度装置,其特征在于,所述主动皮带轮(14)和从动皮带轮(17)通过皮带传动连接,且导风板(18)上开设有等距离均匀分布的导风孔。
5.根据权利要求3所述的智能数字程控调度装置,其特征在于,所述旋转轴(16)通过两个轴承分别与送风口(15)的两边内壁连接,且导风板(18)位于送风口(15)内。
6.根据权利要求1所述的智能数字程控调度装置,其特征在于,所述除尘箱(4)的一侧内壁通过位于过滤网(9)下方的抽气管与抽尘罩(10)固定连通,且除尘箱(4)的正面铰接有密封门。
7.根据权利要求1所述的智能数字程控调度装置,其特征在于,所述壳体(1)的另一侧内壁开设有安装口,且散热格栅(7)通过螺栓固定在安装口的四周内壁。
Priority Applications (1)
| Application Number | Priority Date | Filing Date | Title |
|---|---|---|---|
| CN202121841327.3U CN215500248U (zh) | 2021-08-09 | 2021-08-09 | 智能数字程控调度装置 |
Applications Claiming Priority (1)
| Application Number | Priority Date | Filing Date | Title |
|---|---|---|---|
| CN202121841327.3U CN215500248U (zh) | 2021-08-09 | 2021-08-09 | 智能数字程控调度装置 |
Publications (1)
| Publication Number | Publication Date |
|---|---|
| CN215500248U true CN215500248U (zh) | 2022-01-11 |
Family
ID=79757006
Family Applications (1)
| Application Number | Title | Priority Date | Filing Date |
|---|---|---|---|
| CN202121841327.3U Expired - Fee Related CN215500248U (zh) | 2021-08-09 | 2021-08-09 | 智能数字程控调度装置 |
Country Status (1)
| Country | Link |
|---|---|
| CN (1) | CN215500248U (zh) |
Cited By (2)
| Publication number | Priority date | Publication date | Assignee | Title |
|---|---|---|---|---|
| CN115866431A (zh) * | 2022-11-22 | 2023-03-28 | 申瓯通信设备有限公司 | 一种数字程控调度机及其安装辅助机构 |
| CN116169950A (zh) * | 2023-02-06 | 2023-05-26 | 国家电网有限公司 | 一种新能源分布式储能系统 |
-
2021
- 2021-08-09 CN CN202121841327.3U patent/CN215500248U/zh not_active Expired - Fee Related
Cited By (3)
| Publication number | Priority date | Publication date | Assignee | Title |
|---|---|---|---|---|
| CN115866431A (zh) * | 2022-11-22 | 2023-03-28 | 申瓯通信设备有限公司 | 一种数字程控调度机及其安装辅助机构 |
| CN115866431B (zh) * | 2022-11-22 | 2024-08-02 | 申瓯通信设备有限公司 | 一种数字程控调度机及其安装辅助机构 |
| CN116169950A (zh) * | 2023-02-06 | 2023-05-26 | 国家电网有限公司 | 一种新能源分布式储能系统 |
Similar Documents
| Publication | Publication Date | Title |
|---|---|---|
| CN215500248U (zh) | 智能数字程控调度装置 | |
| CN111542208A (zh) | 一种机电设备用循环抽风式除尘散热装置 | |
| CN210182889U (zh) | 一种环网柜散热装置 | |
| CN112670868A (zh) | 一种具有防尘散热功能的电力柜 | |
| CN212783589U (zh) | 一种新能源电池用散热装置 | |
| CN113641620A (zh) | 一种基于计算机大数据用服务器防护装置 | |
| CN217763958U (zh) | 节能型箱式冷水机组 | |
| CN211529107U (zh) | 一种计算机散热装置 | |
| CN216218326U (zh) | 一种电子工程用安全型控制柜 | |
| CN216462343U (zh) | 一种应用于台式回流焊机的散热装置 | |
| CN214125021U (zh) | 一种散热性能好的永磁电机 | |
| CN214396477U (zh) | 一种新能源电动汽车充电站监控终端 | |
| CN209896541U (zh) | 一种具有除尘和散热结构的配电柜 | |
| CN208190454U (zh) | 一种散热效果良好的电机 | |
| CN220122704U (zh) | 一种节能型电机 | |
| CN220042666U (zh) | 光伏专用箱变柜体 | |
| CN214499498U (zh) | 一种高效率的火电厂送风机电机的节能降耗装置 | |
| CN218109636U (zh) | 一种散热性好的电焊机机壳 | |
| CN221429324U (zh) | 用于配电网投资预测装置的安装结构 | |
| CN216210045U (zh) | 一种光纤适配器用散热结构 | |
| CN214625168U (zh) | 一种电动车用电池恒温保护结构 | |
| CN221301581U (zh) | 一种实验室用换气装置 | |
| CN221806759U (zh) | 一种太阳能发电用储能设备 | |
| CN221428767U (zh) | 一种用于储能变流器的除尘装置 | |
| CN219678409U (zh) | 一种具有散热结构的光伏接线盒 |
Legal Events
| Date | Code | Title | Description |
|---|---|---|---|
| GR01 | Patent grant | ||
| GR01 | Patent grant | ||
| CF01 | Termination of patent right due to non-payment of annual fee | ||
| CF01 | Termination of patent right due to non-payment of annual fee |
Granted publication date: 20220111 |