CN215310586U - Multiple filter equipment is used in municipal sewage treatment - Google Patents
Multiple filter equipment is used in municipal sewage treatment Download PDFInfo
- Publication number
- CN215310586U CN215310586U CN202120878970.7U CN202120878970U CN215310586U CN 215310586 U CN215310586 U CN 215310586U CN 202120878970 U CN202120878970 U CN 202120878970U CN 215310586 U CN215310586 U CN 215310586U
- Authority
- CN
- China
- Prior art keywords
- filter screen
- tertiary
- box
- filtering component
- rose box
- Prior art date
- Legal status (The legal status is an assumption and is not a legal conclusion. Google has not performed a legal analysis and makes no representation as to the accuracy of the status listed.)
- Expired - Fee Related
Links
- 239000010865 sewage Substances 0.000 title claims abstract description 45
- 238000001914 filtration Methods 0.000 claims abstract description 74
- 238000004140 cleaning Methods 0.000 claims abstract description 37
- 241000220317 Rosa Species 0.000 claims description 30
- 239000011521 glass Substances 0.000 claims description 5
- 230000006978 adaptation Effects 0.000 claims description 2
- 238000003466 welding Methods 0.000 claims description 2
- 230000000694 effects Effects 0.000 abstract description 4
- XLYOFNOQVPJJNP-UHFFFAOYSA-N water Substances O XLYOFNOQVPJJNP-UHFFFAOYSA-N 0.000 abstract description 4
- 239000011148 porous material Substances 0.000 abstract description 2
- 238000003756 stirring Methods 0.000 description 9
- 230000005540 biological transmission Effects 0.000 description 6
- 239000012535 impurity Substances 0.000 description 2
- 238000010276 construction Methods 0.000 description 1
- 238000004519 manufacturing process Methods 0.000 description 1
- 238000000034 method Methods 0.000 description 1
- 238000007789 sealing Methods 0.000 description 1
- 239000007858 starting material Substances 0.000 description 1
- 239000002351 wastewater Substances 0.000 description 1
Images
Landscapes
- Filtration Of Liquid (AREA)
Abstract
The utility model discloses a multiple filtering device for urban sewage treatment, which comprises a filtering box, a primary filtering component, a secondary filtering component and a tertiary filtering component, wherein the top end of the filtering box is communicated with and provided with a water inlet pipe, the inner cavity of the filtering box is sequentially provided with the primary filtering component, the secondary filtering component and the tertiary filtering component from top to bottom, the bottom end of the filtering box is communicated with a drain pipe with a control valve, the side surface of the filtering box is provided with a sewage discharge through groove matched with the primary filtering component, the secondary filtering component and the tertiary filtering component, and the inner wall of the through groove is provided with a box door; the primary filter assembly comprises a primary filter screen, a telescopic rod and a cleaning plate, the inner wall of the filter box is connected with the primary filter screen which is obliquely arranged, and the telescopic rod parallel to the primary filter screen is arranged above the primary filter screen. This multiple filter equipment for municipal sewage treatment carries out multiple filtration to municipal sewage, avoids the filtration pore to block up, and the filter effect is better.
Description
Technical Field
The utility model belongs to the technical field of sewage treatment, and particularly relates to a multiple filtering device for urban sewage treatment.
Background
Municipal sewage is a generic term for sewage that is discharged into a town sewage system. The load-carrying combined drainage system also comprises production wastewater and trapped rainwater. Municipal sewage mainly comprises domestic sewage and industrial sewage, and is collected by a municipal drainage pipe network and conveyed to a sewage treatment plant for treatment.
Filtration treatment is an important process in sewage treatment, and the used sewage filter equipment in present market mostly only sets up a filtration process, and filter equipment is easy to be blockked up by the debris in the sewage after using a period for filter, makes the filtration insufficient, and whole filter effect is relatively poor.
Disclosure of Invention
The present invention aims to provide a multiple filtration device for municipal sewage treatment to solve the problems of the background art.
In order to achieve the purpose, the utility model provides the following technical scheme: the utility model provides a multiple filtration device for municipal sewage treatment, includes rose box, primary filter assembly, second grade filter assembly and tertiary filter assembly, the inlet tube is installed to the top intercommunication of rose box, the inner chamber of rose box has set gradually primary filter assembly, second grade filter assembly and tertiary filter assembly under from the top, the bottom intercommunication of rose box has the drain pipe of control valve, the blowdown that leads to groove with primary filter assembly, second grade filter assembly and tertiary filter assembly looks adaptation is seted up to the side of rose box, and leads to inslot wall department and be provided with the chamber door.
In a further embodiment, elementary filtering component includes elementary filter screen, telescopic link and clean board, the inner wall connection of rose box has the elementary filter screen that the slope set up, the top of elementary filter screen is provided with the telescopic link rather than being parallel, the stiff end and the rose box inner wall connection of telescopic link, the expansion end is connected with clean board, and the side that clean board is close to elementary filter screen is connected with the cleaning brush, can carry out first filtration to municipal sewage to can avoid elementary filter screen to be blockked up.
In a further embodiment, the second grade filter assembly includes motor, transfer line, second grade filter screen and puddler, the bottom inner wall connection of rose box has the motor, the output shaft of motor has the transfer line, the periphery of transfer line is connected with the puddler that the multiunit set up side by side, wherein is provided with the top of second grade filter screen between two sets of adjacent puddlers, the inner wall fixed connection of second grade filter screen and rose box, the through-hole that supplies the transfer line to pass is seted up to the second grade filter screen, one of them the bottom of puddler is connected with clean pole, clean brush is also connected to the side of clean pole orientation second grade filter screen, can carry out secondary filter to municipal sewage to can avoid the second grade filter screen to be blockked up.
In a further embodiment, tertiary filter subassembly includes tertiary filter screen and clean slat, the inner wall fixed connection of tertiary filter screen and rose box, the top of tertiary filter screen is provided with clean slat, the one end and the transfer line fixed weld of clean slat, the side of clean pole towards tertiary filter screen also is connected with the cleaning brush, can advance three primary filtrations to municipal sewage to can avoid tertiary filter screen to be blockked up.
In a further embodiment, the bottom end of the primary filter screen is connected with a connecting pipe which can be connected with a transmission rod in an auxiliary mode.
In a further embodiment, the spout has been seted up to the inner wall of rose box, the one end of clean pole extend to the spout inner chamber and with spout sliding connection, stability when can assist the rotation of promotion clean pole.
In a further embodiment, vertical logical groove has been seted up to the side of rose box, and leads to groove inner wall department and install perspective glass, the bottom of rose box is connected with the supporting leg, and the condition in the rose box can be looked over in perspective glass's setting.
The utility model has the technical effects and advantages that: the multi-filtration device for urban sewage treatment is integrally provided with the primary filtration component, the secondary filtration component and the tertiary filtration component, so that urban sewage can be successively filtered for three times, and the integral filtration quality is favorably improved; the top ends of the primary filter screen, the secondary filter screen and the tertiary filter screen are respectively provided with a cleaning brush, and the cleaning brushes can automatically clean sundries on the surfaces of the primary filter screen, the secondary filter screen and the tertiary filter screen to avoid filter holes from being blocked; the stirring rod can rotate to stir the urban sewage, so that impurities in the urban sewage can be scattered, the filtration is assisted, and the filtration speed can be increased; this multiple filter equipment for municipal sewage treatment carries out multiple filtration to municipal sewage, avoids the filtration pore to block up, and the filter effect is better.
Drawings
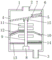
FIG. 1 is a schematic structural view of the present invention;
FIG. 2 is a cross-sectional view of the present invention;
fig. 3 is a schematic view of the construction of the drive rod and the mixing rod of the present invention.
In the figure: the device comprises a filter box 1, a water inlet pipe 2, a water outlet pipe 3, a box door 4, a primary filter screen 5, a telescopic rod 6, a cleaning plate 7, a motor 8, a transmission rod 9, a secondary filter screen 10, a stirring rod 11, a cleaning rod 12, a tertiary filter screen 13, a cleaning slat 14, a connecting pipe 15 and perspective glass 16.
Detailed Description
In the following description, numerous specific details are set forth in order to provide a more thorough understanding of the present invention. It will be apparent, however, to one skilled in the art, that the present invention may be practiced without one or more of these specific details. In other instances, well-known features have not been described in order to avoid obscuring the utility model.
In order to perform multiple filtration of municipal sewage, as shown in fig. 1 and 2, comprising a filtration tank 1, a primary filtration module, a secondary filtration module and a tertiary filtration module, the top end of the filter box 1 is communicated with and provided with a water inlet pipe 2, the inner cavity of the filter box 1 is sequentially provided with a primary filter component, a secondary filter component and a tertiary filter component from top to bottom, the bottom end of the filter box 1 is communicated with a drain pipe 3 with a control valve, the side surface of the filter box 1 is provided with a sewage discharge through groove matched with the primary filter component, the secondary filter component and the tertiary filter component, a box door 4 is hinged on the inner wall of the through groove, magnetic sealing strips are embedded in the contact side surfaces of the box door 4 and the filter box 1, a vertical through groove is arranged on the side surface of the filter box 1, and the through groove inner wall is inlaid with perspective glass 16, and the bottom of the filter box 1 is fixedly welded with supporting legs.
In order to filter out the sundries with larger volume in the urban sewage, a primary filtering component is arranged in the filtering box 1, as shown in fig. 2 and 3, the primary filter assembly includes a primary filter screen 5, a telescopic bar 6 and a cleaning plate 7, the inner wall of the filter box 1 is fixedly connected with a primary filter screen 5 which is obliquely arranged through bolts, a telescopic rod 6 which is parallel to the primary filter screen 5 is arranged above the primary filter screen 5, the fixed end of the telescopic rod 6 is fixedly welded with the inner wall of the filter box 1, the movable end is fixedly connected with a cleaning plate 7 through a bolt, the cleaning plate 7 is perpendicular to the primary filter screen 5, and the side of the cleaning plate 7 close to the primary filter screen 5 is fixedly connected with a cleaning brush through a screw, the cleaning brush is in contact with the primary filter screen 5, and the cleaning brush and the telescopic rod 6 are driven to reciprocate to clean sundries on the surface of the primary filter screen 5, so that the primary filter screen 5 is prevented from being blocked.
In order to stir urban sewage during filtering, assist in filtering and filter out small impurities in the urban sewage, a second-stage filtering component is arranged in the filtering box 1, as shown in fig. 2 and 3, the second-stage filtering component comprises a motor 8, a transmission rod 9, a second-stage filtering net 10 and stirring rods 11, the motor 8 is fixedly welded on the inner wall of the bottom of the filtering box 1, an output shaft of the motor 8 is fixedly connected with the transmission rod 9 through a coupler, a connecting pipe 15 is fixedly welded at the bottom end of the primary filtering net 5, the top end of the transmission rod 9 is rotatably connected with the connecting pipe 15 through a bearing, a plurality of groups of stirring rods 11 arranged in parallel are fixedly welded on the periphery of the transmission rod 9, two groups of stirring rods 11 symmetrically arranged form a group of stirring rods 11, wherein the upper part of the second-stage filtering net 10 is arranged between two adjacent groups of stirring rods 11, and the second-stage filtering net 10 is fixedly welded with the inner wall of the filtering box 1, second grade filter screen 10 sets up the hopper-shaped structure into the inversion, second grade filter screen 10 sets up the through-hole that supplies transfer line 9 to pass, one of them the bottom mounting welding of puddler 11 has clean pole 12, the spout has been seted up to the inner wall of rose box 1, the one end of clean pole 12 extend to spout inner chamber and with spout sliding connection, clean pole 12 also passes through the bolted connection cleaning brush towards the side of second grade filter screen 10, and cleaning brush and the contact of second grade filter screen 10, and the cleaning brush is clear up the debris on second grade filter screen 10 surface under the drive of transfer line 9, avoids second grade filter screen 10 to block up.
Probably contain the small debris of a small amount of volumes in the sewage after primary filtration and secondary filter, in order to filter it, set up tertiary filter assembly in the rose box 1, as shown in fig. 2 and 3, tertiary filter assembly includes tertiary filter screen 13 and clean slat 14, the inner wall fixed weld of tertiary filter screen 13 and rose box 1, tertiary filter screen 13's top is provided with clean slat 14, clean slat 14's one end and transfer line 9 fixed weld, the inner wall sliding contact of the other end and rose box 1, clean pole 12 also is through screw fixedly connected with cleaning brush towards tertiary filter screen 13's side, and cleaning brush and tertiary filter screen 13 contact, and cleaning brush clears up the debris on tertiary filter screen 13 surface under the drive of transfer line 9, avoids tertiary filter screen 13 to block up.
The theory of operation, this multiple filtration device for municipal sewage treatment, during the use, starter motor 8 and telescopic link 6, then pour municipal sewage into rose box 1 from inlet tube 2, municipal sewage passes through primary filter 5, secondary filter 10 and tertiary filter screen 13 filter back from drain pipe 3 discharge rose box 1, telescopic link 6 takes cleaning plate 7 reciprocating motion, and then make the cleaning brush clear up the debris on primary filter 5 surfaces, motor 8 takes transfer line 9 to rotate, make puddler 11 rotate the auxiliary filtration, and puddler 11 rotates and drives cleaning rod 12 and cleaning slat 14 and rotate, and then make the cleaning brush of cleaning rod 12 and cleaning slat 14 bottom clear up the debris on secondary filter 10 and tertiary filter screen 13 surfaces respectively, after filtering, can open the debris of chamber door 4 clearance filtering.
Finally, it should be noted that: the foregoing is merely a preferred embodiment of the present invention and is not intended to limit the present invention.
Claims (7)
1. The utility model provides a multiple filtration device for municipal sewage treatment, includes rose box (1), elementary filtration subassembly, second grade filtration subassembly and tertiary filtration subassembly, its characterized in that: inlet tube (2) are installed in the top intercommunication of rose box (1), the inner chamber of rose box (1) has set gradually elementary filtering component, second grade filtering component and tertiary filtering component from the top down, the bottom intercommunication of rose box (1) has drain pipe (3) of control valve, the blowdown that leads to with elementary filtering component, second grade filtering component and tertiary filtering component looks adaptation is seted up to the side of rose box (1), and leads to inslot wall department and be provided with chamber door (4).
2. The multiple filtration apparatus for municipal sewage treatment according to claim 1, wherein: the primary filter assembly comprises a primary filter screen (5), a telescopic rod (6) and a cleaning plate (7), the inner wall of the filter box (1) is connected with the primary filter screen (5) which is obliquely arranged, the telescopic rod (6) which is parallel to the primary filter screen is arranged above the primary filter screen (5), the fixed end of the telescopic rod (6) is connected with the inner wall of the filter box (1), the movable end of the telescopic rod is connected with the cleaning plate (7), and the cleaning plate (7) is connected with a cleaning brush close to the side surface of the primary filter screen (5).
3. The multiple filtration apparatus for municipal sewage treatment according to claim 1, wherein: second grade filter assembly includes motor (8), transfer line (9), second grade filter screen (10) and puddler (11), the bottom inner wall of rose box (1) is connected with motor (8), the output shaft of motor (8) has transfer line (9), the periphery of transfer line (9) is connected with puddler (11) that the multiunit set up side by side, wherein is provided with the top of second grade filter screen (10) between adjacent two sets of puddler (11), the inner wall fixed connection of second grade filter screen (10) and rose box (1), the through-hole that supplies transfer line (9) to pass is seted up in second grade filter screen (10), one of them the bottom of puddler (11) is connected with cleaning rod (12), cleaning rod (12) are also connected the cleaning brush towards the side of second grade filter screen (10).
4. The multiple filtration apparatus for municipal sewage treatment according to claim 3, wherein: tertiary filter assembly includes tertiary filter screen (13) and clean slat (14), the inner wall fixed connection of tertiary filter screen (13) and rose box (1), the top of tertiary filter screen (13) is provided with clean slat (14), the one end and the transfer line (9) fixed welding of clean slat (14), clean pole (12) also are connected with the cleaning brush towards the side of tertiary filter screen (13).
5. The multiple filtration apparatus for municipal sewage treatment according to claim 2, wherein: the bottom end of the primary filter screen (5) is connected with a connecting pipe (15).
6. The multiple filtration apparatus for municipal sewage treatment according to claim 3, wherein: the inner wall of the filter box (1) is provided with a sliding groove, and one end of the cleaning rod (12) extends to the inner cavity of the sliding groove and is in sliding connection with the sliding groove.
7. The multiple filtration apparatus for municipal sewage treatment according to claim 1, wherein: vertical logical groove has been seted up to the side of rose box (1), and leads to groove inner wall department and install perspective glass (16), the bottom of rose box (1) is connected with the supporting leg.
Priority Applications (1)
| Application Number | Priority Date | Filing Date | Title |
|---|---|---|---|
| CN202120878970.7U CN215310586U (en) | 2021-04-27 | 2021-04-27 | Multiple filter equipment is used in municipal sewage treatment |
Applications Claiming Priority (1)
| Application Number | Priority Date | Filing Date | Title |
|---|---|---|---|
| CN202120878970.7U CN215310586U (en) | 2021-04-27 | 2021-04-27 | Multiple filter equipment is used in municipal sewage treatment |
Publications (1)
| Publication Number | Publication Date |
|---|---|
| CN215310586U true CN215310586U (en) | 2021-12-28 |
Family
ID=79596239
Family Applications (1)
| Application Number | Title | Priority Date | Filing Date |
|---|---|---|---|
| CN202120878970.7U Expired - Fee Related CN215310586U (en) | 2021-04-27 | 2021-04-27 | Multiple filter equipment is used in municipal sewage treatment |
Country Status (1)
| Country | Link |
|---|---|
| CN (1) | CN215310586U (en) |
Cited By (1)
| Publication number | Priority date | Publication date | Assignee | Title |
|---|---|---|---|---|
| CN117182719A (en) * | 2023-11-03 | 2023-12-08 | 潍坊嘉德隆义齿有限公司 | Device and method for manufacturing dental crowns |
-
2021
- 2021-04-27 CN CN202120878970.7U patent/CN215310586U/en not_active Expired - Fee Related
Cited By (1)
| Publication number | Priority date | Publication date | Assignee | Title |
|---|---|---|---|---|
| CN117182719A (en) * | 2023-11-03 | 2023-12-08 | 潍坊嘉德隆义齿有限公司 | Device and method for manufacturing dental crowns |
Similar Documents
| Publication | Publication Date | Title |
|---|---|---|
| CN116534956B (en) | A high-efficiency electrolysis device and electrolysis method for sewage treatment | |
| CN114920372A (en) | Industrial wastewater regeneration system | |
| CN215505924U (en) | Industrial wastewater sedimentation tank capable of dredging | |
| CN215310586U (en) | Multiple filter equipment is used in municipal sewage treatment | |
| CN114405151A (en) | Gravity rotary type sewage treatment device and sewage treatment method | |
| CN216764521U (en) | Sewage treatment pond with deodorization function | |
| CN216062351U (en) | Filtering device for fish pond for removing solid suspended matters | |
| CN112057931B (en) | Primary filtering device for sewage treatment | |
| CN116693133A (en) | Efficient municipal sludge treatment system | |
| CN214399993U (en) | Sewage treatment plant convenient to wash | |
| CN213977219U (en) | Water treatment filter tank with nano ion filter membrane | |
| CN220317563U (en) | Chemical fertilizer industrial wastewater purification system | |
| CN212091194U (en) | Novel sewage treatment equipment | |
| CN214693593U (en) | Energy-concerving and environment-protective sewage treatment device | |
| CN108916123B (en) | Prefabricated sewage of integral type promotes pump station | |
| CN216069933U (en) | Building site water conservation and energy saving carwash pond | |
| CN222709123U (en) | Sewage station leachate equalizing basin structure | |
| CN221296625U (en) | Heavy septic tank for domestic sewage | |
| CN221771775U (en) | A sewage recovery device for environmental engineering | |
| CN223716633U (en) | A water treatment compound high-efficiency bacterial solution device | |
| CN219314643U (en) | Filter equipment for sewage pollutant | |
| CN220098787U (en) | Ozone equipment with pretreatment function | |
| CN218620359U (en) | Wastewater treatment device with anti-blocking structure | |
| CN216513138U (en) | Industrial circulating water dirt purification device | |
| CN223311751U (en) | A sewage treatment device with self-cleaning function |
Legal Events
| Date | Code | Title | Description |
|---|---|---|---|
| GR01 | Patent grant | ||
| GR01 | Patent grant | ||
| CF01 | Termination of patent right due to non-payment of annual fee | ||
| CF01 | Termination of patent right due to non-payment of annual fee |
Granted publication date: 20211228 |