CN215280319U - Scaffold base automatic weld machine - Google Patents
Scaffold base automatic weld machine Download PDFInfo
- Publication number
- CN215280319U CN215280319U CN202121191359.3U CN202121191359U CN215280319U CN 215280319 U CN215280319 U CN 215280319U CN 202121191359 U CN202121191359 U CN 202121191359U CN 215280319 U CN215280319 U CN 215280319U
- Authority
- CN
- China
- Prior art keywords
- feeding
- cylinder
- gun
- tray
- welding
- Prior art date
- Legal status (The legal status is an assumption and is not a legal conclusion. Google has not performed a legal analysis and makes no representation as to the accuracy of the status listed.)
- Active
Links
- 238000003466 welding Methods 0.000 claims abstract description 107
- 230000007246 mechanism Effects 0.000 claims abstract description 20
- 230000005540 biological transmission Effects 0.000 claims description 19
- 238000007599 discharging Methods 0.000 claims description 16
- 230000007306 turnover Effects 0.000 claims description 15
- 238000003860 storage Methods 0.000 claims description 5
- 208000032370 Secondary transmission Diseases 0.000 claims description 4
- 239000011324 bead Substances 0.000 claims description 3
- 230000001590 oxidative effect Effects 0.000 claims description 2
- 230000001681 protective effect Effects 0.000 claims description 2
- 238000004519 manufacturing process Methods 0.000 abstract description 7
- 239000000463 material Substances 0.000 abstract description 6
- 230000007723 transport mechanism Effects 0.000 abstract description 2
- 239000003638 chemical reducing agent Substances 0.000 description 5
- 230000005611 electricity Effects 0.000 description 1
- 238000000034 method Methods 0.000 description 1
- 238000012986 modification Methods 0.000 description 1
- 230000004048 modification Effects 0.000 description 1
- 230000003647 oxidation Effects 0.000 description 1
- 238000007254 oxidation reaction Methods 0.000 description 1
- 238000006467 substitution reaction Methods 0.000 description 1
Images
Landscapes
- Specific Conveyance Elements (AREA)
Abstract
The utility model discloses a scaffold collet automatic welding machine, which comprises a main body frame, wherein at least one automatic welding device is arranged on a middle platform of the main body frame, and the automatic welding device can weld a workpiece; a conveying mechanism is arranged below the automatic welding equipment and is connected with a driving mechanism, the driving mechanism drives the conveying mechanism to operate, and a welded workpiece is conveyed out. The utility model discloses an automatic weld, the workman only need put into the feed bin to the tray in, cooperation material loading automatic conveying device can realize from the material loading to welded seamless joint, and the assigned position is sent into to the work piece accessible transport mechanism that the welding was accomplished, has solved the problem that prior art needs the people to take out the work piece, has and saves time, laborsaving, and production efficiency is high, low in labor strength, greatly reduced manufacturing cost.
Description
Technical Field
The utility model relates to an automatic welding machine, especially a scaffold frame collet automatic welding machine.
Background
Scaffold frame collet welding is in the same place tray and lead screw welding, during the welding, needs the manual work to place tray and lead screw on the welding machine and welds, needs the manual work to take out the work piece that has welded after the welding is accomplished. And one person can only operate one machine, and the method is time-consuming and labor-consuming, and has low production efficiency and high labor intensity.
Disclosure of Invention
Not enough to above-mentioned technical problem exists, the utility model provides a scaffold frame collet automatic weld machine, this automatic weld machine and the cooperation of the automatic conveyer of material loading can realize from the material loading to welded seamless linking, have improved production efficiency. The specific scheme is as follows:
the utility model provides a scaffold frame collet automatic weld machine which characterized in that: the automatic welding machine comprises a main body frame, wherein at least one automatic welding device is arranged on a middle platform of the main body frame, and the automatic welding device can be used for welding workpieces; a conveying mechanism is arranged below the automatic welding equipment and is connected with a driving mechanism, the driving mechanism drives the conveying mechanism to operate, and a welded workpiece is conveyed out.
The conveying mechanism comprises a secondary transmission shaft, a main transmission shaft and a conveying belt, the secondary transmission shaft and the main transmission shaft are respectively arranged at the left end and the right end of the main body frame and are connected through the conveying belt, and the conveying belt is used for receiving a welded workpiece; when the number of the automatic welding devices is multiple, in order to enable the conveyor belt to run stably, the middle part of the main body frame is additionally provided with the driven transmission shaft.
The automatic welding equipment comprises a welding device, a disc feeding device, a clamping and rotating device, a gun feeding device, a tube supporting and discharging device, a feeding device and a jacking device.
The welding device comprises a wire feeding disc shaft, a wire feeding motor, an electromagnetic valve and a welding gun, wherein a welding wire is wound on the wire feeding disc shaft, the tail end of the welding wire is arranged between an upper wire feeding wheel and a lower wire feeding wheel of the wire feeding motor, and the welding wire is clamped by the upper wire feeding wheel and the lower wire feeding wheel and is conveyed into the welding gun; one end of the welding gun is connected with the wire feeding motor, and the other end of the welding gun is fixed on the gun feeding device; the air outlet of the electromagnetic valve is connected with the air inlet of the welding gun through an air pipe, so that welding protective gas can be sprayed out of the welding gun, and the welding bead is prevented from oxidizing the air outlet.
The tray feeding device comprises a bin frame, a tray turning cylinder, a universal joint bearing, a sucker, a magnet, a hinge, a tray feeding support, a tray feeding oil cylinder and a push plate, wherein two rails are arranged on the tray feeding support, and the push plate is slidably arranged in the rails; a feed bin for placing a workpiece tray is arranged on the tray feeding support at one end of the track, a notch for allowing the push plate to pass through is formed in the bottom of the feed bin, a tray pushing oil cylinder is arranged on the tray feeding support at the other end of the track, an oil cylinder rod of the tray pushing oil cylinder is connected with the push plate, and the oil cylinder rod of the tray pushing oil cylinder extends out to drive the push plate to move rightwards so as to push the workpiece tray to the sucker;
one end of the sucker is movably connected with the tray feeding bracket, and a plurality of magnets are arranged on the sucker and used for sucking the workpiece tray and preventing the workpiece tray from falling; the turnover cylinder capable of driving the turnover cylinder to turn over is arranged above the sucker, one end of the turnover cylinder is connected with the storage bin, the other end of the turnover cylinder is connected with the sucker through the universal joint bearing, the cylinder rod of the turnover cylinder extends out, the sucker can be pushed to turn over by 90 degrees, and a workpiece tray is sent into the clamping and rotating device.
The clamping and rotating device comprises a large gear, a rotating shaft, a tray mold, a box body, a small gear, a sliding block, a guide rail, a left clamping cylinder plate, a left clamping cylinder and a rotating motor, wherein the left clamping cylinder plate is provided with the left clamping cylinder, and a cylinder rod of the left clamping cylinder is connected with the box body; two guide rails are arranged on a main body frame at one end of the left clamping cylinder plate, sliding blocks are arranged on the guide rails in a sliding mode, and the box body is fixed on the sliding blocks and can move along with the sliding blocks; a rotating motor is arranged on the box body, and a pinion is arranged on a motor shaft of the rotating motor; the box body is provided with a rotating shaft, a gear wheel is arranged on the rotating shaft, the gear wheel is meshed with the pinion, and a tray die is arranged on the rotating shaft far away from one end of the gear wheel and used for receiving a workpiece tray.
The feeding device comprises a feeding slope plate, a feeding cylinder and a feeding support, the feeding slope plate is arranged at the upper end of the feeding support, the feeding cylinder is arranged on one side of the feeding slope plate, the workpiece lead screw is flatly laid on the feeding slope plate, and the workpiece lead screw can be fed into the pipe supporting and discharging device by stretching out a cylinder rod of the feeding cylinder.
The trusteeship unloading device comprises an unloading cylinder, an unloading bottom plate, an unloading slope plate, a trusteeship bearing and a bearing support, wherein the unloading slope plate is arranged at the upper end of the unloading bottom plate, the unloading cylinder is arranged on one side of the unloading slope plate, the bearing support is fixed on two cylinder rods of the unloading cylinder, two trusteeship bearings are arranged on the bearing support, and the trusteeship bearings are used for supporting a workpiece screw.
The jacking device is matched with the clamping and rotating device to clamp the workpiece tray and the workpiece lead screw, and comprises a right clamping cylinder plate, a right clamping cylinder and a tip, wherein the right clamping cylinder is arranged on the right clamping cylinder plate, the tip is arranged on a cylinder rod of the right clamping cylinder, and the cylinder rod of the right clamping cylinder extends out to drive the tip to push the workpiece lead screw so as to clamp the workpiece lead screw and the workpiece tray.
The gun feeding device comprises a gun feeding guide rail, a gun feeding support, a gun feeding cylinder, a welding gun fixture and a gun feeding sliding plate, wherein the gun feeding guide rail is arranged on a transverse plate of the gun feeding support, a gun feeding sliding block is slidably arranged on the gun feeding guide rail, and the gun feeding sliding plate is fixed on the gun feeding sliding block; the vertical plate of the gun feeding support is provided with a gun feeding cylinder, a cylinder rod of the gun feeding cylinder is connected with a gun feeding sliding plate, a welding gun fixture is arranged on the gun feeding sliding plate and connected with a welding gun, and the gun feeding cylinder acts to drive the gun feeding sliding plate to move on a gun feeding guide rail, so that the welding gun is fed to a welding position.
The utility model discloses an automatic weld, the workman only need put into the feed bin to the tray in, cooperation material loading automatic conveying device can realize from the material loading to welded seamless joint, and the assigned position is sent into to the work piece accessible transport mechanism that the welding was accomplished, has solved the problem that prior art needs the people to take out the work piece, the utility model discloses have save time, laborsaving, production efficiency is high, low in labor strength, greatly reduced manufacturing cost.
Drawings
Fig. 1 is a front view of the present invention;
fig. 2 is a top view of the present invention;
fig. 3 is a right side view of the present invention;
FIG. 4 is a front view of the automatic welding apparatus of the present invention;
FIG. 5 is a right side view of the automatic welding apparatus of the present invention;
FIG. 6 is a top view of the automatic welding apparatus of the present invention;
fig. 7 is a front view of the disc feeding device of the present invention;
fig. 8 is a right side view of the disc feeding apparatus of the present invention;
fig. 9 is a plan view of the disc feeding device of the present invention;
fig. 10 is a front view of the gun feeder of the present invention;
fig. 11 is a right side view of the gun feeder of the present invention;
fig. 12 is a top view of the gun feeder of the present invention;
figure 13 is a front view of the tube discharge apparatus of the present invention;
figure 14 is a top view of the escrow discharge apparatus of the present invention;
figure 15 is a right side view of the tube discharge apparatus of the present invention;
fig. 16 is a front view of the clamping and rotating device of the present invention;
fig. 17 is a left side view of the clamping and rotating device of the present invention;
fig. 18 is a top view of the clamping and rotating device of the present invention;
fig. 19 is a front view of the hydraulic apparatus of the present invention;
fig. 20 is a right side view of the hydraulic apparatus of the present invention;
fig. 21 is a plan view of the hydraulic device of the present invention.
Detailed Description
The utility model discloses a scaffold frame collet automatic weld machine is described in further detail below with the attached drawing.
As shown in fig. 1 to 3, three automatic welding apparatuses 2 are provided on a middle stage of a main body frame 1, and the automatic welding apparatuses 2 can weld workpieces. And a conveying mechanism is arranged below the three automatic welding devices 2, is connected with a driving mechanism, and is driven by the driving mechanism to operate, so that the conveying mechanism is in circulating transmission to convey the welded workpieces.
The conveying mechanism comprises a driven transmission shaft 7, a main transmission shaft 9 and a conveying belt 6, wherein the driven transmission shaft 7 and the main transmission shaft 9 are respectively arranged at the left end and the right end of the main body frame 1 and are connected through the conveying belt 6. In order to make the conveyor belt 6 run smoothly, a driven shaft 7 is further provided at the middle of the main body frame 1.
The driving mechanism comprises a speed reducer 10 and a transmission motor 3, an output shaft of the speed reducer 10 is connected with a main transmission shaft 9 through a coupler 11, and an input shaft of the speed reducer 10 is connected with the transmission motor 3. Transmission motor 3 passes through the cable and is connected with the control box 8 that sets up in main body frame 1 upper end, and transmission motor 3 gets electricity, drives speed reducer 10 operation to it is rotatory to drive final drive shaft 9, makes conveyer belt 6 operation, will drop and transport away at the good work piece that welds on conveyer belt 6.
As shown in fig. 4-6, the automatic welding device 2 includes a welding device, a disc feeding device 13, a clamping and rotating device 21, a gun feeding device 20, a tube supporting and discharging device 19, a feeding device, and a jacking device.
The welding device comprises a wire feeding disk shaft 25, a wire feeding motor 24, an electromagnetic valve 22 and a welding gun 28, wherein a welding wire is wound on the wire feeding disk shaft 25, the tail end of the welding wire is arranged between an upper wire feeding wheel and a lower wire feeding wheel of the wire feeding motor 24, and the welding wire is clamped by the upper wire feeding wheel and the lower wire feeding wheel and is conveyed into the welding gun 28. One end of the welding torch 28 is connected to the wire feeding motor 24, and the other end of the welding torch 28 is fixed to the torch feeding device 20. The outlet of the solenoid valve 22 is connected to the inlet of the welding torch 28 via a gas pipe, so that welding shielding gas can be sprayed from the welding torch 28 to prevent oxidation of the weld bead. The wire feeding motor 24, the wire feeding disk shaft 25 and the electromagnetic valve 22 are all arranged on a wire feeding motor support plate 23, and the wire feeding motor support plate 23 is fixed on the wire feeding disk device 13. The solenoid valve 22 is connected to the welding power source 4 via a cable.
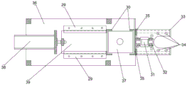
As shown in fig. 7-9, the tray feeding device 13 includes a bin frame 30, a tray turning cylinder 31, a universal joint bearing 32, a suction cup 33, a magnet 34, a hinge 35, a tray feeding bracket 36, a tray feeding cylinder 38 and a push plate 39, wherein two parallel rails 29 are fixed on the tray feeding bracket 36 through bolts, and the push plate 39 is slidably mounted in the rails 29. A stock bin 30 is arranged on a tray conveying support 36 at one end of the rail 29, the stock bin 30 consists of two U-shaped plates, the bottoms of the two U-shaped plates are provided with notches for the push plate 39 to pass through, and the workpiece trays 37 are stacked in the stock bin 30 one by one. A tray pushing cylinder 38 is arranged on the tray feeding bracket 36 at the other end of the rail 29, the cylinder rod of the tray pushing cylinder 38 is connected with a pushing plate 39, and the pushing plate 39 is driven to move rightwards by extending out of the cylinder rod of the tray pushing cylinder 38, so that the workpiece tray 37 is pushed onto the suction cup 33.
One end of the sucking disc 33 is connected with a disc feeding support 36 through a hinge 35, a plurality of magnets 34 are arranged on the sucking disc 33, and the magnets 34 can be used for sucking the workpiece tray 37 and preventing the workpiece tray from falling. A U-shaped hook is arranged on the sucking disc 33, one end of a universal joint bearing 32 is connected with the U-shaped hook of the sucking disc 33 through a pin shaft, the other end of the universal joint bearing 32 is connected with a cylinder rod of a disc turning cylinder 31, and the disc turning cylinder 31 is fixedly arranged on the storage bin 30. The suction cup 33 is pushed to turn over by 90 degrees by extending the cylinder rod of the tilting cylinder 31, and the workpiece tray 37 is sent to the clamping and rotating device 21.
As shown in fig. 16 to 18, the clamping and rotating device 21 includes a large gear 51, a rotating shaft 52, a tray mold 53, a box 54, a small gear 55, a slider 56, a guide rail 57, a left clamping cylinder plate 58, a left clamping cylinder 59, and a rotating motor 60, the left clamping cylinder plate 58 is fixed to the main body frame 1 by bolts, the left clamping cylinder plate 58 is fixedly connected to the left clamping cylinder 59 by bolts, and a cylinder rod of the left clamping cylinder 59 is connected to the box 54. Two parallel guide rails 57 are fixed to the main body frame 1 at one end of the left clamp cylinder plate 58 by bolts, sliders 56 are slidably mounted on the guide rails 57, and the box body 54 is fixed to the sliders 56 and can move along with the sliders 56. The rotating electric machine 60 is fixedly connected to the case 54 by bolts, and a pinion 55 is provided on a motor shaft of the rotating electric machine 60. A rotating shaft 52 is provided on the box 54, a large gear 51 is provided on the rotating shaft 52, the large gear 51 is engaged with a small gear 55, a tray mold 53 is provided on the rotating shaft 52 at an end away from the large gear 51, and the tray mold 53 is used for receiving the workpiece tray 37.
As shown in fig. 4-6, the feeding device includes a feeding ramp plate 14, a feeding cylinder 26 and feeding brackets 27, the two feeding brackets 27 are fixed on the main body frame 1, the feeding ramp plate 14 is disposed at the upper end of each feeding bracket 27, the feeding cylinder 26 is disposed at one side of each feeding ramp plate 14, the workpiece lead screw 15 is flatly laid on the feeding ramp plate 14, and the workpiece lead screw 15 can be fed to the pipe supporting and discharging device 19 by extending out of the cylinder rod of the feeding cylinder 26.
As shown in fig. 4, 5, 13, 14 and 15, the pipe supporting and discharging device 19 includes a discharging cylinder 46, a discharging bottom plate 47, a discharging slope plate 48, pipe supporting bearings 49 and a bearing bracket 50, wherein the two discharging bottom plates 47 are respectively fixedly connected to the main body frame 1 through bolts, the discharging slope plate 48 is arranged at the upper end of each discharging bottom plate 47, the discharging cylinder 46 is arranged at one side of each discharging slope plate 48, the bearing bracket 50 is fixed to two cylinder rods of the discharging cylinder 46, and the two pipe supporting bearings 49 are fixedly connected to the bearing bracket 50 through bolts. The initial state of the unloading cylinder 46 is a cylinder rod extending state, the positions of the two support tube bearings 49 are higher than the upper plane of the unloading slope plate 48, the workpiece screw rod 15 is supported by the four support tube bearings 49, after welding is completed, the cylinder rod of the unloading cylinder 46 falls down to drive the support tube bearings 49 to fall, the support tube bearings 49 are lower than the upper plane of the unloading slope plate 48, and the welded workpiece rolls down onto the conveyor belt 6 along the unloading slope plate 48.
As shown in fig. 4 and 6, a main body frame 1 at one end of the pipe discharge device 19 is provided with a tightening device which engages with the clamp rotating device 21 to clamp the workpiece tray 37 to the workpiece screw 15. The jacking device comprises a right clamping cylinder plate 18, a right clamping cylinder 17 and a tip 16, wherein the right clamping cylinder plate 18 is fixed on the main body frame 1 through a bolt, the right clamping cylinder 17 is arranged on the right clamping cylinder plate 18, the tip 16 is arranged on a cylinder rod of the right clamping cylinder 17, and the cylinder rod of the right clamping cylinder 17 extends out to drive the tip 16 to push the workpiece lead screw 15 so as to clamp the workpiece lead screw 15 and the workpiece tray 37.
As shown in fig. 10 to 12, the gun feeder 20 includes a gun feeder guide rail 41, a gun feeder bracket 42, a gun feeder cylinder 43, a gun welding jig 44, and a gun feeder slide plate 45, the gun feeder bracket 42 is fixed to the main body frame 1 by bolts, the gun feeder guide rail 41 is provided on a cross plate of the gun feeder bracket 42, a gun feeder slide block 40 is slidably mounted on the gun feeder guide rail 41, and the gun feeder slide plate 45 is fixed to the gun feeder slide block 40. A gun feeding cylinder 43 is provided on a vertical plate of the gun feeding bracket 42, a cylinder rod of the gun feeding cylinder 43 is connected to a gun feeding slide plate 45, a gun holder 44 is fixed to the gun feeding slide plate 45 by a bolt, the gun holder 44 is connected to the welding gun 28, and the gun feeding cylinder 43 is operated to move the gun feeding slide plate 45 on the gun feeding guide rail 41, thereby feeding the welding gun 28 to a welding position.
As shown in fig. 1, 19, 20 and 21, a hydraulic device 5 is provided inside the lower end of the main body frame 1, the hydraulic device 5 includes an oil pump motor 61, an oil pump 62, an oil outlet pipe 63, an oil valve 64, a pressure gauge 65, an oil path distributor 66, an oil tank 67 and an oil inlet pipe 68, the oil tank 67 is provided with the oil pump motor 61, and a motor shaft of the oil pump motor 61 is connected to an input shaft of the oil pump 62. One end of an oil inlet pipe 68 is inserted into the oil tank 67, the other end of the oil inlet pipe 68 is connected with an oil inlet of the oil pump 62, an oil outlet of the oil pump 62 is connected with an oil inlet of the oil way distributor 66 through an oil outlet pipe 63, and three groups of oil outlets of the oil way distributor 66 are respectively connected with the corresponding push disc oil cylinders 38 through oil pipes. The oil passage distributor 66 is fixed to an oil tank 67, three oil valves 64 are arranged in parallel on the oil passage distributor 66, and the oil valves 64 are connected to the control box 8 by cables. A pressure gauge 65 is arranged on one side of the oil way distributor 66, and the oil pump motor 61 is connected with the control box 8 through a cable. The oil pump motor 61 is powered to drive the oil pump 62 to rotate, oil is sucked through the oil inlet pipe 68, the oil is conveyed into the oil pump 62 and then enters the oil way distributor 66 through the oil outlet pipe, the corresponding oil valve 64 is powered to be opened, the oil is conveyed into the corresponding push disc oil cylinder 38, and the push disc oil cylinder 38 is enabled to act.
Before welding, welding wires are respectively conveyed into the welding guns 28 manually, the workpiece lead screws 15 to be welded are flatly laid on the feeding slope plates 14, and the workpiece trays 37 are placed in the storage bins 30.
When the equipment is started, the transmission motor 3 is electrified to drive the speed reducer 10 to operate, so that the main transmission shaft 9 rotates, and the transmission belt 6 is driven to operate. Meanwhile, the oil valve 64 is electrified to control the action of the push disc oil cylinder 38, so that the push plate 39 is driven to push the workpiece tray 37 to the suction disc 33 through the notch at the bottom of the storage bin 30, and the workpiece tray 37 is sucked by the magnet 34 and does not fall off. After the workpiece is pushed to the right position, the tray pushing cylinder 38 is reset, the next workpiece tray 37 falls down, and simultaneously, the tray overturning cylinder 31 acts to overturn the suction cup 33 by 90 degrees, so that the workpiece tray 37 is sent to the tray die 53. At this time, the feeding cylinder 26 operates to feed the workpiece lead screw 15 to the support tube bearing 49, the right clamp cylinder 17 operates to drive the center 16 to push the workpiece lead screw 15 to be clamped with the workpiece tray 37, the clamping rear tilting plate cylinder 31 is reset to the initial position, the gun feeding cylinder 43 operates to feed the welding gun 28 to the welding position.
The rotating motor 60 is powered on, the rotating shaft 52 is driven to rotate through meshing of the small gear 55 and the large gear 51, so that the workpiece is driven to rotate, the welding power supply 4 is powered on while rotating, the wire feeding motor 24 is controlled to start feeding wires to weld the workpiece, the welding is completed, the welding power supply 4 is powered off, the wire feeding motor 24 stops, the rotating motor 60 also stops, the gun feeding cylinder 43 resets, the right clamping cylinder 17 resets and releases, and the left clamping cylinder 59 moves to drive the box body 54 to drive the tray mold 53 to move leftwards to release the welded workpiece. At this time, the unloading cylinder 46 acts to drive the supporting tube bearing 49 to fall, so that the supporting tube bearing 49 is lower than the upper plane of the unloading slope plate 48, the welded workpiece slides onto the conveyor belt 6 along the unloading slope plate 48, the workpiece is conveyed to a specified position, at this time, the left clamping cylinder 59 resets, and the welding is finished. The next workpiece can be welded by repeating the above actions. The other two groups of automatic welding equipment are also the same action steps. The utility model discloses cooperation automatic feeding conveyer, the people only need put into feed bin 30 to work piece tray 37 and can realize automatic weld. One person can operate three groups of equipment, time and labor are saved, the production efficiency is high, and the labor cost is low.
Finally, it should be noted that: the above embodiments are only used to illustrate the technical solution of the present invention, and not to limit it; although the present invention has been described in detail with reference to the foregoing embodiments, it should be understood by those skilled in the art that: the technical solutions described in the foregoing embodiments may still be modified, or some technical features may be equivalently replaced; such modifications and substitutions do not depart from the spirit and scope of the present invention in its corresponding aspects.
Claims (10)
1. The utility model provides a scaffold frame collet automatic weld machine which characterized in that: the automatic welding machine comprises a main body frame, wherein at least one automatic welding device is arranged on a middle platform of the main body frame, and the automatic welding device can be used for welding workpieces; a conveying mechanism is arranged below the automatic welding equipment and is connected with a driving mechanism, the driving mechanism drives the conveying mechanism to operate, and a welded workpiece is conveyed out.
2. The automatic welding machine for scaffold bottom supports according to claim 1, characterized in that: the conveying mechanism comprises a secondary transmission shaft, a main transmission shaft and a conveying belt, the secondary transmission shaft and the main transmission shaft are respectively arranged at the left end and the right end of the main body frame and are connected through the conveying belt, and the conveying belt is used for receiving a welded workpiece; when the number of the automatic welding devices is multiple, in order to enable the conveyor belt to run stably, the middle part of the main body frame is additionally provided with the driven transmission shaft.
3. The automatic welding machine for scaffold bottom supports according to claim 1, characterized in that: the automatic welding equipment comprises a welding device, a disc feeding device, a clamping and rotating device, a gun feeding device, a tube supporting and discharging device, a feeding device and a jacking device.
4. The automatic welding machine for scaffold bottom supports according to claim 3, characterized in that: the welding device comprises a wire feeding disc shaft, a wire feeding motor, an electromagnetic valve and a welding gun, wherein a welding wire is wound on the wire feeding disc shaft, the tail end of the welding wire is arranged between an upper wire feeding wheel and a lower wire feeding wheel of the wire feeding motor, and the welding wire is clamped by the upper wire feeding wheel and the lower wire feeding wheel and is conveyed into the welding gun; one end of the welding gun is connected with the wire feeding motor, and the other end of the welding gun is fixed on the gun feeding device; the air outlet of the electromagnetic valve is connected with the air inlet of the welding gun through an air pipe, so that welding protective gas can be sprayed out of the welding gun, and the welding bead is prevented from oxidizing the air outlet.
5. The automatic welding machine for scaffold bottom supports according to claim 3, characterized in that: the tray feeding device comprises a bin frame, a tray turning cylinder, a universal joint bearing, a sucker, a magnet, a hinge, a tray feeding support, a tray feeding oil cylinder and a push plate, wherein two rails are arranged on the tray feeding support, and the push plate is slidably arranged in the rails; a feed bin for placing a workpiece tray is arranged on the tray feeding support at one end of the track, a notch for allowing the push plate to pass through is formed in the bottom of the feed bin, a tray pushing oil cylinder is arranged on the tray feeding support at the other end of the track, an oil cylinder rod of the tray pushing oil cylinder is connected with the push plate, and the oil cylinder rod of the tray pushing oil cylinder extends out to drive the push plate to move rightwards so as to push the workpiece tray to the sucker;
one end of the sucker is movably connected with the tray feeding bracket, and a plurality of magnets are arranged on the sucker and used for sucking the workpiece tray and preventing the workpiece tray from falling; the turnover cylinder capable of driving the turnover cylinder to turn over is arranged above the sucker, one end of the turnover cylinder is connected with the storage bin, the other end of the turnover cylinder is connected with the sucker through the universal joint bearing, the cylinder rod of the turnover cylinder extends out, the sucker can be pushed to turn over by 90 degrees, and a workpiece tray is sent into the clamping and rotating device.
6. A scaffold base automatic welding machine according to claim 3 or 5, characterized in that: the clamping and rotating device comprises a large gear, a rotating shaft, a tray mold, a box body, a small gear, a sliding block, a guide rail, a left clamping cylinder plate, a left clamping cylinder and a rotating motor, wherein the left clamping cylinder plate is provided with the left clamping cylinder, and a cylinder rod of the left clamping cylinder is connected with the box body; two guide rails are arranged on a main body frame at one end of the left clamping cylinder plate, sliding blocks are arranged on the guide rails in a sliding mode, and the box body is fixed on the sliding blocks and can move along with the sliding blocks; a rotating motor is arranged on the box body, and a pinion is arranged on a motor shaft of the rotating motor; the box body is provided with a rotating shaft, a gear wheel is arranged on the rotating shaft, the gear wheel is meshed with the pinion, and a tray die is arranged on the rotating shaft far away from one end of the gear wheel and used for receiving a workpiece tray.
7. The automatic welding machine for scaffold bottom supports according to claim 3, characterized in that: the feeding device comprises a feeding slope plate, a feeding cylinder and a feeding support, the feeding slope plate is arranged at the upper end of the feeding support, the feeding cylinder is arranged on one side of the feeding slope plate, the workpiece lead screw is flatly laid on the feeding slope plate, and the workpiece lead screw can be fed into the pipe supporting and discharging device by stretching out a cylinder rod of the feeding cylinder.
8. The automatic scaffold base welding machine of claim 7, wherein: the trusteeship unloading device comprises an unloading cylinder, an unloading bottom plate, an unloading slope plate, a trusteeship bearing and a bearing support, wherein the unloading slope plate is arranged at the upper end of the unloading bottom plate, the unloading cylinder is arranged on one side of the unloading slope plate, the bearing support is fixed on two cylinder rods of the unloading cylinder, two trusteeship bearings are arranged on the bearing support, and the trusteeship bearings are used for supporting a workpiece screw.
9. The automatic welding machine for scaffold bottom supports according to claim 3, characterized in that: the jacking device is matched with the clamping and rotating device to clamp the workpiece tray and the workpiece lead screw, and comprises a right clamping cylinder plate, a right clamping cylinder and a tip, wherein the right clamping cylinder is arranged on the right clamping cylinder plate, the tip is arranged on a cylinder rod of the right clamping cylinder, and the cylinder rod of the right clamping cylinder extends out to drive the tip to push the workpiece lead screw so as to clamp the workpiece lead screw and the workpiece tray.
10. The automatic welding machine for scaffold bottom supports according to claim 3, characterized in that: the gun feeding device comprises a gun feeding guide rail, a gun feeding support, a gun feeding cylinder, a welding gun fixture and a gun feeding sliding plate, wherein the gun feeding guide rail is arranged on a transverse plate of the gun feeding support, a gun feeding sliding block is slidably arranged on the gun feeding guide rail, and the gun feeding sliding plate is fixed on the gun feeding sliding block; the vertical plate of the gun feeding support is provided with a gun feeding cylinder, a cylinder rod of the gun feeding cylinder is connected with a gun feeding sliding plate, a welding gun fixture is arranged on the gun feeding sliding plate and connected with a welding gun, and the gun feeding cylinder acts to drive the gun feeding sliding plate to move on a gun feeding guide rail, so that the welding gun is fed to a welding position.
Priority Applications (1)
| Application Number | Priority Date | Filing Date | Title |
|---|---|---|---|
| CN202121191359.3U CN215280319U (en) | 2021-05-31 | 2021-05-31 | Scaffold base automatic weld machine |
Applications Claiming Priority (1)
| Application Number | Priority Date | Filing Date | Title |
|---|---|---|---|
| CN202121191359.3U CN215280319U (en) | 2021-05-31 | 2021-05-31 | Scaffold base automatic weld machine |
Publications (1)
| Publication Number | Publication Date |
|---|---|
| CN215280319U true CN215280319U (en) | 2021-12-24 |
Family
ID=79542963
Family Applications (1)
| Application Number | Title | Priority Date | Filing Date |
|---|---|---|---|
| CN202121191359.3U Active CN215280319U (en) | 2021-05-31 | 2021-05-31 | Scaffold base automatic weld machine |
Country Status (1)
| Country | Link |
|---|---|
| CN (1) | CN215280319U (en) |
Cited By (1)
| Publication number | Priority date | Publication date | Assignee | Title |
|---|---|---|---|---|
| CN113145997A (en) * | 2021-05-31 | 2021-07-23 | 任丘市金狮焊机制造有限公司 | Scaffold base automatic weld machine |
-
2021
- 2021-05-31 CN CN202121191359.3U patent/CN215280319U/en active Active
Cited By (1)
| Publication number | Priority date | Publication date | Assignee | Title |
|---|---|---|---|---|
| CN113145997A (en) * | 2021-05-31 | 2021-07-23 | 任丘市金狮焊机制造有限公司 | Scaffold base automatic weld machine |
Similar Documents
| Publication | Publication Date | Title |
|---|---|---|
| CN110270736B (en) | Full-automatic welding machine for scaffold upright rod disc buckle | |
| CN103010699B (en) | Tooling board delivering and taking circulating system | |
| CN110757032B (en) | Full-automatic assembly welding workstation for pipe-flange and pipe-sleeve | |
| CN108381196A (en) | A kind of flange automatic production line | |
| CN111922767B (en) | Automatic change tubing cutting equipment | |
| CN216370868U (en) | Automatic feeding and discharging welding production line for tower crane web members | |
| CN110465763A (en) | A kind of solar panel and busbar welding equipment | |
| CN215280319U (en) | Scaffold base automatic weld machine | |
| CN209698584U (en) | Bar deep hole drilling automatic loading and unloading machine | |
| CN117381217A (en) | Automatic welding device for forklift portal frame | |
| CN116779327B (en) | Full-automatic coil bending and welding equipment | |
| CN218370422U (en) | Automatic feeding and discharging system of workpiece transfer device and machining equipment | |
| KR20060071589A (en) | Feeding tray device of aluminum tube automatic drawing | |
| CN216334661U (en) | Double-layer feeding and conveying device for multi-machine machining of crankshafts | |
| CN115229511A (en) | Transformer conservator production line | |
| CN210359722U (en) | Full-automatic welding machine for scaffold upright rod disc buckle | |
| CN113145997A (en) | Scaffold base automatic weld machine | |
| CN211248750U (en) | Scaffold plate buckle upright rod workstation | |
| CN113385798A (en) | Frame welding production line | |
| CN209956710U (en) | Automatic feeding and discharging storage bin | |
| CN108747005B (en) | The welding method of lithium battery pole ear | |
| CN117620810A (en) | Full-automatic high-efficient pipe double-end chamfer device | |
| CN111438445A (en) | Flexible manufacturing system for metal plate laser cutting and working method thereof | |
| CN217018211U (en) | Automatic change return bend punching device | |
| CN110394681A (en) | A kind of big piston pin multiaxis truss robot one drag two numerical control machine |
Legal Events
| Date | Code | Title | Description |
|---|---|---|---|
| GR01 | Patent grant | ||
| GR01 | Patent grant |