CN215026173U - A leaching device for laboratory - Google Patents

A leaching device for laboratory Download PDF

Info

Publication number
CN215026173U
CN215026173U CN202121185719.9U CN202121185719U CN215026173U CN 215026173 U CN215026173 U CN 215026173U CN 202121185719 U CN202121185719 U CN 202121185719U CN 215026173 U CN215026173 U CN 215026173U
Authority
CN
China
Prior art keywords
box
top end
cover plate
quantitative
reaction
Prior art date
Legal status (The legal status is an assumption and is not a legal conclusion. Google has not performed a legal analysis and makes no representation as to the accuracy of the status listed.)
Expired - Fee Related
Application number
CN202121185719.9U
Other languages
Chinese (zh)
Inventor
闫晓花
陈佰鸿
颉建明
秦舒浩
张国斌
吕剑
Current Assignee (The listed assignees may be inaccurate. Google has not performed a legal analysis and makes no representation or warranty as to the accuracy of the list.)
Gansu Agricultural University
Original Assignee
Gansu Agricultural University
Priority date (The priority date is an assumption and is not a legal conclusion. Google has not performed a legal analysis and makes no representation as to the accuracy of the date listed.)
Filing date
Publication date
Application filed by Gansu Agricultural University filed Critical Gansu Agricultural University
Priority to CN202121185719.9U priority Critical patent/CN215026173U/en
Application granted granted Critical
Publication of CN215026173U publication Critical patent/CN215026173U/en
Expired - Fee Related legal-status Critical Current
Anticipated expiration legal-status Critical

Links

Images

Landscapes

  • Mixers Of The Rotary Stirring Type (AREA)

Abstract

本实用新型公开了一种用于实验室的浸提装置,涉及浸提技术领域,包括收集箱、底座和反应箱,还包括所述底座顶端的一侧安装有加热箱,且加热箱的顶端安装有反应箱,所述反应箱的顶端安装有盖板,且反应箱一端的上端安装有PLC控制器,所述搅拌结构设置在盖板顶端的中间位置处,所述定量结构设置在盖板顶端的两侧,所述底座顶端的另一侧安装有收集箱,且收集箱的顶端安装有滤箱。本实用新型通过驱动电机工作带动搅拌杆转动,从而使得搅拌叶转动对溶液进行充分搅拌,再通过气动伸缩杆带动塞板上下运动,使得反应箱内部的溶液进入气筒内部后又被排回,实现循环,进一步的提高了反应的效率,从而解决了反应效率不高的问题。

Figure 202121185719

The utility model discloses a leaching device used in a laboratory, which relates to the technical field of leaching. A reaction box is installed, a cover plate is installed on the top of the reaction box, and a PLC controller is installed on the upper end of one end of the reaction box, the stirring structure is arranged at the middle position of the top of the cover plate, and the quantitative structure is arranged on the cover plate. A collection box is installed on both sides of the top end and the other side of the top end of the base, and a filter box is installed at the top end of the collection box. The utility model drives the stirring rod to rotate by driving the motor, so that the stirring blade rotates to fully stir the solution, and then the pneumatic telescopic rod drives the plug plate to move up and down, so that the solution in the reaction box enters the gas cylinder and then is discharged back, so as to realize The cycle further improves the efficiency of the reaction, thereby solving the problem of low reaction efficiency.

Figure 202121185719

Description

A leaching device for laboratory
Technical Field
The utility model relates to a leaching technical field specifically is a leaching device for laboratory.
Background
The leaching process generally refers to a process of transferring soluble substances in medicinal materials into a proper solvent, and the common methods are a decoction method, a percolation method, a steam distillation method, a reflux method, an immersion method, a supercritical fluid extraction method and an ultrasonic extraction method, wherein the most common leaching device in a laboratory adopts a heating mode, but the existing leaching device used in the laboratory has certain defects.
Through retrieval, Chinese patent No. CN104399278A, publication date 2015, 03 and 11, discloses a food leaching device, and proposes that the leaching tank is in a conical shape, the side wall of the leaching tank comprises an outer layer and an inner layer, and the outer layer is provided with an air inlet pipe and an air outlet pipe; a group of material carrying plates are arranged in the leaching tank, and the peripheral end parts of the material carrying plates are abutted against the inner wall of the inner layer; the bottom of the leaching tank is transversely provided with first filter cloth, the bottom end of the leaching tank is provided with a discharge hole, and the bottom end of the leaching tank is connected with a liquid collecting bottle; a suction filter pipe is arranged on the side wall of the upper part of the liquid collecting bottle, and a suction filter pump is connected to the suction filter pipe; in view of the above, the present invention provides a liquid collecting bottle, which is characterized in that a circulating pipe is connected to a side wall of a lower portion of the liquid collecting bottle, the circulating pipe is a bent pipe, the circulating pipe extends to a position above an extraction tank, an end portion of the circulating pipe extends into the extraction tank, and a liquid pump is further arranged at a lower portion of the circulating pipe, wherein the extraction efficiency is low, and uniform heating cannot be caused due to the lack of a certain mixing structure.
SUMMERY OF THE UTILITY MODEL
An object of the utility model is to provide a leaching device for laboratory to solve the problem of proposing inefficiency in the above-mentioned background art.
In order to achieve the above object, the utility model provides a following technical scheme: a leaching device for a laboratory comprises a collecting box, a base and a reaction box, and further comprises a quantitative structure convenient for quantitative addition, a stirring structure convenient for improving reaction efficiency and a filtering structure convenient for filtering;
a heating box is installed on one side of the top end of the base, a reaction box is installed on the top end of the heating box, a cover plate is installed on the top end of the reaction box, a PLC (programmable logic controller) is installed at the upper end of one end of the reaction box, and the stirring structure is arranged in the middle of the top end of the cover plate;
the quantitative structures are arranged on two sides of the top end of the cover plate;
the collecting box is installed on the other side of the top end of the base, the filter box is installed on the top end of the collecting box, and the filter structure is arranged at the lower end of one side of the filter box.
Preferably, the stirring structure includes driving motor, driving motor installs the intermediate position department on apron top, and driving motor's output installs the puddler that runs through the apron, the stirring leaf is evenly installed to the lower extreme of puddler outer wall.
Preferably, the ration structure includes piston, drain pipe, threaded rod, a quantitative section of thick bamboo and changes the hand, a quantitative section of thick bamboo is installed in the both sides on apron top, and the upper end of a quantitative section of thick bamboo one side installs the drain pipe that runs through the apron, the intermediate position department on a quantitative section of thick bamboo top rotates and is connected with the threaded rod, and the top of threaded rod installs and changes the hand, the piston is installed through the bearing in the bottom of threaded rod.
Preferably, the middle position of one side of the cover plate is provided with a communicating pipe, and the lower end of the communicating pipe close to one side of the cover plate is provided with a connecting pipe penetrating through the cover plate.
Preferably, the inflator is installed at the middle position of the other side of the cover plate, the pneumatic telescopic rod is installed at the top end of the interior of the inflator, and the plug plate is installed at the output end of the pneumatic telescopic rod.
Preferably, the mounting panel is installed to the inside upper end of filter box, and the intermediate position department of mounting panel rotates and is connected with the bull stick, the flabellum is installed on the top of bull stick, and the bottom of bull stick installs the cleaning board.
Preferably, the mounting bracket is installed on the base top of collecting box one side, and the top of mounting bracket installs the water pump, the liquid suction pipe that runs through the filter box is installed to the output of water pump, and the input of water pump leads to pipe and links to each other with the apron.
Preferably, filtration includes the rubber slab, goes up filter screen and lower filter screen, the rubber slab sets up the lower extreme in straining box one side, and the upper end of rubber slab one side installs the filter screen, the lower filter screen is installed to the lower extreme of rubber slab one side.
Compared with the prior art, the utility model provides a pair of a leaching device for laboratory has following beneficial effect:
1. the utility model provides a change hand, threaded rod, piston, a quantitative section of thick bamboo, reaction box and communicating pipe, change the hand through rotating and drive the threaded rod and rotate to make the piston be in suitable height, add the inside of a proper amount of solution addition quantitative section of thick bamboo, rotate the hand again and make the piston rise and lift quantitative solution, discharge into the reaction box inside from the drain pipe, finally realize accurate interpolation, judge the volume of reaction box inside solution through the height of the inside solution of communicating pipe simultaneously, thereby solved the problem that can not add by ration;
2. the utility model provides a PLC controller, driving motor, puddler, stirring leaf, pneumatic telescopic link, cock board, reaction box and inflator, control driving motor work through the PLC controller and drive the puddler and rotate to make the stirring leaf rotate and carry out the intensive mixing to solution, control pneumatic telescopic link through the PLC controller again and drive cock board up-and-down motion, make the solution inside the reaction box get into the inflator inside and back again by the row, realize the circulation, further improved the efficiency of reaction, thereby solved the not high problem of reaction efficiency;
3. the utility model provides a have last filter screen, flabellum, bull stick and cleaning plate down, filter solution through last filter screen and lower filter screen, finally discharge the inside collection of collecting box, drive the flabellum rotation when solution adds simultaneously to drive the bull stick and make the cleaning plate rotate and clean last filter screen top, avoid taking place blocking phenomenon, thereby solved and lacked the problem to residue filtration treatment.
Drawings
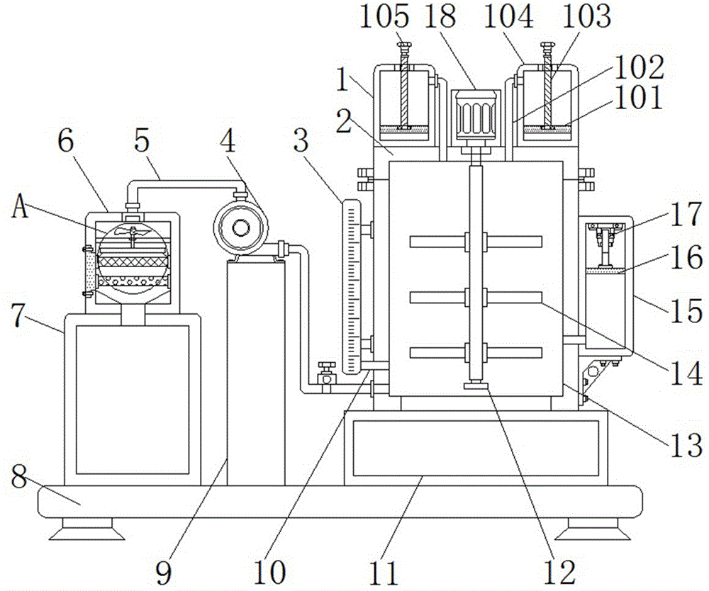
Fig. 1 is a schematic front view of a cross-sectional structure of the present invention;
fig. 2 is a schematic side view of the cross-sectional structure of the present invention;
fig. 3 is a schematic front view of the present invention;
FIG. 4 is a schematic side view of the cross-sectional structure of the filter box of the present invention;
fig. 5 is an enlarged schematic view of a portion a of fig. 1 according to the present invention.
In the figure: 1. a quantitative structure; 101. a piston; 102. a liquid outlet pipe; 103. a threaded rod; 104. a dosing cylinder; 105. turning the hand; 2. a cover plate; 3. a communicating pipe; 4. a water pump; 5. a liquid pumping pipe; 6. a filter box; 7. a collection box; 8. a base; 9. a mounting frame; 10. a connecting pipe; 11. a heating box; 12. a stirring rod; 13. a reaction box; 14. stirring blades; 15. an air cylinder; 16. a plug plate; 17. a pneumatic telescopic rod; 18. a drive motor; 19. a PLC controller; 20. a filter structure; 2001. a rubber plate; 2002. a filter screen is arranged; 2003. a lower filter screen; 21. cleaning the board; 22. mounting a plate; 23. a rotating rod; 24. a fan blade.
Detailed Description
The technical solutions in the embodiments of the present invention will be clearly and completely described below with reference to the drawings in the embodiments of the present invention, and it is obvious that the described embodiments are only some embodiments of the present invention, not all embodiments; based on the embodiments in the present invention, all other embodiments obtained by a person skilled in the art without creative work belong to the protection scope of the present invention.
Example 1: referring to fig. 1 to 5, a leaching apparatus for a laboratory includes a collection box 7, a base 8, a reaction box 13, a quantitative structure 1 for facilitating quantitative addition, a stirring structure for facilitating reaction efficiency improvement, and a filtering structure 20 for facilitating filtering;
a heating box 11 is installed on one side of the top end of the base 8, a reaction box 13 is installed on the top end of the heating box 11, a cover plate 2 is installed on the top end of the reaction box 13, a PLC (programmable logic controller) 19 is installed on the upper end of one end of the reaction box 13, the model of the PLC 19 can be DVP40ES200T, and a stirring structure is arranged in the middle of the top end of the cover plate 2;
the quantitative structure 1 is arranged at two sides of the top end of the cover plate 2;
the other side of the top end of the base 8 is provided with a collecting box 7, the top end of the collecting box 7 is provided with a filter box 6, and the filter structure 20 is arranged at the lower end of one side of the filter box 6;
referring to fig. 1 to 5, a leaching apparatus for a laboratory includes a stirring structure, the stirring structure includes a driving motor 18, the driving motor 18 is installed at a middle position of a top end of a cover plate 2, the model of the driving motor 18 may be RDX-101-V36F5E13, an output end of the driving motor 18 is installed with a stirring rod 12 penetrating through the cover plate 2, and stirring blades 14 are evenly installed at a lower end of an outer wall of the stirring rod 12;
an air cylinder 15 is arranged in the middle of the other side of the cover plate 2, a pneumatic telescopic rod 17 is arranged at the top end of the interior of the air cylinder 15, the type of the pneumatic telescopic rod 17 can be TAF-102, and a plug plate 16 is arranged at the output end of the pneumatic telescopic rod 17;
specifically, as shown in fig. 1, fig. 2, fig. 3 and fig. 4, firstly, the reaction box 13 is heated by the heating box 11, the driving motor 18 is controlled by the PLC controller 19 to work to drive the stirring rod 12 to rotate, so that the stirring blade 14 rotates to fully stir the solution, and then the pneumatic telescopic rod 17 is controlled by the PLC controller 19 to drive the plug plate 16 to move up and down, so that the solution in the reaction box 13 enters the air cylinder 15 and is then discharged back, circulation is realized, and the reaction efficiency is further improved.
Example 2: a communicating pipe 3 is arranged at the middle position of one side of the cover plate 2, and a connecting pipe 10 penetrating through the cover plate 2 is arranged at the lower end of one side of the communicating pipe 3 close to the cover plate 2;
the quantitative structure 1 comprises a piston 101, a liquid outlet pipe 102, a threaded rod 103, a quantitative cylinder 104 and a rotary hand 105, the quantitative cylinder 104 is arranged on two sides of the top end of a cover plate 2, the liquid outlet pipe 102 penetrating through the cover plate 2 is arranged at the upper end of one side of the quantitative cylinder 104, the threaded rod 103 is rotatably connected at the middle position of the top end of the quantitative cylinder 104, the rotary hand 105 is arranged at the top end of the threaded rod 103, and the piston 101 is arranged at the bottom end of the threaded rod 103 through a bearing;
specifically, as shown in fig. 1, fig. 2 and fig. 3, firstly, the rotating hand 105 is rotated to drive the threaded rod 103 to rotate, so that the piston 101 is at a proper height, a proper amount of solution is added into the quantitative cylinder 104, then, the rotating hand 105 is rotated to lift the piston 101 to lift the quantitative solution, the quantitative solution is discharged into the reaction box 13 from the liquid outlet pipe 102, finally, the precise addition is realized, and meanwhile, the amount of the solution in the reaction box 13 is judged according to the height of the solution in the communicating pipe 3.
Example 3: an installation plate 22 is installed at the upper end inside the filter box 6, a rotating rod 23 is rotatably connected to the middle position of the installation plate 22, fan blades 24 are installed at the top end of the rotating rod 23, and a cleaning plate 21 is installed at the bottom end of the rotating rod 23;
a mounting frame 9 is mounted at the top end of a base 8 on one side of the collecting box 7, a water pump 4 is mounted at the top end of the mounting frame 9, the type of the water pump 4 can be QD3-35/2-1.1, a liquid suction pipe 5 penetrating through the filter box 6 is mounted at the output end of the water pump 4, and the input end of the water pump 4 is connected with the cover plate 2 through a water pipe;
the filtering structure 20 comprises a rubber plate 2001, an upper filter screen 2002 and a lower filter screen 2003, wherein the rubber plate 2001 is arranged at the lower end of one side of the filtering box 6, the upper end of one side of the rubber plate 2001 is provided with the upper filter screen 2002, and the lower end of one side of the rubber plate 2001 is provided with the lower filter screen 2003;
specifically, as shown in fig. 1, fig. 2 and fig. 5, firstly, the PLC controller 19 controls the water pump 4 to work and cooperate with the liquid suction pipe 5 to suck the solution into the filter box 6, the solution is filtered by the upper filter screen 2002 and the lower filter screen 2003, and then the required solution flows into the collection box 7 to be collected, and simultaneously the solution is added and drives the fan blades 24 to rotate, so as to drive the rotating rod 23 to rotate the cleaning plate 21 to clean the top end of the upper filter screen 2002, thereby avoiding the occurrence of the blocking phenomenon.
The output end of the PLC 19 is electrically connected with the water pump 4, the pneumatic telescopic rod 17 and the driving motor 18 through wires.
The working principle is as follows: when the device is used, firstly, the cover plate 2 is opened to place the medicine inside the reaction box 13, and then an external power supply is connected;
the first innovation point implementation step:
the first step is as follows: rotating the rotating hand 105 to rotate the threaded rod 103, so that the piston 101 is at a proper height;
the second step is that: adding a proper amount of solution into the quantitative cylinder 104, rotating the rotary handle 105 to lift the piston 101 to lift the quantitative solution, and discharging the quantitative solution into the reaction box 13 from the liquid outlet pipe 102 to finally realize accurate addition;
the third step: the amount of the solution inside reaction tank 13 was judged from the height of the solution inside communication pipe 3.
The implementation step of the second innovation point:
the first step is as follows: the reaction box 13 is heated by the heating box 11, and the PLC 19 controls the driving motor 18 to work to drive the stirring rod 12 to rotate, so that the stirring blade 14 rotates to fully stir the solution;
the second step is that: the PLC 19 controls the pneumatic telescopic rod 17 to drive the plug plate 16 to move up and down, so that the solution in the reaction box 13 enters the air cylinder 15 and is discharged back, circulation is realized, and the reaction efficiency is further improved.
The third innovation point implementation step:
the first step is as follows: the PLC 19 controls the water pump 4 to work and cooperate with the liquid pumping pipe 5 to pump the solution into the filter box 6, and the required solution flows into the collecting box 7 for collection after being filtered by the upper filter screen 2002 and the lower filter screen 2003;
the second step is that: the solution is added and simultaneously drives the fan blades 24 to rotate, so as to drive the rotating rod 23 to enable the cleaning plate 21 to rotate to clean the top end of the upper filter screen 2002, and the blockage phenomenon is avoided.
In the description of the present invention, it is to be understood that the terms "center", "longitudinal", "lateral", "length", "width", "thickness", "upper", "lower", "front", "rear", "left", "right", "vertical", "horizontal", "top", "bottom", "inner", "outer", "clockwise", "counterclockwise", "axial", "radial", "circumferential", and the like, indicate the orientation or positional relationship indicated based on the drawings, and are only for convenience of description and simplicity of description, and do not indicate or imply that the device or element referred to must have a particular orientation, be constructed and operated in a particular orientation, and therefore, should not be construed as limiting the present invention.
Furthermore, the terms "first", "second" and "first" are used for descriptive purposes only and are not to be construed as indicating or implying relative importance or implicitly indicating the number of technical features indicated. Thus, a feature defined as "first" or "second" may explicitly or implicitly include at least one such feature. In the description of the present invention, "a plurality" means at least two, e.g., two, three, etc., unless specifically limited otherwise.
In the present invention, unless otherwise expressly stated or limited, the terms "mounted," "connected," and "fixed" are to be construed broadly and may, for example, be fixedly connected, detachably connected, or integrally formed; may be mechanically coupled, may be electrically coupled or may be in communication with each other; they may be directly connected or indirectly connected through intervening media, or they may be connected internally or in any other suitable relationship, unless expressly stated otherwise. The specific meaning of the above terms in the present invention can be understood according to specific situations by those skilled in the art.
In the present application, unless expressly stated or limited otherwise, the first feature may be directly on or directly under the second feature or indirectly via intermediate members. Also, a first feature "on," "over," and "above" a second feature may be directly or diagonally above the second feature, or may simply indicate that the first feature is at a higher level than the second feature. A first feature being "under," "below," and "beneath" a second feature may be directly under or obliquely under the first feature, or may simply mean that the first feature is at a lesser elevation than the second feature.
In the present disclosure, the terms "one embodiment," "some embodiments," "an example," "a specific example," or "some examples" or the like mean that a particular feature, structure, material, or characteristic described in connection with the embodiment or example is included in at least one embodiment or example of the present disclosure. In this specification, the schematic representations of the terms used above are not necessarily intended to refer to the same embodiment or example. Furthermore, the particular features, structures, materials, or characteristics described may be combined in any suitable manner in any one or more embodiments or examples. Furthermore, various embodiments or examples and features of different embodiments or examples described in this specification can be combined and combined by one skilled in the art without contradiction.
Although embodiments of the present invention have been shown and described, it is understood that the above embodiments are exemplary and should not be construed as limiting the present invention, and that variations, modifications, substitutions and alterations can be made to the above embodiments by those of ordinary skill in the art without departing from the scope of the present invention.

Claims (8)

1. The utility model provides a leaching device for laboratory, includes collecting box, base and reaction box, its characterized in that: the device also comprises a quantitative structure convenient for quantitative addition, a stirring structure convenient for improving the reaction efficiency and a filtering structure convenient for filtering;
a heating box is installed on one side of the top end of the base, a reaction box is installed on the top end of the heating box, a cover plate is installed on the top end of the reaction box, a PLC (programmable logic controller) is installed at the upper end of one end of the reaction box, and the stirring structure is arranged in the middle of the top end of the cover plate;
the quantitative structures are arranged on two sides of the top end of the cover plate;
the collecting box is installed on the other side of the top end of the base, the filter box is installed on the top end of the collecting box, and the filter structure is arranged at the lower end of one side of the filter box.
2. Leaching plant for laboratories according to claim 1, characterized in that: the stirring structure comprises a driving motor, the driving motor is installed at the middle position of the top end of the cover plate, the output end of the driving motor is provided with a stirring rod penetrating through the cover plate, and stirring blades are evenly installed at the lower end of the outer wall of the stirring rod.
3. Leaching plant for laboratories according to claim 1, characterized in that: the quantitative structure includes piston, drain pipe, threaded rod, a quantitative section of thick bamboo and changes the hand, a quantitative section of thick bamboo is installed in the both sides on apron top, and the upper end of a quantitative section of thick bamboo one side installs the drain pipe that runs through the apron, the intermediate position department on a quantitative section of thick bamboo top rotates and is connected with the threaded rod, and the top of threaded rod installs and changes the hand, the piston is installed through the bearing in the bottom of threaded rod.
4. Leaching plant for laboratories according to claim 1, characterized in that: the intermediate position department of apron one side installs communicating pipe, and the lower extreme that is close to apron one side of communicating pipe installs the connecting pipe that runs through the apron.
5. Leaching plant for laboratories according to claim 1, characterized in that: the middle position department of apron opposite side installs the inflator, and the inside top of inflator installs pneumatic telescopic link, the cock stem is installed to pneumatic telescopic link's output.
6. Leaching plant for laboratories according to claim 1, characterized in that: the mounting panel is installed to the inside upper end of filter box, and the intermediate position department of mounting panel rotates and is connected with the bull stick, the flabellum is installed on the top of bull stick, and the bottom of bull stick installs and cleans the board.
7. Leaching plant for laboratories according to claim 1, characterized in that: the filter box is characterized in that a mounting rack is mounted at the top end of the base on one side of the collecting box, a water pump is mounted at the top end of the mounting rack, a liquid suction pipe penetrating through the filter box is mounted at the output end of the water pump, and the input end of the water pump is connected with the cover plate through a water pipe.
8. Leaching plant for laboratories according to claim 1, characterized in that: the filtration includes the rubber slab, goes up filter screen and lower filter screen, the rubber slab sets up the lower extreme in filter box one side, and the upper end of rubber slab one side installs the filter screen, the lower filter screen is installed to the lower extreme of rubber slab one side.
CN202121185719.9U 2021-05-31 2021-05-31 A leaching device for laboratory Expired - Fee Related CN215026173U (en)

Priority Applications (1)

Application Number Priority Date Filing Date Title
CN202121185719.9U CN215026173U (en) 2021-05-31 2021-05-31 A leaching device for laboratory

Applications Claiming Priority (1)

Application Number Priority Date Filing Date Title
CN202121185719.9U CN215026173U (en) 2021-05-31 2021-05-31 A leaching device for laboratory

Publications (1)

Publication Number Publication Date
CN215026173U true CN215026173U (en) 2021-12-07

Family

ID=79208544

Family Applications (1)

Application Number Title Priority Date Filing Date
CN202121185719.9U Expired - Fee Related CN215026173U (en) 2021-05-31 2021-05-31 A leaching device for laboratory

Country Status (1)

Country Link
CN (1) CN215026173U (en)

Cited By (1)

* Cited by examiner, † Cited by third party
Publication number Priority date Publication date Assignee Title
CN114272672A (en) * 2021-12-27 2022-04-05 宁波中盛产品检测有限公司 A filter equipment for cell culture device

Cited By (1)

* Cited by examiner, † Cited by third party
Publication number Priority date Publication date Assignee Title
CN114272672A (en) * 2021-12-27 2022-04-05 宁波中盛产品检测有限公司 A filter equipment for cell culture device

Similar Documents

Publication Publication Date Title
CN208694309U (en) A kind of pharmaceutical purpose extractor
CN215026173U (en) A leaching device for laboratory
CN215427423U (en) Extraction device suitable for multi-layer extraction of effective components of Chinese herbal medicines
CN210905062U (en) Concentrated extraction element
CN211357927U (en) Farmland drainage filter equipment
CN221062382U (en) Diluting equipment for royal jelly treatment
CN220867123U (en) Wastewater treatment device
CN216062201U (en) Multistage slab filtering tank
CN205850851U (en) A kind of reactor
CN213823534U (en) Insecticide production is with drawing jar
CN214457817U (en) Flat-turn extractor for grain and oil production
CN205362154U (en) High school student uses chemistry experiment test tube washing processing apparatus
CN212116988U (en) Radish cleaning device in radish cake production
CN211585297U (en) Traditional chinese medicine draws jar
CN210322506U (en) Stirring and filtering integrated food detection device
CN215901086U (en) A kind of recycling and processing device for constant temperature tank medium
CN222042734U (en) Sewage discharging device for petrochemical sewage treatment
CN209679618U (en) Chain Link heat treatment solution circulation filter
CN209619154U (en) A sewage treatment sludge filter device
CN221714245U (en) A tin hydroxide production reaction device
CN218306283U (en) A multifunctional extraction tank
CN221246286U (en) Medicine extraction equipment with flushing function
CN221432850U (en) Bean starch extraction element
CN216172238U (en) A chemical kettle that is easy to clean
CN216604137U (en) High-precision control multifunctional extraction tank for new process production of active ingredients of medicines

Legal Events

Date Code Title Description
GR01 Patent grant
GR01 Patent grant
CF01 Termination of patent right due to non-payment of annual fee
CF01 Termination of patent right due to non-payment of annual fee

Granted publication date: 20211207