CN214979273U - A workpiece positioning device for a three-axis machining center - Google Patents

A workpiece positioning device for a three-axis machining center Download PDF

Info

Publication number
CN214979273U
CN214979273U CN202120268212.3U CN202120268212U CN214979273U CN 214979273 U CN214979273 U CN 214979273U CN 202120268212 U CN202120268212 U CN 202120268212U CN 214979273 U CN214979273 U CN 214979273U
Authority
CN
China
Prior art keywords
box
clamping
positioning device
machining center
workpiece positioning
Prior art date
Legal status (The legal status is an assumption and is not a legal conclusion. Google has not performed a legal analysis and makes no representation as to the accuracy of the status listed.)
Expired - Fee Related
Application number
CN202120268212.3U
Other languages
Chinese (zh)
Inventor
瞿增
王磊
Current Assignee (The listed assignees may be inaccurate. Google has not performed a legal analysis and makes no representation or warranty as to the accuracy of the list.)
Xiangyang Jinruitian Electromechanical Co ltd
Original Assignee
Xiangyang Jinruitian Electromechanical Co ltd
Priority date (The priority date is an assumption and is not a legal conclusion. Google has not performed a legal analysis and makes no representation as to the accuracy of the date listed.)
Filing date
Publication date
Application filed by Xiangyang Jinruitian Electromechanical Co ltd filed Critical Xiangyang Jinruitian Electromechanical Co ltd
Priority to CN202120268212.3U priority Critical patent/CN214979273U/en
Application granted granted Critical
Publication of CN214979273U publication Critical patent/CN214979273U/en
Expired - Fee Related legal-status Critical Current
Anticipated expiration legal-status Critical

Links

Images

Landscapes

  • Jigs For Machine Tools (AREA)

Abstract

本实用新型公开了一种三轴加工中心的工件定位装置,包括滑杆、调节箱和夹持箱,还包括便于将装置固定安装的安装结构、便于对各类工件进行稳定夹持的夹持结构和便于将工件水平夹持的调平结构,所述调节箱内部的两端均转动连接有丝杆,且丝杆外壁的两端转动连接有套筒,所述套筒的顶端贯穿调节箱滑动连接有滑杆,所述夹持结构设置在滑杆相对一侧的上端。本实用新型通过转动转手带动主动滑轮转动,从而在皮带的作用下带动从动滑轮转动,进而使得丝杆转动,配合套筒带动滑杆相向运动,最终使得夹持块相向运动将工件夹持,在缓冲弹簧的弹性作用下避免夹持过度,同时起到稳定夹持的作用,同时起到稳定夹持的作用。

Figure 202120268212

The utility model discloses a workpiece positioning device for a three-axis machining center. The structure and the leveling structure that is convenient for clamping the workpiece horizontally, the two ends of the inside of the adjustment box are rotatably connected with a screw rod, and the two ends of the outer wall of the screw rod are rotatably connected with a sleeve, and the top of the sleeve penetrates the adjustment box. A sliding rod is slidably connected, and the clamping structure is arranged on the upper end of the opposite side of the sliding rod. The utility model drives the driving pulley to rotate by rotating the rotating hand, so as to drive the driven pulley to rotate under the action of the belt, thereby making the screw rod rotate, and cooperating with the sleeve to drive the sliding rod to move toward each other, and finally the clamping blocks move toward each other to clamp the workpiece. Under the elastic action of the buffer spring, excessive clamping is avoided, and at the same time, it plays a role of stable clamping and stable clamping.

Figure 202120268212

Description

Workpiece positioning device of three-axis machining center
Technical Field
The utility model relates to a work piece location technical field specifically is a triaxial machining center's work piece positioner.
Background
The numerical control machine tool workpiece positioning of the three-axis machining is an important component, and is a positioning device which is used for stably clamping a workpiece, once the workpiece is loosened, the workpiece is machined by a large error or damage can be caused, so that the workpiece positioning device is particularly important, but the workpiece positioning device of the existing three-axis machining center still has many problems or defects:
first, the conventional workpiece positioning device of the three-axis machining center is inconvenient to fix and install, and the device is installed on a slide member on a machining table inside a machine tool, and is generally fixed and installed by threads, which brings certain troubles to installation and disassembly.
Secondly, the workpiece positioning device of the traditional three-axis machining center is inconvenient for clamping various workpieces, and poor in adjustability, so that stable clamping of various workpieces cannot be met.
Thirdly, the workpiece positioning device of the traditional three-axis machining center lacks a horizontal adjusting structure, and clamped workpieces are clamped in a non-horizontal state, so that an unstable phenomenon occurs in the machining process.
SUMMERY OF THE UTILITY MODEL
An object of the utility model is to provide a triaxial machining center's work piece positioner to the fixed mounting of being not convenient for that proposes in solving above-mentioned background art, be not convenient for all kinds of work pieces of centre gripping and lack the problem of level (l) ing structure.
In order to achieve the above object, the utility model provides a following technical scheme: a workpiece positioning device of a three-axis machining center comprises a sliding rod, an adjusting box, a clamping box, a mounting structure, a clamping structure and a leveling structure, wherein the mounting structure is convenient for fixedly mounting the device, the clamping structure is convenient for stably clamping various workpieces, and the leveling structure is convenient for horizontally clamping the workpieces;
the two ends of the inner part of the adjusting box are rotatably connected with screw rods, the two ends of the outer wall of each screw rod are rotatably connected with sleeves, the top ends of the sleeves penetrate through the adjusting box and are slidably connected with sliding rods, and the clamping structures are arranged at the upper ends of the opposite sides of the sliding rods;
the mounting structures are mounted on two sides of the bottom end of the adjusting box;
the leveling structure is installed at the middle position of the top end of the adjusting box.
Preferably, the clamping structure includes the centre gripping case, the centre gripping case sets up the upper end in the relative one side of slide bar, and the inside one side of centre gripping incasement evenly installs buffer spring, one side sliding connection of buffer spring has the push pedal, and one side of push pedal installs the grip block.
Preferably, the upper end and the lower extreme of slide bar outer wall all sliding connection have a slide cartridge, and the intermediate position department of slide cartridge one end rotates and is connected with the gim peg, the slide bar lateral wall of gim peg one side corresponds and has evenly seted up the fixed orifices.
Preferably, the case is all installed to the both sides of regulating box, and changes the inside both ends of case and rotate and be connected with the driven pulley that links to each other with the lead screw, the intermediate position department that changes the case and keep away from regulating box one side rotates and is connected with the commentaries on classics hand, and one side of commentaries on classics hand runs through the case and rotates and be connected with the initiative pulley, the initiative pulley passes through the belt and links to each other with the driven pulley.
Preferably, the mounting structure includes kelly, install bin and compression spring, the both sides at the regulating box bottom are installed to the install bin, and the compression spring is installed to one side of install bin inside, the kelly that runs through the install bin is installed to one side of compression spring.
Preferably, a pull rod is connected to the middle of one side of the installation box in a sliding manner, and one side of the pull rod is connected with the installation box.
Preferably, the leveling structure is including leveling frame, regulating block, fixed block, adjusting bolt, screwed pipe and logical groove, the intermediate position department on mounting structure top is installed to the leveling frame, and the both sides of the inside bottom of leveling frame all install the fixed block, the top sliding connection of fixed block has the regulating block, logical groove has been seted up to the upper end of leveling frame both sides, and the inside sliding connection who leads to the groove has the screwed pipe, the inside intermediate position department of screwed pipe rotates and is connected with the adjusting bolt, and one side of adjusting bolt links to each other with the regulating block through the bearing.
Compared with the prior art, the beneficial effects of the utility model are that:
(1) the device is placed at a designated position through the arrangement of the pull rod, the clamping rod, the compression spring and the installation box, the pull rod is pulled to enable the clamping rod to overcome the elasticity of the compression spring and retract into the installation box, the installation box is located on two sides of the sliding piece, the force on the pull rod is released, the clamping rod is driven to be clamped into the reserved hole of the sliding piece under the elastic action of the compression spring, and therefore the installation of the device is completed quickly;
(2) by arranging the adjusting block, the adjusting bolt, the threaded pipe and the fixed block, the workpiece is placed at the top end of the adjusting block, and the adjusting bolt is rotated to slide in the threaded pipe, so that the adjusting block is driven to slide at the top end of the fixed block, the height of the adjusting block is changed, the workpiece can be horizontally placed or obliquely placed, and the auxiliary supporting effect is achieved;
(3) through being provided with the gim peg, the fixed orifices, the slide cartridge, the centre gripping case, change the hand, the initiative pulley, the driven pulley, the lead screw, the sleeve, the slide bar, grip block and buffer spring, break away from the fixed orifices inside through unscrewing the gim peg, the slide cartridge of upper and lower pulling removes the centre gripping case to suitable height, it drives the initiative pulley rotation to rotate the hand again, thereby drive the driven pulley rotation under the effect of belt, and then make the lead screw rotate, the cooperation sleeve drives the slide bar motion in opposite directions, finally make grip block motion in opposite directions with the work piece centre gripping, it is excessive to avoid the centre gripping under buffer spring's elastic action, play the effect of stabilizing the centre gripping simultaneously.
Drawings
Fig. 1 is a schematic front view of a cross-sectional structure of the present invention;
fig. 2 is a schematic side view of the cross-sectional structure of the present invention;
fig. 3 is a schematic front view of the present invention;
fig. 4 is an enlarged schematic view of a portion a of fig. 1 according to the present invention.
In the figure: 1. a slide bar; 2. an adjusting box; 3. box turning; 4. turning the hand; 5. a driven pulley; 6. a screw rod; 7. a mounting structure; 701. a clamping rod; 702. installing a box; 703. a compression spring; 8. a pull rod; 9. a sleeve; 10. pushing the plate; 11. a buffer spring; 12. leveling the structure; 1201. leveling frames; 1202. an adjusting block; 1203. a fixed block; 1204. adjusting the bolt; 1205. a threaded pipe; 1206. a through groove; 13. a clamping block; 14. a clamping box; 15. a fixing hole; 16. a slide cylinder; 17. a driving pulley; 18. and (6) fixing the bolt.
Detailed Description
The technical solutions in the embodiments of the present invention will be described clearly and completely with reference to the accompanying drawings in the embodiments of the present invention, and it is obvious that the described embodiments are only some embodiments of the present invention, not all embodiments. Based on the embodiments in the present invention, all other embodiments obtained by a person skilled in the art without creative work belong to the protection scope of the present invention.
Example 1: referring to fig. 1-4, a workpiece positioning device of a three-axis machining center comprises a slide bar 1, an adjusting box 2, a clamping box 14, a mounting structure 7 for fixing the device, a clamping structure for stably clamping various workpieces, and a leveling structure 12 for horizontally clamping the workpieces;
the two ends of the inner part of the adjusting box 2 are rotatably connected with screw rods 6, the two ends of the outer wall of each screw rod 6 are rotatably connected with sleeves 9, the top ends of the sleeves 9 penetrate through the adjusting box 2 and are slidably connected with sliding rods 1, and the clamping structures are arranged at the upper ends of the opposite sides of the sliding rods 1;
the mounting structures 7 are mounted on two sides of the bottom end of the adjusting box 2;
the leveling structure 12 is arranged at the middle position of the top end of the adjusting box 2;
referring to fig. 1-4, the workpiece positioning device of the three-axis machining center further includes a clamping structure, the clamping structure includes a clamping box 14, the clamping box 14 is disposed at the upper end of one side of the slide bar 1 opposite to the slide bar, and one side of the inside of the clamping box 14 is uniformly provided with a buffer spring 11, one side of the buffer spring 11 is slidably connected with a push plate 10, and one side of the push plate 10 is provided with a clamping block 13;
the upper end and the lower end of the outer wall of the sliding rod 1 are both connected with a sliding barrel 16 in a sliding mode, the middle position of one end of the sliding barrel 16 is rotatably connected with a fixing bolt 18, and the side wall of the sliding rod 1 on one side of the fixing bolt 18 is correspondingly and uniformly provided with fixing holes 15;
the two sides of the adjusting box 2 are both provided with a rotating box 3, two ends inside the rotating box 3 are rotatably connected with driven pulleys 5 connected with a screw rod 6, a rotating handle 4 is rotatably connected at the middle position of one side of the rotating box 3, which is far away from the adjusting box 2, one side of the rotating handle 4 penetrates through the rotating box 3 and is rotatably connected with a driving pulley 17, and the driving pulley 17 is connected with the driven pulleys 5 through a belt;
specifically, as shown in fig. 1, 2 and 3, when the structure is used, the fixing bolt 18 is firstly unscrewed to be separated from the inside of the fixing hole 15, the sliding cylinder 16 is pulled up and down to move the clamping box 14 to a proper height, and the rotating hand 4 is rotated to drive the driving pulley 17 to rotate, so that the driven pulley 5 is driven to rotate under the action of the belt, the screw rod 6 is further driven to rotate, the sleeve 9 is matched to drive the sliding rod 1 to move in the opposite direction, the clamping block 13 is finally driven to move in the opposite direction to clamp a workpiece, excessive clamping is avoided under the elastic action of the buffer spring 11, and the effect of stabilizing clamping is achieved.
Example 2: the mounting structure 7 comprises a clamping rod 701, a mounting box 702 and a compression spring 703, the mounting box 702 is mounted at two sides of the bottom end of the adjusting box 2, the compression spring 703 is mounted at one side inside the mounting box 702, and the clamping rod 701 penetrating through the mounting box 702 is mounted at one side of the compression spring 703;
a pull rod 8 is slidably connected to the middle position of one side of the installation box 702, and one side of the pull rod 8 is connected with the installation box 702;
specifically, as shown in fig. 1, 2 and 3, when the structure is used, the pull rod 8 is pulled to retract the clamping rod 701 into the installation box 702 against the elasticity of the compression spring 703, so that the installation box 702 is located at two sides of the slider, the force applied to the pull rod 8 is released, and the clamping rod 701 is driven to be clamped into the reserved hole of the slider under the elastic action of the compression spring 703, so that the installation of the device is completed quickly.
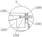
Example 3: the leveling structure 12 comprises a leveling frame 1201, an adjusting block 1202, a fixing block 1203, an adjusting bolt 1204, a threaded pipe 1205 and a through groove 1206, the leveling frame 1201 is installed at the middle position of the top end of the installation structure 7, the fixing block 1203 is installed on two sides of the bottom end inside the leveling frame 1201, the adjusting block 1202 is connected to the top end of the fixing block 1203 in a sliding mode, the through groove 1206 is formed in the upper ends of the two sides of the leveling frame 1201, the threaded pipe 1205 is connected to the inside of the through groove 1206 in a sliding mode, the adjusting bolt 1204 is connected to the middle position inside the threaded pipe 1205 in a rotating mode, and one side of the adjusting bolt 1204 is connected with the adjusting block 1202 through a bearing;
specifically, as shown in fig. 1, fig. 2, fig. 3 and fig. 4, when the structure is used, a workpiece is firstly placed at the top end of the adjusting block 1202, the adjusting bolt 1204 is rotated to slide inside the threaded pipe 1205, so that the adjusting block 1202 is driven to slide at the top end of the fixing block 1203, the height of the adjusting block 1202 is changed, and the workpiece can be horizontally placed or obliquely placed and has an auxiliary supporting function.
The working principle is as follows: when the device is used, the device is placed at a designated position, the pull rod 8 is pulled to enable the clamping rod 701 to overcome the elasticity of the compression spring 703 and to be retracted into the installation box 702, the installation box 702 is located on two sides of the sliding piece, the force on the pull rod 8 is released, the clamping rod 701 is driven to be clamped into a reserved hole of the sliding piece under the elastic action of the compression spring 703, and therefore the installation of the device is completed quickly;
then, the workpiece is placed at the top end of the adjusting block 1202, the adjusting bolt 1204 is rotated to slide in the threaded pipe 1205, so that the adjusting block 1202 is driven to slide at the top end of the fixing block 1203, the height of the adjusting block 1202 is changed, the workpiece can be horizontally placed or obliquely placed, and an auxiliary supporting effect is achieved;
then the fixing bolt 18 is unscrewed to be separated from the inside of the fixing hole 15, the sliding cylinder 16 is pulled up and down to move the clamping box 14 to a proper height, the rotating hand 4 is rotated to drive the driving pulley 17 to rotate, the driven pulley 5 is driven to rotate under the action of the belt, the screw rod 6 is further driven to rotate, the sleeve 9 is matched to drive the sliding rod 1 to move in the opposite direction, finally the clamping blocks 13 move in the opposite direction to clamp the workpiece, excessive clamping is avoided under the elastic action of the buffer spring 11, and meanwhile, the effect of stabilizing clamping is achieved.
Although embodiments of the present invention have been shown and described, it will be appreciated by those skilled in the art that changes, modifications, substitutions and alterations can be made in these embodiments without departing from the principles and spirit of the invention, the scope of which is defined in the appended claims and their equivalents.

Claims (7)

1.一种三轴加工中心的工件定位装置,包括滑杆(1)、调节箱(2)和夹持箱(14),其特征在于:还包括便于将装置固定安装的安装结构(7)、便于对各类工件进行稳定夹持的夹持结构和便于将工件水平夹持的调平结构(12);1. A workpiece positioning device for a three-axis machining center, comprising a sliding rod (1), an adjustment box (2) and a clamping box (14), and is characterized in that: it also includes an installation structure (7) that is convenient for the fixed installation of the device , a clamping structure that facilitates stable clamping of various workpieces and a leveling structure that facilitates horizontal clamping of the workpieces (12); 所述调节箱(2)内部的两端均转动连接有丝杆(6),且丝杆(6)外壁的两端转动连接有套筒(9),所述套筒(9)的顶端贯穿调节箱(2)滑动连接有滑杆(1),所述夹持结构设置在滑杆(1)相对一侧的上端;Both ends of the inside of the adjustment box (2) are rotatably connected with a screw rod (6), and both ends of the outer wall of the screw rod (6) are rotatably connected with a sleeve (9), and the top end of the sleeve (9) penetrates through The adjusting box (2) is slidably connected with a sliding rod (1), and the clamping structure is arranged on the upper end of the opposite side of the sliding rod (1); 所述安装结构(7)安装在调节箱(2)底端的两侧;The installation structure (7) is installed on both sides of the bottom end of the adjustment box (2); 所述调平结构(12)安装在调节箱(2)的顶端的中间位置处。The leveling structure (12) is installed at the middle position of the top end of the adjustment box (2). 2.根据权利要求1所述的一种三轴加工中心的工件定位装置,其特征在于:所述夹持结构包括夹持箱(14),所述夹持箱(14)设置在滑杆(1)相对一侧的上端,且夹持箱(14)内部的一侧均匀安装有缓冲弹簧(11),所述缓冲弹簧(11)的一侧滑动连接有推板(10),且推板(10)的一侧安装有夹持块(13)。2. The workpiece positioning device of a three-axis machining center according to claim 1, wherein the clamping structure comprises a clamping box (14), and the clamping box (14) is arranged on a sliding rod ( 1) The upper end of the opposite side, and a buffer spring (11) is evenly installed on one side inside the clamping box (14), and a push plate (10) is slidably connected to one side of the buffer spring (11), and the push plate A clamping block (13) is installed on one side of (10). 3.根据权利要求1所述的一种三轴加工中心的工件定位装置,其特征在于:所述滑杆(1)外壁的上端和下端均滑动连接有滑筒(16),且滑筒(16)一端的中间位置处转动连接有固定栓(18),所述固定栓(18)一侧的滑杆(1)侧壁对应均匀开设有固定孔(15)。3. The workpiece positioning device of a three-axis machining center according to claim 1, wherein the upper end and the lower end of the outer wall of the sliding rod (1) are slidably connected with a sliding cylinder (16), and the sliding cylinder ( 16) A fixing bolt (18) is rotatably connected at the middle position of one end, and the side wall of the sliding rod (1) on one side of the fixing bolt (18) is correspondingly uniformly provided with fixing holes (15). 4.根据权利要求1所述的一种三轴加工中心的工件定位装置,其特征在于:所述调节箱(2)的两侧均安装有转箱(3),且转箱(3)内部的两端转动连接有与丝杆(6)相连的从动滑轮(5),所述转箱(3)远离调节箱(2)一侧的中间位置处转动连接有转手(4),且转手(4)的一侧贯穿转箱(3)转动连接有主动滑轮(17),所述主动滑轮(17)通过皮带与从动滑轮(5)相连。4. The workpiece positioning device of a three-axis machining center according to claim 1, characterized in that: a rotary box (3) is installed on both sides of the adjustment box (2), and a rotary box (3) is installed inside the rotary box (3). A driven pulley (5) connected with the screw rod (6) is rotatably connected to the two ends of the rotating box (3), and a rotating hand (4) is rotatably connected to the middle position of the side of the rotating box (3) away from the adjusting box (2), and the rotating hand ( A driving pulley (17) is rotatably connected through one side of the turret (3), and the driving pulley (17) is connected with the driven pulley (5) through a belt. 5.根据权利要求1所述的一种三轴加工中心的工件定位装置,其特征在于:所述安装结构(7)包括卡杆(701)、安装箱(702)和压缩弹簧(703),所述安装箱(702)安装在调节箱(2)底端的两侧,且安装箱(702)内部的一侧安装有压缩弹簧(703),所述压缩弹簧(703)的一侧安装有贯穿安装箱(702)的卡杆(701)。5. The workpiece positioning device for a three-axis machining center according to claim 1, wherein the installation structure (7) comprises a clamping rod (701), an installation box (702) and a compression spring (703), The installation box (702) is installed on both sides of the bottom end of the adjustment box (2), and a compression spring (703) is installed on one side of the inside of the installation box (702), and a through-hole is installed on one side of the compression spring (703). Install the lever (701) of the box (702). 6.根据权利要求5所述的一种三轴加工中心的工件定位装置,其特征在于:所述安装箱(702)一侧的中间位置处滑动连接有拉杆(8),且拉杆(8)的一侧与安装箱(702)相连。6 . The workpiece positioning device of a three-axis machining center according to claim 5 , wherein a pull rod ( 8 ) is slidably connected to a middle position on one side of the installation box ( 702 ), and the pull rod ( 8 ) One side is connected to the installation box (702). 7.根据权利要求1所述的一种三轴加工中心的工件定位装置,其特征在于:所述调平结构(12)包括调平框(1201)、调节块(1202)、固定块(1203)、调节栓(1204)、螺纹管(1205)和通槽(1206),所述调平框(1201)安装在安装结构(7)顶端的中间位置处,且调平框(1201)内部底端的两侧均安装有固定块(1203),所述固定块(1203)的顶端滑动连接有调节块(1202),所述调平框(1201)两侧的上端开设有通槽(1206),且通槽(1206)的内部滑动连接有螺纹管(1205),所述螺纹管(1205)内部的中间位置处转动连接有调节栓(1204),且调节栓(1204)的一侧通过轴承与调节块(1202)相连。7 . The workpiece positioning device for a three-axis machining center according to claim 1 , wherein the leveling structure ( 12 ) comprises a leveling frame ( 1201 ), an adjusting block ( 1202 ), and a fixing block ( 1203 ). 8 . ), adjusting bolt (1204), threaded pipe (1205) and through groove (1206), the leveling frame (1201) is installed at the middle position of the top of the mounting structure (7), and the inner bottom of the leveling frame (1201) A fixing block (1203) is installed on both sides of the end, the top end of the fixing block (1203) is slidably connected with an adjusting block (1202), and a through groove (1206) is opened on the upper ends of both sides of the leveling frame (1201), And the inside of the through groove (1206) is slidably connected with a threaded pipe (1205), an adjustment bolt (1204) is rotatably connected at the middle position inside the threaded pipe (1205), and one side of the adjustment bolt (1204) is connected with the bearing through a bearing. The adjustment block (1202) is connected.
CN202120268212.3U 2021-02-01 2021-02-01 A workpiece positioning device for a three-axis machining center Expired - Fee Related CN214979273U (en)

Priority Applications (1)

Application Number Priority Date Filing Date Title
CN202120268212.3U CN214979273U (en) 2021-02-01 2021-02-01 A workpiece positioning device for a three-axis machining center

Applications Claiming Priority (1)

Application Number Priority Date Filing Date Title
CN202120268212.3U CN214979273U (en) 2021-02-01 2021-02-01 A workpiece positioning device for a three-axis machining center

Publications (1)

Publication Number Publication Date
CN214979273U true CN214979273U (en) 2021-12-03

Family

ID=79144867

Family Applications (1)

Application Number Title Priority Date Filing Date
CN202120268212.3U Expired - Fee Related CN214979273U (en) 2021-02-01 2021-02-01 A workpiece positioning device for a three-axis machining center

Country Status (1)

Country Link
CN (1) CN214979273U (en)

Cited By (1)

* Cited by examiner, † Cited by third party
Publication number Priority date Publication date Assignee Title
CN118989942A (en) * 2024-08-21 2024-11-22 江苏美弛智造科技有限公司 Automatic screw locking machine

Cited By (1)

* Cited by examiner, † Cited by third party
Publication number Priority date Publication date Assignee Title
CN118989942A (en) * 2024-08-21 2024-11-22 江苏美弛智造科技有限公司 Automatic screw locking machine

Similar Documents

Publication Publication Date Title
CN214979273U (en) A workpiece positioning device for a three-axis machining center
CN217570999U (en) Adjustable auxiliary clamping device for mechanical drilling
CN209811765U (en) Lathe quick clamping device
CN208644155U (en) A kind of fixed device of Drilling machines bench
CN222843167U (en) Square knife tower lathe cutter convenient to dismouting
CN219562131U (en) A multi-axis drilling and tapping machine
CN218395989U (en) Radial drill convenient to adjust
CN208231296U (en) A kind of mechanical processing machine work holder
CN216608026U (en) Novel rotary fixture that CNC machining center used
CN214025391U (en) Electromechanical device auxiliary manufacturing device
CN211218790U (en) A nut axial oblique hole machining tool
CN208773029U (en) Fast positioning clip clamper
CN216575932U (en) Tapping equipment
CN209050150U (en) A kind of cylinder head cover drilling machine of rotatable positioning
CN211277420U (en) A positioning device for a drilling machine
CN218135430U (en) Multifunctional clamp
CN219684042U (en) Clamping assembly of workbench of multi-spindle drilling machine
CN222944987U (en) Stable type supporting structure for tool bit of numerical control machine tool
CN221474279U (en) Work piece radial drill adds clamping apparatus
CN218875237U (en) Cabinet body panel sheet metal component assembly fixture
CN223012566U (en) A fixing device for producing machine tool parts
CN218284550U (en) But angle regulation's jig
CN223056761U (en) A hole drilling device for ear hinge processing
CN221436711U (en) A vertical paneling mechanism for a wood paneling machine
CN218395992U (en) A fixture structure for multi-hole drilling machine

Legal Events

Date Code Title Description
GR01 Patent grant
GR01 Patent grant
CF01 Termination of patent right due to non-payment of annual fee

Granted publication date: 20211203

CF01 Termination of patent right due to non-payment of annual fee