CN214947271U - 一种水泥窑用膨胀节密封结构 - Google Patents
一种水泥窑用膨胀节密封结构 Download PDFInfo
- Publication number
- CN214947271U CN214947271U CN202120517669.3U CN202120517669U CN214947271U CN 214947271 U CN214947271 U CN 214947271U CN 202120517669 U CN202120517669 U CN 202120517669U CN 214947271 U CN214947271 U CN 214947271U
- Authority
- CN
- China
- Prior art keywords
- expansion joint
- cement kiln
- baffle
- sealing structure
- multilayer
- Prior art date
- Legal status (The legal status is an assumption and is not a legal conclusion. Google has not performed a legal analysis and makes no representation as to the accuracy of the status listed.)
- Active
Links
- 239000004568 cement Substances 0.000 title claims abstract description 15
- 238000007789 sealing Methods 0.000 title claims description 24
- 238000004519 manufacturing process Methods 0.000 abstract description 2
- 239000004576 sand Substances 0.000 abstract description 2
- 239000000463 material Substances 0.000 abstract 1
- 230000008602 contraction Effects 0.000 description 1
- 238000006073 displacement reaction Methods 0.000 description 1
- 238000010438 heat treatment Methods 0.000 description 1
- 239000000126 substance Substances 0.000 description 1
Images
Landscapes
- Joints Allowing Movement (AREA)
Abstract
本实用新型公开了一种水泥窑用膨胀节密封结构,涉及水泥生产设备技术领域,包括膨胀节(1),所述膨胀节(1)的两端分别设置有挡板(3),所述两端的挡板(3)之间设置有用于保护膨胀节(1),避免飞沙料进入到膨胀节(1)中影响膨胀节(1)使用寿命的多层密封板(2),所述多层密封板(2)由三个密封板交错排列而成且每层间距的为10~15mm。本实用新型具有结构简单,拆卸方便和使用寿命长的优点。
Description
技术领域
本实用新型涉及水泥生产设备技术领域,特别是一种水泥窑用膨胀节密封结构。
背景技术
膨胀节习惯上也叫补偿器,或伸缩节。由构成其工作主体的波纹管(一种弹性元件)和端管、支架、法兰、导管等附件组成。 膨胀节是为了补偿因温度差与机械振动引起的附加应力,而设置在容器壳体或管道上的一种挠性结构。利用其工作主体波纹管的有效伸缩变形,以吸收管线、导管、容器等由热胀冷缩等原因而产生的尺寸变化,或补偿管线、导管、容器等的轴向、横向和角向位移。也可用于降噪减振。供热上,为了防止供热管道升温时,由于热伸长或温度应力而引起管道变形或破坏,需要在管道上设置补偿器,以补偿管道的热伸长,从而减小管壁的应力和作用在阀件或支架结构上的作用力。
由于膨胀节作为一种能自由伸缩的弹性补偿元件,具有工作可靠、性能良好、结构紧凑等优点,已广泛应用在化工、冶金、核能等部门;在容器上采用的膨胀节,有多种形式,就波纹的形状而言,以U形膨胀节应用得最为广泛,其次还有Ω形和C形等;而在管道上采用的膨胀节就结构补偿而言,又分为万能式、压力平衡式、铰链式以及万向接头式等;而现有水泥窑用的膨胀节普遍没有密封保护结构,如申请号为CN201320565895.4的专利便没有膨胀节保护结构,导致其使用寿命短。
实用新型内容
本实用新型的目的在于克服现有技术的缺点,提供结构简单,拆卸方便和使用寿命长的一种水泥窑用膨胀节密封结构。
本实用新型的目的通过以下技术方案来实现:一种水泥窑用膨胀节密封结构,包括膨胀节,所述膨胀节的两端分别设置有挡板,所述两端的挡板之间设置有多层密封板。
优选的,所述多层密封板由三个密封板交错排列而成,且最外层的密封板与膨胀节之间并未完全封闭还设有间隙为15mm的缺口。
优选的,所述多层密封板的每层间距为10~15mm。
优选的,所述挡板的横截面为三角形。
优选的,所述挡板的厚度为5~10mm。
本实用新型具有以下优点:结构简单,有多层密封板和挡板的保护使得膨胀节使用寿命更长。
附图说明
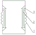
图1 为本实用新型的结构示意图;
图中:1-膨胀节,2-多层密封板,3-挡板。
具体实施方式
下面结合附图对本实用新型做进一步的描述,但本实用新型的保护范围不局限于以下所述。
如图1所示,一种水泥窑用膨胀节密封结构,包括膨胀节1,所述膨胀节1设置在管道上,膨胀节1的两端分别焊接有横截面为三角形的挡板3,所述两端的挡板3之间设置有多层密封板2,且多层密封板2由三个密封板交错排列而成,多层密封板2和挡板3均设置在管道的内部用于保护膨胀节,避免管道中的飞沙料进入到膨胀节1中影响膨胀节1的使用寿命。
优选的,所述多层密封板2的每层间距为10~15mm且最外层的密封板与膨胀节1之间并未完全封闭,还设有间隙为15mm的缺口。
优选的,所述挡板3的厚度为5~10mm。
Claims (5)
1.一种水泥窑用膨胀节密封结构,其特征在于:包括膨胀节(1),所述膨胀节(1)的两端分别设置有挡板(3),所述两端的挡板(3)之间设置有多层密封板(2)。
2.根据权利要求1所述的一种水泥窑用膨胀节密封结构,其特征在于:所述多层密封板(2)由三个密封板交错排列而成。
3.根据权利要求1所述的一种水泥窑用膨胀节密封结构,其特征在于:所述多层密封板(2)的每层间距为10~15mm。
4.根据权利要求1所述的一种水泥窑用膨胀节密封结构,其特征在于:所述挡板(3)的横截面为三角形。
5.根据权利要求1所述的一种水泥窑用膨胀节密封结构,其特征在于:所述挡板(3)的厚度为5~10mm。
Priority Applications (1)
| Application Number | Priority Date | Filing Date | Title |
|---|---|---|---|
| CN202120517669.3U CN214947271U (zh) | 2021-03-11 | 2021-03-11 | 一种水泥窑用膨胀节密封结构 |
Applications Claiming Priority (1)
| Application Number | Priority Date | Filing Date | Title |
|---|---|---|---|
| CN202120517669.3U CN214947271U (zh) | 2021-03-11 | 2021-03-11 | 一种水泥窑用膨胀节密封结构 |
Publications (1)
| Publication Number | Publication Date |
|---|---|
| CN214947271U true CN214947271U (zh) | 2021-11-30 |
Family
ID=79118595
Family Applications (1)
| Application Number | Title | Priority Date | Filing Date |
|---|---|---|---|
| CN202120517669.3U Active CN214947271U (zh) | 2021-03-11 | 2021-03-11 | 一种水泥窑用膨胀节密封结构 |
Country Status (1)
| Country | Link |
|---|---|
| CN (1) | CN214947271U (zh) |
-
2021
- 2021-03-11 CN CN202120517669.3U patent/CN214947271U/zh active Active
Similar Documents
| Publication | Publication Date | Title |
|---|---|---|
| CN215635683U (zh) | 一种高密封性膨胀节 | |
| CN214579645U (zh) | 一种全封闭组合电器用轴向型膨胀节 | |
| CN214947271U (zh) | 一种水泥窑用膨胀节密封结构 | |
| CN206478370U (zh) | 一种耐高温管道膨胀节 | |
| CN105135138A (zh) | 一种膨胀节 | |
| CN211398967U (zh) | 一种设置减震圈的管道补偿器 | |
| WO2021232822A1 (zh) | 一种冷却壁进出水管加强结构 | |
| CN220581975U (zh) | 一种密封隔热式铰链膨胀节 | |
| CN101694260B (zh) | 非金属补偿器 | |
| CN201513666U (zh) | 非金属补偿器 | |
| CN206478369U (zh) | 一种轴向膨胀节 | |
| CN107061914A (zh) | 一种波纹管膨胀节 | |
| CN223203987U (zh) | 厚壁膨胀节 | |
| CN213333026U (zh) | 一种易安装的双层膨胀节 | |
| CN215674206U (zh) | 一种带隔热减重型浮动环的耐高温膨胀节 | |
| CN214535067U (zh) | 防寒保温减振型非金属膨胀节 | |
| CN216813384U (zh) | 一种防冲刷腐蚀的夹套管膨胀节 | |
| CN219282724U (zh) | 高承压非金属补偿器 | |
| CN217899201U (zh) | 一种应用于供热管道的新型外层可拆卸式双层补偿器 | |
| CN209458556U (zh) | 一种用于落渣管轴向密封及膨胀补偿的胀缩装置 | |
| CN215807081U (zh) | 一种锅炉回料器金属膨胀节 | |
| CN219655552U (zh) | 回料腿金属八角膨胀节 | |
| CN220337801U (zh) | 一种高炉送风装置用补偿器 | |
| CN212840043U (zh) | 一种防积灰非金属补偿器 | |
| CN217762606U (zh) | 一种卡丹式补偿器 |
Legal Events
| Date | Code | Title | Description |
|---|---|---|---|
| GR01 | Patent grant | ||
| GR01 | Patent grant |