CN214881918U - Galvanizing device for metal hinge processing - Google Patents

Galvanizing device for metal hinge processing Download PDF

Info

Publication number
CN214881918U
CN214881918U CN202120913413.4U CN202120913413U CN214881918U CN 214881918 U CN214881918 U CN 214881918U CN 202120913413 U CN202120913413 U CN 202120913413U CN 214881918 U CN214881918 U CN 214881918U
Authority
CN
China
Prior art keywords
water
galvanizing
metal hinge
bottom plate
hinge
Prior art date
Legal status (The legal status is an assumption and is not a legal conclusion. Google has not performed a legal analysis and makes no representation as to the accuracy of the status listed.)
Expired - Fee Related
Application number
CN202120913413.4U
Other languages
Chinese (zh)
Inventor
王烈军
Current Assignee (The listed assignees may be inaccurate. Google has not performed a legal analysis and makes no representation or warranty as to the accuracy of the list.)
Hubei Xianghai Heavy Industry Machinery Co ltd
Original Assignee
Hubei Xianghai Heavy Industry Machinery Co ltd
Priority date (The priority date is an assumption and is not a legal conclusion. Google has not performed a legal analysis and makes no representation as to the accuracy of the date listed.)
Filing date
Publication date
Application filed by Hubei Xianghai Heavy Industry Machinery Co ltd filed Critical Hubei Xianghai Heavy Industry Machinery Co ltd
Priority to CN202120913413.4U priority Critical patent/CN214881918U/en
Application granted granted Critical
Publication of CN214881918U publication Critical patent/CN214881918U/en
Expired - Fee Related legal-status Critical Current
Anticipated expiration legal-status Critical

Links

Images

Landscapes

  • Coating With Molten Metal (AREA)
  • Electroplating Methods And Accessories (AREA)

Abstract

本实用新型公开了一种金属铰链加工用镀锌装置,涉及镀锌装置领域,本实用新型包括镀锌区、传送装置、冲洗装置、回收装置以及支撑装置,镀锌区包括镀锌池以及气缸,传送装置包括电动滑轨、支撑台以及烘干机,冲洗装置包括清水桶、送水管以及接水池,回收装置包括抽水管以及水泵,支撑装置包括底板、支撑杆以及顶板。本实用新型一种金属铰链加工用镀锌装置,气缸带动伸缩柱上下运动,从而将铰链送入镀锌池中进行电镀并拿出,不需要人直接接触,提高生产安全性,电动滑轨使得气缸能够将铰链传送至喷淋以及烘干,过滤器和水泵将冲洗后的水重新回收利用,节约水资源,传送机以及烘干机对冲洗后的铰链烘干,节省时间,提高效率。

Figure 202120913413

The utility model discloses a galvanizing device for metal hinge processing, which relates to the field of galvanizing devices. The utility model comprises a galvanizing area, a conveying device, a flushing device, a recycling device and a supporting device. The galvanizing area includes a galvanizing tank and a cylinder. The conveying device includes an electric slide rail, a support table and a dryer, the washing device includes a clean water bucket, a water supply pipe and a water receiving pool, the recovery device includes a suction pipe and a water pump, and the supporting device includes a bottom plate, a support rod and a top plate. The utility model relates to a galvanizing device for metal hinge processing. A cylinder drives a telescopic column to move up and down, so that the hinge is sent into a galvanizing tank for electroplating and taken out without direct contact by people, thereby improving production safety. The air cylinder can transmit the hinge to the spraying and drying, the filter and the water pump recycle the rinsed water, saving water resources, the conveyor and the dryer dries the rinsed hinge, saving time and improving efficiency.

Figure 202120913413

Description

Galvanizing device for metal hinge processing
Technical Field
The utility model relates to a zinc-plating device field, in particular to zinc-plating device is used in metal hinge processing.
Background
Electroplating is a process of plating a thin layer of other metals or alloys on the surface of some metals by using the principle of electrolysis, which has the functions of preventing metal oxidation, improving wear resistance, conductivity, light reflection, corrosion resistance, beauty and the like, and the outer layer of a plurality of coins is also electroplated. During electroplating, the plating metal or other insoluble materials are used as an anode, the workpiece to be plated is electroplated as a cathode, and cations of the plating metal are reduced on the surface of the workpiece to be plated to form a plating layer.
The existing galvanizing device for metal hinge processing is simple in structure and single in function, parts are not washed and dried after electroplating, environmental pollution is easily caused, and the health of a user is damaged.
SUMMERY OF THE UTILITY MODEL
The utility model discloses a main aim at provides a zinc-plating device is used in metal hinge processing can effectively solve simple structure among the background art, and the function is single, does not wash and drying process the part after electroplating, easily causes environmental pollution, harm user's healthy problem.
In order to achieve the above purpose, the utility model adopts the following technical scheme: a galvanizing device for metal hinge processing comprises a galvanizing area, a conveying device, a washing device, a recovery device and a supporting device, wherein the galvanizing area comprises a galvanizing pool and an air cylinder, the conveying device comprises an electric slide rail, a supporting table and a dryer, the upper surface of the air cylinder is in sliding fit with the lower surface of the electric slide rail, the washing device comprises a clear water barrel, a water conveying pipe and a water receiving pool, the recovery device comprises a water pumping pipe and a water pump, the lower surface of the water pump is connected with the upper surface of the clear water barrel, the supporting device comprises a bottom plate, a supporting rod and a top plate, the lower surface of the galvanizing pool is connected with the upper surface of the bottom plate, the upper surface of the electric slide rail is connected with the lower surface of the top plate, the lower surface of the supporting table is connected with the upper surface of the bottom plate, the upper surface of the dryer is connected with the lower surface of the top plate, and the lower surface of the clear water barrel is connected with the upper surface of the top plate, a plurality of bracing piece side surface all is equipped with a through-hole, water supply pipe week side is connected with a through-hole, surface connection on water receiving pond lower surface and the bottom plate, drinking-water pipe week side is connected with another through-hole, and wherein, the bracing piece has six.
Preferably, the galvanizing area still includes flexible post, connection lid, lifting hook and dead lever, flexible post upper surface and cylinder lower surface are connected, flexible post week side with be connected and cover internal surface rotation cooperation, lifting hook upper surface and connection lid lower surface weld, dead lever lower surface and the welding of lifting hook week side drive flexible post through setting up the cylinder and reciprocate, stretch into the galvanizing bath with the lifting hook and carry out the galvanizing, and metal hinge places on the lifting hook, through dead lever fixed position, the lifting hook is changed to swivelling joint lid.
Preferably, conveyer still includes conveyer and spout, the spout sets up in electronic slide rail lower surface, conveyer lower surface and supporting bench upper surface are connected, the cylinder top is equipped with a slider, slider week side and spout internal surface sliding fit, the cylinder removes on electronic slide rail, sends the hinge after electroplating to wash and dry, conveyer conveying hinge, and the drying-machine is dried.
Preferably, the flushing device further comprises a spray header, one end of the water supply pipe is connected with the upper surface of the clear water barrel, the other end of the water supply pipe is connected with the upper surface of the spray header, clear water in the clear water barrel is conveyed to the spray header through the water supply pipe, the clear water is flushed by aiming at the electroplated hinge, residual solution is flushed, and the cleaning solution is contained in the water receiving pool.
Preferably, the recovery device further comprises a filter, the lower surface of the filter is connected with the upper surface of the water pump, one end of the water pumping pipe is connected with the upper surface of the filter, the water in the water receiving pool is pumped back by the water pump for reuse, and the water is filtered by the filter and then enters the clear water barrel for cyclic utilization.
Preferably, strutting arrangement still includes the slipmat, and is a plurality of the upper surface of slipmat all with bottom plate lower surface welding, a plurality of the bracing piece upper surface all is connected with the roof lower surface, and is a plurality of the bracing piece lower surface all with bottom plate upper surface connection, wherein, the slipmat has ten, and the slipmat plays the firm effect of antiskid.
Compared with the prior art, the utility model discloses following beneficial effect has:
the utility model discloses in, drive flexible post up-and-down motion through setting up the cylinder, thereby send into the hinge and electroplate and take out in the galvanizing bath, do not need people's direct contact, improve the production security, make the cylinder can convey the hinge to spraying and drying through setting up electronic slide rail, through setting up filter and water pump, recycle again the water after will washing, send into the clear water bucket once more after filtering and carry out cyclic utilization, the water economy resource, wash the hinge and can wash away a large amount of residual solution, prevent that follow-up use from contacting toxic solution, influence the user healthy, through setting up conveyer and drying-machine, to the hinge after washing drying, save time, high efficiency.
Drawings
FIG. 1 is a schematic view of the overall external structure of a zinc plating apparatus for processing a metal hinge according to the present invention;
FIG. 2 is a schematic front view of a galvanizing apparatus for processing a metal hinge according to the present invention;
fig. 3 is a schematic top isometric view of a galvanization device for processing a metal hinge according to the present invention;
fig. 4 is a schematic view of an isometric structure of the lower portion of the zinc plating apparatus for processing a metal hinge according to the present invention.
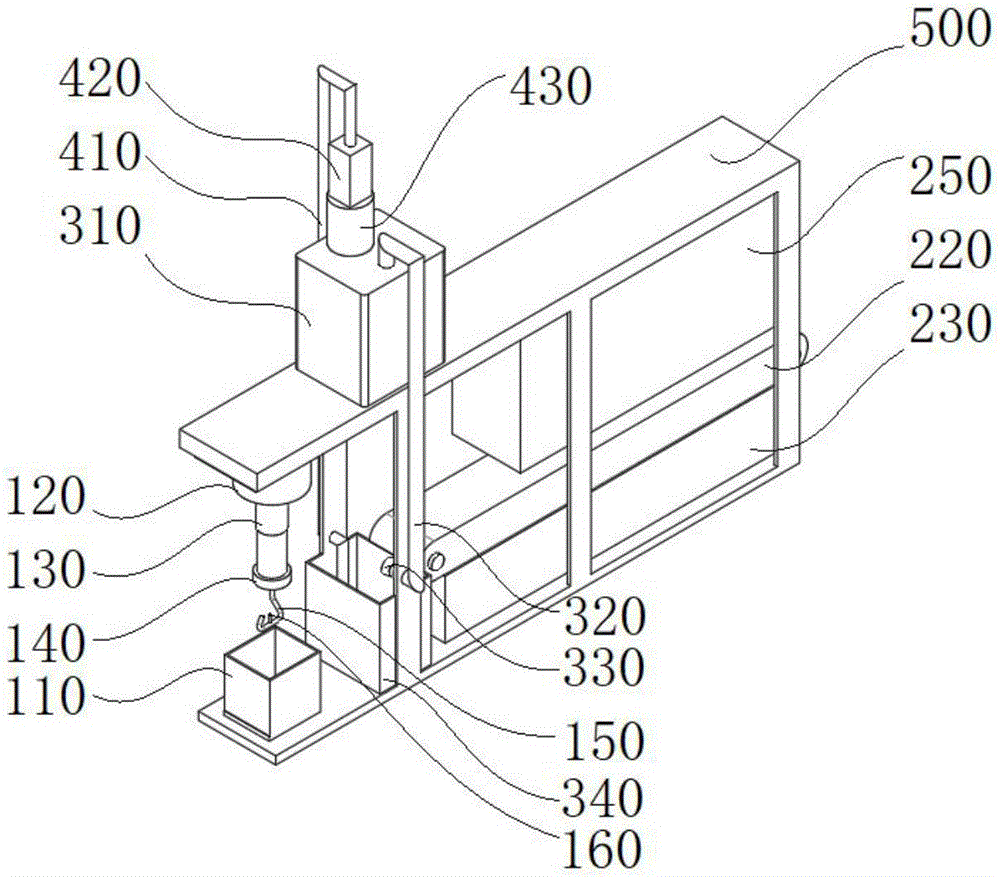
In the figure: 100. a galvanization area; 110. a galvanizing pool; 120. a cylinder; 130. a telescopic column; 140. a connecting cover; 150. a hook; 160. fixing the rod; 200. a conveying device; 210. an electric slide rail; 220. a conveyor; 230. a support table; 240. a chute; 250. a dryer; 300. a flushing device; 310. a clear water barrel; 320. a water supply pipe; 330. a shower head; 340. a water receiving pool; 400. a recovery device; 410. a water pumping pipe; 420. a filter; 430. a water pump; 500. a support device; 510. a non-slip mat; 520. a base plate; 530. a support bar; 540. a top plate.
Detailed Description
In order to make the technical means, creation features, achievement purposes and functions of the present invention easy to understand, the present invention is further described below with reference to the following embodiments.
In the description of the present invention, it should be noted that the terms "upper", "lower", "inner", "outer", "front end", "rear end", "both ends", "one end", "the other end" and the like indicate orientations or positional relationships based on the orientations or positional relationships shown in the drawings, and are only for convenience of description and simplification of description, but do not indicate or imply that the device or element to which the reference is made must have a specific orientation, be constructed in a specific orientation, and be operated, and thus, should not be construed as limiting the present invention. Furthermore, the terms "first" and "second" are used for descriptive purposes only and are not to be construed as indicating or implying relative importance.
In the description of the present invention, it is to be noted that, unless otherwise explicitly specified or limited, the terms "mounted," "disposed," "connected," and the like are to be construed broadly, and for example, "connected" may be either fixedly connected or detachably connected, or integrally connected; can be mechanically or electrically connected; they may be connected directly or indirectly through intervening media, or they may be interconnected between two elements. The specific meaning of the above terms in the present invention can be understood in specific cases to those skilled in the art.
Referring to fig. 1-4, the present invention relates to a galvanizing apparatus for metal hinge processing, including a galvanizing area 100, a conveying apparatus 200, a washing apparatus 300, a recycling apparatus 400 and a supporting apparatus 500, wherein the galvanizing area 100 includes a galvanizing pool 110 and a cylinder 120, the conveying apparatus 200 includes an electric slide rail 210, a supporting table 230 and a dryer 250, an upper surface of the cylinder 120 is in sliding fit with a lower surface of the electric slide rail 210, the washing apparatus 300 includes a clean water tank 310, a water supply pipe 320 and a water receiving pool 340, the recycling apparatus 400 includes a water pumping pipe 410 and a water pump 430, a lower surface of the water pump 430 is connected with an upper surface of the clean water tank 310, the supporting apparatus 500 includes a bottom plate 520, a supporting rod 530 and a top plate 540, a lower surface of the galvanizing pool 110 is connected with an upper surface of the bottom plate 520, an upper surface of the electric slide rail 210 is connected with a lower surface of the top plate 540, a lower surface of the supporting table 230 is connected with an upper surface of the bottom plate 520, an upper surface of the dryer 250 is connected with a lower surface of the top plate 540, the lower surface of the clear water barrel 310 is connected with the upper surface of the top plate 540, one side surface of the plurality of support rods 530 is provided with a through hole, the peripheral side surface of the water supply pipe 320 is connected with one through hole, the lower surface of the water receiving tank 340 is connected with the upper surface of the bottom plate 520, the peripheral side surface of the water pumping pipe 410 is connected with another through hole, and the number of the support rods 530 is six.
Further, galvanization district 100 still includes flexible post 130, connect lid 140, lifting hook 150 and dead lever 160, flexible post 130 upper surface and cylinder 120 lower surface are connected, flexible post 130 week side and the rotatory cooperation of being connected lid 140 internal surface, lifting hook 150 upper surface and the lower surface welding of being connected lid 140, dead lever 160 lower surface and the welding of lifting hook 150 week side, move about through setting up cylinder 120 drive flexible post 130, stretch into galvanizing bath 110 with lifting hook 150 and carry out the galvanization, metal hinge places on lifting hook 150, fix a position through dead lever 160, lifting hook 150 is changed to swivelling joint lid 140.
Further, the conveying device 200 further includes a conveyor 220 and a chute 240, the chute 240 is disposed on the lower surface of the electric slide rail 210, the lower surface of the conveyor 220 is connected with the upper surface of the support platform 230, a slider is disposed above the cylinder 120, the peripheral side surface of the slider is in sliding fit with the inner surface of the chute 240, the cylinder 120 moves on the electric slide rail 210, after electroplating, the hinge is sent to be washed and dried, the conveyor 220 conveys the hinge, and the dryer 250 dries.
Further, the flushing device 300 further comprises a spray header 330, one end of the water supply pipe 320 is connected with the upper surface of the clear water barrel 310, the other end of the water supply pipe 320 is connected with the upper surface of the spray header 330, clear water in the clear water barrel 310 is transported to the spray header 330 through the water supply pipe 320, flushing is performed on the electroplated hinge, residual solution is flushed away, and cleaning solution is contained in the water receiving tank 340.
Further, the recycling device 400 further includes a filter 420, a lower surface of the filter 420 is connected to an upper surface of the water pump 430, one end of the water pumping pipe 410 is connected to the upper surface of the filter 420, and the water pump 430 pumps the water in the water receiving tank 340 back for use, and the water is filtered by the filter 420 and then enters the clean water tank 310 for recycling.
Further, strutting arrangement 500 still includes slipmat 510, and a plurality of slipmats 510 upper surface all with bottom plate 520 lower surface welding, a plurality of bracing piece 530 upper surface all with roof 540 lower surface connection, a plurality of bracing piece 530 lower surface all with bottom plate 520 upper surface connection, wherein, slipmat 510 has ten, and slipmat 510 plays the firm effect of antiskid.
The utility model discloses a theory of operation does:
referring to fig. 1-4, the present invention relates to a galvanizing apparatus for metal hinge processing, wherein the model of the cylinder 120 is STD, the model of the conveyor 220 is GY300-1800, the model of the water pump 430 is YQ-304, the hinge to be electroplated is placed on the hook 150, the position is fixed by the fixing rod 160, the cylinder 120 is started to drive the telescopic column 130 to move up and down, the hook 150 is driven to drive the hinge to enter the galvanizing pool 110 for electroplating, the telescopic column 130 contracts after the galvanizing is finished, the hinge is taken out from the galvanizing pool 110, the electric slide rail 210 is started, the cylinder 120 is conveyed to the spraying position, the spray head 330 is opened for spraying, the sprayed water enters the water receiving pool 340, the water is extracted and recovered by the water pump 430 and filtered, and finally enters the clear water tank 310 for recycling, the sprayed water is conveyed to the conveyor 220 by the hinge while being conveyed and the dryer 250 is started for drying.
The basic principles and the main features of the invention and the advantages of the invention have been shown and described above. It will be understood by those skilled in the art that the present invention is not limited to the above embodiments, and that the foregoing embodiments and descriptions are provided only to illustrate the principles of the present invention without departing from the spirit and scope of the present invention. The scope of the invention is defined by the appended claims and equivalents thereof.

Claims (6)

1. The utility model provides a metal hinge processing is with zinc-plating device, includes zinc-plating district (100), conveyer (200), washing unit (300), recovery unit (400) and strutting arrangement (500), its characterized in that: the galvanizing area (100) comprises a galvanizing pool (110) and an air cylinder (120), the conveying device (200) comprises an electric slide rail (210), a supporting table (230) and a dryer (250), the upper surface of the air cylinder (120) is in sliding fit with the lower surface of the electric slide rail (210), the flushing device (300) comprises a clear water barrel (310), a water conveying pipe (320) and a water receiving pool (340), the recovery device (400) comprises a water pumping pipe (410) and a water pump (430), the lower surface of the water pump (430) is connected with the upper surface of the clear water barrel (310), the supporting device (500) comprises a bottom plate (520), a supporting rod (530) and a top plate (540), the lower surface of the galvanizing pool (110) is connected with the upper surface of the bottom plate (520), the upper surface of the electric slide rail (210) is connected with the lower surface of the top plate (540), the lower surface of the supporting table (230) is connected with the upper surface of the bottom plate (520), dryer (250) upper surface and roof (540) lower surface are connected, clear water bucket (310) lower surface and roof (540) upper surface are connected, and is a plurality of bracing piece (530) a side surface all is equipped with a through-hole, water supply pipe (320) week side is connected with a through-hole, water receiving pond (340) lower surface and bottom plate (520) upper surface are connected, drinking-water pipe (410) week side is connected with another through-hole.
2. The galvanizing apparatus for machining the metal hinge as claimed in claim 1, wherein: galvanization district (100) still includes flexible post (130), connects lid (140), lifting hook (150) and dead lever (160), flexible post (130) upper surface is connected with cylinder (120) lower surface, flexible post (130) week side with be connected lid (140) internal surface rotation cooperation, lifting hook (150) upper surface with be connected lid (140) lower surface welding, dead lever (160) lower surface and lifting hook (150) week side welding.
3. The galvanizing apparatus for machining the metal hinge as claimed in claim 1, wherein: conveyer (200) still include conveyer (220) and spout (240), spout (240) set up in electronic slide rail (210) lower surface, conveyer (220) lower surface and supporting bench (230) upper surface connection, cylinder (120) top is equipped with a slider, slider week side and spout (240) internal surface sliding fit.
4. The galvanizing apparatus for machining the metal hinge as claimed in claim 1, wherein: the flushing device (300) further comprises a spray header (330), one end of the water supply pipe (320) is connected with the upper surface of the clear water barrel (310), and the other end of the water supply pipe (320) is connected with the upper surface of the spray header (330).
5. The galvanizing apparatus for machining the metal hinge as claimed in claim 1, wherein: the recovery device (400) further comprises a filter (420), the lower surface of the filter (420) is connected with the upper surface of the water pump (430), and one end of the water pumping pipe (410) is connected with the upper surface of the filter (420).
6. The galvanizing apparatus for machining the metal hinge as claimed in claim 1, wherein: the supporting device (500) further comprises anti-skid pads (510), the upper surfaces of the anti-skid pads (510) are welded with the lower surface of the bottom plate (520), the upper surfaces of the supporting rods (530) are connected with the lower surface of the top plate (540), and the lower surfaces of the supporting rods (530) are connected with the upper surface of the bottom plate (520).
CN202120913413.4U 2021-04-29 2021-04-29 Galvanizing device for metal hinge processing Expired - Fee Related CN214881918U (en)

Priority Applications (1)

Application Number Priority Date Filing Date Title
CN202120913413.4U CN214881918U (en) 2021-04-29 2021-04-29 Galvanizing device for metal hinge processing

Applications Claiming Priority (1)

Application Number Priority Date Filing Date Title
CN202120913413.4U CN214881918U (en) 2021-04-29 2021-04-29 Galvanizing device for metal hinge processing

Publications (1)

Publication Number Publication Date
CN214881918U true CN214881918U (en) 2021-11-26

Family

ID=78889372

Family Applications (1)

Application Number Title Priority Date Filing Date
CN202120913413.4U Expired - Fee Related CN214881918U (en) 2021-04-29 2021-04-29 Galvanizing device for metal hinge processing

Country Status (1)

Country Link
CN (1) CN214881918U (en)

Similar Documents

Publication Publication Date Title
CN111394764A (en) Electrogalvanizing production line for roller and production process thereof
CN112481667B (en) Zinc-nickel alloy electroplating process
CN116988132B (en) Gantry barrel plating device
CN201971911U (en) Automatic plating machine
CN214881918U (en) Galvanizing device for metal hinge processing
CN213680941U (en) Take cleaning function's electroplating process equipment for hardware products
CN217509151U (en) Cleaning machine for PCB after copper deposition
CN211386029U (en) Washing unit is used in electroplated metal production
CN211757048U (en) Surface cleaning device for electroplating of motor shell
CN210262042U (en) Plated item belt cleaning device
CN213061095U (en) Recovery unit of clearance plating solution in plating bath
CN2202136Y (en) Conveyor electroplating machinery
CN216574540U (en) Plated item belt cleaning device
CN216338058U (en) Plastic is cylinder device for electroplating treatment
CN215713503U (en) Environment-friendly chain electroplating equipment
CN210529096U (en) Environment-friendly electroplating pool
CN213538155U (en) Electrolyte circulating device for steel wire galvanizing
CN214047467U (en) Take waste liquid discharge mechanism's ham processing to use equipment of pickling
CN209077317U (en) A kind of high efficiency plating rinsing bowl for small part
CN222175080U (en) Electroplating is with wasing drying device
CN212247263U (en) Liquid recovery device of wire electroplating equipment
CN210945830U (en) Hardware electroplating treatment equipment
CN209636344U (en) A kind of novel electroplating device with intelligent alarm
CN220867552U (en) Pp electroplating equipment
CN208055498U (en) A kind of plated item cleaning device

Legal Events

Date Code Title Description
GR01 Patent grant
GR01 Patent grant
CF01 Termination of patent right due to non-payment of annual fee
CF01 Termination of patent right due to non-payment of annual fee

Granted publication date: 20211126