CN214713611U - Medical waste pre-vacuum type sterilization treatment system - Google Patents

Medical waste pre-vacuum type sterilization treatment system Download PDF

Info

Publication number
CN214713611U
CN214713611U CN202023332643.6U CN202023332643U CN214713611U CN 214713611 U CN214713611 U CN 214713611U CN 202023332643 U CN202023332643 U CN 202023332643U CN 214713611 U CN214713611 U CN 214713611U
Authority
CN
China
Prior art keywords
water
steam
jet pump
pump
unit
Prior art date
Legal status (The legal status is an assumption and is not a legal conclusion. Google has not performed a legal analysis and makes no representation as to the accuracy of the status listed.)
Active
Application number
CN202023332643.6U
Other languages
Chinese (zh)
Inventor
靳登超
方博垣
鲍振博
刘新媛
Current Assignee (The listed assignees may be inaccurate. Google has not performed a legal analysis and makes no representation or warranty as to the accuracy of the list.)
Tianjin Agricultural University
Original Assignee
Tianjin Agricultural University
Priority date (The priority date is an assumption and is not a legal conclusion. Google has not performed a legal analysis and makes no representation as to the accuracy of the date listed.)
Filing date
Publication date
Application filed by Tianjin Agricultural University filed Critical Tianjin Agricultural University
Priority to CN202023332643.6U priority Critical patent/CN214713611U/en
Application granted granted Critical
Publication of CN214713611U publication Critical patent/CN214713611U/en
Active legal-status Critical Current
Anticipated expiration legal-status Critical

Links

Images

Landscapes

  • Apparatus For Disinfection Or Sterilisation (AREA)

Abstract

本实用新型公开了一种医疗废物预真空型灭菌处理系统,包括灭菌器、蒸汽喷射泵、水喷射泵、汽水分离单元、冷却单元、储水单元和循环水泵;工作时,启动循环水泵使水喷射泵工作,同时水蒸气供给管路向蒸汽喷射泵供入高压水蒸气使蒸汽喷射泵工作,水喷射泵工作时能够对蒸汽喷射泵产生吸力,形成两级真空系统,不仅能够降低蒸汽的消耗量减小了噪音,而且能够增强对灭菌器1的抽真空效果,使灭菌器内部达到更高的真空度;水喷射泵喷出的气液混合物进入到汽水分离单元,通过汽水分离单元进行水汽分离,分离后的液体之后进入到冷却单元进行冷却,冷却后的液体从冷却单元进入到储水单元,进而为循环水泵供水。

Figure 202023332643

The utility model discloses a pre-vacuum type sterilization treatment system for medical waste, comprising a sterilizer, a steam jet pump, a water jet pump, a steam-water separation unit, a cooling unit, a water storage unit and a circulating water pump; when working, the circulating water pump is started Make the water jet pump work, and at the same time, the water vapor supply pipeline supplies high-pressure water vapor to the steam jet pump to make the steam jet pump work. The consumption reduces the noise, and can enhance the vacuuming effect of the sterilizer 1, so that the interior of the sterilizer can reach a higher degree of vacuum; the gas-liquid mixture sprayed by the water jet pump enters the steam-water separation unit, and is separated The unit performs water vapor separation, and the separated liquid enters the cooling unit for cooling. The cooled liquid enters the water storage unit from the cooling unit, and then supplies water for the circulating water pump.

Figure 202023332643

Description

Medical waste pre-vacuum type sterilization treatment system
Technical Field
The utility model belongs to the technical field of medical waste handles, concretely relates to medical waste is vacuum type sterilization processing system in advance.
Background
The high-temperature steam treatment process for the medical waste is a technical means for killing pathogenic microorganisms by utilizing the heat of water vapor so as to lose infectivity, and in the high-temperature steam treatment of the medical waste, the air of a sterilizer is generally discharged in advance by adopting a vacuumizing mode so as to increase the heat penetrability and improve the heat distribution, thereby ensuring the effect and the efficiency of the medical waste treatment.
The vacuum pump used in the process has two types, one is that a water ring vacuum pump is adopted, and the air in the sterilizer is discharged to the maximum extent by a mode of alternating steam injection and vacuum pumping for many times, wherein the mode is a pulsating vacuum process; another way is to use a steam jet pump to remove air once, which is a pre-vacuum technique.
The general process flow of the pre-vacuum technology is shown in the attached figure 1, the technology adopts 0.8Mpa water vapor as a working medium, on one hand, a water vapor supply pipeline a supplies high-pressure water vapor to a steam jet pump b to enable the steam jet pump to work, then the steam jet pump pumps the interior of a sterilizer c, the vacuum degree of the interior of the sterilizer can be 0.09Mpa, and the gas sprayed by the steam jet pump is condensed by a condenser d; on the other hand, the steam supply line is also communicated with the air inlet of the sterilizer c, and high-temperature steam is used to sterilize the interior of the sterilizer. This pre-vacuum technique suffers from the following disadvantages:
(1) the steam consumption is high;
(2) the noise is extremely high;
(3) a large amount of cooling water is consumed;
(4) part of the odor in the extracted gas exists in the condensed water, so that a certain degree of odor pollution is caused.
SUMMERY OF THE UTILITY MODEL
An object of the utility model is to overcome prior art not enough, provide a medical waste vacuum type sterilization processing system in advance.
The utility model discloses a realize through following technical scheme:
a medical waste pre-vacuum type sterilization treatment system comprises a sterilizer, a steam jet pump, a water jet pump, a steam-water separation unit, a cooling unit, a water storage unit and a circulating water pump;
the steam inlet of the sterilizer is connected with a steam supply pipeline, the steam supply pipeline is also communicated with the steam inlet of a steam jet pump, the suction inlet of the steam jet pump is communicated with the gas port at the top of the sterilizer through a pipeline, the outlet of the steam jet pump is communicated with the suction inlet of a water jet pump through a pipeline, the water incident port of the water jet pump is communicated with the water outlet of a circulating water pump through a pipeline, the outlet of the water jet pump is communicated with the inlet of a steam-water separation unit, the water outlet of the steam-water separation unit is connected to the water inlet of a cooling unit through a pipeline, the cooling water outlet of the cooling unit is communicated with the water inlet of a water storage unit, and the water outlet of the water storage unit is communicated with the water inlet of the circulating water pump.
In the technical scheme, the gas outlet of the steam-water separation unit is connected to the deodorization unit through a pipeline, and the gas separated by the steam-water separation unit is processed through the deodorization unit.
The utility model discloses an advantage and beneficial effect do:
1. a water injection pump is connected in series after the steam injection pump to form a two-stage vacuum system, so that the consumption of steam is reduced, and the noise is also reduced.
2. The water jet pump is simultaneously used as a hybrid condenser to perform direct contact heat exchange condensation on the exhaust steam flowing out of the steam jet pump, so that heat exchange of cold and hot fluids can be quickly realized, the vacuumizing effect is increased, and higher vacuum degree is achieved.
3. A steam-water separator is additionally arranged behind the water injection pump, the extracted non-condensable gas and malodorous gas are separated from water, and the non-condensable gas and the malodorous gas enter a specially-arranged deodorization unit under the drainage of a fan, so that the environment pollution is effectively avoided.
4. The working medium for the water injection pump is circulating water, the heated circulating water is cooled by the cooling tower, collected and continuously supplied to the water injection pump by the circulating water pump, so that continuous operation of equipment can be ensured, and water sources are effectively saved.
Drawings
FIG. 1 is a schematic diagram of a prior art pre-vacuum type sterilization system;
fig. 2 is a schematic structural view of the medical waste pre-vacuum type sterilization system of the present invention.
Wherein:
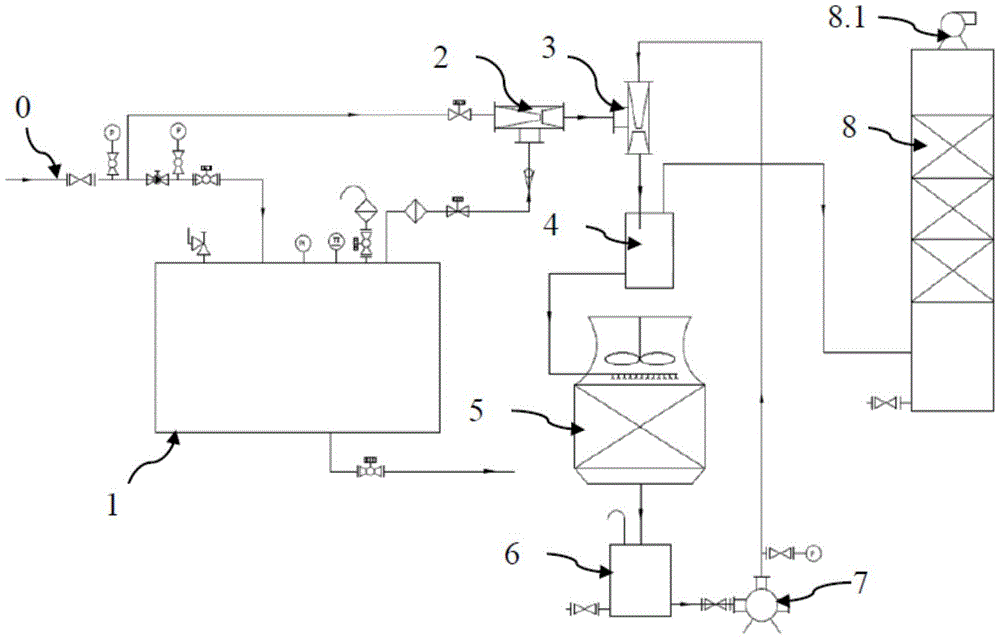
0: steam supply line, 1: sterilizer, 2: steam jet pump, 3: water jet pump, 4: steam-water separation unit, 5: cooling unit, 6: water storage unit, 7: circulating water pump, 8: a deodorization unit.
For a person skilled in the art, other relevant figures can be obtained from the above figures without inventive effort.
Detailed Description
In order to make the technical field person understand the solution of the present invention better, the technical solution of the present invention is further described below with reference to the specific embodiments.
Example one
Referring to fig. 2, the medical waste pre-vacuum type sterilization treatment system comprises a sterilizer 1, a steam injection pump 2, a water injection pump 3, a steam-water separation unit 4, a cooling unit 5, a water storage unit 6 and a circulating water pump 7.
The steam inlet of the sterilizer 1 is connected with a steam supply pipeline 0, the steam supply pipeline is also communicated with the steam inlet of the steam jet pump 2, the suction inlet of the steam jet pump 2 is communicated with the gas port at the top of the sterilizer 1 through a pipeline, the outlet of the steam jet pump 2 is communicated with the suction inlet of the water jet pump 3 through a pipeline, the water incident port of the water jet pump 3 is communicated with the water outlet of the circulating water pump 7 through a pipeline, the outlet of the water jet pump 3 is communicated with the inlet of the steam-water separation unit 4, the water outlet at the bottom of the steam-water separation unit 4 is connected to the water inlet of the cooling unit 5 through a pipeline, the cooling water outlet of the cooling unit 5 is communicated with the water inlet of the water storage unit 6, and the water outlet of the water storage unit 6 is communicated with the water inlet of the circulating water pump 7.
When the sterilizer works, the circulating water pump 7 is started to enable the water injection pump 3 to work, meanwhile, the steam supply pipeline supplies high-pressure steam to the steam injection pump 2 to enable the steam injection pump 2 to work, the water injection pump 3 can generate suction force on the steam injection pump 2 when working, a two-stage vacuum system is formed, the consumption of steam can be reduced, noise is reduced, the vacuumizing effect on the sterilizer 1 can be enhanced, and the interior of the sterilizer can reach higher vacuum degree; the gas-liquid mixture sprayed out of the water jet pump 3 enters a steam-water separation unit 4, water and steam are separated through the steam-water separation unit, the separated liquid enters a cooling unit 5 for cooling, and the cooled liquid enters a water storage unit 6 from the cooling unit so as to supply water for a circulating water pump 7.
Example two
Since the gas withdrawn from the sterilizer contains non-condensable gases and malodorous gases, these gases may cause pollution if discharged directly into the environment. Therefore, in this embodiment, on the basis of the first embodiment, the gas outlet of the steam-water separation unit is connected to the deodorization unit 8 through a pipeline, the top outlet of the deodorization unit 8 is provided with the induced draft fan 8.1, and the gas separated by the steam-water separation unit is treated through the deodorization unit 8.
Spatially relative terms, such as "upper," "lower," "left," "right," and the like, may be used in the embodiments for ease of description to describe one element or feature's relationship to another element or feature as illustrated in the figures. It will be understood that the spatial terms are intended to encompass different orientations of the device in use or operation in addition to the orientation depicted in the figures. For example, if the device in the figures is turned over, elements described as "below" other elements or features would then be oriented "above" the other elements or features. Thus, the exemplary term "lower" can encompass both an upper and a lower orientation. The device may be otherwise oriented (rotated 90 degrees or at other orientations) and the spatially relative descriptors used herein interpreted accordingly.
Moreover, relational terms such as "first" and "second," and the like, may be used solely to distinguish one element from another element having the same name, without necessarily requiring or implying any actual such relationship or order between such elements.
The invention has been described above by way of example, and it should be noted that any simple variants, modifications or other equivalent substitutions by a person skilled in the art without spending creative effort may fall within the scope of protection of the present invention without departing from the core of the present invention.

Claims (3)

1. A medical waste pre-vacuum type sterilization treatment system is characterized in that: comprises a sterilizer, a steam jet pump, a water jet pump, a steam-water separation unit, a cooling unit, a water storage unit and a circulating water pump;
the steam inlet of the sterilizer is connected with a steam supply pipeline, the steam supply pipeline is also communicated with the steam inlet of a steam jet pump, the suction inlet of the steam jet pump is communicated with the gas port at the top of the sterilizer through a pipeline, the outlet of the steam jet pump is communicated with the suction inlet of a water jet pump through a pipeline, the water incident port of the water jet pump is communicated with the water outlet of a circulating water pump through a pipeline, the outlet of the water jet pump is communicated with the inlet of a steam-water separation unit, the water outlet of the steam-water separation unit is connected to the water inlet of a cooling unit through a pipeline, the cooling water outlet of the cooling unit is communicated with the water inlet of a water storage unit, and the water outlet of the water storage unit is communicated with the water inlet of the circulating water pump.
2. The medical waste pre-vacuum type sterilization processing system according to claim 1, characterized in that: the gas outlet of the steam-water separation unit is connected to the deodorization unit through a pipeline.
3. The medical waste pre-vacuum type sterilization processing system according to claim 2, characterized in that: an induced draft fan is arranged at an outlet at the top of the deodorization unit.
CN202023332643.6U 2020-12-30 2020-12-30 Medical waste pre-vacuum type sterilization treatment system Active CN214713611U (en)

Priority Applications (1)

Application Number Priority Date Filing Date Title
CN202023332643.6U CN214713611U (en) 2020-12-30 2020-12-30 Medical waste pre-vacuum type sterilization treatment system

Applications Claiming Priority (1)

Application Number Priority Date Filing Date Title
CN202023332643.6U CN214713611U (en) 2020-12-30 2020-12-30 Medical waste pre-vacuum type sterilization treatment system

Publications (1)

Publication Number Publication Date
CN214713611U true CN214713611U (en) 2021-11-16

Family

ID=78636905

Family Applications (1)

Application Number Title Priority Date Filing Date
CN202023332643.6U Active CN214713611U (en) 2020-12-30 2020-12-30 Medical waste pre-vacuum type sterilization treatment system

Country Status (1)

Country Link
CN (1) CN214713611U (en)

Cited By (1)

* Cited by examiner, † Cited by third party
Publication number Priority date Publication date Assignee Title
CN115068640A (en) * 2022-07-21 2022-09-20 山东新华医疗器械股份有限公司 Pulsation vacuum sterilizer and vacuum circulation system and control method thereof

Cited By (1)

* Cited by examiner, † Cited by third party
Publication number Priority date Publication date Assignee Title
CN115068640A (en) * 2022-07-21 2022-09-20 山东新华医疗器械股份有限公司 Pulsation vacuum sterilizer and vacuum circulation system and control method thereof

Similar Documents

Publication Publication Date Title
CN115068640B (en) Pulsation vacuum sterilizer and vacuum circulation system and control method thereof
CN204384910U (en) A kind of heat pump waste disposal plant
CN201814878U (en) Steam intake and exhaust device of sterilizer
CN214713611U (en) Medical waste pre-vacuum type sterilization treatment system
CN112316162A (en) Pulsation vacuum sterilizer and vacuum circulation system thereof
CN103330953A (en) Biosafety type pulsation vacuum sterilizer
CN201219995Y (en) High-efficient steam sterilization stove pan
CN110464859B (en) Drainage pipe fitting, pipeline system and medical cleaning machine
CN206073747U (en) A kind of sleeve pipe vaporation-type mixed-flow condenser
CN212327043U (en) Energy-conserving efficient high temperature air sterilization apparatus
CN104474563A (en) Vacuum high-temperature and high-pressure sterilization method free from pulse of vacuum pump and sterilizer thereof
JP2014012262A (en) Ozone water generator
CN112811492A (en) Device for treating production line wastewater through combination of heat pump concentration and drying device
CN210205408U (en) Medical waste pretreatment device
CN210226796U (en) Cauldron exhaust condensation heat sink disinfects
CN213911467U (en) Hospital pulsation vacuum sterilizer economizer system
CN211262802U (en) Portable pure steam condensation sampling device
CN212457284U (en) A high temperature CO2 air source heat pump exhaust system for isolation wards
CN204999641U (en) Way of distillation sea water desalination
CN209893979U (en) Spike Cooling System for Indirect Air Cooling Units
CN213220988U (en) Evaporator condensation water cooling system
CN222534775U (en) Dry and wet steam generating structure of emulsifying pot
CN208182648U (en) It a kind of quickening waste water evaporative desalination and reduces and steams salt exhaust system
CN222265818U (en) Discharging device and inactivation system
CN205368208U (en) Copolyamide polymerization gas handling system

Legal Events

Date Code Title Description
GR01 Patent grant
GR01 Patent grant