CN214685593U - Pipe processing device - Google Patents
Pipe processing device Download PDFInfo
- Publication number
- CN214685593U CN214685593U CN202120749496.8U CN202120749496U CN214685593U CN 214685593 U CN214685593 U CN 214685593U CN 202120749496 U CN202120749496 U CN 202120749496U CN 214685593 U CN214685593 U CN 214685593U
- Authority
- CN
- China
- Prior art keywords
- chuck
- gear
- fixedly connected
- tubular product
- polishing
- Prior art date
- Legal status (The legal status is an assumption and is not a legal conclusion. Google has not performed a legal analysis and makes no representation as to the accuracy of the status listed.)
- Expired - Fee Related
Links
- 238000005498 polishing Methods 0.000 claims abstract description 25
- 238000004140 cleaning Methods 0.000 claims description 8
- 239000007787 solid Substances 0.000 claims description 5
- 238000003754 machining Methods 0.000 claims 5
- 238000004519 manufacturing process Methods 0.000 abstract description 3
- 238000000034 method Methods 0.000 description 10
- 244000137852 Petrea volubilis Species 0.000 description 2
- 230000000694 effects Effects 0.000 description 2
- 241000196324 Embryophyta Species 0.000 description 1
- 230000004075 alteration Effects 0.000 description 1
- 230000009286 beneficial effect Effects 0.000 description 1
- 239000000463 material Substances 0.000 description 1
- 239000002184 metal Substances 0.000 description 1
- 238000012986 modification Methods 0.000 description 1
- 230000004048 modification Effects 0.000 description 1
- 239000000126 substance Substances 0.000 description 1
- 238000006467 substitution reaction Methods 0.000 description 1
Images
Landscapes
- Grinding Of Cylindrical And Plane Surfaces (AREA)
Abstract
The utility model relates to a tubular product processing technology field specifically is a tubular product processing apparatus, which comprises a lathe, one side of chuck mount pad is connected with first chuck, and be provided with in the chuck mount pad and be used for driving first chuck pivoted step motor, one side of backup pad is rotated and is connected with first gear, the terminal surface of first gear is connected with the second chuck, one side of backup pad is rotated and is connected with the second gear, the terminal surface of second gear is connected with the threaded rod, threaded connection has the movable block on the threaded rod, and the top fixedly connected with portion of polishing of movable block, logical groove has all been seted up in the axis of rotation of backup pad and first gear. The utility model discloses drive the tubular product pivoted simultaneously at first chuck and drive the threaded rod through second chuck and first gear and second gear and rotate to drive the portion of polishing and carry out horizontal reciprocal polishing to the tubular product, realize that a motor accomplishes the processing of polishing to tubular product, reduce manufacturing cost, and save the electric power resource when using.
Description
Technical Field
The utility model relates to a tubular product processing technology field specifically is a tubular product processing apparatus.
Background
The pipe is the material that is used for making the pipe fitting, and different pipe fittings will use different tubular products, and the quality of pipe directly has decided the quality of pipe fitting, building engineering, power plant, chemical plant etc. multipurpose this type of tubular product, and metal class tubular product is in the course of working, in order to improve the smoothness on pipe surface, need polish the surface of tubular product usually.
Through polishing by the workman is manual, its intensity of labour is big, and work efficiency is low, and utility model patent that bulletin number is CN211804145U provides a tubular product processing and treating device, and the device carries out the centre gripping to tubular product through the chuck fixed, by chuck driving motor drive tubular product self rotation to polish to tubular product through another motor drive portion of polishing, nevertheless its manufacturing cost is higher, and extravagant electric power resource, be not convenient for use widely.
SUMMERY OF THE UTILITY MODEL
An object of the utility model is to provide a tubular product processing apparatus to solve the problem that proposes among the above-mentioned background art.
The above utility model discloses an above-mentioned utility model purpose can realize through following technical scheme:
a pipe processing device comprises a machine tool, wherein a supporting plate and a chuck mounting seat are fixedly connected to two sides of the top of the machine tool respectively, a first chuck is fixedly connected to one side, close to the supporting plate, of the chuck mounting seat, a stepping motor for driving the first chuck to rotate is arranged in the chuck mounting seat, a first gear is rotatably connected to one side, close to the first chuck, of the supporting plate, a second chuck is fixedly connected to the end face, close to the first chuck, of the first gear, a second gear meshed with the first gear is rotatably connected to one side, close to the first chuck, of the supporting plate and is positioned under the first gear, one end of a threaded rod is fixedly connected to the end face, far away from the supporting plate, of the second gear, the other end of the threaded rod is rotatably connected with the chuck mounting seat, a movable block is connected to the threaded rod in a threaded manner, and a polishing part for polishing pipes is fixedly connected to the top of the movable block, all set up the logical groove that supplies tubular product to pass on the axis of rotation of backup pad and first gear.
Optionally, sliding plates are fixedly connected to the front side and the rear side of the movable block, and the bottoms of the sliding plates are connected with the machine tool in a transverse sliding mode.
Optionally, a collecting groove used for collecting the processing sweeps is arranged under the top of the machine tool and located the movable block along the length direction of the machine tool, the bottom of the movable block is fixedly connected with a cleaning brush used for cleaning the processing sweeps, and collecting frames are movably arranged on two sides of the bottom wall in the collecting groove.
Optionally, the portion of polishing is including solid fixed ring, gu run through on the fixed ring and be provided with three movable rods, three movable rod evenly distributed is in gu on the fixed ring, and the movable rod is located the inside one end of solid fixed ring and is fixed with the grip block, the other end of movable rod is fixed with the limiting plate, on the movable rod and be located the grip block and gu between the fixed ring the cover be equipped with the spring, and the grip block keeps away from one side fixedly connected with abrasive paper of movable rod.
Optionally, the circle centers of the fixing ring and the through groove and the centers of the first chuck and the second chuck are located on the same straight line.
Compared with the prior art, the utility model provides a tubular product processing and treating device possesses following beneficial effect:
1. the utility model discloses a set up engaged with first gear and second gear, drive the threaded rod through second chuck and first gear and second gear and rotate when first chuck drives the tubular product and rotates, thereby drive the portion of polishing and carry out the horizontal reciprocal polishing to the tubular product, realize that a motor accomplishes the polishing treatment to the tubular product, reduce manufacturing cost, and save the electric power resource when using;
2. the utility model discloses a set up the processing sweeps that the collecting vat produced when polishing and collect to in collecting the frame through the cleaning brush with the sweeps at the in-process that the activity piece removed, keep the clean and tidy on lathe surface, be convenient for clear up, the practicality is higher.
Drawings
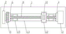
FIG. 1 is a front view of the structure of the present invention;
FIG. 2 is a top view of the structure of the present invention;
fig. 3 is a schematic view of the polishing portion structure of the present invention.
In the figure: 1. a machine tool; 2. a support plate; 3. a chuck mounting base; 4. a first chuck; 5. a first gear; 6. a second chuck; 7. a second gear; 8. a threaded rod; 9. a movable block; 10. a polishing part; 101. a fixing ring; 102. a movable rod; 103. a clamping block; 104. a limiting plate; 105. a spring; 106. sand paper; 11. a through groove; 12. a sliding plate; 13. collecting tank; 14. a cleaning brush; 15. a collection frame; 16. a pipe.
Detailed Description
The technical solutions in the embodiments of the present invention will be described clearly and completely with reference to the accompanying drawings in the embodiments of the present invention, and it is obvious that the described embodiments are only some embodiments of the present invention, not all embodiments. Based on the embodiments in the present invention, all other embodiments obtained by a person skilled in the art without creative work belong to the protection scope of the present invention.
Referring to fig. 1-3, the present invention provides a technical solution: a pipe processing device comprises a machine tool 1, wherein a supporting plate 2 and a chuck mounting seat 3 are fixedly connected to two sides of the top of the machine tool 1 respectively, a first chuck 4 is fixedly connected to one side, close to the supporting plate 2, of the chuck mounting seat 3, a stepping motor for driving the first chuck 4 to rotate is arranged in the chuck mounting seat 3, the stepping motor is connected with an external power supply and a control system through a lead, a first gear 5 is rotatably connected to one side, close to the first chuck 4, of the supporting plate 2, a second chuck 6 is fixedly connected to the end face, close to the first chuck 4, of the first gear 5, a second gear 7 meshed with the first gear 5 is rotatably connected to one side, close to the first chuck 4, of the supporting plate 2 and located under the first gear 5, one end, far away from the supporting plate 2, of a threaded rod 8 is fixedly connected to the end face of the second gear 7, and the other end of the threaded rod 8 is rotatably connected with the chuck mounting seat 3, the threaded rod 8 is in threaded connection with a movable block 9, sliding plates 12 are fixedly connected to the front side and the rear side of the movable block 9, the bottom of each sliding plate 12 is in transverse sliding connection with the machine tool 1, a polishing part 10 used for polishing a pipe 16 is fixedly connected to the top of each movable block 9, through grooves 11 for the pipe 16 to pass through are formed in the supporting plate 2, the first gear 5 and the rotating shaft of the first gear 5, the first chuck 4 drives the pipe to rotate, and meanwhile, the threaded rod 8 is driven to rotate through the second chuck 6, the first gear 5 and the second gear 7, so that the polishing part 10 is driven to polish the pipe 16 in a transverse reciprocating mode;
the polishing part 10 comprises a fixing ring 101, the circle centers of the fixing ring 101 and the through groove 11 and the centers of the first chuck 4 and the second chuck 6 are positioned on the same straight line, three movable rods 102 penetrate through the fixing ring 101, the three movable rods 102 are uniformly distributed on the fixing ring 101, a clamping block 103 is fixed at one end of each movable rod 102 positioned in the fixing ring 101, a limiting plate 104 is fixed at the other end of each movable rod 102, a spring 105 is sleeved on each movable rod 102 and positioned between the clamping block 103 and the fixing ring 101, the spring 105 is always in a compressed state, and sand paper 106 is fixedly connected to one side, away from the movable rod 102, of the clamping block 103;
lathe 1's top just is located movable block 9 and offers the collecting vat 13 that is used for collecting the processing sweeps along 1 length direction of lathe under, the bottom fixedly connected with of movable block 9 is used for clearing up the cleaning brush 14 of processing sweeps, the equal activity in both sides of diapire is provided with collection frame 15 in the collecting vat 13, the processing sweeps that produces when polishing is collected through setting up collecting vat 13, and collect in the collection frame 15 with the sweeps through cleaning brush 14 at the in-process that movable block 9 removed, keep the clean and tidy on lathe 1 surface.
The working principle is as follows: when the pipe polishing machine is used, one end of a pipe 16 sequentially penetrates through the through groove 11, the second chuck 6 and the fixing ring 101, the first chuck 4 clamps and fixes one end of the pipe 16, the second chuck 6 fixes the other end of the pipe 16, at the moment, abrasive paper 106 on the clamping block 103 is attached to the surface of the pipe 16 under the action of the restoring force of the spring 105, the stepping motor is started through an external control system to drive the first chuck 4 and the pipe 16 to rotate, the first gear 5 and the second gear 7 which are meshed with each other are driven to rotate through the second chuck 6, the threaded rod 8 drives the polishing part 10 to polish the pipe 16 through the movable block 9, and after the movable block 9 moves to the other end, the stepping motor is controlled to reversely rotate, so that the polishing part 10 polishes the surface of the pipe 16 transversely in a reciprocating manner; scraps in the grinding process fall into the collecting groove 13, and the scraps are cleaned in the collecting frame 15 through the cleaning brush 14 in the moving process of the movable block 9, so that the surface of the machine tool 1 is kept clean.
It is noted that, herein, relational terms such as first and second, and the like may be used solely to distinguish one entity or action from another entity or action without necessarily requiring or implying any actual such relationship or order between such entities or actions. Also, the terms "comprises," "comprising," or any other variation thereof, are intended to cover a non-exclusive inclusion, such that a process, method, article, or apparatus that comprises a list of elements does not include only those elements but may include other elements not expressly listed or inherent to such process, method, article, or apparatus. Without further limitation, an element defined by the phrase "comprising an … …" does not exclude the presence of other identical elements in a process, method, article, or apparatus that comprises the element.
Although embodiments of the present invention have been shown and described, it will be appreciated by those skilled in the art that changes, modifications, substitutions and alterations can be made in these embodiments without departing from the principles and spirit of the invention, the scope of which is defined in the appended claims and their equivalents.
Claims (5)
1. A pipe machining device comprises a machine tool (1), and is characterized in that: the two sides of the top of the machine tool (1) are respectively fixedly connected with a supporting plate (2) and a chuck mounting seat (3), one side of the chuck mounting seat (3) close to the supporting plate (2) is fixedly connected with a first chuck (4), a stepping motor for driving the first chuck (4) to rotate is arranged in the chuck mounting seat (3), one side of the supporting plate (2) close to the first chuck (4) is rotatably connected with a first gear (5), the end face of the first gear (5) close to the first chuck (4) is fixedly connected with a second chuck (6), the supporting plate (2) close to one side of the first chuck (4) and positioned under the first gear (5) is rotatably connected with a second gear (7) meshed with the first gear (5), and one end of the threaded rod (8) fixedly connected with the end face of the supporting plate (2) is far away from the second gear (7), and the other end of threaded rod (8) rotates with chuck mount pad (3) to be connected, threaded connection has movable block (9) on threaded rod (8), and the top fixedly connected with of movable block (9) is used for polishing portion (10) of polishing of tubular product (16), logical groove (11) that supply tubular product (16) to pass are all seted up in the axis of rotation of backup pad (2) and first gear (5).
2. The pipe machining apparatus according to claim 1, wherein: the front side and the rear side of the movable block (9) are fixedly connected with sliding plates (12), and the bottoms of the sliding plates (12) are transversely connected with the machine tool (1) in a sliding manner.
3. The pipe machining apparatus according to claim 1, wherein: the top of lathe (1) just is located under movable block (9) and offers collecting vat (13) that are used for collecting the processing sweeps along lathe (1) length direction, the bottom fixedly connected with of movable block (9) is used for clearing up cleaning brush (14) of processing sweeps, the both sides of diapire all move about in collecting vat (13) are provided with collects frame (15).
4. The pipe machining apparatus according to claim 1, wherein: grinding part (10) is including solid fixed ring (101), it is provided with three movable rods (102), three to run through on solid fixed ring (101) movable rod (102) evenly distributed is in gu fixed ring (101) is last, and movable rod (102) are located solid fixed ring (101) inside one end and are fixed with grip block (103), the other end of movable rod (102) is fixed with limiting plate (104), on movable rod (102) and be located grip block (103) and gu between fixed ring (101) the cover be equipped with spring (105), and grip block (103) keep away from one side fixedly connected with abrasive paper (106) of movable rod (102).
5. The pipe machining apparatus according to claim 4, wherein: the circle centers of the fixing ring (101) and the through groove (11) and the centers of the first chuck (4) and the second chuck (6) are located on the same straight line.
Priority Applications (1)
| Application Number | Priority Date | Filing Date | Title |
|---|---|---|---|
| CN202120749496.8U CN214685593U (en) | 2021-04-13 | 2021-04-13 | Pipe processing device |
Applications Claiming Priority (1)
| Application Number | Priority Date | Filing Date | Title |
|---|---|---|---|
| CN202120749496.8U CN214685593U (en) | 2021-04-13 | 2021-04-13 | Pipe processing device |
Publications (1)
| Publication Number | Publication Date |
|---|---|
| CN214685593U true CN214685593U (en) | 2021-11-12 |
Family
ID=78530979
Family Applications (1)
| Application Number | Title | Priority Date | Filing Date |
|---|---|---|---|
| CN202120749496.8U Expired - Fee Related CN214685593U (en) | 2021-04-13 | 2021-04-13 | Pipe processing device |
Country Status (1)
| Country | Link |
|---|---|
| CN (1) | CN214685593U (en) |
Cited By (2)
| Publication number | Priority date | Publication date | Assignee | Title |
|---|---|---|---|---|
| CN117399663A (en) * | 2023-10-24 | 2024-01-16 | 通用技术集团沈阳机床有限责任公司 | A kind of chuck and lathe |
| CN117464511A (en) * | 2023-12-01 | 2024-01-30 | 东莞泰星五金制品厂有限公司 | Fully automatic screw polishing device |
-
2021
- 2021-04-13 CN CN202120749496.8U patent/CN214685593U/en not_active Expired - Fee Related
Cited By (2)
| Publication number | Priority date | Publication date | Assignee | Title |
|---|---|---|---|---|
| CN117399663A (en) * | 2023-10-24 | 2024-01-16 | 通用技术集团沈阳机床有限责任公司 | A kind of chuck and lathe |
| CN117464511A (en) * | 2023-12-01 | 2024-01-30 | 东莞泰星五金制品厂有限公司 | Fully automatic screw polishing device |
Similar Documents
| Publication | Publication Date | Title |
|---|---|---|
| CN214685593U (en) | Pipe processing device | |
| CN113441490A (en) | Metal waste pipe recycling processing device and using method thereof | |
| CN116441940A (en) | Numerical control machine tool | |
| CN212598530U (en) | Straightening equipment for prestressed cold-drawn steel wire | |
| CN211136669U (en) | Surface polishing equipment convenient to clearance piece | |
| CN219152355U (en) | Full-automatic grinding machine for grinding taper holes on main shaft | |
| CN221436006U (en) | Building material equipment of polishing | |
| CN210678161U (en) | Gear machining grinding device | |
| CN220515520U (en) | Engraving and milling machine for processing hand plate model | |
| CN219805027U (en) | Be used for stainless steel surface dull polish piece cleaning device | |
| CN213765233U (en) | Efficient CNC polisher | |
| CN214980082U (en) | Steel pipe outer wall rust cleaning device | |
| CN217255036U (en) | Polishing device convenient to clean for stainless steel pipe fitting processing | |
| CN216066930U (en) | Burnishing machine is used in stone material processing that simple operation and work efficiency are high | |
| CN113500514B (en) | Equal-thickness polished surface flat grinding device with self-cleaning mechanism | |
| CN216178329U (en) | Polishing equipment is cut apart to steel block | |
| CN212192369U (en) | Pipe processing device | |
| CN222449552U (en) | Polishing device for steel structure machining | |
| CN222177193U (en) | Double-sided polishing machine for metal plate processing | |
| CN222627323U (en) | Surface polishing device | |
| CN221936234U (en) | A deburring mechanism | |
| CN112405219B (en) | Machine parts machining is with machine people of polishing with quick positioning mechanism | |
| CN222242788U (en) | Milling machine for milling rear section of shell | |
| CN220331031U (en) | Machining polishing equipment | |
| CN213730782U (en) | Be applied to digit control machine tool cutter grinding device |
Legal Events
| Date | Code | Title | Description |
|---|---|---|---|
| GR01 | Patent grant | ||
| GR01 | Patent grant | ||
| CF01 | Termination of patent right due to non-payment of annual fee |
Granted publication date: 20211112 |
|
| CF01 | Termination of patent right due to non-payment of annual fee |