CN214591047U - 电机定子线圈拆线装置 - Google Patents

电机定子线圈拆线装置 Download PDF

Info

Publication number
CN214591047U
CN214591047U CN202120801377.2U CN202120801377U CN214591047U CN 214591047 U CN214591047 U CN 214591047U CN 202120801377 U CN202120801377 U CN 202120801377U CN 214591047 U CN214591047 U CN 214591047U
Authority
CN
China
Prior art keywords
support
fixed
lifting
motor
driving
Prior art date
Legal status (The legal status is an assumption and is not a legal conclusion. Google has not performed a legal analysis and makes no representation as to the accuracy of the status listed.)
Active
Application number
CN202120801377.2U
Other languages
English (en)
Inventor
张帅飞
Current Assignee (The listed assignees may be inaccurate. Google has not performed a legal analysis and makes no representation or warranty as to the accuracy of the list.)
Inner Mongolia Juchuang Electrical Equipment Co ltd
Original Assignee
Inner Mongolia Juchuang Electrical Equipment Co ltd
Priority date (The priority date is an assumption and is not a legal conclusion. Google has not performed a legal analysis and makes no representation as to the accuracy of the date listed.)
Filing date
Publication date
Application filed by Inner Mongolia Juchuang Electrical Equipment Co ltd filed Critical Inner Mongolia Juchuang Electrical Equipment Co ltd
Priority to CN202120801377.2U priority Critical patent/CN214591047U/zh
Application granted granted Critical
Publication of CN214591047U publication Critical patent/CN214591047U/zh
Active legal-status Critical Current
Anticipated expiration legal-status Critical

Links

Images

Landscapes

  • Manufacture Of Motors, Generators (AREA)

Abstract

本实用新型公开了一种电机定子线圈拆线装置,其包括安装底座;滑套的外壁上水平固定有支撑臂;支撑座通过提升机构与支撑臂连接;在导轨上滑动设有切线支座和拔线支座;驱动轴的底端置于切线支座下方且固定有切线刀;拔线支座的底端挂接有电动葫芦,电动葫芦的升降端连接有拔线钳。优点:切线支座置于电机定子的正上方,通过控制驱动电机和提升电机,支撑臂向下移动过程中,通过驱动轴带动切线刀转动,将电机定子的线圈一端切掉;翻转电机定子,使拔线支座置于电机定子的正上方,由拔线钳将线圈的端部夹紧后,控制电动葫芦向上拉动拔线钳,直至将线圈拔出;整个过程省时省力,劳动强度低,作业效率高,且安全风险低。

Description

电机定子线圈拆线装置
技术领域:
本实用新型涉及电机维修设备技术领域,特别涉及电机定子线圈拆线装置。
背景技术:
小型电机定子线圈烧坏后,需要拆除后更换新的线圈;目前的拆卸方式是:首先人工使用凿子和锤子切掉定子线圈的一端,再用撬棍和钳子从线圈的另一端将线圈从定子铁芯拔出,费时费力,而且手动切掉定子线圈后的根部残留有毛边,不利于后续的拔出;另外,在整个作业过程中,手动操作存在安全风险。
实用新型内容:
本实用新型的目的在于提供一种省时省力且有利于降低劳动强度和安全风险的电机定子线圈拆线装置。
本实用新型由如下技术方案实施:电机定子线圈拆线装置,其包括安装底座和竖直固定于所述安装底座一端的导向柱;所述导向柱上滑动套设有滑套,所述滑套的外壁上水平固定有支撑臂;所述滑套的顶端固定有支撑座,所述支撑座通过提升机构与所述支撑臂连接;所述支撑臂的侧壁上水平固定有导轨,在所述导轨上滑动设有切线支座和拔线支座;所述切线支座的顶端固定有驱动电机,所述切线支座内竖直穿设有转动设置的驱动轴,所述驱动轴的顶端置于所述切线支座上方且与所述驱动电机的输出轴传动连接,所述驱动轴的底端置于所述切线支座下方且固定有切线刀;所述拔线支座的底端挂接有电动葫芦,所述电动葫芦的升降端连接有拔线钳;所述安装底座的顶面固定有夹紧件。
进一步地,所述提升机构包括提升电机和提升丝杠;所述支撑座上固定有输出轴朝向设置的所述提升电机,所述提升电机的输出轴上同轴固定有所述提升丝杠,所述提升丝杠的底端穿设于所述支撑臂内,所述支撑臂上固定有与所述提升丝杠套设螺接的提升螺母。
进一步地,所述夹紧件包括螺杆、压块和压紧螺母;所述安装底座的顶面竖直固定有两根以上所述螺杆,所述螺杆上依次套设有所述压块和所述压紧螺母。
进一步地,所述切线支座的背面和所述拔线支座的背面均固定有滑动套设于所述导轨上的燕尾槽,所述支撑臂上水平设有依次穿过所述拔线支座和所述切线支座的驱动丝杠,所述切线支座和所述拔线支座上固定有套设螺接在所述驱动丝杠上的驱动螺母。
进一步地,所述驱动丝杠的端部固定有驱动手柄。
本实用新型的优点:通过夹紧件将电机定子固定在安装底座上,操纵驱动手柄使驱动丝杠转动,同时带动切线支座和拔线支座沿导轨进行移动,使切线支座上的切线刀置于电机定子的正上方,通过控制驱动电机和提升电机,支撑臂向下移动过程中,通过驱动轴带动切线刀转动,将电机定子的线圈一端切掉;翻转电机定子,使电机定子的上下两端互换,再操纵驱动手柄使驱动丝杠转动,使拔线支座上的拔线钳置于电机定子的正上方,由拔线钳将线圈的端部夹紧后,控制电动葫芦向上拉动拔线钳,直至将线圈拔出;本实用新型进行拆线的整个过程省时省力,劳动强度低,作业效率高,且安全风险低。
附图说明:
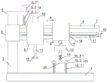
图1为本实用新型所述切线支座置于电机定子上方时的使用状态示意图。
图2为本实用新型所述拔线支座置于电机定子上方时的使用状态示意图。
图3为图2的A-A剖视图。
附图中各部件的标记如下:安装底座1、导向柱2、滑套3、支撑臂4、支撑座5、提升机构6、提升电机6.1、提升丝杠6.2、提升螺母6.3、导轨7、切线支座8、拔线支座9、驱动电机10、驱动轴11、切线刀12、电动葫芦13、拔线钳14、夹紧件15、螺杆15.1、压块15.2、压紧螺母15.3、燕尾槽16、驱动丝杠17、驱动螺母18、驱动手柄19、电机定子20。
具体实施方式:
下面将结合本实用新型实施例中的附图,对本实用新型实施例中的技术方案进行清楚、完整地描述,显然,所描述的实施例仅仅是本实用新型一部分实施例,而不是全部的实施例。基于本实用新型中的实施例,本领域普通技术人员在没有做出创造性劳动前提下所获得的所有其他实施例,都属于本实用新型保护的范围。
在本实用新型的描述中,需要说明的是,术语“中心”、“上”、“下”、“左”、“右”、“竖直”、“水平”、“内”、“外”等指示的方位或位置关系为基于附图所示的方位或位置关系,仅是为了便于描述本实用新型和简化描述,而不是指示或暗示所指的装置或元件必须具有特定的方位、以特定的方位构造和操作,因此不能理解为对本实用新型的限制。
如图1至图3所示,本实施例提供一种电机定子线圈拆线装置,其包括安装底座1和竖直固定于安装底座1一端顶面的导向柱2;导向柱2上滑动套设有滑套3,滑套3的外壁上水平固定有支撑臂4;滑套3的顶端固定有支撑座5,支撑座5通过提升机构6与支撑臂4连接;提升机构6包括提升电机6.1和提升丝杠6.2;支撑座5上固定有输出轴朝向设置的提升电机6.1,提升电机6.1的输出轴上同轴固定有提升丝杠6.2,提升丝杠6.2的底端穿设于支撑臂4内,支撑臂4上固定有与提升丝杠6.2套设螺接的提升螺母6.3;控制提升电机6.1带动提升丝杠6.2运行过程中,能够驱动支撑臂4沿导向柱2上下移动。
支撑臂4的侧壁上水平固定有导轨7,在导轨7上滑动设有切线支座8和拔线支座9;切线支座8的顶端固定有驱动电机10,切线支座8内竖直穿设有转动设置的驱动轴11,驱动轴11的顶端置于切线支座8上方且与驱动电机10的输出轴传动连接,驱动轴11的底端置于切线支座8下方且固定有切线刀12;通过控制驱动电机10运行时,由驱动轴11带动切线刀12进行转动,进而能够实现对电机定子20的线圈进行切割处理;拔线支座9的底端挂接有电动葫芦13,电动葫芦13的升降端连接有拔线钳14;安装底座1的顶面固定有夹紧件15,夹紧件15包括螺杆15.1、压块15.2和压紧螺母15.3;安装底座1的顶面竖直固定有两根以上螺杆15.1,螺杆15.1上依次套设有压块15.2和压紧螺母15.3,本实施例中,设有两根螺杆15.1,在两根螺杆15.1之间竖直放置电机定子20,然后通过压紧螺母15.3将压块15.2压紧在电机定子20的铁芯上,以此将电机定子20进行固定,便于进行拆卸处理;通过切线刀12将定子线圈的一端切掉后,将电机定子20翻转180度,然后由拔线钳14将定子线圈的另一端夹紧,通过控制电动葫芦13将定子线圈拔出;整个拆卸过程省时省力,劳动强度低;另外,本实施例中,拔线支座9设置于支撑臂4上,拔线支座9与固定在安装底座1上的电机定子20距离较短,进行拔线操纵时,电动葫芦13的环链伸出长度不会很长,安全风险低;因为如果环链伸出长度太长时,拔线过程中如果出现脱链或短链的现象,会存在严重的安全隐患。
切线支座8的背面和拔线支座9的背面均固定有滑动套设于导轨7上的燕尾槽16,支撑臂4上水平设有依次穿过拔线支座9和切线支座8的驱动丝杠17,切线支座8和拔线支座9上固定有套设螺接在驱动丝杠17上的驱动螺母18,驱动丝杠17的端部固定有驱动手柄19;本实施例中,将切线支座8和拔线支座9均设置于支撑臂4上,通过操纵驱动手柄19控制驱动丝杠17转动的过程中,能够使切线支座8和拔线支座9沿导轨7同步进行移动;切线支座8置于电机定子20的正上方时,通过切线刀12对电机定子20的线圈一端进行切割,切割完成后,通过操纵驱动手柄19使切线支座8沿导轨7离开电机定子20,同时,能够使拔线支座9快速移动到电机定子20的正上方,便于进行拔线操纵,作业效率高。
工作原理:首先将电机定子20放置于安装底座1上的各螺杆15.1之间,通过旋动压紧螺母15.3使压块15.2将电机定子20严紧在安装底座1上;操纵驱动手柄19使驱动丝杠17转动,同时带动切线支座8和拔线支座9沿导轨7进行移动,使切线支座8上的切线刀12置于电机定子20的正上方,启动驱动电机10,通过驱动轴11带动切线刀12转动,启动提升电机6.1,带动提升丝杠6.2转动的过程中,驱动支撑臂4向下移动,直至将电机定子20顶端的线圈切掉,再控制提升电机6.1反转,使支撑臂4带动切线支座8提升,然后关闭提升电机6.1和驱动电机10;然后,松开压紧螺母15.3,将电机定子20进行翻转180度,使电机定子20的两端互换,在旋紧压紧螺母15.3将电机定子20压紧;再操纵驱动手柄19使驱动丝杠17转动,同时带动切线支座8和拔线支座9沿导轨7进行移动,使拔线支座9上的拔线钳14置于电机定子20的正上方,由拔线钳14将线圈的端部夹紧后,控制电动葫芦13向上拉动拔线钳14,直至将线圈拔出。
以上所述仅为本实用新型的较佳实施例而已,并不用以限制本实用新型,凡在本实用新型的精神和原则之内,所作的任何修改、等同替换、改进等,均应包含在本实用新型的保护范围之内。

Claims (5)

1.电机定子线圈拆线装置,其特征在于,其包括安装底座和竖直固定于所述安装底座一端的导向柱;所述导向柱上滑动套设有滑套,所述滑套的外壁上水平固定有支撑臂;所述滑套的顶端固定有支撑座,所述支撑座通过提升机构与所述支撑臂连接;所述支撑臂的侧壁上水平固定有导轨,在所述导轨上滑动设有切线支座和拔线支座;所述切线支座的顶端固定有驱动电机,所述切线支座内竖直穿设有转动设置的驱动轴,所述驱动轴的顶端置于所述切线支座上方且与所述驱动电机的输出轴传动连接,所述驱动轴的底端置于所述切线支座下方且固定有切线刀;所述拔线支座的底端挂接有电动葫芦,所述电动葫芦的升降端连接有拔线钳;所述安装底座的顶面固定有夹紧件。
2.根据权利要求1所述的电机定子线圈拆线装置,其特征在于,所述提升机构包括提升电机和提升丝杠;所述支撑座上固定有输出轴朝向设置的所述提升电机,所述提升电机的输出轴上同轴固定有所述提升丝杠,所述提升丝杠的底端穿设于所述支撑臂内,所述支撑臂上固定有与所述提升丝杠套设螺接的提升螺母。
3.根据权利要求1或2所述的电机定子线圈拆线装置,其特征在于,所述夹紧件包括螺杆、压块和压紧螺母;所述安装底座的顶面竖直固定有两根以上所述螺杆,所述螺杆上依次套设有所述压块和所述压紧螺母。
4.根据权利要求3所述的电机定子线圈拆线装置,其特征在于,所述切线支座的背面和所述拔线支座的背面均固定有滑动套设于所述导轨上的燕尾槽,所述支撑臂上水平设有依次穿过所述拔线支座和所述切线支座的驱动丝杠,所述切线支座和所述拔线支座上固定有套设螺接在所述驱动丝杠上的驱动螺母。
5.根据权利要求4所述的电机定子线圈拆线装置,其特征在于,所述驱动丝杠的端部固定有驱动手柄。
CN202120801377.2U 2021-04-19 2021-04-19 电机定子线圈拆线装置 Active CN214591047U (zh)

Priority Applications (1)

Application Number Priority Date Filing Date Title
CN202120801377.2U CN214591047U (zh) 2021-04-19 2021-04-19 电机定子线圈拆线装置

Applications Claiming Priority (1)

Application Number Priority Date Filing Date Title
CN202120801377.2U CN214591047U (zh) 2021-04-19 2021-04-19 电机定子线圈拆线装置

Publications (1)

Publication Number Publication Date
CN214591047U true CN214591047U (zh) 2021-11-02

Family

ID=78360564

Family Applications (1)

Application Number Title Priority Date Filing Date
CN202120801377.2U Active CN214591047U (zh) 2021-04-19 2021-04-19 电机定子线圈拆线装置

Country Status (1)

Country Link
CN (1) CN214591047U (zh)

Cited By (2)

* Cited by examiner, † Cited by third party
Publication number Priority date Publication date Assignee Title
CN116460494A (zh) * 2022-01-12 2023-07-21 内蒙古巨创电气设备有限公司 钢材下料工装
CN119231848A (zh) * 2024-12-05 2024-12-31 邦迪智能科技(上海)股份有限公司 一种扁线电机拆解机构及方法

Cited By (3)

* Cited by examiner, † Cited by third party
Publication number Priority date Publication date Assignee Title
CN116460494A (zh) * 2022-01-12 2023-07-21 内蒙古巨创电气设备有限公司 钢材下料工装
CN119231848A (zh) * 2024-12-05 2024-12-31 邦迪智能科技(上海)股份有限公司 一种扁线电机拆解机构及方法
CN119231848B (zh) * 2024-12-05 2025-04-22 邦迪智能科技(上海)股份有限公司 一种扁线电机拆解机构及方法

Similar Documents

Publication Publication Date Title
CN110281044B (zh) 一种用于金属加工的机械装备制造钻孔设备
CN214591047U (zh) 电机定子线圈拆线装置
CN201904568U (zh) 架空地线提线器
CN213568372U (zh) 一种生产车间棒材轧机用摆放机构
CN214205277U (zh) 一种电机快速维修拆线工具
CN208961155U (zh) 一种全自动化一体机钢筋直螺纹套丝机
CN219059566U (zh) 一种便于调节的裁切机
CN219779948U (zh) 电机定子切线拔线一体机
CN214479076U (zh) 放线滑车自动化拆装维修装置的轮片拆装自动抓取装置
CN218488659U (zh) 一种壁挂式高效气泡整理机
CN203660791U (zh) 绕线式电机转子线圈切割装置
CN215645877U (zh) 一种电缆剥线装置
CN117680752A (zh) 一种具有碎屑收集功能的建筑铝膜板加工切割机
CN210518037U (zh) 电机线圈切割拆除装置
CN203565915U (zh) 改进型方便吊顶打孔装置
CN211491679U (zh) 一种发制品切割装置
CN210436199U (zh) 新型面膜机裁剪切割装置
CN209940417U (zh) 电动吊椅
CN219124070U (zh) 一种拔线装置
CN218362442U (zh) 一种新型吊刀机构
CN213937684U (zh) 一种电机维修用切线拆线组合工具
CN215941711U (zh) 一种节能的钢结构加工用切割设备
CN223056504U (zh) 一种新型液压联合冲剪机
CN217195072U (zh) 一种预分切换刀提升平台
CN210359478U (zh) 一种压盖用数控龙门铣床的铣削机构

Legal Events

Date Code Title Description
GR01 Patent grant
GR01 Patent grant
CP03 Change of name, title or address
CP03 Change of name, title or address

Address after: 010090 Southeast corner of the intersection of Ruyi Street and Jing32 Road in Shaherqin Industrial Zone, Hohhot Economic and Technological Development Zone, Inner Mongolia Autonomous Region

Patentee after: Inner Mongolia juchuang Electrical Equipment Co.,Ltd.

Country or region after: China

Address before: 010050 west side of export processing park, Jinchuan Development Zone, Hohhot City, Inner Mongolia Autonomous Region

Patentee before: Inner Mongolia juchuang Electrical Equipment Co.,Ltd.

Country or region before: China