CN214561618U - 家具加工用木板无尘分切机 - Google Patents
家具加工用木板无尘分切机 Download PDFInfo
- Publication number
- CN214561618U CN214561618U CN202120333565.7U CN202120333565U CN214561618U CN 214561618 U CN214561618 U CN 214561618U CN 202120333565 U CN202120333565 U CN 202120333565U CN 214561618 U CN214561618 U CN 214561618U
- Authority
- CN
- China
- Prior art keywords
- cutting
- dust
- groove
- material blocking
- blocking box
- Prior art date
- Legal status (The legal status is an assumption and is not a legal conclusion. Google has not performed a legal analysis and makes no representation as to the accuracy of the status listed.)
- Expired - Fee Related
Links
- 238000005520 cutting process Methods 0.000 title claims abstract description 104
- 239000002023 wood Substances 0.000 title claims abstract description 21
- 239000000463 material Substances 0.000 claims abstract description 90
- 230000000903 blocking effect Effects 0.000 claims abstract description 58
- 239000000428 dust Substances 0.000 claims abstract description 42
- 238000009434 installation Methods 0.000 claims description 8
- 230000005540 biological transmission Effects 0.000 claims description 6
- 239000002699 waste material Substances 0.000 abstract description 3
- 230000002349 favourable effect Effects 0.000 description 17
- 230000009286 beneficial effect Effects 0.000 description 11
- 238000012986 modification Methods 0.000 description 3
- 230000004048 modification Effects 0.000 description 3
- 230000007246 mechanism Effects 0.000 description 2
- 230000001737 promoting effect Effects 0.000 description 2
- 238000000926 separation method Methods 0.000 description 2
- 230000006978 adaptation Effects 0.000 description 1
- 238000004140 cleaning Methods 0.000 description 1
- 238000010586 diagram Methods 0.000 description 1
- 230000000694 effects Effects 0.000 description 1
- 238000005516 engineering process Methods 0.000 description 1
- 238000004519 manufacturing process Methods 0.000 description 1
- 239000011148 porous material Substances 0.000 description 1
- 239000002994 raw material Substances 0.000 description 1
- 238000007789 sealing Methods 0.000 description 1
Images
Landscapes
- Processing Of Stones Or Stones Resemblance Materials (AREA)
Abstract
本实用新型公开了一种家具加工用木板无尘分切机,包括有机架和切割台;所述切割台上设置有切割刀;所述切割台上滑动设置有挡料盒;所述挡料盒用以在切割时罩住切割刀;所述挡料盒下端敞口;所述挡料盒顶部设置有吸尘罩;所述吸尘罩通过吸尘管连接至收集器;所述收集器内设置有过滤板;所述过滤板一侧设置有抽风机;所述挡料盒的两端面上开设有通槽;所述通槽上边缘向上延伸有切刀槽;所述切刀槽用以供切割刀通过;本实用新型所采取的技术方案解决了现有分切机在切割木板时不能较好的阻隔粉尘和飞溅废屑的问题。
Description
技术领域
本实用新型涉及家具设备加工技术领域,具体涉及一种家具加工用木板无尘分切机。
背景技术
家居设备是由材料、结构、外观形式和功能四种因素组成,其中功能是先导,是推动家具发展的动力;结构是主干,是实现功能的基础。这四种因素互相联系,又互相制约。由于家居设备是为了满足人们一定的物质需求和使用目的而设计与制作的,因此家居设备还具有功能和外观形式方面的因素。现有的家居设备在加工时常常会用到切板机,对用以构成结构外观的木板等原材料进行分切作业,以满足生产加工的需要。在木板材的切割过程中会产生的大量的切割木屑和粉尘,使车间空气中的含尘量大量增加,不利于工人健康,现有的切割台上缺少必要的方便使用的除尘机构,除尘机构一般是固定设置在切割台上方的吸尘罩,不仅调节不便,且对于阻隔粉尘和飞溅木屑都不具有良好的效果。
实用新型内容
本实用新型的目的在于提供一种家具加工用木板无尘分切机,解决现有分切机在切割木板时不能较好的阻隔粉尘和飞溅废屑的问题。
为解决上述的技术问题,本实用新型采用以下技术方案:一种家具加工用木板无尘分切机,包括有机架和切割台;所述切割台上设置有切割刀;所述切割台上滑动设置有挡料盒;所述挡料盒用以在切割时罩住切割刀;所述挡料盒下端敞口;所述挡料盒顶部设置有吸尘罩;所述吸尘罩通过吸尘管连接至收集器;所述收集器内设置有过滤板;所述过滤板一侧设置有抽风机;所述挡料盒的两端面上开设有通槽;所述通槽上边缘向上延伸有切刀槽;所述切刀槽用以供切割刀通过;
进一步的,所述吸尘管包括有第一管段和第二管段;所述第一管段和第二管段通过弯头件连接;所述第一管段位于挡料盒外且与收集器连接;所述第二管段与吸尘罩连接;所述第一管段为伸缩管;
进一步的,所述挡料盒两侧边缘设置有滑动凸棱;所述切割台两侧对应滑动凸棱设置有滑轨;
进一步的,所述挡料盒的端面上设置有滑动板;所述滑动板用以在切割时挡住通槽和切刀槽;
进一步的,所述滑动板两侧边缘设置有滑动筋条;所述通槽的两侧边缘向上延伸有滑槽;所述滑动筋条在滑槽内滑动;
进一步的,所述的挡料盒的端面上设置有限位槽;所述滑动板靠近挡料盒一侧表面上对应限位槽设置有限位条;
进一步的,所述滑动板的下边缘开设有安装槽;所述安装槽内转动设置有辊轴;
更进一步的技术方案是所述切割台上对应切割刀设置有切割槽;所述切割刀套装在转动轴上;所述转动轴一端连接有传动轮;所述传动轮通过皮带连接至电机;所述切割槽下方还设置有接料箱。
与现有技术相比,本实用新型的有益效果至少是如下之一:
1、在切割台上滑动设置的挡料盒,在切割时滑动到切割刀上方,有利于阻隔切割产生的飞溅废屑和粉尘,有利于降低周围环境的污染,有利于提高使用的便利性;
2、挡料盒的下端敞口便于挡料盒在切割上滑动并罩住切割刀,挡料盒顶部设置吸尘罩,吸尘罩连接至收集器,通过收集器内的抽风机产生一定的负压,有利于将挡料盒内的粉尘和废屑大部分都吸入到收集器内,有利于提高切割刀的清洁性;
3、收集器内设置的过滤板,有利于空气通过的同时避免废屑和粉尘影响抽风机的正常工作,在收集器靠近抽风机一侧还设置有排气槽,有利于空气通过;
4、在挡料盒的两端面上开设通槽,有利于在切割时木板从挡料盒的下方穿过,有利于避免影响切割,通槽的边缘向上延伸的切刀槽则有利于切割刀通过,有利于挡料盒灵活穿过切割刀,有利于提高挡料盒使用的便利性。
附图说明
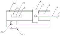
图1为本实用新型的正视结构示意图。
图2为本实用新型的部分结构俯视图。
图3为挡料盒安装结构示意图。
图4为滑动板结构示意图。
附图中:1.机架;2.切割台;3.切割刀;4.挡料盒;5.吸尘罩;6.吸尘管;61.第一管段;62.第二管段;7.收集器;8.抽风机;9.过滤板;10.通槽;11.切刀槽;12.滑动凸棱;13.滑轨;14.滑动板;15.滑动筋条;16.滑槽;17.限位槽;18.限位条;19.安装槽;20.辊轴;21.切割槽;22.转动轴;23.传动轮;24.电机;25.接料箱。
具体实施方式
为了使本实用新型的目的、技术方案及优点更加清楚明白,以下结合附图及实施例,对本实用新型进行进一步详细说明。应当理解,此处所描述的具体实施例仅仅用以解释本实用新型,并不用于限定本实用新型。
实施例1:如图1至4所示,一种家具加工用木板无尘分切机,包括有机架1和切割台2;所述切割台2上设置有切割刀3;所述切割台2上滑动设置有挡料盒4;所述挡料盒4用以在切割时罩住切割刀3;所述挡料盒4下端敞口;所述挡料盒4顶部设置有吸尘罩5;所述吸尘罩5通过吸尘管6连接至收集器7;所述收集器7内设置有过滤板9;所述过滤板9一侧设置有抽风机8;所述挡料盒4的两端面上开设有通槽10;所述通槽10上边缘向上延伸有切刀槽11;所述切刀槽11用以供切割刀3通过;本实施例中,机架1、切割台2和切割刀3均采用常规市购产品,可根据需要选择任意一种合理的结构和材质以及适宜的安装方式;本实施例中,挡料盒4、吸尘罩5和吸尘管6均采用常规具有一定机械强度的材料制成,可根据需要选择任意一种合理的材质以及连接方式;本实施例中,收集器7采用常规具有一定机械强度的材料制成,可根据需要选择任意一种合理的材质;本实施例中,收集器7的抽风机8采用常规市购产品,可根据需要选择任意一种合理的结构的安装方式;本实施例中,过滤板9采用常规具有一定机械强度的材料制成,可根据需要选择任意一种合理的材质以及合理的过滤孔径;也可根据需要选择任意一种合理的收集器7结构,有利于在挡料盒4内产生适宜的负压即可;本实施例中,通槽10的高度和宽度均可根据需要合理设置。本实施例中,吸尘管6上还设置有常规止逆阀和压力表,可根据需要合理选择设置。
在切割台2上滑动设置的挡料盒4,在切割时滑动到切割刀3上方,有利于阻隔切割产生的飞溅废屑和粉尘,有利于降低周围环境的污染,有利于提高使用的便利性;挡料盒4的下端敞口便于挡料盒4在切割上滑动并罩住切割刀3,挡料盒4顶部设置吸尘罩5,吸尘罩5连接至收集器7,通过收集器7内的抽风机8产生一定的负压,有利于将挡料盒4内的粉尘和废屑大部分都吸入到收集器7内,有利于提高切割刀3的清洁性;收集器7内设置的过滤板9,有利于空气通过的同时避免废屑和粉尘影响抽风机8的正常工作,在收集器7靠近抽风机8一侧还设置有排气槽,有利于空气通过;在挡料盒4的两端面上开设通槽10,有利于在切割时木板从挡料盒4的下方穿过,有利于避免影响切割,通槽10的边缘向上延伸的切刀槽11则有利于切割刀3通过,有利于挡料盒4灵活穿过切割刀3,有利于提高挡料盒4使用的便利性。
所述吸尘管6包括有第一管段61和第二管段62;所述第一管段61和第二管段62通过弯头件连接;所述第一管段61位于挡料盒4外且与收集器7连接;所述第二管段与吸尘罩5连接;所述第一管段61为伸缩管;本实施例中,弯头件采用常规市购产品,可根据需要选择任意一种合理的结构和连接方式;本实施例中,第一管段61采用常规具有一定机械强度的伸缩管材料,可根据需要选择任意一种合理的材质和结构以及连接方式;本实施例中,第二管段62采用常规具有一定机械强度的管材,可根据需要选择任意一种合理的材质和结构以及连接方式;通过挡料盒4外的第一管段61设置为伸缩管的结构;有利于挡料盒4在切割台2上滑动时,第一管段61的长度随之调节,有利于提高结构的灵活性和稳定性。
所述挡料盒4两侧边缘设置有滑动凸棱12;所述切割台2两侧对应滑动凸棱12设置有滑轨13;本实施例中,滑动凸棱12采用常规具有一定机械强度的材料制成,可根据需要选择任意一种合理的材质和与挡料盒4的固定连接方式;滑动凸棱12和滑轨13均采用常规适配结构,有利于挡料盒4在切割台2上滑动即可,通过滑动凸棱12和滑轨13,有利于提高挡料盒4在切割台2上滑动的稳定性和灵活性。
所述挡料盒4的端面上设置有滑动板14;所述滑动板14用以在切割时挡住通槽10和切刀槽11;本实施例中,滑动板14采用常规具有一定机械强度的材料制成,可根据需要选择任意一种合理的材质;滑动板14有利于在切割时挡住通槽10和切刀槽11,而滑动板14受自重自然落在木板的上表面上,有利于阻隔扬尘和飞溅废屑的同时,减少对切割模板的影响。
所述滑动板14两侧边缘设置有滑动筋条15;所述通槽10的两侧边缘向上延伸有滑槽16;所述滑动筋条15在滑槽16内滑动;本实施例中,滑动筋条15采用常规具有一定机械强度的材料制成,可根据需要选择任意一种合理的材质以及和滑动板14的固定连接方式;本实施例中,通过滑动筋条15在滑槽16内滑动,有利于实现滑动板14在挡料盒4的端面上下滑动,有利于根据需要将滑动板14提升至适宜高度使得模板通过,同时有利于挡住挡料盒4端面的通槽10和切刀槽11,有利于提高挡料盒4的清洁性的同时有利于避免影响切割进行。
所述的挡料盒4的端面上设置有限位槽17;所述滑动板14靠近挡料盒4一侧表面上对应限位槽17设置有限位条18;本实施例中,挡料盒4的端面上设置的限位槽17和限位条18卡接,当不切割滑动调节挡料板位置时,将挡料板完全升起至限位条18卡在限位槽17内,使得挡料盒4的两端面上的通槽10的切刀槽11完全露出,有利于使得切割刀3通过,有利于提高结构的稳定性和灵活性;本实施例中,限位槽17和限位条18的位置设置适宜。
所述滑动板14的下边缘开设有安装槽19;所述安装槽19内转动设置有辊轴20;本实施例中,辊轴20采用常规具有一定机械强度的材料制成,可根据需要选择任意一种合理的材质;本实施例中,辊轴20内贯穿固定杆,辊轴20活动套装在固定杆上,固定杆的两端固定在安装槽19的两侧内壁上,即可有利于实现辊轴20在滑动板14下边缘灵活转动;也可根据需要选择任意一种合理的辊轴20结构和安装方式;安装槽19有利于安装辊轴20,辊轴20在滑动板14的下边缘突出,当木板在切割时从挡料盒4的两端推进推出时,辊轴20有利于减少对木板表面的阻力,有利于木板移动,同时有利于提高木板上表面与滑动板14下边缘连接处的密封性,有利于阻隔废屑和粉尘通过。
所述切割台2上对应切割刀3设置有切割槽21;所述切割刀3套装在转动轴22上;所述转动轴22一端连接有传动轮23;所述传动轮23通过皮带连接至电机24;所述切割槽21下方还设置有接料箱25;本实施例中,本实施例中,切割槽21有利于切割刀3突出切割台2表面作用与木板;本实施例中,转动轴22、传动轮23、电机24和皮带均采用常规市购产品,可根据需要选择任意一种合理的结构和安装方式;电机24的输出轴通过皮带轮与传动轮23连接后,电机24启动,驱动传动轮23转动,从而带动转动轴22转动,转动轴22从而带动切割刀3转动,有利于进行切割,也可根据需要选择任意一种其他形式的驱动方式;本实施例中,接料槽有利于接住从切割槽21落下的废屑;接料槽采用任意一种合理的结构和材质。
尽管这里参照本实用新型的多个解释性实施例对本实用新型进行了描述,但是,应该理解,本领域技术人员可以设计出很多其他的修改和实施方式,这些修改和实施方式将落在本申请公开的原则范围和精神之内。更具体地说,在本申请公开、附图和权利要求的范围内,可以对主题组合布局的组成部件和/或布局进行多种变型和改进。除了对组成部件和/或布局进行的变形和改进外,对于本领域技术人员来说,其他的用途也将是明显的。
Claims (8)
1.一种家具加工用木板无尘分切机,包括有机架(1)和切割台(2);所述切割台(2)上设置有切割刀(3);其特征在于:所述切割台(2)上滑动设置有挡料盒(4);所述挡料盒(4)用以在切割时罩住切割刀(3);所述挡料盒(4)下端敞口;所述挡料盒(4)顶部设置有吸尘罩(5);所述吸尘罩(5)通过吸尘管(6)连接至收集器(7);所述收集器(7)内设置有过滤板(9);所述过滤板(9)一侧设置有抽风机(8);所述挡料盒(4)的两端面上开设有通槽(10);所述通槽(10)上边缘向上延伸有切刀槽(11);所述切刀槽(11)用以供切割刀(3)通过。
2.根据权利要求1所述的家具加工用木板无尘分切机,其特征在于:所述吸尘管(6)包括有第一管段(61)和第二管段(62);所述第一管段(61)和第二管段(62)通过弯头件连接;所述第一管段(61)位于挡料盒(4)外且与收集器(7)连接;所述第二管段(62)与吸尘罩(5)连接;所述第一管段(61)为伸缩管。
3.根据权利要求1所述的家具加工用木板无尘分切机,其特征在于:所述挡料盒(4)两侧边缘设置有滑动凸棱(12);所述切割台(2)两侧对应滑动凸棱(12)设置有滑轨(13)。
4.根据权利要求1所述的家具加工用木板无尘分切机,其特征在于:所述挡料盒(4)的端面上设置有滑动板(14);所述滑动板(14)用以在切割时挡住通槽(10)和切刀槽(11)。
5.根据权利要求4所述的家具加工用木板无尘分切机,其特征在于:所述滑动板(14)两侧边缘设置有滑动筋条(15);所述通槽(10)的两侧边缘向上延伸有滑槽(16);所述滑动筋条(15)在滑槽(16)内滑动。
6.根据权利要求4所述的家具加工用木板无尘分切机,其特征在于:所述的挡料盒(4)的端面上设置有限位槽(17);所述滑动板(14)靠近挡料盒(4)一侧表面上对应限位槽(17)设置有限位条(18)。
7.根据权利要求4所述的家具加工用木板无尘分切机,其特征在于:所述滑动板(14)的下边缘开设有安装槽(19);所述安装槽(19)内转动设置有辊轴(20)。
8.根据权利要求1所述的家具加工用木板无尘分切机,其特征在于:所述切割台(2)上对应切割刀(3)设置有切割槽(21);所述切割刀(3)套装在转动轴(22)上;所述转动轴(22)一端连接有传动轮(23);所述传动轮(23)通过皮带连接至电机(24);所述切割槽(21)下方还设置有接料箱(25)。
Priority Applications (1)
| Application Number | Priority Date | Filing Date | Title |
|---|---|---|---|
| CN202120333565.7U CN214561618U (zh) | 2021-02-05 | 2021-02-05 | 家具加工用木板无尘分切机 |
Applications Claiming Priority (1)
| Application Number | Priority Date | Filing Date | Title |
|---|---|---|---|
| CN202120333565.7U CN214561618U (zh) | 2021-02-05 | 2021-02-05 | 家具加工用木板无尘分切机 |
Publications (1)
| Publication Number | Publication Date |
|---|---|
| CN214561618U true CN214561618U (zh) | 2021-11-02 |
Family
ID=78315824
Family Applications (1)
| Application Number | Title | Priority Date | Filing Date |
|---|---|---|---|
| CN202120333565.7U Expired - Fee Related CN214561618U (zh) | 2021-02-05 | 2021-02-05 | 家具加工用木板无尘分切机 |
Country Status (1)
| Country | Link |
|---|---|
| CN (1) | CN214561618U (zh) |
-
2021
- 2021-02-05 CN CN202120333565.7U patent/CN214561618U/zh not_active Expired - Fee Related
Similar Documents
| Publication | Publication Date | Title |
|---|---|---|
| CN214561618U (zh) | 家具加工用木板无尘分切机 | |
| CN215511417U (zh) | 一种木板制作用锯床 | |
| CN209664927U (zh) | 一种除尘效果好的双头切铝机 | |
| CN223115335U (zh) | 一种板材加工用开槽装置 | |
| CN221985341U (zh) | 具有粉末废料气动收集结构的家具材料切割装置 | |
| CN220741329U (zh) | 一种纸类裁切与平整装置 | |
| CN221021428U (zh) | 一种环保家具加工用的切割装置 | |
| CN220499419U (zh) | 家具刨机 | |
| CN221416897U (zh) | 一种带除屑结构的刨花板切边机 | |
| CN207789167U (zh) | 一种带有烘干功能的快速模切机 | |
| CN214446894U (zh) | 一种瓦楞纸板加工用具有废料收集功能的裁切设备 | |
| CN222200926U (zh) | 一种便于回收废料的房屋建筑板材切割装置 | |
| CN215749726U (zh) | 一种家具加工车间的除尘装置 | |
| CN223236406U (zh) | 一种新型spc地板切割装置 | |
| CN223236551U (zh) | 一种利于废屑回收的木材切割机 | |
| CN222243998U (zh) | 一种铝片边缘修整机构 | |
| CN222003610U (zh) | 一种木制品装饰板加工用的切割机 | |
| CN220945788U (zh) | 一种木板雕刻机除尘装置 | |
| CN212266119U (zh) | 一种家具生产用木材粉碎装置 | |
| CN222270438U (zh) | 一种建筑模板裁边机 | |
| CN213055205U (zh) | 一种竹木纤维板切割工作台 | |
| CN213946762U (zh) | 一种用于家具板材加工的多功能镂铣机 | |
| CN220840617U (zh) | 一种刨花板生产用齐边裁切设备 | |
| CN221717112U (zh) | 一种装修板材切割装置 | |
| CN209615739U (zh) | 一种静音无尘木工台锯 |
Legal Events
| Date | Code | Title | Description |
|---|---|---|---|
| GR01 | Patent grant | ||
| GR01 | Patent grant | ||
| CF01 | Termination of patent right due to non-payment of annual fee |
Granted publication date: 20211102 |
|
| CF01 | Termination of patent right due to non-payment of annual fee |