CN214515996U - But screening sand machine for civil construction of quick screening sand - Google Patents

But screening sand machine for civil construction of quick screening sand Download PDF

Info

Publication number
CN214515996U
CN214515996U CN202120554728.4U CN202120554728U CN214515996U CN 214515996 U CN214515996 U CN 214515996U CN 202120554728 U CN202120554728 U CN 202120554728U CN 214515996 U CN214515996 U CN 214515996U
Authority
CN
China
Prior art keywords
frame
motor
dust collecting
rotating shaft
sand
Prior art date
Legal status (The legal status is an assumption and is not a legal conclusion. Google has not performed a legal analysis and makes no representation as to the accuracy of the status listed.)
Expired - Fee Related
Application number
CN202120554728.4U
Other languages
Chinese (zh)
Inventor
刘晋良
何飞龙
Current Assignee (The listed assignees may be inaccurate. Google has not performed a legal analysis and makes no representation or warranty as to the accuracy of the list.)
Xihua University
Original Assignee
Xihua University
Priority date (The priority date is an assumption and is not a legal conclusion. Google has not performed a legal analysis and makes no representation as to the accuracy of the date listed.)
Filing date
Publication date
Application filed by Xihua University filed Critical Xihua University
Priority to CN202120554728.4U priority Critical patent/CN214515996U/en
Application granted granted Critical
Publication of CN214515996U publication Critical patent/CN214515996U/en
Expired - Fee Related legal-status Critical Current
Anticipated expiration legal-status Critical

Links

Images

Landscapes

  • Combined Means For Separation Of Solids (AREA)

Abstract

本实用新型涉及一种可快速筛沙的土木施工用筛沙机,包括机架,机架上端设有筛筒,筛筒内设有第一转轴和固定杆,第一转轴右端设有第一电机,和机架间设有第一支架,机架上端设有支撑杆和进料漏斗,进料漏斗底端设有导流管,机架上设有集尘罩,前端开设有通槽,后端设有集尘管,机架后端设有集尘箱,集尘管贯穿集尘箱,集尘罩右端内设有吸风机,后端设有箱盖,第一电机上方设有第二电机,和第一支架间设有第二支架,第二电机左端设有第二转轴,第二转轴上设有多个皮带,机架底端设有万向轮,左端设有限位板,限位板上转动设有限位杆,限位杆底端设有固定块,集尘箱的设计,吸附沉淀;第二转轴的设计,避免堵塞;万向轮的设计,移动限位。

Figure 202120554728

The utility model relates to a sand screening machine for civil construction which can quickly screen sand, which comprises a frame, a screen cylinder is arranged on the upper end of the frame, a first rotating shaft and a fixing rod are arranged in the screen cylinder, and a first rotating shaft is arranged at the right end of the first rotating shaft. There is a first bracket between the motor and the frame, the upper end of the frame is provided with a support rod and a feeding funnel, the bottom end of the feeding funnel is provided with a guide pipe, the frame is provided with a dust collecting cover, and the front end is provided with a through slot. The rear end is provided with a dust collection pipe, the rear end of the frame is provided with a dust collection box, the dust collection pipe runs through the dust collection box, a suction fan is arranged in the right end of the dust collection cover, a box cover is arranged at the rear end, and a first motor is arranged above the first motor. There is a second bracket between the second motor and the first bracket, the left end of the second motor is provided with a second rotating shaft, the second rotating shaft is provided with a plurality of belts, the bottom end of the frame is provided with a universal wheel, and the left end is provided with a limit plate. There is a limit rod on the limit plate for rotation, and the bottom end of the limit rod is provided with a fixed block. The design of the dust collecting box can absorb sedimentation; the design of the second rotating shaft can avoid blockage; the design of the universal wheel can limit the movement.

Figure 202120554728

Description

But screening sand machine for civil construction of quick screening sand
Technical Field
The utility model relates to a screening sand machine technical field specifically is a screening sand machine for building construction that can sieve husky fast.
Background
A sand sieving machine, also known as a dry land sand sieving boat, a sand-stone separator, is a sand-stone separating device suitable for riverways, reservoirs and coal yards, and consists of a boat body, a frame, a speed reducer, a conveyor belt, a rotary sieve, an engine or a motor.
SUMMERY OF THE UTILITY MODEL
Technical problem to be solved
Not enough to prior art, the utility model provides a but sieve husky machine is used in building construction of quick sieve husky.
(II) technical scheme
In order to achieve the above object, the utility model provides a following technical scheme: a sand screening machine capable of rapidly screening sand for civil construction comprises a frame, wherein a screen cylinder is obliquely arranged on the right side of the upper end face of the frame, the screen cylinder is in a shape with two open ends, the screen cylinder is rotatably connected with the frame, a first rotating shaft is arranged in the screen cylinder, a fixing rod is connected between the screen cylinder and the first rotating shaft, a first motor is arranged at the right end of the first rotating shaft and is connected with an external power supply, a first support is connected between the first motor and the frame, a plurality of support rods are arranged on the left side of the upper end face of the frame, a feeding funnel is arranged at the upper ends of the support rods, a flow guide pipe is connected and arranged at the bottom end of the feeding funnel and extends rightwards into the screen cylinder, a dust collection cover is arranged on the rear side of the upper end face of the frame corresponding to the screen cylinder, a through groove is formed in the front end face of the dust collection cover, and a dust collection pipe is arranged at the bottom of the rear end face of the dust collection cover in a penetrating manner, the dust collecting device is characterized in that a dust collecting box is arranged at the bottom of the rear end face of the rack, the dust collecting pipe penetrates through the left end face of the dust collecting box, the inner wall of the right end of the dust collecting cover corresponds to the dust collecting pipe and is provided with a suction fan, the suction fan is connected with an external power supply, and the rear end of the dust collecting box is hinged with a box cover.
In further preferred, be provided with the second motor above the first motor, external power source is connected to the second motor, it is provided with the second support to connect between second motor and the first support, the connection of second motor left end is provided with the second pivot, be provided with a plurality of belts in the second pivot.
Preferably in further, the four corners of the bottom end of the rack are provided with universal wheels, the left end of the rack is provided with a limiting plate, the limiting plate is provided with a limiting rod in a rotating mode, the limiting rod is in threaded connection with the limiting plate, and the bottom end of the limiting rod is provided with a fixing block.
In a further preferred embodiment, the rear side of the upper end surface of the feed hopper is provided with a first baffle.
In a further preferred embodiment, the feeding funnel is provided with a plurality of connecting rods at its inner top end.
In a further preferred mode, an elongated plate is arranged on the right side of the upper end face of the rack corresponding to the screen drum.
In a further preferred mode, the front side and the rear side of the upper end surface of the elongated plate are provided with second baffle plates.
In a further preferred mode, the outer end of the suction fan is provided with a filter cover.
In a further preferred mode, the top ends of the two limiting rods are provided with handles.
(III) advantageous effects
Compared with the prior art, the utility model provides a but screening sand machine for civil construction of quick screening sand possesses following beneficial effect:
in the utility model, the dust collection box is designed, the suction fan sucks air, dust generated by screening of the screen drum is sucked into the dust collection cover through the through groove of the dust collection cover, the dust collection pipe enters the dust collection box, after screening is completed, the power supply of the suction fan is turned off, the box cover is opened after the dust is precipitated in the dust collection box, the internal dust is discharged, and the dust generated in the production process of precipitation is adsorbed; due to the design of the second rotating shaft, a motor shaft of the second motor drives the second rotating shaft to rotate, the second rotating shaft drives the belt to flap the screen drum, and blocked gravel falls off to ensure the screening efficiency; the design of universal wheel promotes the frame, and the universal wheel of frame bottom drives the integrated device and removes to suitable position after, the gag lever post of rotatory having the handle, gag lever post and limiting plate screw-thread fit, and the gag lever post drives the fixed block and descends, contacts ground after, realizes spacingly to the device is whole.
Drawings
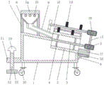
FIG. 1 is a schematic cross-sectional view of the preferred overall structure of a sand screening machine for civil construction, which can rapidly screen sand according to the present invention;
FIG. 2 is a schematic cross-sectional view of a preferred support, a screen drum, a dust collecting oven and a dust collecting box of the sand sieving machine for civil construction, which can sieve sand rapidly according to the present invention;
fig. 3 is a schematic cross-sectional view of the matching structure of the dust collecting box and the suction fan of the sand sieving machine for civil construction, which can sieve sand quickly.
In the figure: 1. a frame; 2. a screen cylinder; 3. a first rotating shaft; 4. fixing the rod; 5. a first motor; 6. a first bracket; 7. a support bar; 8. a feed hopper; 9. a flow guide pipe; 10. a dust collection cover; 11. a through groove; 12. a dust collecting pipe; 13. a dust collection box; 14. a suction fan; 15. a box cover; 16. a second motor; 17. a second bracket; 18. a second rotating shaft; 19. a belt; 20. a universal wheel; 21. a limiting plate; 22. a limiting rod; 23. a fixed block; 24. a first baffle plate; 25. a connecting rod; 26. a lengthening plate; 27. a second baffle; 28. a filter housing; 29. a handle.
Detailed Description
The technical solutions in the embodiments of the present invention will be described clearly and completely with reference to the accompanying drawings in the embodiments of the present invention, and it is obvious that the described embodiments are only some embodiments of the present invention, not all embodiments. Based on the embodiments in the present invention, all other embodiments obtained by a person skilled in the art without creative work belong to the protection scope of the present invention.
Example (b):
referring to fig. 1-3, a sand sieving machine for civil construction capable of rapidly sieving sand comprises a frame 1, a sieve drum 2 is obliquely arranged on the right side of the upper end surface of the frame 1, the sieve drum 2 is in a shape with two open ends, the sieve drum 2 is rotatably connected with the frame 1, a first rotating shaft 3 is arranged in the sieve drum 2, a fixing rod 4 is connected between the sieve drum 2 and the first rotating shaft 3, a first motor 5 is arranged at the right end of the first rotating shaft 3, the first motor 5 is connected with an external power supply, a first bracket 6 is connected between the first motor 5 and the frame 1, a plurality of support rods 7 are arranged on the left side of the upper end surface of the frame 1, a feed hopper 8 is arranged at the upper end of the plurality of support rods 7, a guide pipe 9 is connected at the bottom end of the feed hopper 8, the guide pipe 9 extends to the right into the sieve drum 2, a dust collection cover 10 is arranged on the rear side of the upper end surface of the frame 1 corresponding to the sieve drum 2, the dust hood 10 is characterized in that a through groove 11 is formed in the front end face of the dust hood 10, a dust collecting pipe 12 penetrates through the bottom of the rear end face of the dust hood 10, a dust collecting box 13 is arranged at the bottom of the rear end face of the rack 1, the dust collecting pipe 12 penetrates through the left end face of the dust collecting box 13, the inner wall of the right end of the dust hood 10 corresponds to the dust collecting pipe 12 and is provided with a suction fan 14, the suction fan 14 is connected with an external power supply, and a box cover 15 is hinged to the rear end of the dust collecting box 13.
In this embodiment, first motor 5 top is provided with second motor 16, external power source is connected to second motor 16, it is provided with second support 17 to connect between second motor 16 and the first support 6, the connection of second motor 16 left end is provided with second pivot 18, be provided with a plurality of belts 19 in the second pivot 18, the motor shaft of second motor 16 drives second pivot 18 and rotates, and second pivot 18 drives belt 19 and beats on a sieve section of thick bamboo 2, and the grit whereabouts of jam guarantees screening efficiency.
In this embodiment, 1 bottom four corners of frame all is provided with universal wheel 20, 1 left end of frame is provided with limiting plate 21, it is provided with gag lever post 22 to rotate on the limiting plate 21, gag lever post 22 and limiting plate 21 threaded connection, gag lever post 22 bottom is provided with fixed block 23, promotes frame 1, and after universal wheel 20 of 1 bottom of frame drove the integrated device and removes to suitable position, rotatory gag lever post 22, gag lever post 22 and limiting plate 21 screw-thread fit, gag lever post 22 drove fixed block 23 and descends, contacts behind the ground, wholly realizes spacingly to the device.
In this embodiment, 8 up end rear sides of feed hopper are provided with first baffle 24, and first baffle 24 realizes the protection when to the feeding, avoids the grit to flow out from 8 rear ends of feed hopper.
In this embodiment, the inside top of feed hopper 8 is provided with a plurality of connecting rods 25, and a plurality of connecting rods 25 realize prefiltering to the grit in the feed hopper 8 access device, avoid the inside feed hopper 8 that blocks up of great bulky grit piece access device.
In this embodiment, frame 1 up end right side corresponds sieve section of thick bamboo 2 is provided with extension board 26, and extension board 26 realizes the transmission to the grit of the great granule after sieving through sieve section of thick bamboo 2, avoids thick and thin grit to mix.
In this embodiment, both sides all are provided with second baffle 27 before and after the extension board 26 upper end face, and second baffle 27 realizes spacingly to the grit piece of transmission on the extension board 26, avoids droing from both ends.
In this embodiment, the outer end of the suction fan 14 is provided with a filter cover 28, and the filter cover 28 protects the suction fan 14 from dust entering the suction fan 14.
In this embodiment, two the gag lever post 22 top all is provided with handle 29, and handle 29 convenience of customers realizes rotating the gag lever post 22, convenient operation.
The working principle is as follows:
in conclusion, when the sand screening device is used, firstly, the frame 1 is pushed, after the universal wheel 20 at the bottom end of the frame 1 drives the whole device to move to a proper position, the limiting rod 22 with the handle 29 is rotated, the limiting rod 22 is in threaded fit with the limiting plate 21, the limiting rod 22 drives the fixing block 23 to descend, after contacting the ground, the whole device is limited, the power supply of the first motor 5 is started, the motor shaft of the first motor 5 drives the first rotating shaft 3 to rotate, the first rotating shaft 3 drives the screen drum 2 to rotate through the fixing rod 4, gravel to be screened is filled into the feeding funnel 8 with the first baffle 24, the connecting rod 25 in the feeding funnel 8 primarily filters the gravel, the situation that the feeding funnel 8 is blocked by the gravel with larger volume is avoided, the gravel is transferred to the right through the diversion pipe 9 to enter the screen drum 2, the screen drum 2 rotates to screen the gravel, the finer sand falls to the ground below the screen drum 2 after being filtered by the screen drum 2, larger granule's gravel is screened back from a sieve section of thick bamboo 2 right-hand member outwards and is discharged, continue the transmission to the right side through lengthened plate 26, fall to right side ground, sieve section of thick bamboo 2 is when screening the gravel, start the power of second motor 16 and suction fan 14, the motor shaft of second motor 16 drives second pivot 18 and rotates, 18 left ends of second pivot are rotated and are provided with the mounting bracket, mounting bracket and frame 1 are connected, second pivot 18 drives belt 19 and beats on sieve section of thick bamboo 2, the gravel whereabouts of jam, guarantee screening efficiency, suction fan 14 induced drafts, the dust that sieve section of thick bamboo 2 screening produced inhales in dust cage 10 through groove 11 of dust cage 10, it gets into in dust collection pipe 12 gets into dust collection box 13, after the screening is accomplished, close the power of suction fan 14, open case lid 15 after deposiing in dust collection box 13, discharge inside dust.
Although embodiments of the present invention have been shown and described, it will be appreciated by those skilled in the art that changes, modifications, substitutions and alterations can be made in these embodiments without departing from the principles and spirit of the invention, the scope of which is defined in the appended claims and their equivalents.

Claims (9)

1.一种可快速筛沙的土木施工用筛沙机,包括机架(1),所述机架(1)上端面右侧倾斜设置有筛筒(2),所述筛筒(2)为两端开口状,所述筛筒(2)和机架(1)转动连接,所述筛筒(2)内设置有第一转轴(3),所述筛筒(2)和第一转轴(3)之间连接设置有固定杆(4),所述第一转轴(3)右端设置有第一电机(5),所述第一电机(5)连接外部电源,所述第一电机(5)和机架(1)之间连接设置有第一支架(6),所述机架(1)上端面左侧设置有多个支撑杆(7),多个所述支撑杆(7)上端设置有进料漏斗(8),所述进料漏斗(8)底端连接设置有导流管(9),所述导流管(9)向右延伸至所述筛筒(2)内,其特征在于,所述机架(1)上端面后侧对应所述筛筒(2)设置有集尘罩(10),所述集尘罩(10)前端面开设有通槽(11),所述集尘罩(10)后端面底部贯穿设置有集尘管(12),所述机架(1)后端面底部设置有集尘箱(13),所述集尘管(12)贯穿所述集尘箱(13)左端面,所述集尘罩(10)右端内壁对应所述集尘管(12)设置有吸风机(14),所述集尘箱(13)后端铰接设置有箱盖(15)。1. A sand screening machine for civil construction that can quickly screen sand, comprising a frame (1), a screen cylinder (2) is inclined on the right side of the upper end face of the frame (1), and the screen cylinder (2) The sieve cylinder (2) and the frame (1) are rotatably connected, the sieve cylinder (2) is provided with a first rotating shaft (3), the sieve cylinder (2) and the first rotating shaft are open at both ends. A fixing rod (4) is connected between (3), a first motor (5) is arranged on the right end of the first rotating shaft (3), the first motor (5) is connected to an external power supply, and the first motor ( 5) A first bracket (6) is connected with the frame (1), a plurality of support rods (7) are provided on the left side of the upper end surface of the frame (1), and a plurality of the support rods (7) The upper end is provided with a feeding funnel (8), the bottom end of the feeding funnel (8) is connected with a guide pipe (9), and the guide pipe (9) extends to the right into the screen cylinder (2) , characterized in that a dust collecting hood (10) is provided on the rear side of the upper end surface of the frame (1) corresponding to the sieve cylinder (2), and a through groove (11) is opened on the front end surface of the dust collecting hood (10). A dust collecting pipe (12) is arranged through the bottom of the rear end surface of the dust collecting hood (10), a dust collecting box (13) is arranged at the bottom of the rear end surface of the frame (1), and the dust collecting pipe (12) penetrates through On the left end face of the dust collecting box (13), the inner wall of the right end of the dust collecting hood (10) is provided with a suction fan (14) corresponding to the dust collecting pipe (12), and the rear end of the dust collecting box (13) is hingedly arranged With box cover (15). 2.根据权利要求1所述的一种可快速筛沙的土木施工用筛沙机,其特征在于:所述第一电机(5)上方设置有第二电机(16),所述第二电机(16)和第一支架(6)之间连接设置有第二支架(17),所述第二电机(16)左端连接设置有第二转轴(18),所述第二转轴(18)上设置有多个皮带(19)。2 . The sand screening machine for civil construction that can quickly screen sand according to claim 1 , wherein a second motor ( 16 ) is arranged above the first motor ( 5 ), and the second motor A second support (17) is connected between (16) and the first support (6), and a second rotating shaft (18) is connected to the left end of the second motor (16), and the second rotating shaft (18) is arranged on the A plurality of belts (19) are provided. 3.根据权利要求1所述的一种可快速筛沙的土木施工用筛沙机,其特征在于:所述机架(1)底端四角均设置有万向轮(20),所述机架(1)左端设置有限位板(21),所述限位板(21)上转动设置有限位杆(22),所述限位杆(22)和限位板(21)螺纹连接,所述限位杆(22)底端设置有固定块(23)。3. A sand screening machine for civil construction that can quickly screen sand according to claim 1, wherein the four corners of the bottom end of the frame (1) are provided with universal wheels (20), and the machine A limit plate (21) is arranged at the left end of the frame (1), a limit rod (22) is rotatably arranged on the limit plate (21), and the limit rod (22) is threadedly connected with the limit plate (21), so The bottom end of the limit rod (22) is provided with a fixing block (23). 4.根据权利要求1所述的一种可快速筛沙的土木施工用筛沙机,其特征在于:所述进料漏斗(8)上端面后侧设置有第一挡板(24)。4 . The sand screening machine for civil construction that can quickly screen sand according to claim 1 , wherein a first baffle plate ( 24 ) is provided on the rear side of the upper end face of the feeding funnel ( 8 ). 5 . 5.根据权利要求4所述的一种可快速筛沙的土木施工用筛沙机,其特征在于:所述进料漏斗(8)内部顶端设置有多个连接杆(25)。5 . The sand screening machine for civil construction that can quickly screen sand according to claim 4 , wherein a plurality of connecting rods ( 25 ) are arranged at the inner top of the feeding funnel ( 8 ). 6 . 6.根据权利要求3所述的一种可快速筛沙的土木施工用筛沙机,其特征在于:所述机架(1)上端面右侧对应所述筛筒(2)设置有加长板(26)。6. A sand screening machine for civil construction that can quickly screen sand according to claim 3, characterized in that: an extension plate is provided on the right side of the upper end face of the frame (1) corresponding to the screen cylinder (2) (26). 7.根据权利要求6所述的一种可快速筛沙的土木施工用筛沙机,其特征在于:所述加长板(26)上端面前后两侧均设置有第二挡板(27)。7 . The sand screening machine for civil construction that can quickly screen sand according to claim 6 , wherein second baffles ( 27 ) are provided on both the front and rear sides of the upper end of the elongated plate ( 26 ). 8 . 8.根据权利要求1所述的一种可快速筛沙的土木施工用筛沙机,其特征在于:所述吸风机(14)外端设置有过滤罩(28)。8 . The sand screening machine for civil construction that can quickly screen sand according to claim 1 , wherein a filter cover ( 28 ) is provided at the outer end of the suction fan ( 14 ). 9 . 9.根据权利要求3所述的一种可快速筛沙的土木施工用筛沙机,其特征在于:两个所述限位杆(22)顶端均设置有把手(29)。9 . The sand screening machine for civil construction that can quickly screen sand according to claim 3 , characterized in that: handles ( 29 ) are provided at the tops of the two limit rods ( 22 ). 10 .
CN202120554728.4U 2021-03-18 2021-03-18 But screening sand machine for civil construction of quick screening sand Expired - Fee Related CN214515996U (en)

Priority Applications (1)

Application Number Priority Date Filing Date Title
CN202120554728.4U CN214515996U (en) 2021-03-18 2021-03-18 But screening sand machine for civil construction of quick screening sand

Applications Claiming Priority (1)

Application Number Priority Date Filing Date Title
CN202120554728.4U CN214515996U (en) 2021-03-18 2021-03-18 But screening sand machine for civil construction of quick screening sand

Publications (1)

Publication Number Publication Date
CN214515996U true CN214515996U (en) 2021-10-29

Family

ID=78263950

Family Applications (1)

Application Number Title Priority Date Filing Date
CN202120554728.4U Expired - Fee Related CN214515996U (en) 2021-03-18 2021-03-18 But screening sand machine for civil construction of quick screening sand

Country Status (1)

Country Link
CN (1) CN214515996U (en)

Similar Documents

Publication Publication Date Title
CN216125823U (en) Ferrite raw material grinding and smashing device with dust adsorption function
CN108284069A (en) A kind of Miao ethnic group's tealeaves environment-friendly type pneumatic separation device
CN110978521A (en) 3D prints raw materials with simple and easy sieve dust collector that shakes soon
CN111515002A (en) A chemical pigment crushing device
CN205413575U (en) Civil engineering is with dustless screening sand machine
CN214515996U (en) But screening sand machine for civil construction of quick screening sand
CN216368850U (en) High-efficient sieving mechanism of tea processing usefulness
CN218475574U (en) Corn processing dust collector
CN211840032U (en) Clay sand is purifier for processor
CN218531061U (en) A chemical grinder equipment
CN210333304U (en) Oil exploration rock debris particle size separation device
CN215676325U (en) Silt filter equipment for construction
CN105850400B (en) A kind of small wheat harvesting retracting device
CN212883430U (en) Conveyor is used in water purification material production
CN214638109U (en) A water conservancy diversion mechanism for during refuse treatment material loading
CN213223224U (en) Stone and impurity removing machine for composite rice processing raw materials
CN213727643U (en) Coke production screening dust collector
CN213287663U (en) Combined cleaning sieve
CN113058333A (en) High-efficient dust collector in mine
CN211678680U (en) Separator for processing rice
CN210357955U (en) Straw dust collecting equipment
CN210704346U (en) A shot blasting machine shot sand collection mechanism
CN212468865U (en) Pearl barley stone remover
CN210647207U (en) Take pendulous device's maize granule sieve separator
CN210477474U (en) Multistage accurate partial shipment device of modified plastic granules

Legal Events

Date Code Title Description
GR01 Patent grant
GR01 Patent grant
CF01 Termination of patent right due to non-payment of annual fee
CF01 Termination of patent right due to non-payment of annual fee

Granted publication date: 20211029