CN214508841U - A zero-pollution discharge system for circulating aquaculture tail water in a pond - Google Patents

A zero-pollution discharge system for circulating aquaculture tail water in a pond Download PDF

Info

Publication number
CN214508841U
CN214508841U CN202120478781.0U CN202120478781U CN214508841U CN 214508841 U CN214508841 U CN 214508841U CN 202120478781 U CN202120478781 U CN 202120478781U CN 214508841 U CN214508841 U CN 214508841U
Authority
CN
China
Prior art keywords
pond
water
ridge
area
arc
Prior art date
Legal status (The legal status is an assumption and is not a legal conclusion. Google has not performed a legal analysis and makes no representation as to the accuracy of the status listed.)
Active
Application number
CN202120478781.0U
Other languages
Chinese (zh)
Inventor
张茂友
陈文华
赵俊胜
周晓东
诸葛燕
Current Assignee (The listed assignees may be inaccurate. Google has not performed a legal analysis and makes no representation or warranty as to the accuracy of the list.)
SUZHOU AQUATIC TECHNOLOGY STATION
Original Assignee
SUZHOU AQUATIC TECHNOLOGY STATION
Priority date (The priority date is an assumption and is not a legal conclusion. Google has not performed a legal analysis and makes no representation as to the accuracy of the date listed.)
Filing date
Publication date
Application filed by SUZHOU AQUATIC TECHNOLOGY STATION filed Critical SUZHOU AQUATIC TECHNOLOGY STATION
Priority to CN202120478781.0U priority Critical patent/CN214508841U/en
Application granted granted Critical
Publication of CN214508841U publication Critical patent/CN214508841U/en
Active legal-status Critical Current
Anticipated expiration legal-status Critical

Links

Images

Landscapes

  • Farming Of Fish And Shellfish (AREA)

Abstract

本实用新型公开了一种池塘内循环养殖尾水零污染排放系统,通过在养殖池塘四周外围建造河蟹防逃墙,利用新建池埂将池塘分为净化区域和养殖区域,外源水首先经过净化区域净化,为虾蟹养殖提供优质水源;其次两个区域之间形成循环微流水,养殖池塘生产过程中只加注新水、不换水,减少养殖池塘生产过程中的换水频次,起到净水、节水作用;再利用养殖区域内的“S”形池埂内埂,划分为不同区域,可实现水草分期栽种,虾蟹养殖精准化管理,并在干池时可实现不同区域先后干塘,不向池塘外环境排放底层富含营养物质的养殖尾水,达到养殖尾水零污染排放。

Figure 202120478781

The utility model discloses a zero-pollution discharge system for circulating culture tail water in a pond. By constructing a crab escape wall around the periphery of a culture pond, the pond is divided into a purification area and a culture area by using a newly built ridge, and the external source water is first purified. Regional purification provides high-quality water for shrimp and crab farming; secondly, circulating micro-flow water is formed between the two regions, and only new water is added during the production process of the aquaculture pond, and no water changes are made, which reduces the frequency of water changes in the production process of the aquaculture pond. Water purification and water saving; reuse the "S"-shaped pond ridge in the breeding area and divide it into different areas, which can realize the staged planting of aquatic plants and the precise management of shrimp and crab breeding, and can realize successively different areas when the pond is dry. The dry pond does not discharge the bottom nutrient-rich aquaculture tail water to the environment outside the pond, so as to achieve zero pollution discharge of the aquaculture tail water.

Figure 202120478781

Description

Pond internal circulation breeding tail water zero-pollution discharge system
Technical Field
The utility model relates to an aquaculture technical field has especially related to a zero pollution discharge system of pond inner loop aquaculture tail water, is applicable to the pond high standard and reforms transform the pond, breed the breed pond in the area that tail water needs discharge to reach standard, the water resource is not abundant or eutrophication degree is high.
Background
Pond culture is a main mode of fishery production in China, the culture mode of the pond culture is continuously updated along with the progress of technology and equipment and the development of society, and the pond culture is currently in a mode of changing from extensive high yield to ecological high quality development so as to meet the requirement of people on high-quality aquatic products. Particularly, in order to implement ecological civilization construction, reduce water discharge and protect water ecology, innovation is needed from some fundamental and critical aspects such as pond structure, cultivation habit is changed, cultivation mode is optimized, and cultivation requirements of a new era are met.
At present, most of freshwater shrimp and crab culture ponds in China are in the traditional structure, and have the following defects: (1) the external source water is directly utilized, and the water quality is not guaranteed; (2) planting waterweeds in a whole pool at one time before breeding the crab seeds, wherein the waterweeds cannot be planted in different time periods; (3) the crab seeds are kept in the whole pond, and need to be fed in the whole pond, so that the management is inconvenient; (4) a large amount of manual salvage of excessive aquatic weeds or reseeding of the aquatic weeds is needed in the middle culture period; (5) the river crab escape-preventing facilities mainly comprise plastic plates and aluminum plates exposed on the pool ridges, so that the facilities are simple and crude and are not durable, and the integral attractiveness is influenced; (6) when the pond is dried in the later stage of cultivation, the bottom layer muddy water rich in nutrient substances is directly discharged out of the pond, so that water resources are wasted, certain influence is caused on external water, and meanwhile, the nutrient substances in the bottom layer water are wasted.
Disclosure of Invention
Aiming at the defects in the prior art, the utility model aims to provide a zero-pollution discharge system for tail water in pond internal circulation cultivation, which is characterized in that river crab escape-preventing walls are built on the periphery of the cultivation pond, the pond is divided into a purification area and a cultivation area by using a newly-built pond ridge, and exogenous water is firstly purified by the purification area to provide a high-quality water source for the cultivation of shrimps and crabs; circulating micro-flow water is formed between the two areas, and only new water is added and water is not changed in the production process of the culture pond, so that the effects of purifying water and saving water are achieved; and the inner ridge of the S-shaped pool ridge in the culture area is divided into different areas, so that the stage planting of aquatic weeds and the precise management of shrimp and crab culture can be realized, the ponds can be dried successively in the different areas when the ponds are dried, culture tail water rich in nutrients at the bottom layer is not discharged to the environment outside the ponds, and zero pollution discharge of the culture tail water is realized.
In order to achieve the above purpose, the utility model adopts the technical scheme that: a zero-pollution discharge system for tail water of pond internal circulation aquaculture comprises at least one aquaculture pond, wherein the aquaculture pond comprises a purification area and an aquaculture area, and the purification area is communicated with the aquaculture area through a water culvert pipe to form circulating micro-flow water; the culture area is internally provided with an arc pool ridge inner ridge and is divided into a first culture area and a second culture area.
As a preferred scheme, a peripheral ridge is arranged on the periphery of the aquaculture pond, and an escape-proof device is arranged on the peripheral ridge.
As a preferable scheme, the area of the purification area is 25-30% of the culture area.
As a preferable scheme, the purification area and the culture area are separated by a newly-built pond ridge, and the water passing culvert pipes are installed at the front end and the rear end of the newly-built pond ridge.
As a preferable scheme, the diameter of the water passing culvert pipe is 10-20 cm, and a water pump is arranged; one water inlet and outlet end of the water passing culvert pipe is arranged in the purification area, and the other water inlet and outlet end of the water passing culvert pipe is arranged in the culture area.
As a preferred scheme, the arc-shaped pool ridge inner ridge is an S-shaped pool ridge inner ridge.
Preferably, the area ratio of the first culture area to the second culture area is 1: 1-1.2.
As a preferable scheme, the inner ridge of the arc-shaped pond ridge comprises at least one arc-shaped low ridge and at least one arc-shaped high ridge, the arc-shaped low ridge is arranged at the end part of the arc-shaped high ridge, the length of the arc-shaped low ridge is 5-10 m, and the height from the bottom of the pond of the culture pond is 50-60 cm; the height of the arc-shaped high ridge is 20-30 cm higher than that of the arc-shaped low ridge.
As a preferred scheme, the inner ridge of the arc-shaped pool ridge consists of two arc-shaped low ridges and an arc-shaped high ridge, the arc-shaped low ridge is divided into a front section and a rear section, and the arc-shaped high ridge is positioned between the two arc-shaped low ridges; the slope ratio of the inner ridges of the S-shaped pool ridges is 1: 2-3, and the top width is 1-3 meters.
Compared with the prior art, the beneficial effects of the utility model are that:
(1) the foreign water is purified in the purification area, so that a high-quality water source is guaranteed;
(2) circulating micro-flow water is formed between the purification area and the culture area, so that only new water is added and water is not changed in the production process of the culture pond, and the effects of purifying water and saving water are achieved;
(3) the culture area is divided into different areas by utilizing the inner ridge of the arc-shaped pool ridge, aquatic plants can be planted in different periods, shrimp and crab culture precision management can be realized, different areas can be successively dried in the pool when the pool is dried, culture tail water with the bottom layer rich in nutrient substances is not discharged to the environment outside the culture pool, and zero pollution discharge of the culture tail water is realized.
Drawings
Fig. 1 is a plan view of the system of the present invention;
fig. 2 is a front sectional view of the system of the present invention;
FIG. 3 is a side cross-sectional view of the system of the present invention;
fig. 4 is a sectional view of the escape prevention device of the present invention.
Detailed Description
The invention will be further described with reference to specific embodiments. The following examples are only for illustrating the technical solutions of the present invention more clearly, and the protection scope of the present invention is not limited thereby.
Example (b):
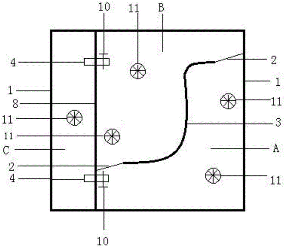
as shown in fig. 1-4, the zero-pollution discharge system for tail water of pond internal circulation aquaculture comprises at least one aquaculture pond, wherein the aquaculture pond comprises a purification area C and an aquaculture area, and the purification area C is communicated with the aquaculture area through a water culvert pipe 4 to form circulating micro-flow water; the culture area is internally provided with an arc-shaped pool ridge inner ridge 3, and the culture area is divided into a first culture area A and a second culture area B.
Preferably, a peripheral pool ridge 1 is arranged on the periphery of the aquaculture pond, and an anti-escape device 9 is arranged on the peripheral pool ridge 1.
Specifically, the peripheral ridge 1 is protected by the cement prefabricated plates, the top ends of the cement prefabricated plates extend 20-30 cm into the aquaculture pond, the height of the exposed bottom of the aquaculture pond is 50-60 cm, the exposed parts are tightly covered by a layer of transparent food-grade PVC plastic plate, and the river crab escape-preventing wall is formed by the escape-preventing devices 9 of the cement prefabricated plates and the plastic plates, so that the river crab escape-preventing wall is durable and attractive integrally.
Preferably, the area of the purification area C is 25-30% of the culture area.
Specifically, dwarf hay, hydrilla verticillata, snails, silver carps, plagiognathops microlepis and other water-purifying aquatic animals and plants are planted in the purification area C.
Preferably, the purification area C and the culture area are separated by a newly-built pond ridge 8, and the water passing culvert pipes 4 are arranged at the front end and the rear end of the newly-built pond ridge 8.
Specifically, the water passing culvert pipe 4 is a controllable water level type water passing culvert pipe which needs to ensure that various breeding species cannot pass through.
Preferably, the diameter of the water passing culvert pipe 4 is 10-20 cm, and a water pump 10 is arranged; one water inlet and outlet end of the water passing culvert pipe 4 is arranged in the purification area C, and the other water inlet and outlet end is arranged in the culture area.
Specifically, the purification area C is communicated with the culture area through a water passing culvert pipe 4 at the bottom of the culture pond, and a water pump 10 and a waterwheel type aerator or aeration water pushing equipment 11 are assisted to realize the exchange and cyclic utilization of water bodies in the two areas. Further, the utility model discloses a waterwheel formula oxygen-increasing machine or oxygenation push water equipment 11 have three, one is in first breed area A, another is in second breed area B, and another is in purification area C.
Preferably, the arc-shaped pool ridge inner ridge 3 is an S-shaped pool ridge inner ridge.
Preferably, the area ratio of the first culture area A to the second culture area B is 1: 1-1.2.
Preferably, the arc-shaped pool ridge inner ridge 3 comprises at least one arc-shaped low ridge 2 and at least one arc-shaped high ridge 3, the arc-shaped low ridge 2 is arranged at the end part of the arc-shaped high ridge 3, the length of the arc-shaped low ridge is 5-10 m, and the height from the bottom of the culture pool is 50-60 cm; the height of the arc-shaped high ridge 3 is 20-30 cm higher than that of the arc-shaped low ridge 2.
Preferably, the arc-shaped pool ridge inner ridge 3 consists of two arc-shaped low ridges 2 and an arc-shaped high ridge 3, the arc-shaped low ridge 2 is divided into a front section and a rear section, and the arc-shaped high ridge 3 is positioned between the two arc-shaped low ridges 2; the slope ratio of the inner ridges of the S-shaped pool ridges is 1: 2-3, and the top width is 1-3 meters.
In actual production, the pool bottom horizontal line 7 is the pool bottom horizontal line 7 of the aquaculture pool, exogenous water is taken by a water pump 10 to a purification area C, the exogenous water flows into a first aquaculture area A through a water pipe 4 after being purified by aquatic animals and plants such as short eel grass, waterweeds, spiral shells, silver carps, plagiognathops microlepis and the like in the purification area C, aquatic weeds and crab spawns are planted in the initial aquaculture period (1-5 months), the water level is controlled not to exceed the height of an arc-shaped low ridge 2 of an inner ridge of an S-shaped pool ridge, the activity range of the crab spawns is controlled in the first aquaculture area A, the activity range of the crab spawns is reduced, fine aquaculture is facilitated, and the highest water level line 6 is the highest water level line when the first aquaculture area is independently cultured. The second culture area B in the period can utilize the water pump 10 to breed spring shrimps in one season after water is introduced from the purification area C, so that river crabs are cultured in the first culture area A, and the freshwater shrimps are cultured in the second culture area B through regional and accurate management. In the middle culture period (6-11 months), after the freshwater shrimps in the second culture area B are caught in the early 6 months, according to the water quantity of the second culture area B, part of the purified water in the purified area C is discharged to the external environment, then part of the water in the second culture area B is discharged to the purified area C for purification treatment, finally the water level of the second culture area B is reduced to about 5-10 cm, aquatic plants are planted in the second culture area B in the last 6 months, the water level in the last 7 months is controlled not to exceed 15cm before water is added, the water level in the last 7 months is added to a pond water level line 5 during the whole pond production, the water intercommunication between the first culture area A and the second culture area B is realized, the river crabs in the first culture area A can utilize aquatic plants cultured in the second culture area B, so that the existence of aquatic plants in the high-temperature summer season is ensured, and a large amount of manpower brought by cutting off excess aquatic plants or supplementing aquatic plants in summer is reduced, the height of the 8-10 month aquatic weeds is controlled below 20cm of the water surface, and a water pump 10, a waterwheel type aerator or an oxygenation water pushing device 11 are used for forming a purification area C → a first culture area A → a second culture area B → an internal circulation micro-flow water of the purification area C at the stage, so that water exchange is continuously carried out on the water body in the purification area C, the first culture area A and the second culture area B, and only new water is filled and water is not changed in the process. And (3) when the pond is dried in the last stage of cultivation (12 months), firstly, discharging 80-90% of purified water in the purification area C to an external environment after reaching the standard, then pumping surface layer water above 2 height of the arc-shaped low ridge of the inner ridge of the S-shaped pond ridge of the cultivation area C to the purification area C for purification, then discharging the surface layer water to the external environment after reaching the standard, then pumping all bottom layer water rich in nitrogen and phosphorus in the second cultivation area B to the purification area C for purification treatment, remaining the pond for continuous use in the second year without discharging the water, finally pumping all bottom layer water rich in nitrogen and phosphorus in the first cultivation area A to the second cultivation area B, and after the disinfection treatment of the original pond, continuously using the bottom layer water as water source water in the second year.
The zero-pollution discharge system of the tail water of the pond internal circulation culture constructed by the method realizes the pond biological purification treatment of the exogenous water, and ensures the water quality; in the production process, the aquatic weeds can be planted in different periods, so that the survival rate of the aquatic weeds can be ensured, the labor force for fishing out excessive aquatic weeds in summer can be greatly saved, and the regional and accurate management of shrimps and crabs can be realized; the method has the advantages that the method forms running water by constructing the internal circulation of the pond, only adds new water and does not change water in the production process of the aquaculture pond, realizes water-saving aquaculture to the maximum extent, simulates the natural growth environment of aquaculture animals, and improves the quality of aquatic products; in the later stage of cultivation, zero pollution discharge of the tail water of cultivation is realized during pond drying, the hidden danger that the tail water of the shrimp and crab cultivation pond is discharged and the external environment is possibly polluted is eliminated, and for the cultivation pond, the bottom water rich in nutrient substances such as nitrogen and phosphorus can be used as a nutrient source for producing cultivation water and planting grass in the next season after the bottom water is treated in the pond, so that the waste is changed into valuable, and the effect of killing two birds with one stone is achieved.
The foregoing is only a preferred embodiment of the present invention, and it should be noted that, for those skilled in the art, a plurality of modifications and variations can be made without departing from the technical principle of the present invention, and these modifications and variations should also be considered as the protection scope of the present invention.

Claims (9)

1.一种池塘内循环养殖尾水零污染排放系统,其特征在于:包括至少一个养殖池塘,所述养殖池塘包括净化区域和养殖区域,所述净化区域与养殖区域之间通过过水涵管联通形成循环微流水;所述养殖区域内设置有弧形池埂内埂,并分隔设置养殖区域为第一养殖区域、第二养殖区域。1. a zero-pollution discharge system for circulating culturing tail water in a pond, is characterized in that: comprise at least one cultivating pond, and described cultivating pond comprises purification area and cultivating area, and between described purifying area and cultivating area, communicate through water culvert pipe Circulating micro-flow water is formed; an arc-shaped pond ridge is arranged in the cultivating area, and the cultivating area is separated into a first cultivating area and a second cultivating area. 2.根据权利要求1所述的一种池塘内循环养殖尾水零污染排放系统,其特征在于:所述养殖池塘的外围设置有外围池埂,该外围池埂上设置有防逃装置。2 . The zero-pollution discharge system for circulating culture tail water in a pond according to claim 1 , wherein: the periphery of the culture pond is provided with a peripheral pool ridge, and an anti-escape device is provided on the peripheral pool ridge. 3 . 3.根据权利要求1所述的一种池塘内循环养殖尾水零污染排放系统,其特征在于:所述净化区域的面积为养殖区域的25~30%。3 . The zero-pollution discharge system for circulating culture tail water in a pond according to claim 1 , wherein the area of the purification area is 25-30% of the culture area. 4 . 4.根据权利要求1所述的一种池塘内循环养殖尾水零污染排放系统,其特征在于:所述净化区域与养殖区域之间通过新建池埂分隔设置,所述过水涵管安装于新建池埂的前后两端。4. The zero-pollution discharge system for circulating culture tail water in a pond according to claim 1, characterized in that: the purification area and the culture area are separated by a new pond ridge, and the water-passing culvert is installed in the newly built pond. The front and rear ends of the pool ridge. 5.根据权利要求1所述的一种池塘内循环养殖尾水零污染排放系统,其特征在于:所述过水涵管的直径为10~20cm,并设置有水泵;所述过水涵管的一进出水端设置于净化区域内,另一进出水端设置于养殖区域内。5. The zero-pollution discharge system for circulating culture tail water in a pond according to claim 1, characterized in that: the diameter of the water-passing culvert pipe is 10-20 cm, and a water pump is provided; The water inlet and outlet ends are arranged in the purification area, and the other water inlet and outlet ends are arranged in the breeding area. 6.根据权利要求1所述的一种池塘内循环养殖尾水零污染排放系统,其特征在于:所述弧形池埂内埂为“S”形池埂内埂。6. The zero-pollution discharge system for circulating culture tail water in a pond according to claim 1, characterized in that: the inner ridge of the arc-shaped pond ridge is the inner ridge of the "S"-shaped pond ridge. 7.根据权利要求1所述的一种池塘内循环养殖尾水零污染排放系统,其特征在于:所述第一养殖区域、第二养殖区域的面积比为1:1~1.2。7 . The zero-pollution discharge system for circulating aquaculture tail water in a pond according to claim 1 , wherein the area ratio of the first aquaculture area and the second aquaculture area is 1:1 to 1.2. 8 . 8.根据权利要求6所述的一种池塘内循环养殖尾水零污染排放系统,其特征在于:所述弧形池埂内埂包含至少一个弧形低埂和弧形高埂,所述弧形低埂设置于弧形高埂的端部,长度为5~10m,距离养殖池塘池底的高度为50~60cm;所述弧形高埂的高度比弧形低埂高20~30cm。8. The zero-pollution discharge system for circulating culture tail water in a pond according to claim 6, characterized in that: the inner ridge of the arc-shaped pond ridge comprises at least one arc-shaped low ridge and an arc-shaped high ridge, and the arc The low-shaped ridge is arranged at the end of the arc-shaped high ridge, with a length of 5-10 m and a height of 50-60 cm from the bottom of the culture pond; the height of the arc-shaped high ridge is 20-30 cm higher than the arc-shaped low ridge. 9.根据权利要求8所述的一种池塘内循环养殖尾水零污染排放系统,其特征在于:所述弧形池埂内埂由两个弧形低埂和一个弧形高埂组成,所述弧形低埂分为前后两段,所述弧形高埂位于两个弧形低埂之间;所述“S”形池埂内埂的坡比均为1:2~3,顶宽1~3米。9. The zero-pollution discharge system for circulating culture tail water in a pond according to claim 8, characterized in that: the inner ridge of the arc-shaped pond ridge is composed of two arc-shaped low ridges and an arc-shaped high ridge. The arc-shaped low ridge is divided into front and rear sections, and the arc-shaped high ridge is located between the two arc-shaped low ridges; 1 to 3 meters.
CN202120478781.0U 2021-03-05 2021-03-05 A zero-pollution discharge system for circulating aquaculture tail water in a pond Active CN214508841U (en)

Priority Applications (1)

Application Number Priority Date Filing Date Title
CN202120478781.0U CN214508841U (en) 2021-03-05 2021-03-05 A zero-pollution discharge system for circulating aquaculture tail water in a pond

Applications Claiming Priority (1)

Application Number Priority Date Filing Date Title
CN202120478781.0U CN214508841U (en) 2021-03-05 2021-03-05 A zero-pollution discharge system for circulating aquaculture tail water in a pond

Publications (1)

Publication Number Publication Date
CN214508841U true CN214508841U (en) 2021-10-29

Family

ID=78259830

Family Applications (1)

Application Number Title Priority Date Filing Date
CN202120478781.0U Active CN214508841U (en) 2021-03-05 2021-03-05 A zero-pollution discharge system for circulating aquaculture tail water in a pond

Country Status (1)

Country Link
CN (1) CN214508841U (en)

Cited By (1)

* Cited by examiner, † Cited by third party
Publication number Priority date Publication date Assignee Title
CN112825811A (en) * 2021-03-05 2021-05-25 苏州市水产技术推广站 A zero-pollution discharge system for circulating aquaculture tail water in a pond and its construction method

Cited By (1)

* Cited by examiner, † Cited by third party
Publication number Priority date Publication date Assignee Title
CN112825811A (en) * 2021-03-05 2021-05-25 苏州市水产技术推广站 A zero-pollution discharge system for circulating aquaculture tail water in a pond and its construction method

Similar Documents

Publication Publication Date Title
CN108967084B (en) A rice-fish symbiosis-aquaculture coupling compound planting system and breeding method
CN101120661B (en) Ecological fishery cultivating device based on composite vertical current artificial wet land
CN104255632B (en) The intelligent organic prawn ecology rearing device of totally-enclosed full impregnated light
CN108967085B (en) Rice field-south america white shrimp dystopy ecological breeding system
CN109757322B (en) A rice-fish-shrimp cycle breeding system and a rice-fish-shrimp breeding method
CN209594550U (en) Functional layout structure of pond industrialized breeding water area
CN111248128B (en) External circulation freshwater shrimp breeding method
CN106889002A (en) A kind of box breeding consubstantiality ecologic breeding floating bed
CN103070113A (en) Method for combining soilless culture of strawberry with high-density aquiculture of snakehead
CN104855327B (en) Ecological circulating water aquaculture system for loaches
CN203748454U (en) Ecological high-efficiency circulation running water fish culture system wide in application
CN205233182U (en) Crab shrimpfish circulation farming systems
CN204762866U (en) Self -purification formula circulating water culture of chinese mitten crab system
CN211558494U (en) Ecological compound cultivation system of fishing rice interaction
CN102499133A (en) Polyculture system and polyculture method of fish and mussel in fresh water pond
CN214508841U (en) A zero-pollution discharge system for circulating aquaculture tail water in a pond
CN104542426B (en) A kind of greenhouse cultivates Penaeus Vannmei water circulation Application way
CN110089483A (en) Fish culture in running water slot, shrimp, crab tandem circulation water cultivating system and cultural method
CN206559930U (en) A kind of box breeding consubstantiality ecologic breeding floating bed
CN105557612B (en) Crab shrimpfish recirculation system
CN210094213U (en) Rice, fishing and shrimp circulating planting and breeding system
CN102696514A (en) Ecological fish culture and biological water purification integrated breeding system and method
CN208545259U (en) A pollution-free breeding system
CN112825811A (en) A zero-pollution discharge system for circulating aquaculture tail water in a pond and its construction method
CN212852206U (en) Device for optimizing water tank cultivation by micro-nano bubble water

Legal Events

Date Code Title Description
GR01 Patent grant
GR01 Patent grant