CN214456338U - 一种新型防脱落的建筑施工用物料起吊装置 - Google Patents
一种新型防脱落的建筑施工用物料起吊装置 Download PDFInfo
- Publication number
- CN214456338U CN214456338U CN202120414372.4U CN202120414372U CN214456338U CN 214456338 U CN214456338 U CN 214456338U CN 202120414372 U CN202120414372 U CN 202120414372U CN 214456338 U CN214456338 U CN 214456338U
- Authority
- CN
- China
- Prior art keywords
- supporting
- bridge
- conveying
- crane
- wheel
- Prior art date
- Legal status (The legal status is an assumption and is not a legal conclusion. Google has not performed a legal analysis and makes no representation as to the accuracy of the status listed.)
- Active
Links
- 239000000463 material Substances 0.000 title claims abstract description 39
- 238000010276 construction Methods 0.000 title claims abstract description 21
- 238000009435 building construction Methods 0.000 claims abstract description 11
- XEEYBQQBJWHFJM-UHFFFAOYSA-N Iron Chemical compound [Fe] XEEYBQQBJWHFJM-UHFFFAOYSA-N 0.000 claims description 8
- 229910052742 iron Inorganic materials 0.000 claims description 4
- 239000003973 paint Substances 0.000 claims description 4
- 238000004804 winding Methods 0.000 claims description 4
- 230000005540 biological transmission Effects 0.000 description 6
- 238000005096 rolling process Methods 0.000 description 2
- 230000004075 alteration Effects 0.000 description 1
- 230000009286 beneficial effect Effects 0.000 description 1
- 239000004566 building material Substances 0.000 description 1
- 239000011248 coating agent Substances 0.000 description 1
- 238000000576 coating method Methods 0.000 description 1
- JEIPFZHSYJVQDO-UHFFFAOYSA-N iron(III) oxide Inorganic materials O=[Fe]O[Fe]=O JEIPFZHSYJVQDO-UHFFFAOYSA-N 0.000 description 1
- 238000003754 machining Methods 0.000 description 1
- 238000004519 manufacturing process Methods 0.000 description 1
- 238000012986 modification Methods 0.000 description 1
- 230000004048 modification Effects 0.000 description 1
- 239000007858 starting material Substances 0.000 description 1
- 238000006467 substitution reaction Methods 0.000 description 1
- 239000002023 wood Substances 0.000 description 1
Images
Landscapes
- Carriers, Traveling Bodies, And Overhead Traveling Cranes (AREA)
Abstract
本实用新型公开一种新型防脱落的建筑施工用物料起吊装置,包括支撑立柱和支撑板,所述支撑立柱的上端安装有支撑板,所述支撑板的上端设置有支撑桥架,所述支撑桥架的内部设置有线轮,所述支撑桥架的后侧设置有电机,所述支撑桥架的左侧外部设置有吊机桥架,所述吊机桥架的上侧设置有移动收拉装置,所述移动收拉装置包括滑轮、U型连接块、传送带、固定支架、传送盒、传送轮和摇动杆,所述传送盒的内部设置有传送带,建筑工人通过转动摇动杆逆向旋转,带动右侧的传动轮进行旋转,传动带带动下端的U型连接连接块和滑轮向右侧进行运动,将吊取的物料运送到吊机桥架的右侧,从而便于建筑工人接取到起吊的物料。
Description
技术领域
本实用新型属于建筑行业相关技术领域,具体涉及一种新型防脱落的建筑施工用物料起吊装置。
背景技术
起吊装置又称吊运机、小型吊运机、便携式吊运机。是一种性能优良、应用极为广泛的小型机械设备。适用于高层建筑的吊运作业,诸如各种建筑材料,各种装潢材料的吊运,特别是对楼道不便搬运的木板、木工板等长宽材料更具有其独特的优势。同时,也可用于机械加工车间大工件上下机床,家电厂,食品厂的生产装配线,仓库以及家庭吊运物品等方面。
现有的物料起吊装置技术存在以下问题:现有的小型吊机能够帮助建筑工人完成材料的高度的运输,小型吊机在吊取重物时,吊机滑轮位于吊机桥架的左侧前端,建筑工人位于吊机桥架的右侧后端,从而导致建筑工人不易接取物料。
实用新型内容
本实用新型的目的在于提供一种新型防脱落的建筑施工用物料起吊装置,以解决上述背景技术中提出的小型吊机在吊取重物时,吊机滑轮位于吊机桥架的左侧前端,建筑工人位于吊机桥架的右侧后端,从而导致建筑工人不易接取物料问题。
为实现上述目的,本实用新型提供如下技术方案:一种新型防脱落的建筑施工用物料起吊装置,包括支撑立柱和支撑板,所述支撑立柱的上端安装有支撑板,所述支撑板的上端设置有支撑桥架,所述支撑桥架的内部设置有线轮,所述支撑桥架的后侧设置有电机,所述支撑桥架的左侧外部设置有吊机桥架,所述吊机桥架的上侧设置有移动收拉装置,所述移动收拉装置包括滑轮、U型连接块、传送带、固定支架、传送盒、传送轮和摇动杆,所述传送盒的内部设置有传送带,所述传送带的左右两侧内部均设置有传送轮,所述传送带的下侧设置有U型连接块,所述U型连接块的下侧设置有滑轮,所述吊机桥架靠近右端前侧外部设置有固定支架,所述固定支架的内部设置有摇动杆,所述线轮的外部缠绕有吊机绳索,所述吊机绳索的左侧下端设置有吊钩。
优选的,所述支撑立柱、支撑板、支撑桥架和吊机桥架均由铁材质支撑,所述支撑立柱、支撑板、支撑桥架和吊机桥架的外部涂覆有防腐、防锈的油漆。
优选的,所述传送盒和两个传送轮通过螺栓进行连接,所述传送盒和吊机桥架通过螺丝进行固定连接。
优选的,所述摇动杆和传送带通过右侧的传送轮进行连接,所述传送带跟随摇动杆的旋转而运动,所述传送带和U型连接块通过螺丝进行固定连接,所述U型连接块和滑轮通过转轴进行连接。
优选的,所述滑轮和线轮通过吊机绳索进行连接,所述线轮跟随电机的正反旋转做收线、放线圆周运动。
优选的,所述摇动杆的外壁和传送轮的内壁完全贴合,所述摇动杆可以在传送轮的内部前后方向进行移动。
与现有技术相比,本实用新型提供了一种新型防脱落的建筑施工用物料起吊装置,具备以下有益效果:
本实用新型在防脱落的建筑施工用物料起吊装置的的外部增加了移动收拉装置,移动收拉装置包括滑轮、U型连接块、传送带、固定支架、传送盒、传送轮和摇动杆,底层的建筑工人将物料放置在吊钩上,高层的建筑工人通过启动电机带动线轮将吊机绳索进行收卷,收卷的吊机绳索通过吊钩将物料带到高处,然后取下固定支架和摇动杆固定的螺栓,建筑工人通过转动摇动杆逆向旋转,带动右侧的传动轮进行旋转,传动带带动下端的U型连接连接块和滑轮向右侧进行运动,将吊取的物料运送到吊机桥架的右侧,从而便于建筑工人接取到起吊的物料。
附图说明
附图用来提供对本实用新型的进一步理解,并且构成说明书的一部分,与本实用新型的实施例一起用于解释本实用新型,并不构成对本实用新型的限制,在附图中:
图1为本实用新型提出的一种新型防脱落的建筑施工用物料起吊装置结构示意图;
图2为本实用新型提出的一种新型防脱落的建筑施工用物料起吊装置剖视结构示意图;
图3为本实用新型提出的一种新型防脱落的建筑施工用物料起吊装置侧面结构示意图;
图4为本实用新型提出的一种新型防脱落的建筑施工用物料起吊装置部分结构示意图;
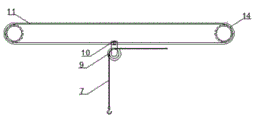
图中:1、支撑立柱;2、支撑板;3、线轮;4、支撑桥架;5、移动收拉装置;6、吊机桥架;7、吊机绳索;8、吊钩;9、滑轮;10、U型连接块;11、传送带;12、固定支架;13、传送盒;14、传送轮;15、摇动杆;16、电机。
具体实施方式
下面将结合本实用新型实施例中的附图,对本实用新型实施例中的技术方案进行清楚、完整地描述,显然,所描述的实施例仅仅是本实用新型一部分实施例,而不是全部的实施例。基于本实用新型中的实施例,本领域普通技术人员在没有做出创造性劳动前提下所获得的所有其他实施例,都属于本实用新型保护的范围。
请参阅图1-4,本实用新型提供一种技术方案:一种新型防脱落的建筑施工用物料起吊装置,包括支撑立柱1和支撑板2,支撑立柱1的上端安装有支撑板2,支撑板2的上端设置有支撑桥架4,支撑桥架4的内部设置有线轮3,支撑桥架4的后侧设置有电机16,支撑桥架4的左侧外部设置有吊机桥架6,支撑立柱1、支撑板2、支撑桥架4和吊机桥架6均由铁材质支撑,支撑立柱1、支撑板2、支撑桥架4和吊机桥架6的外部涂覆有防腐、防锈的油漆,铁材质的小型吊机承重强度更强,涂覆油漆的的小型吊机使用寿命更长,吊机桥架6的上侧设置有移动收拉装置5,移动收拉装置5包括滑轮9、U型连接块10、传送带11、固定支架12、传送盒13、传送轮14和摇动杆15,传送盒13的内部设置有传送带11,摇动杆15和传送带11通过右侧的传送轮14进行连接,传送带11跟随摇动杆15的旋转而运动,传送带11和U型连接块10通过螺丝进行固定连接,U型连接块10和滑轮9通过转轴进行连接,传送带11的左右两侧内部均设置有传送轮14,传送盒13和两个传送轮14通过螺栓进行连接,传送盒13和吊机桥架6通过螺丝进行固定连接,使用螺栓连接的传送盒13和传送轮14便于安装和拆卸,传送带11的下侧设置有U型连接块10,U型连接块10的下侧设置有滑轮9,吊机桥架6靠近右端前侧外部设置有固定支架12,固定支架12的内部设置有摇动杆15,摇动杆15的外壁和传送轮14的内壁完全贴合,摇动杆15可以在传送轮14的内部前后方向进行移动,线轮3的外部缠绕有吊机绳索7,滑轮9和线轮3通过吊机绳索7进行连接,线轮3跟随电机16的正反旋转做收线、放线圆周运动,吊机绳索7的左侧下端设置有吊钩8。
本实用新型的工作原理及使用流程:本实用新型安装好过后,先将两个传送轮14放置在传送带11的左右两侧内部,将滑轮9和U型连接块10使用转轴进行连接,再将U型连接块10安装在传送带11的下端,然后在使用螺栓将两个传送轮14和传送盒13进行连接,然后将传送盒13安装在吊机桥架6的上端,将吊机绳索7缠绕在线轮3的外部,把吊机绳索7的一端穿过滑轮9,然后和吊钩8进行连接,将支撑立柱1使用螺丝固定在建筑地面后,通过电机16放卷线轮3将吊钩8放入底端,底端的建筑工人将物料放置在吊钩8处后,高层的建筑工人通过电机16旋转带动线轮3进行旋转,完成吊机绳索7的收卷工作,将物料吊到高处后,建筑工人通过摇动杆15转动传送轮14,将远处的物料运送到近处,从而便于建筑工人接取物料。
尽管已经示出和描述了本实用新型的实施例,对于本领域的普通技术人员而言,可以理解在不脱离本实用新型的原理和精神的情况下可以对这些实施例进行多种变化、修改、替换和变型,本实用新型的范围由所附权利要求及其等同物限定。
Claims (6)
1.一种新型防脱落的建筑施工用物料起吊装置,包括支撑立柱(1)和支撑板(2),其特征在于:所述支撑立柱(1)的上端安装有支撑板(2),所述支撑板(2)的上端设置有支撑桥架(4),所述支撑桥架(4)的内部设置有线轮(3),所述支撑桥架(4)的后侧设置有电机(16),所述支撑桥架(4)的左侧外部设置有吊机桥架(6),所述吊机桥架(6)的上侧设置有移动收拉装置(5),所述移动收拉装置(5)包括滑轮(9)、U型连接块(10)、传送带(11)、固定支架(12)、传送盒(13)、传送轮(14)和摇动杆(15),所述传送盒(13)的内部设置有传送带(11),所述传送带(11)的左右两侧内部均设置有传送轮(14),所述传送带(11)的下侧设置有U型连接块(10),所述U型连接块(10)的下侧设置有滑轮(9),所述吊机桥架(6)靠近右端前侧外部设置有固定支架(12),所述固定支架(12)的内部设置有摇动杆(15),所述线轮(3)的外部缠绕有吊机绳索(7),所述吊机绳索(7)的左侧下端设置有吊钩(8)。
2.根据权利要求1所述的一种新型防脱落的建筑施工用物料起吊装置,其特征在于:所述支撑立柱(1)、支撑板(2)、支撑桥架(4)和吊机桥架(6)均由铁材质支撑,所述支撑立柱(1)、支撑板(2)、支撑桥架(4)和吊机桥架(6)的外部涂覆有防腐、防锈的油漆。
3.根据权利要求1所述的一种新型防脱落的建筑施工用物料起吊装置,其特征在于:所述传送盒(13)和两个传送轮(14)通过螺栓进行连接,所述传送盒(13)和吊机桥架(6)通过螺丝进行固定连接。
4.根据权利要求1所述的一种新型防脱落的建筑施工用物料起吊装置,其特征在于:所述摇动杆(15)和传送带(11)通过右侧的传送轮(14)进行连接,所述传送带(11)跟随摇动杆(15)的旋转而运动,所述传送带(11)和U型连接块(10)通过螺丝进行固定连接,所述U型连接块(10)和滑轮(9)通过转轴进行连接。
5.根据权利要求1所述的一种新型防脱落的建筑施工用物料起吊装置,其特征在于:所述滑轮(9)和线轮(3)通过吊机绳索(7)进行连接,所述线轮(3)跟随电机(16)的正反旋转做收线、放线圆周运动。
6.根据权利要求1所述的一种新型防脱落的建筑施工用物料起吊装置,其特征在于:所述摇动杆(15)的外壁和传送轮(14)的内壁完全贴合,所述摇动杆(15)可以在传送轮(14)的内部前后方向进行移动。
Priority Applications (1)
| Application Number | Priority Date | Filing Date | Title |
|---|---|---|---|
| CN202120414372.4U CN214456338U (zh) | 2021-02-25 | 2021-02-25 | 一种新型防脱落的建筑施工用物料起吊装置 |
Applications Claiming Priority (1)
| Application Number | Priority Date | Filing Date | Title |
|---|---|---|---|
| CN202120414372.4U CN214456338U (zh) | 2021-02-25 | 2021-02-25 | 一种新型防脱落的建筑施工用物料起吊装置 |
Publications (1)
| Publication Number | Publication Date |
|---|---|
| CN214456338U true CN214456338U (zh) | 2021-10-22 |
Family
ID=78145806
Family Applications (1)
| Application Number | Title | Priority Date | Filing Date |
|---|---|---|---|
| CN202120414372.4U Active CN214456338U (zh) | 2021-02-25 | 2021-02-25 | 一种新型防脱落的建筑施工用物料起吊装置 |
Country Status (1)
| Country | Link |
|---|---|
| CN (1) | CN214456338U (zh) |
-
2021
- 2021-02-25 CN CN202120414372.4U patent/CN214456338U/zh active Active
Similar Documents
| Publication | Publication Date | Title |
|---|---|---|
| CN207243378U (zh) | 预制装配式超高超重内外墙板安装装置 | |
| CN105621301A (zh) | 吊篮排绳收绳机构 | |
| CN206634962U (zh) | 一种可移动简易吊装设备 | |
| CN214456338U (zh) | 一种新型防脱落的建筑施工用物料起吊装置 | |
| CN207497964U (zh) | 一种带有钢丝绳的吊起设备 | |
| CN206395761U (zh) | 一种用于小型建筑的起重吊车 | |
| CN218371504U (zh) | 一种玻璃生产用提升装置 | |
| CN215798047U (zh) | 一种磨辊专用起重机 | |
| CN216005066U (zh) | 一种裤装三通复合板吊装装置 | |
| CN210764022U (zh) | 一种承重轻龙骨安装用吊运装置 | |
| CN209098065U (zh) | 一种具有安装板导轮结构的吊机 | |
| CN219469423U (zh) | 一种叉车门架生产用吊运工装 | |
| CN210214621U (zh) | 一种铁路车辆车轮吊具 | |
| CN220502498U (zh) | 一种铝合金装饰件吊装机构 | |
| CN210418996U (zh) | 一种双梁桥式起重机 | |
| CN207002054U (zh) | 一种电动滑动式吊运机 | |
| CN201236119Y (zh) | 移动式吊运机 | |
| CN113086861A (zh) | 一种悬臂起重机 | |
| CN216583958U (zh) | 一种轻型材料吊运装置 | |
| CN216005049U (zh) | 一种新型的电动葫芦双梁起重机 | |
| CN206172831U (zh) | 一种带c型槽悬臂梁和小车链条驱动的起重机 | |
| CN218539030U (zh) | 一种廻转式低矮房屋群空中材料输送机 | |
| CN219384460U (zh) | 一种板材吊运装置 | |
| CN219217354U (zh) | 一种新型建筑施工用物料起吊装置 | |
| CN210029859U (zh) | 一种建筑工程施工用吊料装置 |
Legal Events
| Date | Code | Title | Description |
|---|---|---|---|
| GR01 | Patent grant | ||
| GR01 | Patent grant |