CN214447160U - 一种耐火材料加工用压力机 - Google Patents
一种耐火材料加工用压力机 Download PDFInfo
- Publication number
- CN214447160U CN214447160U CN202023269246.9U CN202023269246U CN214447160U CN 214447160 U CN214447160 U CN 214447160U CN 202023269246 U CN202023269246 U CN 202023269246U CN 214447160 U CN214447160 U CN 214447160U
- Authority
- CN
- China
- Prior art keywords
- fixedly connected
- hydraulic oil
- groups
- refractory material
- plate
- Prior art date
- Legal status (The legal status is an assumption and is not a legal conclusion. Google has not performed a legal analysis and makes no representation as to the accuracy of the status listed.)
- Expired - Fee Related
Links
- 239000011819 refractory material Substances 0.000 claims abstract description 30
- 239000010720 hydraulic oil Substances 0.000 claims description 59
- 239000003921 oil Substances 0.000 claims description 36
- 238000009434 installation Methods 0.000 claims description 4
- 230000009286 beneficial effect Effects 0.000 abstract description 3
- 238000004519 manufacturing process Methods 0.000 abstract description 2
- 238000000465 moulding Methods 0.000 abstract 1
- 238000007493 shaping process Methods 0.000 description 21
- 239000002184 metal Substances 0.000 description 3
- 238000002360 preparation method Methods 0.000 description 2
- 230000006978 adaptation Effects 0.000 description 1
- 238000005452 bending Methods 0.000 description 1
- 238000005520 cutting process Methods 0.000 description 1
- 238000001125 extrusion Methods 0.000 description 1
- 230000002349 favourable effect Effects 0.000 description 1
- 238000000034 method Methods 0.000 description 1
- 230000001681 protective effect Effects 0.000 description 1
- 238000004080 punching Methods 0.000 description 1
Images
Landscapes
- Press-Shaping Or Shaping Using Conveyers (AREA)
Abstract
本实用新型涉及压力机技术领域,具体为一种耐火材料加工用压力机,包括操作台、伺服电机、液压油泵、换向阀、液压油缸和控制器,所述操作台底端固连有支撑脚,所述操作台上端中部开设有两组凹槽一和一组凹槽二,且凹槽一置于所述凹槽二两侧,所述凹槽二内部卡设有成型下模,所述两组凹槽一内部分别活动连接有滑轮,且两组滑轮分别固连在两组支撑板底端,所述两组支撑板上端固连有安装顶板。本实用新型耐火材料加工用压力机设有移动装置,有利于移动液压用的成型上模位置,便于在成型下模上端放置和收取耐火材料,通过通过液压功能,有利于自动液压成型耐火材料,并且便于灵活更换成型下模适应各种形状制作。
Description
技术领域
本实用新型涉及压力机技术领域,具体为一种耐火材料加工用压力机。
背景技术
压力机是一种结构精巧的通用性压力机。具有用途广泛,生产效率高等特点,压力机可广泛应用于切断、冲孔、落料、弯曲、铆合和成形等工艺。通过对金属坯件施加强大的压力使金属发生塑性变形和断裂来加工成零件。机械压力机工作时由电动机通过三角皮带驱动大皮带轮,经过齿轮副和离合器带动曲柄滑块机构,使滑块和凸模直线下行。
现有的耐火材料加工用压力机不能移动液压用的成型上模位置,不便在成型下模上放置和收取耐火材料,且不便自动液压成型,不便更换成型下模,适应各种形状制作,因此亟需一种耐火材料加工用压力机来解决上述问题。
实用新型内容
本实用新型的目的在于提供一种耐火材料加工用压力机,以解决上述背景技术不能移动液压用的成型上模位置和不便自动液压成型的问题。
为实现上述目的,本实用新型提供如下技术方案:一种耐火材料加工用压力机,包括操作台、伺服电机、液压油泵、换向阀、液压油缸和控制器,所述操作台底端固连有支撑脚,所述操作台上端中部开设有两组凹槽一和一组凹槽二,且凹槽一置于所述凹槽二两侧,所述凹槽二内部卡设有成型下模,所述两组凹槽一内部分别活动连接有滑轮,且两组滑轮分别固连在两组支撑板底端,所述两组支撑板上端固连有安装顶板,所述支撑板右侧固连有固定板,且固定板上端设置有伺服电机,所述伺服电机转轴连接有齿盘,且齿盘齿接有齿条,所述齿条固连在立板上端,且立板固连在操作台上端右方,所述操作台上端左方固连有保护箱,且保护箱内部底端固连有液压油箱,所述液压油箱通过输油管一连接有液压油泵一端,所述液压油泵另一端连接有输油管二一端,且输油管二另一端连接在液压油缸上,所述液压油箱上端右侧连接有输油管三一端,且输油管三另一端连接在液压油缸上,所述液压油缸固连在安装顶板底端,所述液压油缸底端固连有活塞杆,且活塞杆底端固连有升降板,所述升降板两端活动连接在滑槽内,且两组滑槽分别开设在两组支撑板一侧上,所述升降板底端固连有连杆一端,且连杆另一端底部固连有成型上模。
优选的,所述支撑脚设置有四组,且四组支撑脚分别固连在操作台底端四个直角拐上,所述支撑脚底端呈圆锥形设置。
优选的,所述凹槽一、滑轮和支撑板都设置有两组,且两组凹槽一、滑轮和支撑板关于操作台中轴线对称设置。
优选的,所述输油管二直径大小等于输油管三直径大小,所述输油管二和输油管三共同设置有换向阀。
优选的,所述安装顶板和升降板平行设置,所述连杆设置有两组,且两组连杆关于成型上模中轴线对称。
优选的,所述成型下模上端正对有成型上模,所述成型下模和成型上模平行设置,且成型下模表面积大小等于成型上模表面积大小。
优选的,所述操作台前端中部固连有控制器,且控制器电性连接有伺服电机、液压油泵、换向阀和液压油缸。
与现有技术相比,本实用新型的有益效果是:
1.该装置设有移动装置,先通过控制器操控伺服电机转动,伺服电机通过齿盘、齿条和立板给予支撑板向后作用力,支撑板通过凹槽一和滑轮向后移动,然后使成型上模离开成型下模上方,将耐火材料放在成型下模上,最后再次通过控制器操作伺服电机转动使成型上模回到成型下模上方,这样设置有利于移动液压用的成型上模位置,便于在成型下模上端放置和收取耐火材料。
2.该装置通过液压功能,先通过控制器操控液压油泵进行正向工作,液压油缸在液压油泵正向作用力下通过液压油缸、活塞杆、升降板、滑槽和连杆带动成型上模下压,成型上模下压和成型下模挤压上端的耐火材料成型,最后通过控制器操控换向阀进行换向使液压油泵进行反向工作,液压油缸在液压油泵反向作用力下带动成型上模上升,便于取出成型耐火材料,这样设置有利于自动液压成型耐火材料,并且便于灵活更换成型下模适应各种形状制作。
附图说明
图1为本实用新型的结构正视示意图;
图2为本实用新型的结构正视剖面示意图;
图3为本实用新型的结构右视示意图;
图4为本实用新型的结构俯视示意图。
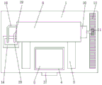
图中:1、操作台;2、支撑脚;3、凹槽一;4、凹槽二;5、成型下模; 6、滑轮;7、支撑板;8、安装顶板;9、固定板;10、伺服电机;11、齿盘; 12、齿条;13、立板;14、保护箱;15、液压油箱;16、输油管一;17、液压油泵;18、输油管二;19、输油管三;20、换向阀;21、液压油缸;22、活塞杆;23、升降板;24、滑槽;25、连杆;26、成型上模;27、控制器。
具体实施方式
下面将结合本实用新型实施例中的附图,对本实用新型实施例中的技术方案进行清楚、完整地描述,显然,所描述的实施例仅仅是本实用新型一部分实施例,而不是全部的实施例。基于本实用新型中的实施例,本领域普通技术人员在没有做出创造性劳动前提下所获得的所有其他实施例,都属于本实用新型保护的范围。
请参阅图1-4,本实用新型提供的一种实施例:一种耐火材料加工用压力机,包括操作台1、伺服电机10、液压油泵17、换向阀20、液压油缸21和控制器27,操作台1底端固连有支撑脚2,支撑脚2设置有四组,且四组支撑脚2分别固连在操作台1底端四个直角拐上,支撑脚2底端呈圆锥形设置,有利于为装置提供稳定支撑,维持装置液压进行工作时的平衡,操作台1上端中部开设有两组凹槽一3和一组凹槽二4,且凹槽一3置于凹槽二4两侧,凹槽二4内部卡设有成型下模5,两组凹槽一3内部分别活动连接有滑轮6,且两组滑轮6分别固连在两组支撑板7底端,两组支撑板7上端固连有安装顶板8,凹槽一3、滑轮6和支撑板7都设置有两组,且两组凹槽一3、滑轮 6和支撑板7关于操作台1中轴线对称设置,有利于前后移动液压装置,便于在成型下模5上放置和收取耐火材料,支撑板7右侧固连有固定板9,且固定板9上端设置有伺服电机10,该伺服电机10的型号为IHSS57-36-20,伺服电机10转轴连接有齿盘11,且齿盘11齿接有齿条12,齿条12固连在立板 13上端,且立板13固连在操作台1上端右方。
操作台1上端左方固连有保护箱14,且保护箱14内部底端固连有液压油箱15,液压油箱15通过输油管一16连接有液压油泵17一端,液压油泵17 另一端连接有输油管二18一端,且输油管二18另一端连接在液压油缸21上,液压油箱15上端右侧连接有输油管三19一端,且输油管三19另一端连接在液压油缸21上,输油管二18直径大小等于输油管三19直径大小,输油管二 18和输油管三19共同设置有换向阀20,有利于保证油液进出通畅,并且便于控制液压油缸21进行液压,液压油缸21固连在安装顶板8底端,液压油缸21底端固连有活塞杆22,且活塞杆22底端固连有升降板23,升降板23 两端活动连接在滑槽24内,且两组滑槽24分别开设在两组支撑板7一侧上,升降板23底端固连有连杆25一端,且连杆25另一端底部固连有成型上模26,安装顶板8和升降板23平行设置,连杆25设置有两组,且两组连杆25关于成型上模26中轴线对称,有利于维持装置水平平衡,防止移动时位置发生倾斜,成型下模5上端正对有成型上模26,成型下模5和成型上模26平行设置,且成型下模5表面积大小等于成型上模26表面积大小,有利于耐火材料液压成型,防止液压成型发生偏差,操作台1前端中部固连有控制器27,且控制器27电性连接有伺服电机10、液压油泵17、换向阀20和液压油缸21,该控制器27的型号为MAM-330,有利于控制各个装置,协同完成加工任务。
工作原理:根据附图1、附图2、附图3和附图4,当需要移动液压装置便于放置耐火材料时,因为操作台1底端固连有支撑脚2,操作台1上端中部开设有两组凹槽一3和一组凹槽二4,且凹槽一3置于凹槽二4两侧,凹槽二 4内部卡设有成型下模5,两组凹槽一3内部分别活动连接有滑轮6,且两组滑轮6分别固连在两组支撑板7底端,两组支撑板7上端固连有安装顶板8,支撑板7右侧固连有固定板9,且固定板9上端设置有伺服电机10,伺服电机10转轴连接有齿盘11,且齿盘11齿接有齿条12,齿条12固连在立板13 上端,且立板13固连在操作台1上端右方,操作台1前端中部固连有控制器 27,且控制器27电性连接有伺服电机10、液压油泵17、换向阀20和液压油缸21,所以先通过控制器27操控伺服电机10转动,伺服电机10通过齿盘 11、齿条12和立板13给予支撑板7向后作用力,支撑板7通过凹槽一3和滑轮6向后移动,然后使成型上模26离开成型下模5上方,将耐火材料放在成型下模5上,最后再次通过控制器27操作伺服电机10转动使成型上模26 回到成型下模5上方。
根据附图1、附图2、附图3和附图4,当需要对耐火材料进行液压成型,因为操作台1上端左方固连有保护箱14,且保护箱14内部底端固连有液压油箱15,液压油箱15通过输油管一16连接有液压油泵17一端,液压油泵17 另一端连接有输油管二18一端,且输油管二18另一端连接在液压油缸21上,液压油箱15上端右侧连接有输油管三19一端,且输油管三19另一端连接在液压油缸21上,液压油缸21固连在安装顶板8底端,液压油缸21底端固连有活塞杆22,且活塞杆22底端固连有升降板23,升降板23两端活动连接在滑槽24内,且滑槽24分别开设在两组支撑板7一侧上,升降板23底端固连有连杆25一端,且连杆25另一端底部固连有成型上模26,所以先通过控制器27操控液压油泵17进行正向工作,液压油缸21在液压油泵17正向作用力下通过液压油缸21、活塞杆22、升降板23、滑槽24和连杆25带动成型上模26下压,成型上模26下压和成型下模5挤压上端的耐火材料成型,最后通过控制器27操控换向阀20进行换向使液压油泵17进行反向工作,液压油缸21在液压油泵17反向作用力下带动成型上模26上升,便于取出成型耐火材料。
对于本领域技术人员而言,显然本实用新型不限于上述示范性实施例的细节,而且在不背离本实用新型的精神或基本特征的情况下,能够以其他的具体形式实现本实用新型。因此,无论从哪一点来看,均应将实施例看作是示范性的,而且是非限制性的,本实用新型的范围由所附权利要求而不是上述说明限定,因此旨在将落在权利要求的等同要件的含义和范围内的所有变化囊括在本实用新型内。不应将权利要求中的任何附图标记视为限制所涉及的权利要求。
Claims (7)
1.一种耐火材料加工用压力机,包括操作台(1)、伺服电机(10)、液压油泵(17)、换向阀(20)、液压油缸(21)和控制器(27),其特征在于:所述操作台(1)底端固连有支撑脚(2),所述操作台(1)上端中部开设有两组凹槽一(3)和一组凹槽二(4),且凹槽一(3)置于所述凹槽二(4)两侧,所述凹槽二(4)内部卡设有成型下模(5),所述两组凹槽一(3)内部分别活动连接有滑轮(6),且两组滑轮(6)分别固连在两组支撑板(7)底端,所述两组支撑板(7)上端固连有安装顶板(8),所述支撑板(7)右侧固连有固定板(9),且固定板(9)上端设置有伺服电机(10),所述伺服电机(10)转轴连接有齿盘(11),且齿盘(11)齿接有齿条(12),所述齿条(12)固连在立板(13)上端,且立板(13)固连在操作台(1)上端右方,所述操作台(1)上端左方固连有保护箱(14),且保护箱(14)内部底端固连有液压油箱(15),所述液压油箱(15)通过输油管一(16)连接有液压油泵(17)一端,所述液压油泵(17)另一端连接有输油管二(18)一端,且输油管二(18)另一端连接在液压油缸(21)上,所述液压油箱(15)上端右侧连接有输油管三(19)一端,且输油管三(19)另一端连接在液压油缸(21)上,所述液压油缸(21)固连在安装顶板(8)底端,所述液压油缸(21)底端固连有活塞杆(22),且活塞杆(22)底端固连有升降板(23),所述升降板(23)两端活动连接在滑槽(24))内,且两组滑槽(24)分别开设在两组支撑板(7)一侧上,所述升降板(23)底端固连有连杆(25)一端,且连杆(25)另一端底部固连有成型上模(26)。
2.根据权利要求1所述的一种耐火材料加工用压力机,其特征在于:所述支撑脚(2)设置有四组,且四组支撑脚(2)分别固连在操作台(1)底端四个直角拐上,所述支撑脚(2)底端呈圆锥形设置。
3.根据权利要求1所述的一种耐火材料加工用压力机,其特征在于:所述凹槽一(3)、滑轮(6)和支撑板(7)都设置有两组,且两组凹槽一(3)、滑轮(6)和支撑板(7)关于操作台(1)中轴线对称设置。
4.根据权利要求1所述的一种耐火材料加工用压力机,其特征在于:所述输油管二(18)直径大小等于输油管三(19)直径大小,所述输油管二(18)和输油管三(19)共同设置有换向阀(20)。
5.根据权利要求1所述的一种耐火材料加工用压力机,其特征在于:所述安装顶板(8)和升降板(23)平行设置,所述连杆(25)设置有两组,且两组连杆(25)关于成型上模(26)中轴线对称。
6.根据权利要求1所述的一种耐火材料加工用压力机,其特征在于:所述成型下模(5)上端正对有成型上模(26),所述成型下模(5)和成型上模(26)平行设置,且成型下模(5)表面积大小等于成型上模(26)表面积大小。
7.根据权利要求1所述的一种耐火材料加工用压力机,其特征在于:所述操作台(1)前端中部固连有控制器(27),且控制器(27)电性连接有伺服电机(10)、液压油泵(17)、换向阀(20)和液压油缸(21)。
Priority Applications (1)
| Application Number | Priority Date | Filing Date | Title |
|---|---|---|---|
| CN202023269246.9U CN214447160U (zh) | 2020-12-30 | 2020-12-30 | 一种耐火材料加工用压力机 |
Applications Claiming Priority (1)
| Application Number | Priority Date | Filing Date | Title |
|---|---|---|---|
| CN202023269246.9U CN214447160U (zh) | 2020-12-30 | 2020-12-30 | 一种耐火材料加工用压力机 |
Publications (1)
| Publication Number | Publication Date |
|---|---|
| CN214447160U true CN214447160U (zh) | 2021-10-22 |
Family
ID=78108861
Family Applications (1)
| Application Number | Title | Priority Date | Filing Date |
|---|---|---|---|
| CN202023269246.9U Expired - Fee Related CN214447160U (zh) | 2020-12-30 | 2020-12-30 | 一种耐火材料加工用压力机 |
Country Status (1)
| Country | Link |
|---|---|
| CN (1) | CN214447160U (zh) |
Cited By (1)
| Publication number | Priority date | Publication date | Assignee | Title |
|---|---|---|---|---|
| CN114536020A (zh) * | 2022-02-15 | 2022-05-27 | 大田县鹏威机械制造有限公司 | 一种消防器材铸件生产用飞边去除装置 |
-
2020
- 2020-12-30 CN CN202023269246.9U patent/CN214447160U/zh not_active Expired - Fee Related
Cited By (1)
| Publication number | Priority date | Publication date | Assignee | Title |
|---|---|---|---|---|
| CN114536020A (zh) * | 2022-02-15 | 2022-05-27 | 大田县鹏威机械制造有限公司 | 一种消防器材铸件生产用飞边去除装置 |
Similar Documents
| Publication | Publication Date | Title |
|---|---|---|
| CN105149429B (zh) | 大型偏摆落圆自动化生产线 | |
| CN214235796U (zh) | 一种同步上料的冲压机 | |
| CN213317114U (zh) | 一种换刀冲模 | |
| CN214447160U (zh) | 一种耐火材料加工用压力机 | |
| CN216400343U (zh) | 一种便于换模的注塑模具工作台 | |
| CN113351758B (zh) | 一种汽车零部件冲压模工件 | |
| CN115229508A (zh) | 一种高效冲压模 | |
| CN111618138B (zh) | 一种基于齿轮传动原理的五金板材折弯装置 | |
| CN211275989U (zh) | 一种折弯机的折弯机构 | |
| CN209886451U (zh) | 一种钣金件定位折弯装置 | |
| CN216461168U (zh) | 一种钣金件加工用冲压模具 | |
| CN109848263B (zh) | 汽车座椅u型头枕骨架折弯机 | |
| CN116871520B (zh) | 一种粉末冶金成型模具加工装置及工艺 | |
| CN217647332U (zh) | 一种钣金件冲压加工用上料机构 | |
| CN215998354U (zh) | 一种可快速定位的精密冲压模具 | |
| CN217573700U (zh) | 一种双工位换模装置 | |
| CN114433841A (zh) | 一种粉末冶金螺母成型用原胚成型设备 | |
| CN201483760U (zh) | 塑料片材压制杯机 | |
| CN113199376A (zh) | 一种异型管件全自动抛光设备 | |
| CN222021158U (zh) | 一种圆柱模具的钢夹紧推出装置 | |
| CN222999501U (zh) | 一种具有浮板导料装置的多工位级进模 | |
| CN215044057U (zh) | 一种双向无级变距机构及摆盘包装治具 | |
| CN221735228U (zh) | 一种热锻件模具的焊接工装设备 | |
| CN215143935U (zh) | 一种复杂精密模具的模胚预成型装置 | |
| CN119681128B (zh) | 弯曲度可调的冲压模具、冲压设备及其在休闲椅生产中应用 |
Legal Events
| Date | Code | Title | Description |
|---|---|---|---|
| GR01 | Patent grant | ||
| GR01 | Patent grant | ||
| TR01 | Transfer of patent right |
Effective date of registration: 20230216 Address after: Room 903, Unit 1, Building 7, No. 252, Wenxin Street, Hongshan District, Wuhan, Hubei Province, 430000 Patentee after: Huang Qingguang Address before: 430000 room e4-602, Nanhu Yayuan, Hongshan District, Wuhan City, Hubei Province Patentee before: Xu Zhiying |
|
| TR01 | Transfer of patent right | ||
| CF01 | Termination of patent right due to non-payment of annual fee |
Granted publication date: 20211022 |
|
| CF01 | Termination of patent right due to non-payment of annual fee |