CN214411955U - Multifunctional low-voltage cabinet device - Google Patents
Multifunctional low-voltage cabinet device Download PDFInfo
- Publication number
- CN214411955U CN214411955U CN202120490144.5U CN202120490144U CN214411955U CN 214411955 U CN214411955 U CN 214411955U CN 202120490144 U CN202120490144 U CN 202120490144U CN 214411955 U CN214411955 U CN 214411955U
- Authority
- CN
- China
- Prior art keywords
- cabinet body
- fixedly connected
- cabinet
- base
- blocks
- Prior art date
- Legal status (The legal status is an assumption and is not a legal conclusion. Google has not performed a legal analysis and makes no representation as to the accuracy of the status listed.)
- Expired - Fee Related
Links
- 238000005192 partition Methods 0.000 claims description 9
- 238000001816 cooling Methods 0.000 claims description 6
- 230000003139 buffering effect Effects 0.000 abstract description 8
- 230000006835 compression Effects 0.000 abstract description 8
- 238000007906 compression Methods 0.000 abstract description 8
- 238000013016 damping Methods 0.000 abstract 1
- 238000012423 maintenance Methods 0.000 description 9
- 238000000034 method Methods 0.000 description 8
- 230000035939 shock Effects 0.000 description 7
- 230000000694 effects Effects 0.000 description 5
- 230000008569 process Effects 0.000 description 4
- 230000005611 electricity Effects 0.000 description 3
- 230000017525 heat dissipation Effects 0.000 description 3
- 229910000831 Steel Inorganic materials 0.000 description 1
- 230000009471 action Effects 0.000 description 1
- 230000004075 alteration Effects 0.000 description 1
- 230000009286 beneficial effect Effects 0.000 description 1
- 230000008901 benefit Effects 0.000 description 1
- 238000009434 installation Methods 0.000 description 1
- 230000007246 mechanism Effects 0.000 description 1
- 238000005065 mining Methods 0.000 description 1
- 238000012986 modification Methods 0.000 description 1
- 230000004048 modification Effects 0.000 description 1
- 230000005855 radiation Effects 0.000 description 1
- 238000005096 rolling process Methods 0.000 description 1
- 239000010959 steel Substances 0.000 description 1
- 238000006467 substitution reaction Methods 0.000 description 1
- 239000004753 textile Substances 0.000 description 1
Images
Landscapes
- Patch Boards (AREA)
Abstract
The utility model discloses a multi-functional low-voltage cabinet device relates to low-voltage cabinet technical field. Comprises a cabinet body, side plates and a base, wherein the bottom of the cabinet body is movably connected with the base, the two sides of the cabinet body are movably connected with the side plates, the bottom center of the cabinet body is symmetrically and fixedly connected with two connecting blocks, the connecting blocks are movably connected with connecting rods through pin shafts, the base is in a U-shaped structure, the top of the base is symmetrically and fixedly connected with two fixed blocks, the fixed blocks are provided with first chutes, the first chutes are slidably connected with first sliding blocks, the first sliding blocks are movably connected with the connecting rods through pin shafts, the side walls of the first chutes are fixedly connected with springs, and the other ends of the springs are fixedly connected with the first sliding blocks, by arranging the connecting block, the fixed block, the connecting rod, the first sliding block, the first sliding chute, the spring and the buffer spring, when the cabinet body shakes, the connecting rod can drive the first sliding block to slide, the compression or extension spring is driven, and meanwhile, the cabinet body compresses or extends the buffer spring, so that the purpose of good damping and buffering effects is achieved.
Description
Technical Field
The utility model relates to a low-voltage cabinet technical field specifically is a multi-functional low-voltage cabinet device.
Background
The low-voltage cabinet is mainly used for opening and closing, controlling and protecting electric equipment in the process of generating electricity, transmitting electricity, distributing electricity and converting electric energy of an electric power system. The components in the low-voltage cabinet mainly comprise a circuit breaker, an isolating switch, a load switch, an operating mechanism, a mutual inductor, various protection devices and the like. The method is mainly suitable for various occasions such as power plants, transformer substations, petrochemical industry, metallurgical steel rolling, light industrial textile, industrial and mining enterprises, residential districts, high-rise buildings and the like.
The current low-voltage cabinet exists and does not carry out shock attenuation buffering processing to the cabinet body, leads to the cabinet body when moving the position or receiving external force vibrations, easily leads to its inside work component to damage, and current low-voltage cabinet is owing to can only open a cabinet door when overhauing, and the lateral wall of low-voltage cabinet both sides makes the maintenance and the maintenance of the internal portion components and parts of cabinet all receive the restriction, causes the maintainer can not exert the expansion completely, reduces maintenance efficiency. Therefore, a multifunctional low-voltage cabinet device is provided to solve the problems.
SUMMERY OF THE UTILITY MODEL
The utility model provides a multi-functional low-voltage cabinet device possesses that the shock attenuation buffering effect is good and convenient the maintenance advantage to solve the cabinet body and do not carry out the shock attenuation buffering and handle, easily receive the vibrations influence, it is little with maintainer maintenance space, problem that maintenance efficiency is not high.
For realizing that the shock attenuation buffering effect is good, and conveniently overhaul the purpose, the utility model provides a following technical scheme: a multifunctional low-voltage cabinet device comprises a cabinet body, side plates and a base, wherein the bottom of the cabinet body is movably connected with the base, the two sides of the cabinet body are movably connected with the side plates, the bottom center of the cabinet body is symmetrically and fixedly connected with two connecting blocks, the connecting blocks are movably connected with connecting rods through pin shafts, the base is of a U-shaped structure, the top of the base is symmetrically and fixedly connected with two fixed blocks, the fixed blocks are provided with first chutes, the first chutes are internally and slidably connected with first sliding blocks, the first sliding blocks are movably connected with the connecting rods through pin shafts, the side walls of the first chutes are fixedly connected with springs, the other ends of the springs are fixedly connected with the first sliding blocks, the bottom end of the cabinet body and the two sides of the cabinet body are of a U-shaped structure, the bottoms of the two sides of the cabinet body are both provided with first positioning holes, the bottom of the side plates is fixedly connected with first positioning pins, first location is located first locating hole slightly, the screw has all been seted up to one side and the both sides of the cabinet body that first location is slightly, first location is slightly through the first bolt threaded connection cabinet body, the second locating hole has all been seted up at the top both ends of the cabinet body, curb plate one side top fixedly connected with second location is slightly, the second location is slightly located the second locating hole, the top of curb plate and the top junction outside swing joint of the cabinet body have the fixed ear of L shape, the screw has all been seted up to one side that the second location is slightly kept away from at the both ends of the fixed ear of L shape, the top of the cabinet body, curb plate, the fixed ear of L shape passes through the second bolt threaded connection cabinet body and curb plate.
As a preferred technical scheme of the utility model, the inner chamber of the cabinet body is pressed close to bottom rigidity and is provided with ventilative baffle, ventilative baffle's bottom central point puts fixedly connected with radiator fan, dustproof louvre has been seted up to the below that the front portion surface of the cabinet body is located ventilative baffle, dustproof louvre has been seted up in the outside of curb plate.
As a preferred technical scheme of the utility model, the inner chamber top symmetry fixedly connected with of the cabinet body erects the mounting bracket, erect the ventilative baffle of bottom fixed connection of mounting bracket, first mounting hole has been seted up on the surface of erecting the mounting bracket, erect the mounting bracket and pass through third bolt threaded connection horizontal installation frame, third bolt threaded connection is in first mounting hole.
As a preferred technical scheme of the utility model, the second mounting hole has been seted up on the surface of horizontal mounting bracket, the top fixedly connected with ply-yarn drill of horizontal mounting bracket, horizontal mounting bracket passes through second mounting hole cooperation bolt threaded connection work component.
As a preferred technical scheme of the utility model, the second spout has all been seted up to the both sides of base, the stranded fixedly connected with second slider in both sides bottom of the cabinet body, second slider sliding connection is in the second spout, the symmetrical fixedly connected with buffer spring in base top, the bottom of the top fixed connection cabinet body of buffer spring.
As an optimized technical solution of the utility model, the following: the cabinet body has the cabinet door through hinge connection, the fixed surface of cabinet door is provided with the lock body, the inboard of cabinet door lies in the lock body top and has the work component through bolt threaded connection.
Compared with the prior art, the utility model provides a multi-functional low-voltage cabinet device possesses following beneficial effect:
1. this multi-functional low-voltage cabinet device through setting up connecting block, fixed block, connecting rod, first slider, first spout, spring and buffer spring, when the cabinet body shakes, can make the connecting rod drive first slider and slide, compression or extension spring, and cabinet body compression or extension buffer spring have reached the good purpose of shock attenuation buffering effect simultaneously.
2. This multi-functional low-voltage cabinet device, through setting up first locating hole, first location slightly, second locating hole and second location slightly, realize the connection location between curb plate and the cabinet body, the ear is fixed to the cooperation first bolt, second bolt and L shape of using simultaneously, realizes the threaded connection between curb plate and the cabinet body to reach the effect that convenient dismantlement was overhauld.
Drawings
Fig. 1 is a schematic structural view of the present invention;
FIG. 2 is a schematic view of the internal structure of the present invention;
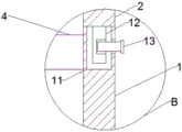
fig. 3 is an enlarged schematic view of the utility model at a;
fig. 4 is an enlarged schematic view of the utility model at the position B;
fig. 5 is an enlarged schematic view of the position C of the present invention.
In the figure: 1. a cabinet body; 2. a side plate; 3. a base; 4. a breathable partition; 5. connecting blocks; 6. a fixed block; 7. a first chute; 8. a connecting rod; 9. a first slider; 10. a spring; 11. a first positioning hole; 12. A first positioning pin; 13. a first bolt; 14. a second positioning hole; 15. a second positioning pin; 16. an L-shaped fixing lug; 17. a second bolt; 18. a heat radiation fan; 19. a vertical mounting rack; 20. a horizontal mounting rack; 21. A first mounting hole; 22. a third bolt; 23. a second mounting hole; 24. a line card; 25. a second chute; 26. a second slider; 27. a buffer spring; 28. a cabinet door; 29. and a lock body.
Detailed Description
The technical solutions in the embodiments of the present invention will be described clearly and completely with reference to the accompanying drawings in the embodiments of the present invention, and it is obvious that the described embodiments are only some embodiments of the present invention, not all embodiments. Based on the embodiments in the present invention, all other embodiments obtained by a person skilled in the art without creative work belong to the protection scope of the present invention.
Referring to fig. 1-5, the utility model discloses a multifunctional low-voltage cabinet device, which comprises a cabinet body 1, side plates 2 and a base 3, wherein the bottom of the cabinet body 1 is movably connected with the base 3, the two sides of the cabinet body 1 are movably connected with the side plates 2, the bottom center of the cabinet body 1 is symmetrically and fixedly connected with two connecting blocks 5, the connecting blocks 5 are movably connected with connecting rods 8 through pin shafts, the base 3 is in a U-shaped structure, the top of the base 3 is symmetrically and fixedly connected with two fixing blocks 6, the fixing blocks 6 are provided with first sliding grooves 7, the first sliding grooves 7 are slidably connected with first sliding blocks 9, the first sliding blocks 9 are movably connected with the connecting rods 8 through pin shafts, the side walls of the first sliding grooves are fixedly connected with springs 10, the other ends of the springs 10 are fixedly connected with the first sliding blocks 9, the bottom end of the cabinet body 1 and the two sides thereof are in a U-shaped structure, the bottom parts of the two sides of the cabinet body 1 are both provided with first positioning holes 11, the bottom parts of the side plates 2 are fixedly connected with first positioning pins 12, the first positioning pin 12 is positioned in the first positioning hole 11, screw holes are respectively arranged on one side of the first positioning pin 12 and two sides of the cabinet body 1, the first positioning pin 12 is in threaded connection with the cabinet body 1 through a first bolt 13, second positioning holes 14 are respectively formed at two ends of the top of the cabinet body 1, the top of one side of the side plate 2 is fixedly connected with a second positioning pin 15, the second positioning pin 15 is positioned in a second positioning hole 14, the outer side of the joint of the top of the side plate 2 and the top of the cabinet body 1 is movably connected with an L-shaped fixed lug 16, screw holes are formed in two ends of the L-shaped fixing lug 16, the top of the cabinet body 1 and one side, far away from the second positioning pin 15, of the side plate 2, and the L-shaped fixing lug 16 is in threaded connection with the cabinet body 1 and the side plate 2 through a second bolt 17.
Specifically, the inner chamber of the cabinet body 1 is provided with a ventilating partition plate 4 close to the bottom position, the bottom center position of the ventilating partition plate 4 is fixedly connected with a cooling fan 18, the front surface of the cabinet body 1 is located below the ventilating partition plate 4 and is provided with dustproof cooling holes, and the outer side of the side plate 2 is provided with dustproof cooling holes.
In this embodiment, the heat dissipation fan 18 is arranged to dissipate heat, and the dustproof heat dissipation holes are formed to circulate air in the cabinet 1 to assist in heat dissipation.
Specifically, the inner chamber top symmetry fixedly connected with of the cabinet body 1 erects mounting bracket 19, erect the bottom fixed connection breathable partition plate 4 of mounting bracket 19, first mounting hole 21 has been seted up on the surface of erecting mounting bracket 19, erect mounting bracket 19 and pass through horizontal mounting bracket 20 of third bolt 22 threaded connection, third bolt 22 threaded connection is in first mounting hole 21.
In this embodiment, the vertical mounting rack 19 is provided with a first mounting hole 21, and can be connected with the plurality of horizontal mounting racks 20 through a third bolt 22.
Specifically, a second mounting hole 23 is formed in the surface of the transverse mounting frame 20, a line clamp 24 is fixedly connected to the top of the transverse mounting frame 20, and the transverse mounting frame 20 is in threaded connection with a working element through the second mounting hole 23 in cooperation with a bolt.
In this embodiment, the horizontal mounting frame 20 facilitates mounting of different numbers and types of working components according to the requirements of specific working components, and the line card 24 facilitates wiring of the working components.
Specifically, second spout 25 has all been seted up to the both sides of base 3, stranded fixedly connected with second slider 26 in the both sides bottom of the cabinet body 1, second slider 26 sliding connection is in second spout 25, 3 symmetrical fixedly connected with buffer spring 27 in top of base, buffer spring 27's the bottom of the top fixed connection cabinet body 1.
In this embodiment, cabinet body 1 passes through second slider 26 sliding connection base 3, and when cabinet body 1 atress vibrations, second slider 26 moves down, makes cabinet body 1 compression buffer spring 27 simultaneously, plays the buffering guard action.
Specifically, the cabinet body 1 is connected with a cabinet door 28 through a hinge, a lock body 29 is fixedly arranged on the surface of the cabinet door 28, and the inner side of the cabinet door 28 is located above the lock body 19 and is connected with a working element through a bolt and a thread.
In this embodiment, the cabinet door 28 realizes the closing protection of the cabinet body 1 through the arrangement of the lock body 29, and prevents the opening of the irrelevant person, and the inner side of the cabinet door 28 is connected with the working element through the screw thread, so that the space in the cabinet body 1 can be fully utilized.
The utility model discloses a theory of operation and use flow: when using, the vibrations that the cabinet body 1 produced when transport or maintenance, make the cabinet body 1 drive the activity of connecting rod 9 through connecting block 5, the activity of connecting rod 9 drives first slider 9 and slides in first spout 7, compression or extension spring 10, cabinet body 1 compression buffer spring 27 simultaneously, thereby play good shock attenuation cushioning effect, unscrew second bolt 17, make L shape fixed ear 16 and the cabinet body 1 break away from with curb plate 2, unscrew first bolt 13, pulling curb plate 2 outwards this moment, make second location break away from second locating hole 14 slightly 15, upwards at pulling curb plate 2, make first location break away from first locating hole 11 slightly 12, thereby make the dismantlement between curb plate 2 and the cabinet body 1, cabinet door 28 is opened in the cooperation, maintenance space when the maintenance maintainer overhauls and maintains has greatly increased.
In conclusion, this multi-functional low-voltage cabinet device, through setting up connecting block 5, fixed block 6, connecting rod 8, first slider 9, first spout 7, spring 10 and buffer spring 27, when the cabinet body 1 takes place vibrations, can make connecting rod 8 drive first slider 9 and slide, compression or extension spring 10, the cabinet body 1 compression or extension buffer spring 27 simultaneously, the good mesh of shock attenuation buffering effect has been reached, through setting up first locating hole 11, first locating hole is 12 slightly, second locating hole 14 and second location are 15 slightly, realize the connection location between curb plate 2 and the cabinet body 1, the cooperation is simultaneously used first bolt 13, second bolt 17 and L shape fixed ear 16, realize the threaded connection between curb plate 2 and the cabinet body 1, thereby reach the effect that convenient dismantlement overhauls.
It should be noted that, in this document, terms such as "comprises," "comprising," or any other variation thereof, are intended to cover a non-exclusive inclusion, such that a process, method, article, or apparatus that comprises a list of elements does not include only those elements but may include other elements not expressly listed or inherent to such process, method, article, or apparatus. Without further limitation, an element defined by the phrase "comprising an … …" does not exclude the presence of other identical elements in a process, method, article, or apparatus that comprises the element.
Although embodiments of the present invention have been shown and described, it will be appreciated by those skilled in the art that changes, modifications, substitutions and alterations can be made in these embodiments without departing from the principles and spirit of the invention, the scope of which is defined in the appended claims and their equivalents.
Claims (6)
1. The utility model provides a multi-functional low-voltage cabinet device, includes the cabinet body (1), curb plate (2) and base (3), its characterized in that: the bottom of the cabinet body (1) is movably connected with a base (3), two sides of the cabinet body (1) are movably connected with side plates (2), the bottom of the cabinet body (1) is fixedly connected with two connecting blocks (5) in a central symmetry manner, the connecting blocks (5) are movably connected with a connecting rod (8) through pin shafts, the base (3) is of a U-shaped structure, the top of the base (3) is fixedly connected with two fixed blocks (6) in a symmetrical manner, the fixed blocks (6) are provided with first sliding grooves (7), the first sliding grooves (7) are connected with first sliding blocks (9) in a sliding manner, the first sliding blocks (9) are movably connected with the connecting rod (8) through pin shafts, the side walls of the first sliding grooves are fixedly connected with springs (10), the other ends of the springs (10) are fixedly connected with the first sliding blocks (9), and the bottom end of the cabinet body (1) and two sides thereof are of the U-shaped structure, first locating hole (11) have all been seted up to the both sides bottom of the cabinet body (1), the screw has all been seted up to the bottom fixedly connected with first location of curb plate (2) slightly (12), first location slightly (12) are located first locating hole (11), one side of first location slightly (12) and the both sides of the cabinet body (1) have all been seted up, first location slightly (12) is through first bolt (13) threaded connection cabinet body (1), second locating hole (14) have all been seted up at the top both ends of the cabinet body (1), curb plate (2) one side top position fixedly connected with second location slightly (15), second location slightly (15) are located second locating hole (14), the top of curb plate (2) and the top junction outside swing joint of the cabinet body (1) have L shape fixed ear (16), the both ends of L shape fixed ear (16), the top of the cabinet body (1), the both ends of L shape fixed ear (16), Screw holes are formed in one side, away from the second positioning pin (15), of the side plate (2), and the L-shaped fixing lug (16) is in threaded connection with the cabinet body (1) and the side plate (2) through a second bolt (17).
2. A multifunctional low-voltage cabinet device according to claim 1, characterized in that: the inner chamber of the cabinet body (1) is provided with a ventilating partition plate (4) by pressing close to the bottom position, the bottom center of the ventilating partition plate (4) is fixedly connected with a cooling fan (18), the front surface of the cabinet body (1) is located below the ventilating partition plate (4) and is provided with dustproof cooling holes, and the outer side of the side plate (2) is provided with dustproof cooling holes.
3. A multifunctional low-voltage cabinet device according to claim 1, characterized in that: the cabinet body (1) is characterized in that an inner cavity top symmetrical and fixedly connected with vertical mounting frames (19), bottom fixed connection breathable partition plates (4) of the vertical mounting frames (19), first mounting holes (21) are formed in the surfaces of the vertical mounting frames (19), the vertical mounting frames (19) are connected with transverse mounting frames (20) through third bolts (22) in a threaded mode, and the third bolts (22) are connected in the first mounting holes (21) in a threaded mode.
4. A multifunctional low-voltage cabinet device according to claim 3, characterized in that: the surface of the horizontal mounting frame (20) is provided with a second mounting hole (23), the top of the horizontal mounting frame (20) is fixedly connected with a wire clamp (24), and the horizontal mounting frame (20) is matched with a bolt and threaded connection working element through the second mounting hole (23).
5. A multifunctional low-voltage cabinet device according to claim 1, characterized in that: second spout (25) have all been seted up to the both sides of base (3), stranded fixedly connected with second slider (26) in the both sides bottom of the cabinet body (1), second slider (26) sliding connection is in second spout (25), base (3) top symmetry fixedly connected with buffer spring (27), the bottom of the top fixed connection cabinet body (1) of buffer spring (27).
6. A multifunctional low-voltage cabinet device according to claim 1, characterized in that: the cabinet body (1) is connected with a cabinet door (28) through a hinge, a lock body (29) is fixedly arranged on the surface of the cabinet door (28), and the inner side of the cabinet door (28) is located above the lock body (29) and is connected with a working element through a bolt and a thread.
Priority Applications (1)
| Application Number | Priority Date | Filing Date | Title |
|---|---|---|---|
| CN202120490144.5U CN214411955U (en) | 2021-03-08 | 2021-03-08 | Multifunctional low-voltage cabinet device |
Applications Claiming Priority (1)
| Application Number | Priority Date | Filing Date | Title |
|---|---|---|---|
| CN202120490144.5U CN214411955U (en) | 2021-03-08 | 2021-03-08 | Multifunctional low-voltage cabinet device |
Publications (1)
| Publication Number | Publication Date |
|---|---|
| CN214411955U true CN214411955U (en) | 2021-10-15 |
Family
ID=78029942
Family Applications (1)
| Application Number | Title | Priority Date | Filing Date |
|---|---|---|---|
| CN202120490144.5U Expired - Fee Related CN214411955U (en) | 2021-03-08 | 2021-03-08 | Multifunctional low-voltage cabinet device |
Country Status (1)
| Country | Link |
|---|---|
| CN (1) | CN214411955U (en) |
-
2021
- 2021-03-08 CN CN202120490144.5U patent/CN214411955U/en not_active Expired - Fee Related
Similar Documents
| Publication | Publication Date | Title |
|---|---|---|
| CN209896529U (en) | Waterproof anticorrosive cubical switchboard with shock-absorbing function | |
| CN210201187U (en) | Low-voltage switchgear convenient to overhaul | |
| CN214411955U (en) | Multifunctional low-voltage cabinet device | |
| CN209786492U (en) | JP cabinet | |
| CN108054663A (en) | A kind of high-tension switch cabinet for the heat sinking function having | |
| CN209823229U (en) | Heat dissipation, shockproof cubical switchboard | |
| CN213783940U (en) | Monitoring heat dissipation device | |
| CN209981787U (en) | Low-voltage comprehensive power distribution cabinet with damping mechanism | |
| CN212277750U (en) | Switch cabinet started by induction | |
| CN112310858A (en) | Safety switch cabinet for rail transit | |
| CN110429499A (en) | Outdoor intelligent large-scale switching station | |
| CN213185051U (en) | Effectual cubical switchboard of cooling | |
| CN212485937U (en) | Radiating cubical switchboard takes precautions against earthquakes | |
| CN215934124U (en) | Power distribution cabinet based on internet remote control | |
| CN213126756U (en) | Novel intelligent network rack of suspension type | |
| CN212114356U (en) | High-voltage power distribution cabinet convenient to heat dissipation high stability | |
| CN211908027U (en) | Safety low-voltage intelligent switch cabinet | |
| CN210628870U (en) | Shockproof switch cabinet with good heat dissipation effect | |
| CN210608199U (en) | A new type of switch cabinet | |
| CN215009185U (en) | Shockproof switch cabinet | |
| CN211127539U (en) | Wall-hanging power supply box | |
| CN221530665U (en) | Switch cabinet easy to ventilate and radiate in cabinet | |
| CN213818467U (en) | Compact negative resistance electric appliance for solid cabinet | |
| CN219627137U (en) | Front door structure of switch cabinet | |
| CN216390232U (en) | Multi-functional formula switch board for high-voltage electric power engineering |
Legal Events
| Date | Code | Title | Description |
|---|---|---|---|
| GR01 | Patent grant | ||
| GR01 | Patent grant | ||
| CF01 | Termination of patent right due to non-payment of annual fee | ||
| CF01 | Termination of patent right due to non-payment of annual fee |
Granted publication date: 20211015 |