CN214372632U - 一种便携式苗木生长监测装置 - Google Patents
一种便携式苗木生长监测装置 Download PDFInfo
- Publication number
- CN214372632U CN214372632U CN202120413534.2U CN202120413534U CN214372632U CN 214372632 U CN214372632 U CN 214372632U CN 202120413534 U CN202120413534 U CN 202120413534U CN 214372632 U CN214372632 U CN 214372632U
- Authority
- CN
- China
- Prior art keywords
- nursery stock
- monitoring device
- growth monitoring
- connecting seat
- stock growth
- Prior art date
- Legal status (The legal status is an assumption and is not a legal conclusion. Google has not performed a legal analysis and makes no representation as to the accuracy of the status listed.)
- Expired - Fee Related
Links
- 238000012806 monitoring device Methods 0.000 title claims abstract description 26
- 210000000078 claw Anatomy 0.000 claims abstract description 14
- 230000005540 biological transmission Effects 0.000 claims description 14
- 238000009434 installation Methods 0.000 claims description 11
- 230000003068 static effect Effects 0.000 claims description 3
- 238000012544 monitoring process Methods 0.000 abstract description 10
- 241000736199 Paeonia Species 0.000 abstract description 6
- 235000006484 Paeonia officinalis Nutrition 0.000 abstract description 6
- 238000004519 manufacturing process Methods 0.000 abstract description 3
- 230000009286 beneficial effect Effects 0.000 abstract 1
- 238000000034 method Methods 0.000 description 6
- 239000002689 soil Substances 0.000 description 4
- 240000005001 Paeonia suffruticosa Species 0.000 description 3
- 235000003889 Paeonia suffruticosa Nutrition 0.000 description 3
- 230000002349 favourable effect Effects 0.000 description 2
- 238000010586 diagram Methods 0.000 description 1
- 230000000694 effects Effects 0.000 description 1
- 230000007613 environmental effect Effects 0.000 description 1
- 230000000474 nursing effect Effects 0.000 description 1
- 230000017260 vegetative to reproductive phase transition of meristem Effects 0.000 description 1
- XLYOFNOQVPJJNP-UHFFFAOYSA-N water Substances O XLYOFNOQVPJJNP-UHFFFAOYSA-N 0.000 description 1
- 239000003643 water by type Substances 0.000 description 1
Images
Landscapes
- Closed-Circuit Television Systems (AREA)
- Management, Administration, Business Operations System, And Electronic Commerce (AREA)
Abstract
本实用新型公开了一种便携式苗木生长监测装置,包括竖直的主杆,主杆的底部固定安装有用以插入地面的地爪,地爪为三叉式结构,在其中一个分叉侧面镶嵌有湿度检测器,主杆的上方位置安装有可沿主杆轴线方向上下移动的升降杆,升降杆的上方侧面位置固定安装有连接架,连接架端部安装有摄像头,升降杆的上方安装有控制盒,升降杆的顶端位置铰接有供电装置,本实用新型设计结构简单、使用便捷,可采用摄像头对苗木的生长状况进行全天候的监测,并设置温度传感器和湿度检测器用以实时的监控苗木生产环境,方便检测和收集牡丹关键物候期的相关数据,降低了人工成本,有利于提高工作的质量和效率。
Description
技术领域
本实用新型属于农业技术领域,具体涉及一种便携式苗木生长监测装置。
背景技术
目前,在农业种植领域,尤其是新品种牡丹的培育阶段,经常需要定期的对牡丹苗木的生长状况进行监测和记录,以便对苗木生长过程中的最佳环境条件进行数据整理,为未来苗木的批量种植提供有效的数据支持。然而,现有的监测手段大多依赖于人的因素,主要在于依靠人工对苗木每日的生长状态进行拍照记录,人工定期的测量苗木高度、粗细等参数,工作量大,并且长此以往也会出现差错,导致出现数据采集不精准的问题。
发明内容
本实用新型为了解决上述技术问题,提供一种便携式苗木生长监测装置,其结构设计简单合理、使用便捷,可采用摄像头对苗木的生长状况进行全天候的监测,并设置温度传感器和湿度检测器用以实时的监控苗木生产环境,方便检测和收集牡丹关键物候期的相关数据,降低了人工成本,有利于提高工作的质量和效率。
本实用新型所采用的技术方案是:一种便携式苗木生长监测装置,包括竖直的主杆,主杆的底部固定安装有用以插入地面的地爪,地爪为三叉式结构,在其中一个分叉侧面镶嵌有湿度检测器,主杆的上方位置安装有可沿主杆轴线方向上下移动的升降杆,升降杆的上方侧面位置固定安装有连接架,连接架端部安装有摄像头,升降杆的上方安装有控制盒,升降杆的顶端位置铰接有供电装置。
所述供电装置包括安装框架,安装框架的上方固定安装有太阳能电池板,安装框架的下表面中心位置固定安装有连接座,连接座通过中心轴可转动的安装在升降杆的顶端位置。
所述连接座的侧面位置安装有用以使连接座与升降杆保持相对静止的锁紧螺钉二,锁紧螺钉二螺纹连接在连接座上。
所述连接座的下端呈圆形结构,连接座下端边缘位置设有指示箭头,在升降杆的表面设有以中心轴轴线为中心的角度刻度线。
所述控制盒内置有控制器、蓄电池、信息存储模块以及无线传输模块,控制器分别与太阳能电池板、蓄电池、无线传输模块、信息存储模块、摄像头以及湿度检测器电性连接。
所述摄像头的外壳处固定连接有一温度传感器,温度传感器与控制器电性连接。
所述无线传输模块为蓝牙模块、WiFi模块或GPRS模块。
所述无线传输模块通过无线信号连接有手机。
所述主杆与升降杆的外侧表面均设有高度刻度线。
所述主杆的上端侧面位置安装有用以将升降杆位置进行限定的锁紧螺钉一。
这种便携式苗木生长监测装置,使用时,通过地爪将该监测装置插在靠近苗木的位置,调整摄像头的拍摄角度,使所拍摄的画面可以清晰的显示苗木整体外形,采用升降杆调整摄像头的高度,并将锁紧螺钉一旋紧,工作时,摄像头用以全天候拍摄苗木的生长画面,温度传感器与湿度检测器分别检测实时温度和土壤的湿度情况,并通过控制器将数据信息存储在信息存储模块内,并同时通过无线传输模块将信息传输至手机上,使工作人员通过手机即可查看苗木生长过程中的各项数据值,工作人员可通过高度刻度线来查看苗木生长的高度情况,实现对牡丹苗木的监控。
所述主杆的底部固定安装有用以插入地面的地爪,地爪为三叉式结构,在其中一个分叉侧面镶嵌有湿度检测器;这样设置的目的是:三叉式结构的地爪可以提高该监测装置在工作时的安装稳固性,避免该监测装置受风力影响而发生偏斜,设置的湿度检测器能够实时监测苗木生长过程中,土壤的湿度情况,在水分降低时可及时的进行浇水。
所述主杆的上方位置安装有可沿主杆轴线方向上下移动的升降杆;这样设置的目的是:用以调整该监测装置的高度,从而满足不同苗木、以及苗木不同时期的监测需要,适用范围广。
所述升降杆的上方侧面位置固定安装有连接架,连接架端部安装有摄像头;这样设置的目的是:采用摄像头可实时对苗木的生长情况、以及周围环境进行监控,一是可以便于对不同时期的苗木生长情况进行比对,满足试验的需求,二是能够观测到在苗木生长过程中,是否受到鸟类或其他因素的干扰,并及时排除干扰因素。
本实用新型的有益效果为:
本实用新型设计结构简单、使用便捷,可采用摄像头对苗木的生长状况进行全天候的监测,并设置温度传感器和湿度检测器用以实时的监控苗木生产环境,方便检测和收集牡丹关键物候期的相关数据,降低了人工成本,有利于提高工作的质量和效率。
附图说明
图1为本实用新型的结构示意图;
图2为本实用新型供电装置的结构图。
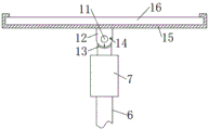
图中标记:1、湿度检测器;2、地爪;3、主杆;4、高度刻度线;5、锁紧螺钉一;6、升降杆;7、控制盒;8、供电装置;9、连接架;10、摄像头;11、中心轴;12、连接座;13、角度刻度线;14、锁紧螺钉二;15、安装框架;16、太阳能电池板。
具体实施方式
以下结合附图对本实用新型的具体实施方式做进一步的详细说明。
如图所示,一种便携式苗木生长监测装置,包括竖直的主杆3,主杆3的底部固定安装有用以插入地面的地爪2,地爪2为三叉式结构,在其中一个分叉侧面镶嵌有湿度检测器1,主杆3的上方位置安装有可沿主杆3轴线方向上下移动的升降杆6,升降杆6的上方侧面位置固定安装有连接架9,连接架9端部安装有摄像头10,升降杆6的上方安装有控制盒7,升降杆6的顶端位置铰接有供电装置8。
所述供电装置8包括安装框架15,安装框架15的上方固定安装有太阳能电池板16,安装框架15的下表面中心位置固定安装有连接座12,连接座12通过中心轴11可转动的安装在升降杆6的顶端位置,连接座12的侧面位置安装有用以使连接座12与升降杆6保持相对静止的锁紧螺钉二14,锁紧螺钉二14螺纹连接在连接座12上,连接座12的下端呈圆形结构,连接座12下端边缘位置设有指示箭头,在升降杆6的表面设有以中心轴11轴线为中心的角度刻度线13,采用太阳能电池板16为该监测装置的正常工作提供电能,可替代外接电源的方式,实现该监测装置便携的特点,顶部的太阳能电池板16可随着安装框架15的旋转而实现角度上的偏转,一是便于在不同季节时,通过调整太阳能电池板16的角度,实现太阳照射角度的调整,最大限度的利用太阳能,二是可以在移动该监测装置时,可将太阳能电池板16旋转至与主杆3轴线相平行的方向,达到便携的效果;
具体在调整旋转角度时,通过连接座12上的指示箭头与角度刻度线13来确定旋转的角度值,当角度固定后,利用锁紧螺钉二14对连接座12的位置进行固定。
所述控制盒7内置有控制器、蓄电池、信息存储模块以及无线传输模块,控制器分别与太阳能电池板16、蓄电池、无线传输模块、信息存储模块、摄像头10以及湿度检测器1电性连接,摄像头10的外壳处固定连接有一温度传感器,温度传感器与控制器电性连接,无线传输模块为蓝牙模块、WiFi模块或GPRS模块,无线传输模块通过无线信号连接有手机;其中,太阳能电池板16将太阳能转换为电能并储存在蓄电池内,其工作原理为现有技术中的常规技术手段,在此不作过多赘述;采用摄像头10能够对牡丹单株的发芽、开花、结实、落叶的全过程进行拍摄,也用以方便看护珍贵的苗木品种;温度传感器用以收集气象信息,湿度检测器1用以检测土壤的含水量,方便检测和收集牡丹关键物候期的各项数据。
所述主杆3与升降杆6的外侧表面均设有高度刻度线4,方便工作人员观察苗木的高度。
所述主杆3的上端侧面位置安装有用以将升降杆6位置进行限定的锁紧螺钉一5。
这种便携式苗木生长监测装置,使用时,通过地爪2将该监测装置插在靠近苗木的位置,调整摄像头10的拍摄角度,使所拍摄的画面可以清晰的显示苗木整体外形,采用升降杆6调整摄像头10的高度,并将锁紧螺钉一5旋紧,工作时,摄像头10用以全天候拍摄苗木的生长画面,温度传感器与湿度检测器1分别检测实时温度和土壤的湿度情况,并通过控制器将数据信息存储在信息存储模块内,并同时通过无线传输模块将信息传输至手机上,使工作人员通过手机即可查看苗木生长过程中的各项数据值,工作人员可通过高度刻度线4来查看苗木生长的高度情况,实现对牡丹苗木的监控。
Claims (10)
1.一种便携式苗木生长监测装置,其特征在于:包括竖直的主杆,主杆的底部固定安装有用以插入地面的地爪,地爪为三叉式结构,在其中一个分叉侧面镶嵌有湿度检测器,主杆的上方位置安装有可沿主杆轴线方向上下移动的升降杆,升降杆的上方侧面位置固定安装有连接架,连接架端部安装有摄像头,升降杆的上方安装有控制盒,升降杆的顶端位置铰接有供电装置。
2.根据权利要求1所述的一种便携式苗木生长监测装置,其特征在于:供电装置包括安装框架,安装框架的上方固定安装有太阳能电池板,安装框架的下表面中心位置固定安装有连接座,连接座通过中心轴可转动的安装在升降杆的顶端位置。
3.根据权利要求2所述的一种便携式苗木生长监测装置,其特征在于:连接座的侧面位置安装有用以使连接座与升降杆保持相对静止的锁紧螺钉二,锁紧螺钉二螺纹连接在连接座上。
4.根据权利要求2所述的一种便携式苗木生长监测装置,其特征在于:连接座的下端呈圆形结构,连接座下端边缘位置设有指示箭头,在升降杆的表面设有以中心轴轴线为中心的角度刻度线。
5.根据权利要求1所述的一种便携式苗木生长监测装置,其特征在于:控制盒内置有控制器、蓄电池、信息存储模块以及无线传输模块,控制器分别与太阳能电池板、蓄电池、无线传输模块、信息存储模块、摄像头以及湿度检测器电性连接。
6.根据权利要求5所述的一种便携式苗木生长监测装置,其特征在于:摄像头的外壳处固定连接有一温度传感器,温度传感器与控制器电性连接。
7.根据权利要求5所述的一种便携式苗木生长监测装置,其特征在于:无线传输模块为蓝牙模块、WiFi模块或GPRS模块。
8.根据权利要求7所述的一种便携式苗木生长监测装置,其特征在于:无线传输模块通过无线信号连接有手机。
9.根据权利要求1所述的一种便携式苗木生长监测装置,其特征在于:主杆与升降杆的外侧表面均设有高度刻度线。
10.根据权利要求1所述的一种便携式苗木生长监测装置,其特征在于:主杆的上端侧面位置安装有用以将升降杆位置进行限定的锁紧螺钉一。
Priority Applications (1)
| Application Number | Priority Date | Filing Date | Title |
|---|---|---|---|
| CN202120413534.2U CN214372632U (zh) | 2021-02-25 | 2021-02-25 | 一种便携式苗木生长监测装置 |
Applications Claiming Priority (1)
| Application Number | Priority Date | Filing Date | Title |
|---|---|---|---|
| CN202120413534.2U CN214372632U (zh) | 2021-02-25 | 2021-02-25 | 一种便携式苗木生长监测装置 |
Publications (1)
| Publication Number | Publication Date |
|---|---|
| CN214372632U true CN214372632U (zh) | 2021-10-08 |
Family
ID=77967317
Family Applications (1)
| Application Number | Title | Priority Date | Filing Date |
|---|---|---|---|
| CN202120413534.2U Expired - Fee Related CN214372632U (zh) | 2021-02-25 | 2021-02-25 | 一种便携式苗木生长监测装置 |
Country Status (1)
| Country | Link |
|---|---|
| CN (1) | CN214372632U (zh) |
Cited By (1)
| Publication number | Priority date | Publication date | Assignee | Title |
|---|---|---|---|---|
| CN116046065A (zh) * | 2023-01-10 | 2023-05-02 | 新疆林科院森林生态研究所 | 一种适用于锦鸡儿的物候监测装置 |
-
2021
- 2021-02-25 CN CN202120413534.2U patent/CN214372632U/zh not_active Expired - Fee Related
Cited By (1)
| Publication number | Priority date | Publication date | Assignee | Title |
|---|---|---|---|---|
| CN116046065A (zh) * | 2023-01-10 | 2023-05-02 | 新疆林科院森林生态研究所 | 一种适用于锦鸡儿的物候监测装置 |
Similar Documents
| Publication | Publication Date | Title |
|---|---|---|
| CN209446803U (zh) | 一种农业洪涝监测及预警装置 | |
| CN101666741B (zh) | 机载式作物氮素信息高密度无损采集方法 | |
| CN214372632U (zh) | 一种便携式苗木生长监测装置 | |
| CN203275681U (zh) | 一种基于gprs的气象信息采集装置 | |
| CN207893368U (zh) | 一种用于气象观察的风杆结构 | |
| CN212540760U (zh) | 一种茶树田间气象信息获取装置 | |
| CN217403494U (zh) | 一种农业环境信息采集控制装置 | |
| CN209803361U (zh) | 一种用于农田环境气象监测的装置 | |
| CN206223710U (zh) | 基于二维码水果全程多源信息追溯的土壤墒情检测装置 | |
| CN210864087U (zh) | 一种农业气象信息采集装置 | |
| CN215819576U (zh) | 一种节水灌溉的监测装置 | |
| CN206074120U (zh) | 一种烤烟垄间光合有效辐射空间的测定装置 | |
| CN219957572U (zh) | 一种搭载5g通信的在线式土壤墒情监测器 | |
| CN213482225U (zh) | 一种便于移动的农业种植用的土壤检测装置 | |
| CN213180902U (zh) | 一种地质灾害防治监测取样装置 | |
| CN210051364U (zh) | 一种兰花种植用光照、温度、土壤湿度监测装置 | |
| CN209447012U (zh) | 一种基于北斗的田间无线气象采集装置 | |
| CN209028231U (zh) | 太阳能农用气象站 | |
| CN106338537A (zh) | 基于二维码水果全程多源信息追溯的土壤墒情检测装置 | |
| CN209542877U (zh) | 户外气象监测装置 | |
| CN220084084U (zh) | 一种香菇生长环境观测系统装置 | |
| CN206772354U (zh) | 带式环境监测装置 | |
| CN211375102U (zh) | 一种自动气象监测装置 | |
| CN216050043U (zh) | 一种新型农田环境检测装置 | |
| CN213457419U (zh) | 蔬菜育苗气象自动检测装置 |
Legal Events
| Date | Code | Title | Description |
|---|---|---|---|
| GR01 | Patent grant | ||
| GR01 | Patent grant | ||
| CF01 | Termination of patent right due to non-payment of annual fee | ||
| CF01 | Termination of patent right due to non-payment of annual fee |
Granted publication date: 20211008 |