CN214262169U - 一种用于水泥生产的装球装置 - Google Patents
一种用于水泥生产的装球装置 Download PDFInfo
- Publication number
- CN214262169U CN214262169U CN202022081836.2U CN202022081836U CN214262169U CN 214262169 U CN214262169 U CN 214262169U CN 202022081836 U CN202022081836 U CN 202022081836U CN 214262169 U CN214262169 U CN 214262169U
- Authority
- CN
- China
- Prior art keywords
- box body
- box
- feeding
- ball
- loading device
- Prior art date
- Legal status (The legal status is an assumption and is not a legal conclusion. Google has not performed a legal analysis and makes no representation as to the accuracy of the status listed.)
- Active
Links
- 238000004519 manufacturing process Methods 0.000 title claims abstract description 18
- 239000004568 cement Substances 0.000 title claims abstract description 17
- QNRATNLHPGXHMA-XZHTYLCXSA-N (r)-(6-ethoxyquinolin-4-yl)-[(2s,4s,5r)-5-ethyl-1-azabicyclo[2.2.2]octan-2-yl]methanol;hydrochloride Chemical compound Cl.C([C@H]([C@H](C1)CC)C2)CN1[C@@H]2[C@H](O)C1=CC=NC2=CC=C(OCC)C=C21 QNRATNLHPGXHMA-XZHTYLCXSA-N 0.000 claims description 2
- 229910000831 Steel Inorganic materials 0.000 abstract description 32
- 239000010959 steel Substances 0.000 abstract description 32
- 238000000034 method Methods 0.000 abstract description 8
- 239000007787 solid Substances 0.000 abstract description 2
- 235000017166 Bambusa arundinacea Nutrition 0.000 abstract 3
- 235000017491 Bambusa tulda Nutrition 0.000 abstract 3
- 241001330002 Bambuseae Species 0.000 abstract 3
- 235000015334 Phyllostachys viridis Nutrition 0.000 abstract 3
- 239000011425 bamboo Substances 0.000 abstract 3
- 238000003466 welding Methods 0.000 description 3
- 238000005299 abrasion Methods 0.000 description 2
- 238000000227 grinding Methods 0.000 description 2
- 230000004075 alteration Effects 0.000 description 1
- 230000009286 beneficial effect Effects 0.000 description 1
- 230000007547 defect Effects 0.000 description 1
- 238000012986 modification Methods 0.000 description 1
- 230000004048 modification Effects 0.000 description 1
- 238000006467 substitution reaction Methods 0.000 description 1
Images
Landscapes
- Crushing And Grinding (AREA)
Abstract
本实用新型属于水泥生产技术领域,尤其为一种用于水泥生产的装球装置,包括箱体,所述箱体的两侧均固定安装有挂耳,所述箱体的表面固定套设有固定环,所述固定环的底部固定安装有四个支腿,所述箱体的顶部固定安装有两个对称分布的进料筒,所述进料筒的内部开设有进料通道,所述进料筒的顶部固定安装有进料管,所述进料管与所述进料通道连通,所述箱体的内部两侧均滑动安装有三角形承接台,所述承接台的底部固定连接有弹簧,所述弹簧远离所述承接台的一端与所述箱体的底部内壁固定连接。本实用新型有效的保护该装置在加入钢球的过程中不易磨损,同时保证了装置在对磨机进行添加钢球时不易对磨机进行损坏,提高了装球装置对磨机的装球效率。
Description
技术领域
本实用新型涉及水泥生产技术领域,尤其涉及一种用于水泥生产的装球装置。
背景技术
水泥粉磨通常是通过球磨机进行粉磨,磨机内钢球作为研磨体,在使用中会发生损耗,因此,为保证生产的正常运行,我们需根据生产实际及时补充损耗的钢球,而安全、快速的进行补充钢球对提高工作效率具有很大的帮助。
但是,现有技术中,装球装置首先需要将钢球装入自身箱体内,然后在移动到磨机入球口进行装球,但是一般的钢球在装载时钢球直接倒入装球装置箱体内,会导致装球装置出现磨损,从而寿命较短,同时装球装置在对磨机装球时由于出球口与入球口之间距离较长,也会导致在对磨机进行装球时会对磨机造成一定磨损,为此,提出一种用于水泥生产的装球装置。
实用新型内容
本实用新型的目的是为了解决现有技术中存在的缺点,而提出的一种用于水泥生产的装球装置。
为了实现上述目的,本实用新型采用了如下技术方案:一种用于水泥生产的装球装置,包括箱体,所述箱体的两侧均固定安装有挂耳,所述箱体的表面固定套设有固定环,所述固定环的底部固定安装有四个支腿,所述箱体的顶部固定安装有两个对称分布的进料筒,所述进料筒的内部开设有进料通道,所述进料筒的顶部固定安装有进料管,所述进料管与所述进料通道连通,所述箱体的内部两侧均滑动安装有三角形承接台,所述承接台的底部固定连接有弹簧,所述弹簧远离所述承接台的一端与所述箱体的底部内壁固定连接,所述箱体的顶部安装有电机,所述电机的输出轴贯穿所述箱体连接有螺杆,所述箱体的底部开设有出料口,所述出料口内滑动连接有挡板,所述挡板的顶部开设有螺纹孔,所述螺纹孔与所述螺杆螺纹连接,所述挡板的底部固定安装有四个L型半圆管,所述挡板的顶部左右两侧均开设有滑孔,所述滑孔内滑动连接有限位杆。
优选的,两个所述挂耳对称安装在所述箱体的两侧,两个所述挂耳的顶部均开设有吊孔。
优选的,四个所述支腿呈菱形分布在所述固定环的底部。
优选的,所述进料通道呈连续Z字型分布在所述进料筒内,所述进料通道贯穿所述进料筒的底部。
优选的,所述箱体的顶部内壁固定连接有轴承,所述电机的输出轴与所述螺杆的顶端均与所述轴承的内圈固定连接,两个所述限位杆的顶端与所述轴承的底部两端固定连接。
优选的,四个L型半圆管以所述挡板表面的螺纹孔为中心对称。
与现有技术相比,本实用新型的有益效果是:将该装置使用吊装设备通过其两侧的挂耳移动到磨机的入球孔,然后通过两个进料管分别向两个进料筒内送入钢球,钢球进入进料筒内的进料通道,进料通道为连续Z字型,因此不会立马掉入箱体内,避免了箱体的磨损,同时钢球通过进料通道之后掉入箱体底部的两个承接台上,承接台底部的弹簧对掉下的钢球起到二次缓冲保护的作用,然后储存在箱体内部,当需要添加钢球时,给电机上电,电机的输出轴转动带动螺杆转动,由于挡板表面的两个限位杆限位,因此挡板上升使得四个L型半圆管伸入箱体内部,箱体内的钢球顺着L型半圆管的内壁进入到磨机内完成钢球的填充。
本实用新型操作方便,有效的保护该装置在加入钢球的过程中不易磨损,同时保证了装置在对磨机进行添加钢球时不易对磨机进行损坏,提高了装球装置对磨机的装球效率。
附图说明
图1为本实用新型的主视剖视结构示意图;
图2为本实用新型挡板的俯视剖视结构示意图;
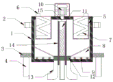
图中:1、箱体;2、挂耳;3、固定环;4、支腿;5、进料筒;6、进料管;7、进料通道;8、承接台;9、弹簧;10、电机;11、螺杆;12、挡板;13、L型半圆管;14、限位杆;15、轴承。
具体实施方式
下面将结合本实用新型实施例中的附图,对本实用新型实施例中的技术方案进行清楚、完整地描述,显然,所描述的实施例仅仅是本实用新型一部分实施例,而不是全部的实施例。基于本实用新型中的实施例,本领域普通技术人员在没有做出创造性劳动前提下所获得的所有其他实施例,都属于本实用新型保护的范围。
请参照图1-2,本实用新型提供一种技术方案:一种用于水泥生产的装球装置,包括箱体1,箱体1的两侧均焊接有挂耳2,箱体1的表面焊接有固定环3,固定环3的底部焊接有四个支腿4,箱体1的顶部焊接有两个对称分布的进料筒5,进料筒5的内部开设有进料通道7,进料筒5的顶部焊接有进料管6,进料管6与进料通道7连通,箱体1的内部两侧均滑动安装有三角形承接台8,承接台8的底部焊接有弹簧9,弹簧9远离承接台8的一端与箱体1的底部内壁焊接,箱体1的顶部安装有电机10,电机10的输出轴贯穿箱体1连接有螺杆11,箱体1的底部开设有出料口,出料口内滑动连接有挡板12,挡板12的顶部开设有螺纹孔,螺纹孔与螺杆11螺纹连接,挡板12的底部焊接有四个L型半圆管13,挡板12的顶部左右两侧均开设有滑孔,滑孔内滑动连接有限位杆14;
两个挂耳2对称安装在箱体1的两侧,两个挂耳2的顶部均开设有吊孔,四个支腿4呈菱形分布在固定环3的底部,进料通道7呈连续Z字型分布在进料筒5内,进料通道7贯穿进料筒5的底部,箱体1的顶部内壁焊接有轴承15,电机10的输出轴与螺杆11的顶端均与轴承15的内圈焊接,两个限位杆14的顶端与轴承15的底部两端焊接,四个L型半圆管13以挡板12表面的螺纹孔为中心对称,本实用新型操作方便,有效的保护该装置在加入钢球的过程中不易磨损,同时保证了装置在对磨机进行添加钢球时不易对磨机进行损坏,提高了装球装置对磨机的装球效率。
工作原理:将该装置使用吊装设备通过其两侧的挂耳2移动到磨机的入球孔,然后通过两个进料管6分别向两个进料筒5内送入钢球,钢球进入进料筒5内的进料通道7,进料通道7为连续Z字型,因此不会立马掉入箱体1内,避免了箱体1的磨损,同时钢球通过进料通道7之后掉入箱体1底部的两个承接台8上,承接台8底部的弹簧9对掉下的钢球起到二次缓冲保护的作用,然后储存在箱体1内部,当需要添加钢球时,给电机10上电,电机10的输出轴转动带动螺杆11转动,由于挡板12表面的两个限位杆14限位,因此挡板12上升使得四个L型半圆管13伸入箱体1内部,箱体1内的钢球顺着L型半圆管13的内壁进入到磨机内完成钢球的填充,本实用新型操作方便,有效的保护该装置在加入钢球的过程中不易磨损,同时保证了装置在对磨机进行添加钢球时不易对磨机进行损坏,提高了装球装置对磨机的装球效率。
需要说明的是,在本文中,诸如第一和第二等之类的关系术语仅仅用来将一个实体或者操作与另一个实体或操作区分开来,而不一定要求或者暗示这些实体或操作之间存在任何这种实际的关系或者顺序。而且,术语“包括”、“包含”或者其任何其他变体意在涵盖非排他性的包含,从而使得包括一系列要素的过程、方法、物品或者设备不仅包括那些要素,而且还包括没有明确列出的其他要素,或者是还包括为这种过程、方法、物品或者设备所固有的要素。
尽管已经示出和描述了本实用新型的实施例,对于本领域的普通技术人员而言,可以理解在不脱离本实用新型的原理和精神的情况下可以对这些实施例进行多种变化、修改、替换和变型,本实用新型的范围由所附权利要求及其等同物限定。
Claims (6)
1.一种用于水泥生产的装球装置,包括箱体(1),其特征在于:所述箱体(1)的两侧均固定安装有挂耳(2),所述箱体(1)的表面固定套设有固定环(3),所述固定环(3)的底部固定安装有四个支腿(4),所述箱体(1)的顶部固定安装有两个对称分布的进料筒(5),所述进料筒(5)的内部开设有进料通道(7),所述进料筒(5)的顶部固定安装有进料管(6),所述进料管(6)与所述进料通道(7)连通,所述箱体(1)的内部两侧均滑动安装有三角形承接台(8),所述承接台(8)的底部固定连接有弹簧(9),所述弹簧(9)远离所述承接台(8)的一端与所述箱体(1)的底部内壁固定连接,所述箱体(1)的顶部安装有电机(10),所述电机(10)的输出轴贯穿所述箱体(1)连接有螺杆(11),所述箱体(1)的底部开设有出料口,所述出料口内滑动连接有挡板(12),所述挡板(12)的顶部开设有螺纹孔,所述螺纹孔与所述螺杆(11)螺纹连接,所述挡板(12)的底部固定安装有四个L型半圆管(13),所述挡板(12)的顶部左右两侧均开设有滑孔,所述滑孔内滑动连接有限位杆(14)。
2.根据权利要求1所述的一种用于水泥生产的装球装置,其特征在于:两个所述挂耳(2)对称安装在所述箱体(1)的两侧,两个所述挂耳(2)的顶部均开设有吊孔。
3.根据权利要求1所述的一种用于水泥生产的装球装置,其特征在于:四个所述支腿(4)呈菱形分布在所述固定环(3)的底部。
4.根据权利要求1所述的一种用于水泥生产的装球装置,其特征在于:所述进料通道(7)呈连续Z字型分布在所述进料筒(5)内,所述进料通道(7)贯穿所述进料筒(5)的底部。
5.根据权利要求1所述的一种用于水泥生产的装球装置,其特征在于:所述箱体(1)的顶部内壁固定连接有轴承(15),所述电机(10)的输出轴与所述螺杆(11)的顶端均与所述轴承(15)的内圈固定连接,两个所述限位杆(14)的顶端与所述轴承(15)的底部两端固定连接。
6.根据权利要求1所述的一种用于水泥生产的装球装置,其特征在于:四个L型半圆管(13)以所述挡板(12)表面的螺纹孔为中心对称。
Priority Applications (1)
| Application Number | Priority Date | Filing Date | Title |
|---|---|---|---|
| CN202022081836.2U CN214262169U (zh) | 2020-09-22 | 2020-09-22 | 一种用于水泥生产的装球装置 |
Applications Claiming Priority (1)
| Application Number | Priority Date | Filing Date | Title |
|---|---|---|---|
| CN202022081836.2U CN214262169U (zh) | 2020-09-22 | 2020-09-22 | 一种用于水泥生产的装球装置 |
Publications (1)
| Publication Number | Publication Date |
|---|---|
| CN214262169U true CN214262169U (zh) | 2021-09-24 |
Family
ID=77805237
Family Applications (1)
| Application Number | Title | Priority Date | Filing Date |
|---|---|---|---|
| CN202022081836.2U Active CN214262169U (zh) | 2020-09-22 | 2020-09-22 | 一种用于水泥生产的装球装置 |
Country Status (1)
| Country | Link |
|---|---|
| CN (1) | CN214262169U (zh) |
-
2020
- 2020-09-22 CN CN202022081836.2U patent/CN214262169U/zh active Active
Similar Documents
| Publication | Publication Date | Title |
|---|---|---|
| CN206375360U (zh) | 一种定量分料装置 | |
| CN214262169U (zh) | 一种用于水泥生产的装球装置 | |
| CN203220938U (zh) | 磨机用分体式出料篦板 | |
| CN209716070U (zh) | 一种冷拔机接料台 | |
| CN109648454A (zh) | 用于管道加工的多用途双向滚动支架 | |
| CN208695956U (zh) | 一种冷轧机回转箱的冷轧油回收利用装置 | |
| CN201872155U (zh) | 一种作业台 | |
| CN204724304U (zh) | 一种分离式磨机用给料小车 | |
| CN206838224U (zh) | 自动加钢球装置 | |
| CN205128782U (zh) | 一种预应力钢丝放线盘 | |
| CN209615142U (zh) | 用于管道加工的多用途双向滚动支架 | |
| CN211277256U (zh) | 一种绕管式换热器穿芯子工装 | |
| CN109482588B (zh) | 一种水泥生产线结皮清理装置 | |
| CN205953127U (zh) | 一种钢卷加工用上料机构 | |
| CN201471120U (zh) | 管道多功能组对机 | |
| CN201472977U (zh) | 多用锥形输送辊道装置 | |
| CN209007174U (zh) | 一种嵌件翻转工装 | |
| CN223211059U (zh) | 一种钢管切割面打磨装置 | |
| CN210189705U (zh) | 一种检修组装工作台 | |
| CN205888091U (zh) | 一种液压车床专机 | |
| CN204842476U (zh) | 一种自动填料的冷轧管机 | |
| CN214567909U (zh) | 一种粉状物料存储仓支撑结构 | |
| CN209337419U (zh) | 一种新型高效螺旋溜槽 | |
| CN218857069U (zh) | 一种绝缘围栏安全加工用绝缘管裁切设备 | |
| CN203305077U (zh) | 钢管输送系统装置 |
Legal Events
| Date | Code | Title | Description |
|---|---|---|---|
| GR01 | Patent grant | ||
| GR01 | Patent grant |