CN214208962U - Portable LED ultraviolet automatic sterilizer - Google Patents
Portable LED ultraviolet automatic sterilizer Download PDFInfo
- Publication number
- CN214208962U CN214208962U CN202022315294.0U CN202022315294U CN214208962U CN 214208962 U CN214208962 U CN 214208962U CN 202022315294 U CN202022315294 U CN 202022315294U CN 214208962 U CN214208962 U CN 214208962U
- Authority
- CN
- China
- Prior art keywords
- switch
- led lamp
- time
- shell
- uvc led
- Prior art date
- Legal status (The legal status is an assumption and is not a legal conclusion. Google has not performed a legal analysis and makes no representation as to the accuracy of the status listed.)
- Active
Links
- 238000004659 sterilization and disinfection Methods 0.000 claims abstract description 21
- WHXSMMKQMYFTQS-UHFFFAOYSA-N Lithium Chemical compound [Li] WHXSMMKQMYFTQS-UHFFFAOYSA-N 0.000 claims abstract description 16
- 229910052744 lithium Inorganic materials 0.000 claims abstract description 16
- 240000008042 Zea mays Species 0.000 claims abstract description 13
- 235000002017 Zea mays subsp mays Nutrition 0.000 claims abstract description 13
- 235000016383 Zea mays subsp huehuetenangensis Nutrition 0.000 claims abstract description 7
- 235000009973 maize Nutrition 0.000 claims abstract description 7
- 230000001939 inductive effect Effects 0.000 claims abstract description 6
- RYGMFSIKBFXOCR-UHFFFAOYSA-N Copper Chemical compound [Cu] RYGMFSIKBFXOCR-UHFFFAOYSA-N 0.000 claims abstract description 4
- 229910052782 aluminium Inorganic materials 0.000 claims abstract description 4
- XAGFODPZIPBFFR-UHFFFAOYSA-N aluminium Chemical compound [Al] XAGFODPZIPBFFR-UHFFFAOYSA-N 0.000 claims abstract description 4
- 229910052802 copper Inorganic materials 0.000 claims abstract description 4
- 239000010949 copper Substances 0.000 claims abstract description 4
- 238000003466 welding Methods 0.000 claims abstract description 4
- 230000006698 induction Effects 0.000 claims description 8
- 239000011324 bead Substances 0.000 claims description 7
- 239000003292 glue Substances 0.000 claims description 6
- 239000000758 substrate Substances 0.000 claims description 6
- 229910052751 metal Inorganic materials 0.000 claims description 3
- 239000002184 metal Substances 0.000 claims description 3
- 244000000010 microbial pathogen Species 0.000 abstract description 14
- 241000894006 Bacteria Species 0.000 abstract description 8
- 241000700605 Viruses Species 0.000 abstract description 8
- 230000000694 effects Effects 0.000 abstract description 6
- 230000001954 sterilising effect Effects 0.000 abstract description 5
- 210000000056 organ Anatomy 0.000 abstract 2
- 239000004411 aluminium Substances 0.000 abstract 1
- 235000005824 Zea mays ssp. parviglumis Nutrition 0.000 description 6
- 235000005822 corn Nutrition 0.000 description 6
- 238000005406 washing Methods 0.000 description 6
- 238000000034 method Methods 0.000 description 5
- 238000010586 diagram Methods 0.000 description 2
- 229920003023 plastic Polymers 0.000 description 2
- 239000004033 plastic Substances 0.000 description 2
- 230000001172 regenerating effect Effects 0.000 description 2
- 230000007306 turnover Effects 0.000 description 2
- 208000035473 Communicable disease Diseases 0.000 description 1
- 208000027418 Wounds and injury Diseases 0.000 description 1
- 230000006378 damage Effects 0.000 description 1
- 238000007872 degassing Methods 0.000 description 1
- 230000003111 delayed effect Effects 0.000 description 1
- 239000000645 desinfectant Substances 0.000 description 1
- 230000000249 desinfective effect Effects 0.000 description 1
- 201000010099 disease Diseases 0.000 description 1
- 208000037265 diseases, disorders, signs and symptoms Diseases 0.000 description 1
- 230000005611 electricity Effects 0.000 description 1
- 238000005286 illumination Methods 0.000 description 1
- 208000014674 injury Diseases 0.000 description 1
- 239000000126 substance Substances 0.000 description 1
Images
Landscapes
- Apparatus For Disinfection Or Sterilisation (AREA)
Abstract
The utility model discloses a portable LED ultraviolet ray automatic sterilizer, including shell, ultraviolet device and electronic control device, ultraviolet device, including maize appearance lighting fixture, UVC LED lamp module and DC6-24V lithium cell, UVC LED lamp module constitute by UVC LED lamp pearl welding on aluminium base board or copper base plate, be connected with DC6-24V lithium cell through flexible electric wire, electronic control device constitute by delay time relay module, bee calling organ, supply socket, master switch, disinfection switch and human inductive switch, delay time relay module be connected with DC6-24V lithium cell, bee calling organ, supply socket, master switch, disinfection switch and human inductive switch respectively, delay time relay module still be connected with UVC LED lamp module. The principle is that pathogenic microorganisms such as bacteria, viruses and the like are killed by the physical sterilization effect of ultraviolet irradiation. The portable charger has the advantages of small volume, light weight, portability, charging and simple use.
Description
Technical Field
The utility model belongs to a medical and domestic degassing unit field mainly relates to and utilizes ultraviolet C wave band to shine in the car, inside washing machine, inside refrigerator and bedding etc. exterminate foretell various pathogenic microorganisms's a portable LED ultraviolet ray automatic sterilizer.
Background
When people use the bedding articles of automobiles, washing machines, refrigerators, hotels and the like, a large amount of pathogenic microorganisms such as bacteria, viruses and the like are generated and mainly deposited on the surfaces of the articles. The products are usually used by many people repeatedly, so that the spread of pathogenic microorganisms such as bacteria, viruses and the like among people is easily caused, and infectious diseases are caused. At present, in order to prevent the articles from infecting diseases through pathogenic microorganisms such as bacteria, viruses and the like, the articles are sprayed and wiped by chemical disinfectants, but the method is labor-consuming and inconvenient, and the disinfection effect is not obvious, so that a device capable of killing the pathogenic microorganisms such as bacteria, viruses and the like on the surfaces of the articles is needed very much at present.
Disclosure of Invention
An object of the utility model is to provide a portable LED ultraviolet ray automatic sterilizer, can shine ultraviolet C wave band in the car, inside washing machine, the inside surfaces such as bedding of refrigerator, exterminate a portable LED ultraviolet ray automatic sterilizer of various pathogenic microorganisms, it is very convenient to use moreover.
Therefore, in order to achieve the above purpose, the utility model provides a portable LED ultraviolet automatic sterilizer, which comprises a shell, an ultraviolet device and an electronic control device, wherein the shell is a quadrilateral box structure made of plastics, the ultraviolet device comprises a corn sample lamp holder, a UVC LED lamp module and a DC6-24V lithium battery, the corn sample lamp holder is a corn sample bracket made of metal and is arranged at the top of the shell, the UVC LED lamp module is formed by welding UVC LED lamp beads on an aluminum substrate or a copper substrate and is connected with the DC6-24V lithium battery through a flexible wire, the DC6-24V lithium battery is arranged in a box body of the shell, the electronic control device is formed by a delay time relay module, a buzzer, a power socket, a master switch, a disinfection switch and a human body induction switch, the delay time relay module is arranged in the box body of the shell, the corn-like illumination device is characterized by being connected with a DC6-24V lithium battery, a buzzer, a power socket, a main switch, a disinfection switch and a human body induction switch respectively, wherein the buzzer is installed in a box body of the shell, the power socket, the main switch and the disinfection switch are installed on a panel on the side face of the box body of the shell respectively, the human body induction switch is installed at the top of the corn-like lamp bracket, and the delay time relay module is further connected with the UVC LED lamp module. The UVC LED lamp module comprises 36-44 UVC LED lamp beads with power of 0.4-1.0W and wavelength of 260-275 nm. The UVC LED lamp module group pass through the heat-conducting glue and evenly arrange and glue all around and the top at maize appearance lighting fixture. The size length of the shell is 135-145mm, the width is 76-80mm, and the height is 28-32mm, and the size length of the corn-like lamp holder is 45-55mm and the height is 80-90 mm. The sound of the buzzer is emitted once per second. The delay time relay module has the functions of controlling the A time and the B time, wherein the A time is delay opening time and is adjustable from 1 to 999 seconds, the B time is opening time and is adjustable from 1 to 999 seconds, and the A time is automatically closed after the B time.
The principle of the utility model is that the molecular structure of DNA or RNA in pathogenic microorganism organism cells is destroyed by the physical sterilization effect of ultraviolet C wave band irradiation, which causes the death of growth cells and (or) the death of regenerative cells, and the effect of killing pathogenic microorganisms is achieved. Can kill a large amount of pathogenic microorganisms such as bacteria and viruses generated in the process of using automobiles, washing machines, refrigerators, bedding articles and the like.
To sum up, the utility model has the advantages that: the portable rechargeable battery has the advantages of small volume, light weight, portability, rechargeable performance, simple use and low price, and is well received by the markets of hospitals and families.
Additional features and advantages of the invention will be set forth in the description which follows, and in part will be obvious from the description, or may be learned by the practice of the invention. The objectives and other advantages of the invention will be realized and attained by the structure particularly pointed out in the written description and claims hereof as well as the appended drawings.
The technical solution of the present invention is further described in detail by the accompanying drawings and examples.
Drawings
The accompanying drawings are included to provide a further understanding of the invention, and are incorporated in and constitute a part of this specification, illustrate embodiments of the invention, and together with the description serve to explain the invention and not to limit the invention.
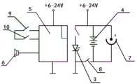
Fig. 1 is a schematic structural diagram of the present invention.
Fig. 2 is a circuit block diagram of the present invention.
In the drawings: 1. a housing; 2. a corn-like lamp holder; 3. the UVC LED lamp module; 4. DC6-24V lithium battery; 5. a delay time relay module; 6. A buzzer; 7. a power socket; 8. a master switch; 9. a disinfection switch 10 and a human body induction switch.
Detailed Description
In order to make the above objects, features and advantages of the present invention more comprehensible, the present invention is described in detail with reference to the accompanying drawings and the detailed description.
Referring to the drawings, the utility model provides a portable LED ultraviolet automatic sterilizer, which comprises a shell 1, an ultraviolet device and an electronic control device, wherein the shell 1 is a quadrilateral box structure made of plastics, the ultraviolet device comprises a corn sample lamp holder 2, a UVC LED lamp module 3 and a DC6-24V lithium battery 4, the corn sample lamp holder 2 is a corn sample bracket made of metal and is arranged at the top of the shell 1, the UVC LED lamp module 3 is formed by welding UVC LED lamp beads on an aluminum substrate or a copper substrate and is connected with the DC6-24V lithium battery 4 through a flexible wire, the DC6-24V lithium battery 4 is arranged in a box body of the shell 1, the electronic control device is formed by a delay time relay module 5, a buzzer 6, a power socket 7, a master switch 8, a sterilization switch 9 and a human body induction switch 10, the time delay relay module 5 is installed in a box body of the shell 1 and is respectively connected with a DC6-24V lithium battery 4, a buzzer 6, a power socket 7, a main switch 8, a disinfection switch 9 and a human body induction switch 10, the buzzer 6 is installed in the box body of the shell 1, the power socket 7, the main switch 8 and the disinfection switch 9 are respectively installed on a panel on the side face of the box body of the shell 1, the human body induction switch 10 is installed at the top of the corn-like lamp bracket 2, and the time delay relay module 5 is further connected with the UVC LED lamp module 3. The UVC LED lamp module 3 comprises 36-44 UVC LED lamp beads with power of 0.4-1.0W and wavelength of 260-275 nm. The UVC LED lamp module 3 evenly arrange through the heat-conducting glue and glue around and on the top of maize appearance lighting fixture 2. The size length of the shell 1 is 135-145mm, the width is 76-80mm, and the height is 28-32mm, and the size length of the corn-like lamp holder 2 is 45-55mm and the height is 80-90 mm. The sound of the buzzer 6 is emitted once per second. The delay time relay module 5 has the functions of controlling the A time and the B time, wherein the A time is delay opening time and is adjustable from 1 to 999 seconds, the B time is opening time and is adjustable from 1 to 999 seconds, and the A time is automatically closed after the B time.
When using the utility model discloses the time, it is earlier right the utility model discloses lay, place in the car or inside washing machine or the inside or bedding next door of refrigerator with shell 1 of the maize appearance lighting fixture 2 that the top was equipped with UVC LED lamp module 3, insert supply socket 7 with 6-24V charger power plug in, charge DC6-24V lithium cell 4, after being full of the electricity, pull out the 6-24V charger power plug on the supply socket 7, open master switch 8 spare. When the articles are disinfected, the disinfection switch 9 is turned on, the delay time relay module 5 is turned on at the moment, the A time runs, the A time is delayed for 15-30 seconds and then is sucked, the time for 15-30 seconds to leave is given to personnel for disinfecting the articles, the buzzer 6 and the UVC LED lamp module 3 are not started at the moment, then the B time runs, the delay time relay module 5 is sucked for 300-600 seconds, the buzzer 6 and the UVC LED lamp module 3 are started at the same time, the buzzer 6 starts to work and emit a drop sound once per second, the work is carried out for 300-600 seconds, the UVC LED lamp beads on the UVC LED lamp module 3 work at the same time to generate C-band ultraviolet rays which irradiate the articles, the time is 300-600 seconds, and bacteria, viruses and other pathogenic microorganisms on the surfaces of the articles are killed. The time delay relay module 5 automatically stops after the time B is 300 and 600 seconds, and meanwhile, the buzzer 6 and the UVC LED lamp module 3 stop working to prompt an operator to finish disinfection. If in the disinfection process, someone gets into sterile scene, install immediately after the human inductive switch 10 at 2 tops of maize appearance lighting fixture senses the human body disconnection this moment, time delay relay module 5 disconnection, buzzer 8, UVC LED lamp area 3 disconnection simultaneously this moment, so even do not influence personnel's business turn over in disinfection process, and avoided business turn over personnel to touch the ultraviolet ray by mistake. The main switch 8 can be closed if the sterilizer is not used for a longer time. This sterilization can be repeated cyclically.
The utility model discloses a physical sterilization effect through ultraviolet C wave band irradiation destroys the molecular structure of DNA or RNA in the pathogenic microorganism organism cell, causes the death of growth nature cell and (or) the death of regenerative cell, reaches the effect of killing pathogenic microorganism. Pathogenic microorganisms such as bacteria and viruses on the surfaces of the interior of an automobile, the interior of a washing machine, the interior of a refrigerator, bedding and the like are killed. The portable ultraviolet lamp has the advantages of small volume, light weight, convenient carrying, charging, simple use and low price, and the design of the human body inductive switch is added, so that the lamp is turned off when a person comes, and the potential injury risk to the human body caused by the accidental contact of ultraviolet rays is avoided.
The above detailed description is provided for the portable LED ultraviolet automatic sterilizer provided by the present application, and the principle and the embodiments of the present application are explained by using specific examples, and the above descriptions of the examples are only used to help understanding the method and the core idea of the present application; meanwhile, for a person skilled in the art, according to the idea of the present application, there may be variations in the specific embodiments and the application scope, and in summary, the content of the present specification should not be construed as a limitation to the present application.
Claims (6)
1. The utility model provides a portable LED ultraviolet ray automatic sterilizer which characterized in that: the corn-like lamp bracket is a corn-like bracket made of metal and is arranged at the top of the shell, the UVC LED lamp module is formed by welding UVC LED lamp beads on an aluminum substrate or a copper substrate and is connected with a DC6-24V lithium battery through a flexible electric wire, the DC6-24V lithium battery is arranged in the box body of the shell, the electronic control device is formed by a delay time relay module, a buzzer, a power socket, a main switch, a disinfection switch and a human body induction switch, the delay time relay module is arranged in the box body of the shell and is respectively connected with the DC6-24V lithium battery, Buzzer, supply socket, master switch, disinfection switch and human inductive switch are connected, buzzer install in the box of shell, supply socket, master switch and disinfection switch install respectively on the panel of the box side of shell, human inductive switch install the top at maize appearance lighting fixture, time delay relay module still be connected with UVC LED lamp module group.
2. The portable LED uv automatic sterilizer of claim 1, wherein: the UVC LED lamp module comprises 36-44 UVC LED lamp beads with power of 0.4-1.0W and wavelength of 260-275 nm.
3. The portable LED uv automatic sterilizer of claim 1, wherein: the UVC LED lamp module group pass through the heat-conducting glue and evenly arrange and glue all around and the top at maize appearance lighting fixture.
4. The portable LED uv automatic sterilizer of claim 1, wherein: the size length of the shell is 135-145mm, the width is 76-80mm, and the height is 28-32mm, and the size length of the corn-like lamp holder is 45-55mm and the height is 80-90 mm.
5. The portable LED uv automatic sterilizer of claim 1, wherein: the sound of the buzzer is emitted once per second.
6. The portable LED uv automatic sterilizer of claim 1, wherein: the delay time relay module has the functions of controlling the A time and the B time, wherein the A time is delay opening time and is adjustable from 1 to 999 seconds, the B time is opening time and is adjustable from 1 to 999 seconds, and the A time is automatically closed after the B time.
Priority Applications (1)
| Application Number | Priority Date | Filing Date | Title |
|---|---|---|---|
| CN202022315294.0U CN214208962U (en) | 2020-10-18 | 2020-10-18 | Portable LED ultraviolet automatic sterilizer |
Applications Claiming Priority (1)
| Application Number | Priority Date | Filing Date | Title |
|---|---|---|---|
| CN202022315294.0U CN214208962U (en) | 2020-10-18 | 2020-10-18 | Portable LED ultraviolet automatic sterilizer |
Publications (1)
| Publication Number | Publication Date |
|---|---|
| CN214208962U true CN214208962U (en) | 2021-09-17 |
Family
ID=77694695
Family Applications (1)
| Application Number | Title | Priority Date | Filing Date |
|---|---|---|---|
| CN202022315294.0U Active CN214208962U (en) | 2020-10-18 | 2020-10-18 | Portable LED ultraviolet automatic sterilizer |
Country Status (1)
| Country | Link |
|---|---|
| CN (1) | CN214208962U (en) |
-
2020
- 2020-10-18 CN CN202022315294.0U patent/CN214208962U/en active Active
Similar Documents
| Publication | Publication Date | Title |
|---|---|---|
| CN104307006B (en) | Multifunctional clothes disinfection machine | |
| CN211096243U (en) | Intelligent ultraviolet sterilization device | |
| CN212699744U (en) | Ultraviolet sterilizer with grid turntable | |
| CN214208962U (en) | Portable LED ultraviolet automatic sterilizer | |
| CN214208961U (en) | Portable LED ultraviolet sterilizer | |
| CN201223570Y (en) | Ultraviolet ray sterilizing device of notebook computer and notebook computer with the same | |
| CN212382561U (en) | Toilet lid automatic sterilizer | |
| CN212997541U (en) | A UV disinfection package | |
| CN211399489U (en) | LED intelligence ultraviolet sterilization lamps and lanterns | |
| CN210036205U (en) | Equipment capable of sterilizing and drying toothbrush holder and chopstick box | |
| CN112472838A (en) | Split type sterilizing and disinfecting device | |
| CN212817298U (en) | Automatic sterilizer for closestool | |
| CN114376436A (en) | An automatic toilet sterilizer | |
| CN209995527U (en) | case with LED deep ultraviolet light simultaneous heating and sterilization functions | |
| CN212437631U (en) | Mobile power supply dismantles multi-functional draw-bar box of removing flavor disinfection | |
| CN210447655U (en) | Efficient movable sterilizer | |
| CN114377164A (en) | Automatic sterilizer for closestool | |
| CN214260069U (en) | Toilet lid sterilizer | |
| CN212880306U (en) | Automatic sterilizer for sole | |
| CN212880266U (en) | Shoe sole sterilizer | |
| CN214388277U (en) | Split type sterilizing and disinfecting device | |
| CN212437636U (en) | Portable power source ultraviolet sterilization disinfection draw-bar box | |
| CN212235372U (en) | Automatic LED ultraviolet ray sole sterilizer | |
| CN103341189A (en) | Car foot mat sterilizer | |
| CN212817264U (en) | an ultraviolet sterilizer |
Legal Events
| Date | Code | Title | Description |
|---|---|---|---|
| GR01 | Patent grant | ||
| GR01 | Patent grant |