CN214175043U - 一种计算机专用的低噪音式计算机散热装置 - Google Patents
一种计算机专用的低噪音式计算机散热装置 Download PDFInfo
- Publication number
- CN214175043U CN214175043U CN202120273301.7U CN202120273301U CN214175043U CN 214175043 U CN214175043 U CN 214175043U CN 202120273301 U CN202120273301 U CN 202120273301U CN 214175043 U CN214175043 U CN 214175043U
- Authority
- CN
- China
- Prior art keywords
- cloth cover
- cover
- supporting seat
- installs
- computer
- Prior art date
- Legal status (The legal status is an assumption and is not a legal conclusion. Google has not performed a legal analysis and makes no representation as to the accuracy of the status listed.)
- Expired - Fee Related
Links
- 239000004744 fabric Substances 0.000 claims abstract description 59
- 229920000742 Cotton Polymers 0.000 claims abstract description 20
- 238000010521 absorption reaction Methods 0.000 claims abstract description 7
- 230000017525 heat dissipation Effects 0.000 claims description 16
- 239000000428 dust Substances 0.000 abstract description 3
- 230000000149 penetrating effect Effects 0.000 description 10
- 238000000034 method Methods 0.000 description 2
- 206010066054 Dysmorphism Diseases 0.000 description 1
- 230000009286 beneficial effect Effects 0.000 description 1
- 238000012986 modification Methods 0.000 description 1
- 230000004048 modification Effects 0.000 description 1
- 239000000178 monomer Substances 0.000 description 1
- 238000003466 welding Methods 0.000 description 1
Images
Landscapes
- Cooling Or The Like Of Electrical Apparatus (AREA)
- Casings For Electric Apparatus (AREA)
Abstract
本实用新型公开了一种计算机专用的低噪音式计算机散热装置,包括第一布罩、限位块和遮布,所述第一布罩的外表面固定安装有固定块,且第一布罩的上方安装有第二布罩,所述限位块安装在第二布罩的内表面位置,且第二布罩的上表面连接有连接板,所述遮布安装在连接板的上方位置,且遮布的底部安装有限位板,所述第一布罩的内部安装有支撑座,且支撑座的上方安装有盖板,所述盖板的内部贯穿安装有夹持板,且夹持板的内部贯穿安装有横杆,所述盖板的四角均贯穿安装有螺杆,所述支撑座的内部安装有吸音棉。该计算机专用的低噪音式计算机散热装置,不仅具有吸音功能,噪音小,而且能够避免计算机的表面落灰。
Description
技术领域
本实用新型涉及计算机散热技术领域,具体为一种计算机专用的低噪音式计算机散热装置。
背景技术
计算机在使用过程中温度会升高,如果不及时处理,会影响计算机的正常使用,减少其使用寿命,现有的散热装置通常采用散热扇的形式,快速便捷。
目前常用的计算机专用的低噪音式计算机散热装置,不仅不具有吸音功能,噪音大,而且不能够避免计算机的表面落灰,因此,我们提出一种计算机专用的低噪音式计算机散热装置,以便于解决上述中提出的问题。
发明内容
本实用新型的目的在于提供一种计算机专用的低噪音式计算机散热装置,以解决上述背景技术提出的目前常用的计算机专用的低噪音式计算机散热装置,不仅不具有吸音功能,噪音大,而且不能够避免计算机的表面落灰的问题。
为实现上述目的,本实用新型提供如下技术方案:一种计算机专用的低噪音式计算机散热装置,包括第一布罩、限位块和遮布,所述第一布罩的外表面固定安装有固定块,且第一布罩的上方安装有第二布罩,所述限位块安装在第二布罩的内表面位置,且第二布罩的上表面连接有连接板,所述遮布安装在连接板的上方位置,且遮布的底部安装有限位板,所述第一布罩的内部安装有支撑座,且支撑座的上方安装有盖板,所述盖板的内部贯穿安装有夹持板,且夹持板的内部贯穿安装有横杆,所述盖板的四角均贯穿安装有螺杆,所述支撑座的内部安装有吸音棉,且吸音棉的内侧安装有第一支撑架,所述第一支撑架的内部贯穿安装有第二支撑架,且第二支撑架的内侧连接有第一承载杆,所述第一承载杆的左右两端均贯穿安装有第二承载杆,且第二承载杆贯穿安装在轴承的内部,所述第一支撑架的内侧安装有散热扇,所述支撑座的底部连接有支撑杆,且支撑杆的内部贯穿安装有紧固杆,所述紧固杆贯穿安装在底座的内部。
优选的,所述固定块与限位块对应设置,且固定块与限位块之间的连接方式为卡合连接。
优选的,所述支撑座与盖板之间构成拆卸结构,且盖板与夹持板之间构成滑动结构。
优选的,所述第一支撑架与第二支撑架之间构成伸缩结构,且第一支撑架与吸音棉紧密贴合。
优选的,所述第一承载杆的内表面和第二承载杆的外表面均为螺纹状结构,且第二承载杆单体之间的螺纹方向相反。
优选的,所述紧固杆与支撑座之间构成转动结构,且紧固杆与支撑杆之间构成连动结构。
与现有技术相比,本实用新型的有益效果是:该计算机专用的低噪音式计算机散热装置,不仅具有吸音功能,噪音小,而且能够避免计算机的表面落灰;
1.吸音棉与支撑座之间的连接方式为卡合连接,第一支撑架与第二支撑架之间构成的伸缩结构,能够对吸音棉进行固定,吸音棉可以减弱该装置产生的噪音,同时方便对吸音棉进行更换;
2.支撑座的外侧套有第一布罩,固定块与限位块之间的连接方式为卡合连接,方便对第一布罩和第二布罩进行固定,连接板与限位板之间的连接方式为磁性连接,便于对第二布罩和遮布进行固定,第二布罩和第一布罩能够对计算机进行遮挡,避免计算机的表面落灰;
3.支撑座的顶部卡合安装有盖板,盖板通过螺杆与支撑座固定设置,便于将支撑座打开,并对内部的散热扇进行检修,盖板的上方卡合安装有夹持板,夹持板与横杆之间构成的连动结构能够对计算机进行固定。
附图说明
图1为本实用新型正面剖切结构示意图;
图2为本实用新型第二承载杆与轴承连接俯视结构示意图;
图3为本实用新型俯视剖切结构示意图;
图4为本实用新型第二布罩整体结构示意图;
图5为本实用新型图1中A处放大结构示意图。
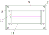
图中:1、第一布罩;2、固定块;3、第二布罩;4、限位块;5、连接板;6、遮布;7、限位板;8、支撑座;9、盖板;10、夹持板;11、横杆;12、螺杆;13、吸音棉;14、第一支撑架;15、第二支撑架;16、第一承载杆;17、第二承载杆;18、轴承;19、散热扇;20、支撑杆;21、紧固杆;22、底座。
具体实施方式
下面将结合本实用新型实施例中的附图,对本实用新型实施例中的技术方案进行清楚、完整地描述,显然,所描述的实施例仅仅是本实用新型一部分实施例,而不是全部的实施例。基于本实用新型中的实施例,本领域普通技术人员在没有做出创造性劳动前提下所获得的所有其他实施例,都属于本实用新型保护的范围。
请参阅图1-5,本实用新型提供一种技术方案:一种计算机专用的低噪音式计算机散热装置,包括第一布罩1、固定块2、第二布罩3、限位块4、连接板5、遮布6、限位板7、支撑座8、盖板9、夹持板10、横杆11、螺杆12、吸音棉13、第一支撑架14、第二支撑架15、第一承载杆16、第二承载杆17、轴承18、散热扇19、支撑杆20、紧固杆21和底座22,第一布罩1的外表面固定安装有固定块2,且第一布罩1的上方安装有第二布罩3,固定块2与限位块4对应设置,且固定块2与限位块4之间的连接方式为卡合连接,便于对固定块2与限位块4进行固定,限位块4安装在第二布罩3的内表面位置,且第二布罩3的上表面连接有连接板5,遮布6安装在连接板5的上方位置,且遮布6的底部安装有限位板7,支撑座8与盖板9之间构成拆卸结构,且盖板9与夹持板10之间构成滑动结构,便于对支撑座8与盖板9之间进行固定,第一布罩1的内部安装有支撑座8,且支撑座8的上方安装有盖板9,盖板9的内部贯穿安装有夹持板10,且夹持板10的内部贯穿安装有横杆11,盖板9的四角均贯穿安装有螺杆12,支撑座8的内部安装有吸音棉13,且吸音棉13的内侧安装有第一支撑架14,第一支撑架14与第二支撑架15之间构成伸缩结构,且第一支撑架14与吸音棉13紧密贴合,便于调整第一支撑架14与第二支撑架15之间的距离,第一支撑架14的内部贯穿安装有第二支撑架15,且第二支撑架15的内侧连接有第一承载杆16,第一承载杆16的左右两端均贯穿安装有第二承载杆17,且第二承载杆17贯穿安装在轴承18的内部,第一支撑架14的内侧安装有散热扇19,支撑座8的底部连接有支撑杆20,且支撑杆20的内部贯穿安装有紧固杆21,紧固杆21贯穿安装在底座22的内部。
如图2中第一承载杆16的内表面和第二承载杆17的外表面均为螺纹状结构,且第二承载杆17单体之间的螺纹方向相反,第一承载杆16的转动使得第二承载杆17移动。
如图1中紧固杆21与支撑座8之间构成转动结构,且紧固杆21与支撑杆20之间构成连动结构,便于调整支撑座8的角度。
工作原理:在使用该计算机专用的低噪音式计算机散热装置时,如图1中支撑座8的顶部卡合安装有盖板9,盖板9通过螺杆12与支撑座8固定设置,便于将支撑座8打开,并对内部的散热扇19进行检修,盖板9的上方卡合安装有夹持板10,夹持板10的内部贯穿安装有横杆11,横杆11的外表面为螺纹状结构,用手转动横杆11,横杆11的转动使得夹持板10移动,夹持板10能够对计算机进行固定,支撑座8与底座22之间构成转动结构,支撑座8与支撑杆20之间构成转动结构,支撑杆20的内部贯穿安装有紧固杆21,紧固杆21的外表面为螺纹状结构,支撑杆20与底座22之间构成滑动结构,用手转动紧固杆21,便于调整支撑座8和计算机的角度,方便使用,支撑座8的外侧套有第一布罩1,且第一布罩1的外表面固定安装有固定块2,第二布罩3的内表面固定安装有限位块4,固定块2与限位块4对应设置,且固定块2与限位块4之间的连接方式为卡合连接,方便对第一布罩1和第二布罩3进行固定,同时便于调整第二布罩3与第一布罩1之间的距离,第二布罩3的上方安装有遮布6,连接板5与限位板7之间的连接方式为磁性连接,便于对第二布罩3和遮布6进行固定,第二布罩3和第一布罩1能够对计算机进行遮挡,避免计算机的表面落灰,使用时将吸音棉13贴合安装在支撑座8的内表面,第一支撑架14与第二支撑架15之间构成伸缩结构,第二支撑架15的内部贯穿安装有第二承载杆17,第一承载杆16的内表面和第二承载杆17的外表面均为螺纹状结构,且第二承载杆17左右两端的螺纹方向相反,用手转动第一承载杆16,第一承载杆16的转动使得第一支撑架14和第二支撑架15移动,便于调整第一支撑架14和第二支撑架15之间的距离,第一支撑架14和第二支撑架15能够对吸音棉13进行固定,吸音棉13可以减弱该装置产生的噪音,同时方便对吸音棉13进行更换,这就是该计算机专用的低噪音式计算机散热装置的整个工作过程。
本说明书中未作详细描述的内容属于本领域专业技术人员公知的现有技术。本实用新型使用到的标准零件均可以从市场上购买,异形件根据说明书的和附图的记载均可以进行订制,各个零件的具体连接方式均采用现有技术中成熟的螺栓、铆钉、焊接等常规手段,机械、零件和设备均采用现有技术中,常规的型号,加上电路连接采用现有技术中常规的连接方式,在此不再详述。
尽管参照前述实施例对本实用新型进行了详细的说明,对于本领域的技术人员来说,其依然可以对前述各实施例所记载的技术方案进行修改,或者对其中部分技术特征进行等同替换,凡在本实用新型的精神和原则之内,所作的任何修改、等同替换、改进等,均应包含在本实用新型的保护范围之内。
Claims (6)
1.一种计算机专用的低噪音式计算机散热装置,包括第一布罩(1)、限位块(4)和遮布(6),其特征在于:所述第一布罩(1)的外表面固定安装有固定块(2),且第一布罩(1)的上方安装有第二布罩(3),所述限位块(4)安装在第二布罩(3)的内表面位置,且第二布罩(3)的上表面连接有连接板(5),所述遮布(6)安装在连接板(5)的上方位置,且遮布(6)的底部安装有限位板(7),所述第一布罩(1)的内部安装有支撑座(8),且支撑座(8)的上方安装有盖板(9),所述盖板(9)的内部贯穿安装有夹持板(10),且夹持板(10)的内部贯穿安装有横杆(11),所述盖板(9)的四角均贯穿安装有螺杆(12),所述支撑座(8)的内部安装有吸音棉(13),且吸音棉(13)的内侧安装有第一支撑架(14),所述第一支撑架(14)的内部贯穿安装有第二支撑架(15),且第二支撑架(15)的内侧连接有第一承载杆(16),所述第一承载杆(16)的左右两端均贯穿安装有第二承载杆(17),且第二承载杆(17)贯穿安装在轴承(18)的内部,所述第一支撑架(14)的内侧安装有散热扇(19),所述支撑座(8)的底部连接有支撑杆(20),且支撑杆(20)的内部贯穿安装有紧固杆(21),所述紧固杆(21)贯穿安装在底座(22)的内部。
2.根据权利要求1所述的一种计算机专用的低噪音式计算机散热装置,其特征在于:所述固定块(2)与限位块(4)对应设置,且固定块(2)与限位块(4)之间的连接方式为卡合连接。
3.根据权利要求1所述的一种计算机专用的低噪音式计算机散热装置,其特征在于:所述支撑座(8)与盖板(9)之间构成拆卸结构,且盖板(9)与夹持板(10)之间构成滑动结构。
4.根据权利要求1所述的一种计算机专用的低噪音式计算机散热装置,其特征在于:所述第一支撑架(14)与第二支撑架(15)之间构成伸缩结构,且第一支撑架(14)与吸音棉(13)紧密贴合。
5.根据权利要求1所述的一种计算机专用的低噪音式计算机散热装置,其特征在于:所述第一承载杆(16)的内表面和第二承载杆(17)的外表面均为螺纹状结构,且第二承载杆(17)单体之间的螺纹方向相反。
6.根据权利要求1所述的一种计算机专用的低噪音式计算机散热装置,其特征在于:所述紧固杆(21)与支撑座(8)之间构成转动结构,且紧固杆(21)与支撑杆(20)之间构成连动结构。
Priority Applications (1)
| Application Number | Priority Date | Filing Date | Title |
|---|---|---|---|
| CN202120273301.7U CN214175043U (zh) | 2021-02-01 | 2021-02-01 | 一种计算机专用的低噪音式计算机散热装置 |
Applications Claiming Priority (1)
| Application Number | Priority Date | Filing Date | Title |
|---|---|---|---|
| CN202120273301.7U CN214175043U (zh) | 2021-02-01 | 2021-02-01 | 一种计算机专用的低噪音式计算机散热装置 |
Publications (1)
| Publication Number | Publication Date |
|---|---|
| CN214175043U true CN214175043U (zh) | 2021-09-10 |
Family
ID=77594416
Family Applications (1)
| Application Number | Title | Priority Date | Filing Date |
|---|---|---|---|
| CN202120273301.7U Expired - Fee Related CN214175043U (zh) | 2021-02-01 | 2021-02-01 | 一种计算机专用的低噪音式计算机散热装置 |
Country Status (1)
| Country | Link |
|---|---|
| CN (1) | CN214175043U (zh) |
-
2021
- 2021-02-01 CN CN202120273301.7U patent/CN214175043U/zh not_active Expired - Fee Related
Similar Documents
| Publication | Publication Date | Title |
|---|---|---|
| CN214175043U (zh) | 一种计算机专用的低噪音式计算机散热装置 | |
| CN109857230A (zh) | 一种网络安全用具有除尘功能的服务器散热装置 | |
| CN210348402U (zh) | 一种计算机散热架 | |
| CN211221480U (zh) | 一种市政建设用防尘降噪的切割装置 | |
| CN210069302U (zh) | 一种多功能平板计算机支架 | |
| CN212933395U (zh) | 一种易拆装的机箱外壳 | |
| CN210444134U (zh) | 一种粮机专用三相异步电动机 | |
| CN212657508U (zh) | 一种工业互联网用信号接收器 | |
| CN210983191U (zh) | 防辐射双开玻璃电脑机箱 | |
| CN210864518U (zh) | 一种高效降噪的计算机主机箱 | |
| CN219738100U (zh) | 一种cpu固定架 | |
| CN221839326U (zh) | 一种建筑机电设备的减震保护装置 | |
| CN221547347U (zh) | 一种风机内嵌多源数据采集传感器 | |
| CN217183124U (zh) | 一种新型机电一体化电机用保护装置 | |
| CN220302372U (zh) | 便于安装固定的双排风扇 | |
| CN220121209U (zh) | 计算机机箱 | |
| CN221923801U (zh) | 一种地铁通风的防尘装置 | |
| CN219571430U (zh) | 3d扫描仪的定位机构 | |
| CN220335425U (zh) | 一种便于固定的针织加工用防护罩 | |
| CN211956326U (zh) | 一种具有防尘效果的计算机机箱 | |
| CN215581223U (zh) | 一种通信工程用防摔型路由器 | |
| CN221840459U (zh) | 一种探头支架 | |
| CN212906191U (zh) | 一种热量均匀分布的散热器板 | |
| CN218957124U (zh) | 一种机房服务器安装架 | |
| CN212821514U (zh) | 一种便于除尘的风冷式水冷机 |
Legal Events
| Date | Code | Title | Description |
|---|---|---|---|
| GR01 | Patent grant | ||
| GR01 | Patent grant | ||
| CF01 | Termination of patent right due to non-payment of annual fee | ||
| CF01 | Termination of patent right due to non-payment of annual fee |
Granted publication date: 20210910 Termination date: 20220201 |