CN214071177U - 一种用于畜牧业养殖的动物饮水装置 - Google Patents
一种用于畜牧业养殖的动物饮水装置 Download PDFInfo
- Publication number
- CN214071177U CN214071177U CN202120040309.9U CN202120040309U CN214071177U CN 214071177 U CN214071177 U CN 214071177U CN 202120040309 U CN202120040309 U CN 202120040309U CN 214071177 U CN214071177 U CN 214071177U
- Authority
- CN
- China
- Prior art keywords
- water
- fixed
- animal
- faucet
- booster pump
- Prior art date
- Legal status (The legal status is an assumption and is not a legal conclusion. Google has not performed a legal analysis and makes no representation as to the accuracy of the status listed.)
- Expired - Fee Related
Links
- 241001465754 Metazoa Species 0.000 title claims abstract description 56
- 238000009395 breeding Methods 0.000 title description 8
- 230000001488 breeding effect Effects 0.000 title description 8
- 230000035622 drinking Effects 0.000 title description 7
- XLYOFNOQVPJJNP-UHFFFAOYSA-N water Substances O XLYOFNOQVPJJNP-UHFFFAOYSA-N 0.000 claims abstract description 187
- 238000003860 storage Methods 0.000 claims abstract description 32
- 239000003814 drug Substances 0.000 claims abstract description 22
- 239000007788 liquid Substances 0.000 claims abstract description 18
- 238000004891 communication Methods 0.000 claims description 3
- 239000012530 fluid Substances 0.000 claims description 3
- 238000000926 separation method Methods 0.000 claims 3
- 206010002515 Animal bite Diseases 0.000 abstract description 4
- 201000010099 disease Diseases 0.000 abstract description 3
- 208000037265 diseases, disorders, signs and symptoms Diseases 0.000 abstract description 3
- 239000002699 waste material Substances 0.000 abstract description 3
- 230000006835 compression Effects 0.000 abstract description 2
- 238000007906 compression Methods 0.000 abstract description 2
- 230000003449 preventive effect Effects 0.000 abstract description 2
- 239000003651 drinking water Substances 0.000 description 9
- 235000020188 drinking water Nutrition 0.000 description 9
- 238000004519 manufacturing process Methods 0.000 description 4
- 244000144972 livestock Species 0.000 description 3
- 238000007789 sealing Methods 0.000 description 3
- 230000008901 benefit Effects 0.000 description 2
- 238000000034 method Methods 0.000 description 2
- 230000008569 process Effects 0.000 description 2
- 241000894006 Bacteria Species 0.000 description 1
- 241000282994 Cervidae Species 0.000 description 1
- 241000196324 Embryophyta Species 0.000 description 1
- 241000402754 Erythranthe moschata Species 0.000 description 1
- 241000282414 Homo sapiens Species 0.000 description 1
- 241001233242 Lontra Species 0.000 description 1
- 241000772415 Neovison vison Species 0.000 description 1
- 241000286209 Phasianidae Species 0.000 description 1
- 241000282485 Vulpes vulpes Species 0.000 description 1
- 230000009471 action Effects 0.000 description 1
- 230000004075 alteration Effects 0.000 description 1
- 230000009286 beneficial effect Effects 0.000 description 1
- 230000000903 blocking effect Effects 0.000 description 1
- 210000000085 cashmere Anatomy 0.000 description 1
- 235000013601 eggs Nutrition 0.000 description 1
- 230000003203 everyday effect Effects 0.000 description 1
- 230000036541 health Effects 0.000 description 1
- 238000009434 installation Methods 0.000 description 1
- 239000000463 material Substances 0.000 description 1
- 235000013372 meat Nutrition 0.000 description 1
- 210000004080 milk Anatomy 0.000 description 1
- 239000008267 milk Substances 0.000 description 1
- 235000013336 milk Nutrition 0.000 description 1
- 230000004048 modification Effects 0.000 description 1
- 238000012986 modification Methods 0.000 description 1
- 230000035790 physiological processes and functions Effects 0.000 description 1
- 244000144977 poultry Species 0.000 description 1
- 230000009467 reduction Effects 0.000 description 1
- 210000003491 skin Anatomy 0.000 description 1
- 230000001954 sterilising effect Effects 0.000 description 1
- 238000006467 substitution reaction Methods 0.000 description 1
- 210000002268 wool Anatomy 0.000 description 1
Images
Landscapes
- Feeding And Watering For Cattle Raising And Animal Husbandry (AREA)
Abstract
本实用新型公开了一种用于畜牧业养殖的动物饮水装置,包括增压泵、机械框架、药液放置网、蓄水箱、多接口水管、出水嘴和水槽,所述机械框架的一侧固定有增压泵,所述蓄水箱固定在机械框架的上表面一侧,所述蓄水箱的四周固定有挡板,所述蓄水箱的上端中心位置设有进水口B,所述进水口B的内部下方通过限位绳固定有固定框,所述固定框的底部固定有药液放置网,所述药液放置网位于总水管出水端的下方。本实用新型内部通过设置药液放置网可以对水进行杀菌或放置其他药物预防疾病,通过在出水嘴的内部设置弹簧压杆,使动物咬住出水嘴时能够出水,动物松开时出水嘴不出水,能够减少浪费,而且出水嘴数量多,能够同时供应多个动物喝水,适用范围广。
Description
技术领域
本实用新型涉及畜牧业养殖技术领域,具体为一种用于畜牧业养殖的动物饮水装置。
背景技术
畜牧业,是利用畜禽等已经被人类驯化的动物,或者鹿、麝、狐、貂、水獭、鹌鹑等野生动物的生理机能,通过人工饲养、繁殖,使其将牧草和饲料等植物能转变为动物能,以取得肉、蛋、奶、羊毛、山羊绒、皮张、蚕丝和药材等畜产品的生产部门。区别于自给自足家畜饲养,畜牧业的主要特点是集中化、规模化、并以营利为生产目的。
经过大量检索得知:中国实用新型专利:申请号【CN201720695494.9】,公开号【CN206879775U】,本实用新型公开了一种畜牧养殖中使用的饮水槽,包括地面,所述地面的顶部固定连接有墙体,所述墙体的左侧固定连接有连接板,所述连接板的左侧连接有固定板,所述固定板的左侧固定连接有饮水槽本体,所述连接板的左侧固定连接有连接块,所述固定板的内部开设有连接槽,所述连接块与连接槽相插接,所述固定板的内部开设有固定槽。本实用新型通过设置连接板和固定板,方便对饮水槽本体进行连接与拆卸,通过使连接板与固定板进行分离,实现对饮水槽本体进行拆卸,从而方便放入水源进入到饮水槽本体内,方便畜牧养殖动物进行饮水,达到了便于拆卸的优点,从而有效的解决了现有饮水槽不方便进行拆卸影响畜牧养殖动物饮水过程的问题。
在畜牧养殖过程中动物每天都要需要饮用大量的水,通常在动物的引水装置只有一个简单的水槽,内部放有水,动物在喝水时经常将水弄脏或再次去喝时水内会滋生细菌,使动物生病,不利于动物的健康生长,因此需要一种能够喝到干净卫生水的装置。
实用新型内容
本实用新型的目的在于提供一种用于畜牧业养殖的动物饮水装置,具备饮用水干净卫生,出水量能够控制和减少浪费的优点,解决了饮用水不卫生,浪费量大和水槽空间小不能多个动物同时喝水的问题。
为实现上述目的,本实用新型提供如下技术方案:一种用于畜牧业养殖的动物饮水装置,包括增压泵、机械框架、药液放置网、蓄水箱、多接口水管、出水嘴和水槽,所述机械框架的一侧固定有增压泵,所述蓄水箱固定在机械框架的上表面一侧,所述蓄水箱的四周固定有挡板,所述蓄水箱的上端中心位置设有进水口B,所述进水口B的内部下方通过限位绳固定有固定框,所述固定框的底部固定有药液放置网,所述药液放置网位于总水管出水端的下方,所述机械框架的前后两端靠近中间位置对称固定有支撑柱,所述出水嘴的内部设有压杆,所述压杆的底部固定在挡片上,所述压杆的底部靠近矩形槽处设有弹簧,所述挡片的底部设有转动轴,所述转动轴固定在矩形槽的内部,所述矩形槽固定在出水嘴与多接口水管的连接处,所述挡片的上端与出水嘴的内部连接处设有密封垫。
优选的,所述增压泵的底部设有底座,所述增压泵的上表面中心位置设有提手,所述增压泵前端的进水口A上安装有进水管,所述增压泵上端的出水口A上安装有总水管,所述总水管的另一端通过进水口B固定在蓄水箱的内部,所述总水管通过固定器固定在机械框架和蓄水箱的外表面。
优选的,所述蓄水箱的底部一侧设有出水口B,所述出水口B上安装有水管接头,所述水管接头的另一端与三通管接头B相连接,所述三通管接头B的另外两端对称安装有两个支管,所述支管上设有水阀开关。
优选的,所述支撑柱的外表面中心轴线上通过固定块安装有多接口水管,所述多接口水管的两端通过限位块固定在支撑柱上,所述多接口水管的内部通过三通管接头A与支管相连接实现流体连通。
优选的,所述多接口水管靠近增压泵一侧的固定块处均匀安装有三个出水嘴,所述多接口水管靠近水槽的排水口一侧的固定块处均匀安装有四个出水嘴。
优选的,所述机械框架的底部前后两端对称固定有水槽,所述水槽位于出水嘴的下方,所述水槽背离增压泵的一侧底部设有排水口。
与现有技术相比,本实用新型的有益效果如下:本实用新型动物饮水装置能够节约用水,内部通过设置药液放置网可以对蓄水箱内的水进行杀菌,或放置其他药物预防疾病,通过在出水嘴的内部设置弹簧压杆,使动物咬住出水嘴时能够出水,动物松开时出水嘴不出水,能够减少浪费,节约成本,使动物一直能够喝到干净卫生的水,该装置结构简单,蓄水箱内部空间大,出水嘴数量多,能够同时供应多个动物喝水,适用范围广,成本低。
附图说明
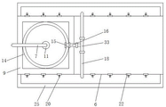
图1为本实用新型结构示意图;
图2为本实用新型左视图;
图3为本实用新型俯视图;
图4为本实用新型图2中A处的放大结构图。
图中:1、底座;2、进水管;3、增压泵;4、提手;5、出水口A;6、机械框架;7、总水管;8、固定器;9、挡板;10、限位绳;11、进水口B;12、固定框;13、药液放置网;14、蓄水箱;15、出水口B;16、水管接头;17、水阀开关;18、支管;19、三通管接头A;20、出水嘴;21、多接口水管;22、固定块;23、支撑柱;24、限位块;25、水槽;26、排水口;27、进水口A;28、矩形槽;29、转动轴;30、弹簧;31、压杆;32、挡片;33、三通管接头B。
具体实施方式
下面将结合本实用新型实施例中的附图,对本实用新型实施例中的技术方案进行清楚、完整地描述,显然,所描述的实施例仅仅是本实用新型一部分实施例,而不是全部的实施例。基于本实用新型中的实施例,本领域普通技术人员在没有做出创造性劳动前提下所获得的所有其他实施例,都属于本实用新型保护的范围。
请参阅图1至图4,本实用新型提供一种用于畜牧业养殖的动物饮水装置技术方案:一种用于畜牧业养殖的动物饮水装置,包括增压泵3、机械框架6、药液放置网13、蓄水箱14、多接口水管21、出水嘴20和水槽25,机械框架6的一侧固定有增压泵3,增压泵3的底部设有底座1,增压泵3的上表面中心位置设有提手4,增压泵3前端的进水口A27上安装有进水管2,增压泵3上端的出水口A5上安装有总水管7,总水管7的另一端通过进水口B11固定在蓄水箱14的内部,总水管7通过固定器8固定在机械框架6和蓄水箱14的外表面,蓄水箱14固定在机械框架6的上表面一侧,蓄水箱14的四周固定有挡板9,通过设置增压泵3使底下的水源能够抽送至蓄水箱14内,方便动物用水。
蓄水箱14的上端中心位置设有进水口B11,进水口B11的内部下方通过限位绳10固定有固定框12,固定框12的底部固定有药液放置网13,药液放置网13位于总水管7出水端的下方,内部通过设置药液放置网13可以对蓄水箱14内的水进行杀菌,或放置其他药物预防疾病,蓄水箱14的底部一侧设有出水口B15,出水口B15上安装有水管接头16,水管接头16的另一端与三通管接头B33相连接,三通管接头B33的另外两端对称安装有两个支管18,支管18上设有水阀开关17,机械框架6的前后两端靠近中间位置对称固定有支撑柱23,支撑柱23的外表面中心轴线上通过固定块22安装有多接口水管21,多接口水管21的两端通过限位块24固定在支撑柱23上,多接口水管21的内部通过三通管接头A19与支管18相连接实现流体连通。
多接口水管21靠近增压泵3一侧的固定块22处均匀安装有三个出水嘴20,多接口水管21靠近水槽25的排水口26一侧的固定块22处均匀安装有四个出水嘴20,出水嘴20的内部设有压杆31,压杆31的底部固定在挡片32上,压杆31的底部靠近矩形槽28处设有弹簧30,挡片32的底部设有转动轴29,转动轴29固定在矩形槽28的内部,矩形槽28固定在出水嘴20与多接口水管21的连接处,挡片32的上端与出水嘴20的内部连接处设有密封垫,通过在出水嘴20的内部设置弹簧30和压杆31,使动物咬住出水嘴20时能够出水,动物松开时出水嘴20不出水,能够减少浪费,节约成本,使动物一直能够喝到干净卫生的水。
机械框架6的底部前后两端对称固定有水槽25,水槽25位于出水嘴20的下方,水槽25背离增压泵3的一侧底部设有排水口26,该动物饮水装置能够节约用水,该装置结构简单,蓄水箱14内部空间大,出水嘴20数量多,能够同时供应多个动物喝水,适用范围广,成本低。
本实用新型电机选用常规水泵--S12WG-8进行设计,该型号马达仅仅作为所属技术领域人员进行参考选用,所属技术领域人员可根据实际生产需要进行选配相同参数和功能的马达进行安装调试使用,本实用新型不进行赘述。
工作原理:通过增压泵3将水源处的水抽送至蓄水箱14内,在药液放置网13内放入对水杀菌的药物或药液,经过水管的水对药液进行稀释,动物在喝水时咬住出水嘴20,出水嘴20内的压杆31受外力向下压缩弹簧30,挡片32随着压杆31转动,此时挡片32与出水嘴20连接处出现缺口,水从多接口水管21内流出,动物能够喝到水,当动物不咬出水嘴20时,压杆31受弹簧30的弹力作用回至原位置,挡片32也随着压杆31回至原位置并与出水嘴20内部的密封垫实现密封,此时出水嘴20不会出水,能够达到节约用水的目的。
尽管已经示出和描述了本实用新型的实施例,对于本领域的普通技术人员而言,可以理解在不脱离本实用新型的原理和精神的情况下可以对这些实施例进行多种变化、修改、替换和变型,本实用新型的范围由所附权利要求及其等同物限定。
Claims (6)
1.一种用于畜牧业养殖的动物饮水装置,包括增压泵(3)、机械框架(6)、药液放置网(13)、蓄水箱(14)、多接口水管(21)、出水嘴(20)和水槽(25),其特征在于:所述机械框架(6)的一侧固定有增压泵(3),所述蓄水箱(14)固定在机械框架(6)的上表面一侧,所述蓄水箱(14)的四周固定有挡板(9),所述蓄水箱(14)的上端中心位置设有进水口B(11),所述进水口B(11)的内部下方通过限位绳(10)固定有固定框(12),所述固定框(12)的底部固定有药液放置网(13),所述药液放置网(13)位于总水管(7)出水端的下方,所述机械框架(6)的前后两端靠近中间位置对称固定有支撑柱(23),所述出水嘴(20)的内部设有压杆(31),所述压杆(31)的底部固定在挡片(32)上,所述压杆(31)的底部靠近矩形槽(28)处设有弹簧(30),所述挡片(32)的底部设有转动轴(29),所述转动轴(29)固定在矩形槽(28)的内部,所述矩形槽(28)固定在出水嘴(20)与多接口水管(21)的连接处,所述挡片(32)的上端与出水嘴(20)的内部连接处设有密封垫。
2.根据权利要求1所述的一种用于畜牧业养殖的动物饮水装置,其特征在于:所述增压泵(3)的底部设有底座(1),所述增压泵(3)的上表面中心位置设有提手(4),所述增压泵(3)前端的进水口A(27)上安装有进水管(2),所述增压泵(3)上端的出水口A(5)上安装有总水管(7),所述总水管(7)的另一端通过进水口B(11)固定在蓄水箱(14)的内部,所述总水管(7)通过固定器(8)固定在机械框架(6)和蓄水箱(14)的外表面。
3.根据权利要求1所述的一种用于畜牧业养殖的动物饮水装置,其特征在于:所述蓄水箱(14)的底部一侧设有出水口B(15),所述出水口B(15)上安装有水管接头(16),所述水管接头(16)的另一端与三通管接头B(33)相连接,所述三通管接头B(33)的另外两端对称安装有两个支管(18),所述支管(18)上设有水阀开关(17)。
4.根据权利要求1所述的一种用于畜牧业养殖的动物饮水装置,其特征在于:所述支撑柱(23)的外表面中心轴线上通过固定块(22)安装有多接口水管(21),所述多接口水管(21)的两端通过限位块(24)固定在支撑柱(23)上,所述多接口水管(21)的内部通过三通管接头A(19)与支管(18)相连接实现流体连通。
5.根据权利要求1所述的一种用于畜牧业养殖的动物饮水装置,其特征在于:所述多接口水管(21)靠近增压泵(3)一侧的固定块(22)处均匀安装有三个出水嘴(20),所述多接口水管(21)靠近水槽(25)的排水口(26)一侧的固定块(22)处均匀安装有四个出水嘴(20)。
6.根据权利要求1所述的一种用于畜牧业养殖的动物饮水装置,其特征在于:所述机械框架(6)的底部前后两端对称固定有水槽(25),所述水槽(25)位于出水嘴(20)的下方,所述水槽(25)背离增压泵(3)的一侧底部设有排水口(26)。
Priority Applications (1)
| Application Number | Priority Date | Filing Date | Title |
|---|---|---|---|
| CN202120040309.9U CN214071177U (zh) | 2021-01-08 | 2021-01-08 | 一种用于畜牧业养殖的动物饮水装置 |
Applications Claiming Priority (1)
| Application Number | Priority Date | Filing Date | Title |
|---|---|---|---|
| CN202120040309.9U CN214071177U (zh) | 2021-01-08 | 2021-01-08 | 一种用于畜牧业养殖的动物饮水装置 |
Publications (1)
| Publication Number | Publication Date |
|---|---|
| CN214071177U true CN214071177U (zh) | 2021-08-31 |
Family
ID=77437942
Family Applications (1)
| Application Number | Title | Priority Date | Filing Date |
|---|---|---|---|
| CN202120040309.9U Expired - Fee Related CN214071177U (zh) | 2021-01-08 | 2021-01-08 | 一种用于畜牧业养殖的动物饮水装置 |
Country Status (1)
| Country | Link |
|---|---|
| CN (1) | CN214071177U (zh) |
-
2021
- 2021-01-08 CN CN202120040309.9U patent/CN214071177U/zh not_active Expired - Fee Related
Similar Documents
| Publication | Publication Date | Title |
|---|---|---|
| CN214071177U (zh) | 一种用于畜牧业养殖的动物饮水装置 | |
| CN109122370B (zh) | 一种畜牧业养殖用便于清洗的幼崽喂奶装置 | |
| CN111387078A (zh) | 一种畜牧业养殖用喂食装置 | |
| CN216191486U (zh) | 一种畜牧养殖水处理设备 | |
| CN212038331U (zh) | 一种畜牧饲养消毒清洁装置 | |
| CN212014103U (zh) | 一种养殖业用环保饮水槽 | |
| CN212381900U (zh) | 一种畜牧用饮水装置 | |
| CN214211626U (zh) | 一种畜牧养殖用喂食槽清洗设备 | |
| CN216722629U (zh) | 一种畜牧兽医用饮水装置 | |
| CN214126496U (zh) | 一种新型畜牧业给水饮水装置 | |
| CN212937304U (zh) | 一种新型定位栏分段式饲喂食槽 | |
| CN211934946U (zh) | 一种畜牧用圈舍消毒水喷洒机 | |
| CN211563479U (zh) | 一种畜牧用消毒喷洒装置 | |
| CN218302751U (zh) | 一种养殖笼的清洁消毒机构 | |
| CN214593533U (zh) | 一种畜牧用饮水装置 | |
| CN216853408U (zh) | 一种养殖线饮水装置 | |
| CN213073956U (zh) | 一种畜牧兽医用清粪装置 | |
| CN212393530U (zh) | 一种畜牧兽医用具有杀菌功能的饲养笼 | |
| CN216492695U (zh) | 便于清洗的畜牧业饮水槽 | |
| CN213992053U (zh) | 一种畜牧动物用饮水装置 | |
| CN212487888U (zh) | 一种可净水消毒的畜牧养殖用食槽 | |
| CN221181121U (zh) | 一种消毒装置 | |
| CN220630561U (zh) | 一种畜牧养殖用畜牧笼 | |
| CN213486313U (zh) | 一种高可靠性复合型母猪产舍 | |
| CN212678043U (zh) | 一种畜牧养殖用除菌装置 |
Legal Events
| Date | Code | Title | Description |
|---|---|---|---|
| GR01 | Patent grant | ||
| GR01 | Patent grant | ||
| CF01 | Termination of patent right due to non-payment of annual fee |
Granted publication date: 20210831 |
|
| CF01 | Termination of patent right due to non-payment of annual fee |